Climate Control Solutions
OPERATION
INSTRUCTIONS
Energy Recovery Ventilator with Exhaust
Model: 920-0239 QWSERV
with Occupied Air Capabilities
For Use with Bard 2 – 5 Ton QW*S Series
| Bard Manufacturing Company, Inc. Bryan, Ohio 43506 www.bardhvac.com | Manual: 2100-619A Supersedes: 2100-619 Date: 11-10-20 |
WARNING
Electrical shock hazard.
Disconnect remote electrical power supply or supplies before servicing.
Failure to do so could result in electric shock or death.
WARNING
Exposed moving parts.
Disconnect electrical power before servicing.
Failure to do so could result in severe injury or amputation.
CAUTION
Cut hazard.
Wear gloves to avoid contact with sharp edges.
Failure to do so could result in personal injury.
Electrical Specifications
| Model | Voltage | Amps | Control Voltage |
| 920-0239 | 230/208 | 2. | 24V |
920-0239 QWSERV with Occupied Air Features
The 920-0239 QWERV with continuously occupied ventilation provides constant outdoor air based upon an occupancy signal. Using a thermostat that has an occupied output, DDC control system and timed schedule, or other infrared occupancy monitors, this ERV allows for continuous outdoor ventilation delivery during occupied hours. It accomplishes this by energizing the unit occupied control terminal (“A” terminal) for the continuous air during occupied periods, but then requires a CO2 control to energize the ERV to the full rated ventilation requirements.
In “occupied mode” with the “A” terminal energized, it operates the ERV intake blowers, the heat recovery cassette and opens the intake damper. The unit comes wired from the factory for medium blower speed for this application.
- At medium speed, this allows for the continuous ventilation airflow of 150-225 CFM depending on the tightness of the structure.
- If a lower continuous CFM is desired, this continuous airflow can also be wired to low speed which will allow for 105-165 CFM of continuous ventilation, again dependent upon the tightness of the structure.
Upon a call from the CO2 control, it then further energizes the exhaust blower at the pre-set speed and will change the intake blower speed if different from the continuously occupied airspeed.
| Model | Voltage |
| 920-0239 | QW2S-A, -B, -C QW2S-A, -B, -C QW2S-A, -B, -C QW2S-A, -B, -C |
Control Requirements
- The indoor blower will be automatically energized to operate on either a call for occupied ventilation or a call by the CO2 control.
- Select the correct motor speed on the ERV. Using Table 1 of the ERV installation instructions, determine the motor speed needed to get the desired amount of ventilation air needed. For instance, do not use the high-speed tap on an ERV if only 200 CFM of ventilation air is needed; use the low-speed tap. Using the high-speed tap would serve no useful purpose and would affect the overall efficiency of the heat pump system. System operation costs would also increase.
- Run the ERV only during periods when the conditioned space is occupied. Running the ERV during unoccupied periods wastes energy decreases the expected life of the ERV and can result in a large moisture buildup in the structure. The ERV can remove up to 60 to 70% of the moisture in the incoming air, not 100%. Running the ERV when the structure is unoccupied allows moisture to build up in the structure because there is little or no cooling load. Thus, the air conditioner is not running enough to remove the excess moisture being brought in. Use a control system that in some way can control the system based on occupancy.
NOTE: The Energy Recovery Ventilator is NOT a dehumidifier.
IMPORTANT
Operating the ERV during unoccupied periods can result in a build-up of moisture in the classroom.
Recommended Control Sequences for Occupancy Signal
Several possible control scenarios are listed below:
- Use a programmable electronic thermostat with the auxiliary terminal to control the ERV based on daily programmed occupancy periods. Bard markets and recommends Bard P/N 8403-060 programmable electronic thermostat for heat pump applications.
- Use a motion sensor in conjunction with a mechanical thermostat to determine occupancy in the classroom. Bard markets thermostats CS9B-THO and CS9BE-THO for this use.
- Use a DDC control system to control the ERV based on a room occupancy schedule.
- Tie the operation of the ERV into the light switch. The lights in a room are usually on only when occupied.
- Use a manual timer that the occupants turn to energize the ERV for a specific number of hours.
- Use a programmable mechanical timer to energize the ERV and indoor blower during occupied periods of the day.
- This vent package requires the secondary application of a CO2 control.
Control Wiring
The 920-0239 QWSERV comes wired into the low voltage control circuit from the factory for occupied ventilation air and CO2 controlled full ventilation air. With remote thermostat control option “X”, Bard P/N 8403-060, CS9B-THOA or CS9BE-THOA thermostats will need to be wired to the low voltage terminal strip as shown in Figures 1 and 2 on pages 5 and 6.
NOTE: Use of Bard thermostats CS9B-THOCA or CS9BE-THOCA with included CO2 will not work in this application as there is only a singular output and not two as needed for this ventilation package.
Factory control option “H” (8403-060 Thermostat and 8403-067 CO2 Control) will also work with this application.
Ventilation Airflow
The ERV is equipped with a 3-speed motor to provide the capability of adjusting the ventilation rates to the requirements of the specific application by simply changing motor speeds.
TABLE 1
Ventilation Air (CFM)
| CFM | High Speed (Black) | Medium Speed (Blue) | Low Speed (Red) |
| 450 | 375 | 300 |
The ERV units are wired from the factory on medium intake and low exhaust speeds. The ERV is equipped with an independently controlled 3-speed motor to provide the capability of adjusting the ventilation rates to the requirements of the specific application and to be able to provide positive pressure in the structure. This is accomplished by setting the intake blower at a higher speed than the exhaust blower.
WARNING
Electrical shock hazard.
Open disconnect to shut all power OFF before doing this.
Failure to do so could result in electric shock or death.
Moving the speed taps located in the control panel can change the blower speed of the intake and exhaust (see Figure 3 on page 7).
FIGURE
FIGURE 1
8403-060 Thermostat and 8403-067 CO2 Control

FIGURE 2
CS9B-THOA or CS9BE-THOA Thermostat and 8403-067 CO2 Control

ONLY REQUIRED FOR DEHUM MODELS (HOT GAS REHEAT)
FIGURE 3
Blower Speed Adjustment
TO ADJUST INTAKE AND EXHAUST BLOWER SPEEDS
- DISCONNECT POWER TO UNIT
- REMOVE ERV CONTROL PANEL COVER
- MOVE BLACK INSULATOR TO DESIRED
- SPEED ON TERMINAL CONNECTOR

Performance and Application Data
TABLE 2
Summer Cooling Performance
(Indoor Design Conditions 75°DB/62°WB)

LEGEND
| VLT = Ventilation Load – Total | HRT = Heat Recovery – Total |
| VLS = Ventilation Load – Sensible | HRS = Heat Recovery – Sensible |
| VLL = Ventilation Load – Latent | HRL = Heat Recovery – Latent |
TABLE 3
Winter Heating Performance
(Indoor Design Conditions 70°F DB)
| Ambient O.D. | VENTILATION RATE | ||||||||
| 450 CFM 80% EFFICIENCY | 375 CFM 81% EFFICIENCY | 300 CFM 82% EFFICIENCY | |||||||
| DB/°F | VLT | HRS | VLS | VLT | HRS | VLS | VLT | HRS | VLS |
| 65 | 2430 | 1944 | 486 | 2025 | 1640 | 385 | 1620 | 1328 | 292 |
| 60 | 4860 | 3888 | 972 | 4050 | 3280 | 770 | 3240 | 2656 | 583 |
| 55 | 7290 | 5832 | 1458 | 6075 | 4920 | 1154 | 4860 | 3985 | 875 |
| 50 | 9720 | 7776 | 1944 | 8100 | 6561 | 1539 | 6480 | 5313 | 1166 |
| 45 | 12150 | 9720 | 2430 | 10125 | 8201 | 1924 | 8100 | 6642 | 1458 |
| 40 | 14580 | 11664 | 2916 | 12150 | 9841 | 2309 | 9720 | 7970 | 1750 |
| 35 | 17010 | 13608 | 3402 | 14175 | 11481 | 2693 | 11340 | 9298 | 2041 |
| 30 | 19440 | 15552 | 3888 | 16200 | 13122 | 3078 | 12960 | 10627 | 2333 |
| 25 | 21870 | 17496 | 4374 | 18225 | 14762 | 3463 | 14580 | 11955 | 2624 |
| 20 | 24300 | 19440 | 4860 | 20250 | 16402 | 3848 | 16200 | 13284 | 2916 |
| 15 | 26730 | 21384 | 5346 | 22275 | 18042 | 4232 | 17820 | 14612 | 3208 |
| 10 | 29160 | 23328 | 5832 | 24300 | 19683 | 4617 | 19440 | 15941 | 3499 |
| 5 | 31590 | 25272 | 6318 | 26325 | 21323 | 5002 | 21060 | 17269 | 3791 |
| 0 | 34020 | 27216 | 6804 | 28350 | 22964 | 5387 | 22680 | 18598 | 4082 |
| -5 | 36450 | 29160 | 7290 | 30375 | 24604 | 5771 | 24300 | 19926 | 4374 |
| -10 | 38880 | 31104 | 7776 | 32400 | 26244 | 6156 | 25920 | 21254 | 4666 |
LEGEND
| VLT = Ventilation Load – Total | HRS = Heat Recovery – Sensible | VLS = Ventilation Load – Sensible |
NOTE: Sensible performance is only shown for winter application.
Energy Recovery Ventilator Maintenance
General Information
The ability to clean exposed surfaces within air moving systems is an important design consideration for the maintenance of system performance and air quality. The need for periodic cleaning will be a function of operating schedule, climate, and contaminants in the indoor air being exhausted and in the outdoor air being supplied to the building. All components exposed to the airstream, including energy recovery wheels, may require cleaning in most applications.
Rotary counterflow heat exchanges (heat wheels) with laminar airflow are “self-cleaning” with respect to dry particles. Smaller particles pass through; larger particles land on the surface and are blown clear as the flow direction is reversed. For this reason, the primary need for cleaning is to remove films of oil-based aerosols that have condensed on energy transfer surfaces. The buildup of material over time may eventually reduce airflow. Most importantly, in the case of desiccant-coated (enthalpy) wheels, such films can close off micron-sized pores at the surface of the desiccant material, reducing the efficiency with which the desiccant can absorb and exude moisture.
Frequency
In a reasonably clean indoor environment such as a school, office building, or home, experience shows that reductions of airflow or loss of sensible (temperature) effectiveness may not occur for 10 or more years. However, experience also shows that measurable changes in latent energy (water vapor) transfer can occur in shorter periods of time in commercial, institutional and residential applications experiencing moderate occupant smoking or with cooking facilities. In applications experiencing unusually high levels of occupant smoking, such as smoking lounges, nightclubs, bars, and restaurants, washing of energy transfer surfaces, as frequently as every 6 months, may be necessary to maintain latent transfer efficiency.
Similar washing cycles may also be appropriate for industrial applications involving the ventilation of high levels of smoke or oil-based aerosols such as those found in welding or machining operations, for example. In these applications, latent efficiency losses of as much as 40% or more may develop over a period of 1 to 3 years.
Cleanability and Performance
In order to maintain energy recovery ventilation systems, energy transfer surfaces must be accessible for washing to remove oils, grease, tars, and dirt that can impede performance or generate odors. Washing of the desiccant surfaces is required to remove contaminate buildups that can reduce the absorption of water molecules. The continued ability of an enthalpy wheel to transfer latent energy depends upon the permanence of the bond between the desiccant and the energy transfer surfaces.
Bard wheels feature silica gel desiccant permanently bonded to the heat exchange surface without adhesives; the desiccant will not be lost in the washing process. Proper cleaning of the Bard energy recovery wheel will restore latent effectiveness to the near-original performance.
Maintenance Procedures
NOTE: Local conditions can vary and affect the required time between routine maintenance procedures; therefore, all sites (or specific units at a site) may not have the same schedule to maintain acceptable performance.
The following timetables are recommended and can be altered based on local experience.
Quarterly Maintenance
- Inspect mist eliminator/prefilter and clean if necessary. This filter is located in the wall sleeve and can be accessed by either removing the exterior louver grille, the vent package from inside the unit, or by disconnecting the unit from the wall brackets and rolling the unit away from the sleeve on its integral wheel system. This is an aluminum
mesh filter and can be cleaned with water and any detergent not harmful to aluminum. - Inspect the ERV exhaust air prefilter and clean if necessary. This filter is located behind the return air grille on the unit (accessible by swinging up the hinged filter/access front service door).
- Inspect the comfort air filter and clean or replace it as necessary. The filter is located behind the front-hinged service door.
- Inspect energy recovery ventilator for proper wheel rotation and dirt buildup. This can be done in conjunction with Item 3 above. Energize the energy recovery ventilator after inspecting the filter and observe for proper rotation and/or dirt buildup.
- Recommended energy recovery wheel cleaning procedures follow: Disconnect all power to the unit.
Open the front-hinged service door to the unit. - Remove the front cassette retaining panel from the front of the ERV. Unplug the amp connectors to the cassette drive motor. Slide energy recovery cassette out of ventilator.
- Use a shop vacuum with a brush attachment to clean both sides of the energy recovery wheels.
- Reverse shop vacuum to use as a blower and blow out any residual dry debris from the wheel.
NOTE: Discoloration and staining of the wheel do not affect its performance. Only excessive buildup of foreign material needs to be removed. - If any belt chirping or squealing noise is present, apply a small amount of LPS-1 or equivalent dry film lubricant to the belt.
Annual Maintenance
- Inspect and conduct the same procedures as outlined under Quarterly Maintenance.
- To maintain peak latent (moisture) removal capacity, it is recommended that the energy recovery wheels be sprayed with a diluted non-acid-based evaporator coil cleaner or alkaline detergent solution such as 409.
NOTE: Do not use acid-based cleaners, aromatic solvents, temperatures in excess of 170°F or steam. Damage to the wheel may result.
Do not disassemble and immerse the entire heat wheel in a soaking solution, as bearing and other damage may result. - Rinse the wheel thoroughly after application of the cleaning solution and allow to drain before reinstalling.
- No re-lubrication is required to heat wheel bearings of the drive motor, or to the intake and exhaust blower motors.
- If any belt chirping or squealing noise is present, apply a small amount of LPS-1 or equivalent dry film lubricant to the belt.
FIGURE 4
Belt Replacement Instructions

FIGURE 5
Hub Assembly with Ball Bearings

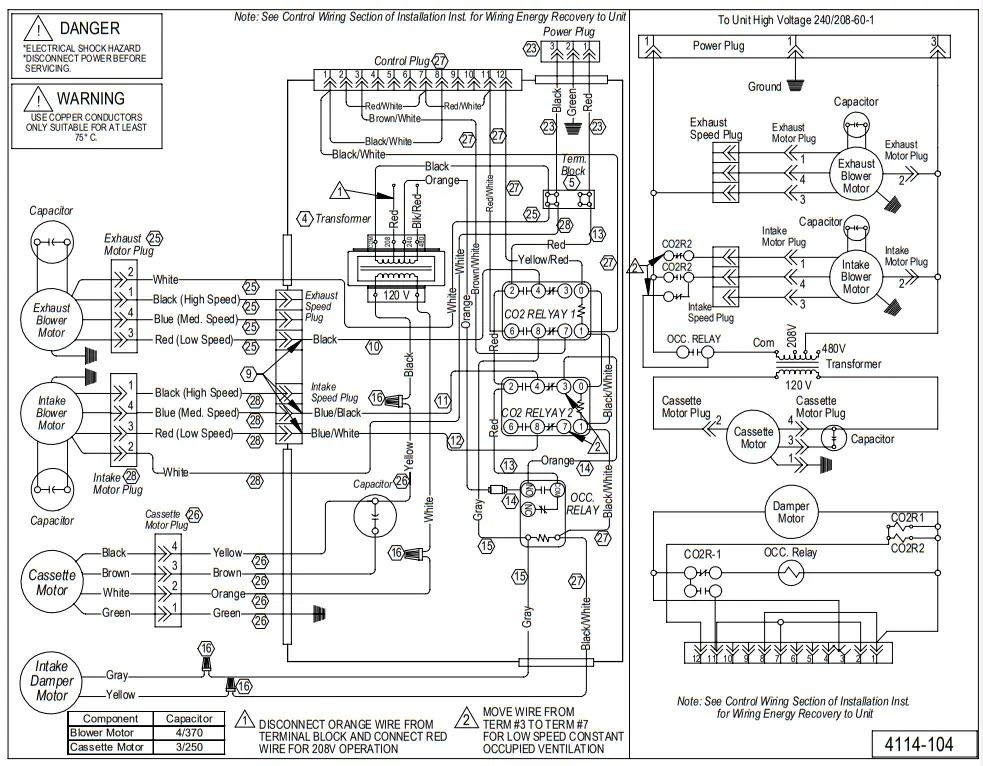
Wiring Diagram for 920-0239 QWSERV

FIGURE 6
Configuring 8403-067 CO2 Control

Manual 2100-619A
Page 14 of 14


















