hansgrohe AXOR UNO2 Lever Sink Faucet Instruction Manual
Safety Notes
Gloves should be worn during installation to prevent crushing and cutting injuries.
The shower system may only be used for bathing, hygienic and body cleansing purposes.
The hot and cold supplies must be of equal pressures
Installation Instructions
- The fitting must be installed, flushed and tested after the valid norms.
- If the instantaneous water heater causes problems or if you wish to increase the water flow, the EcoSmart® (flow limiter) located behind the aerator can be removed.
Symbol description
Do not use silicone containing acetic acid!
Special accessories
special tool (58085000) order as an extra
Installation kit order as an extra
Assembly


Water Heater


To adjust the hot water limiter on single lever mixers, please see page 33. No adjustment is necessary when using a continuous flow water heater.
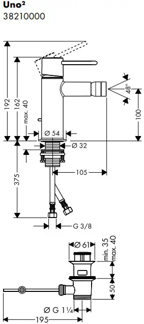
Dimensions


Flow diagram
Uno²
38020000 / 38022000 / 38024000 / 38025000 / 38027000
Uno²
38210000
Operation


Cleaning
(see enclosed brochure)
Spare parts

Test certificate
| P-IX | DVGW | SVGW | WRAS | KIWA | NF | ACS | ETA | |
| 38020000 | P-IX 9862/IA | X | X | X | X | |||
| 38022000 | P-IX 9862/IA | X | X | X | ||||
| 38024000 | X | X | ||||||
| 38025000 | P-IX 9862/IA | X | X | X | X | X | ||
| 38027000 | P-IX 9862/IA | X | X | X | ||||
| 38210000 | P-IX 9862/IA | X | X | X |

Technical Data
This mixer series-produced with EcoSmart® (flow limiter)
Operating pressure: max. 1 MPa
Recommended operating pressure: 0,1 – 0,5 MPa
Test pressure: 1,6 MPa (1 MPa = 10 bar = 147 PSI)
Hot water temperature: max. 80°C
Recommended hot water temp.: 65°C
Hansgrohe mixers can be used together with hydraulically and thermically controlled continuous flow heaters if the flow pressure is at least 0,15 MPa.
Hansgrohe
Postfach 1145
D-77761 Schiltach
Telefon +49 (0) 78 36/51-1282
Telefax +49 (0) 7836/511440
E-Mail: [email protected]
Internet: www.hansgrohe.com




















