hansgrohe AXOR UNO2 Washbasin Arm Faucets Instruction Manual
Safety Notes
Gloves should be worn during installation to prevent crushing and cutting injuries.
The shower system may only be used for bathing, hygienic and body cleansing purposes.
The hot and cold supplies must be of equal pressures
Installation Instructions
- The fitting must be installed, flushed and tested after the valid norms.
- If the instantaneous water heater causes problems or if you wish to increase the water flow, the EcoSmart® (flow limiter) located behind the aerator can be removed.
Technical Data
This mixer series-produced with EcoSmart® (flow limiter)
Operating pressure: max. 1 MPa
Recommended operating pressure: 0,1 – 0,5 MPa
Test pressure: 1,6 MPa (1 MPa = 10 bar = 147 PSI)
Hot water temperature: max. 80°C
Recommended hot water temp.: 65°C
The aerator is not equal to DIN EN 246
Hansgrohe mixers can be used together with hydraulically and thermically controlled continuous flow heaters if the flow pressure is at least 0,15 MPa.
Symbol description
Do not use silicone containing acetic acid!
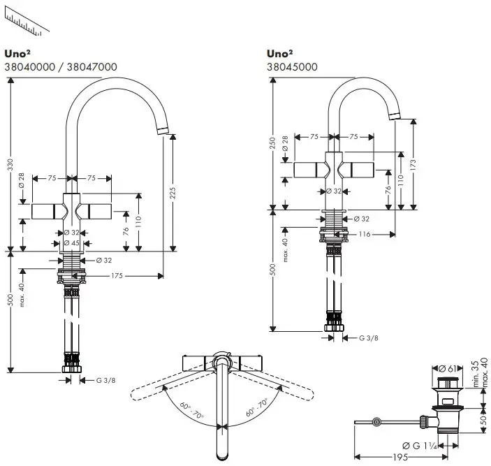
Dimensions
Flow diagram
- with EcoSmart®
- without EcoSmart®
Spare parts
Special accessories
special tool (58085000) order as an extra
Installation kit order as an extra
Operation
Cleaning
Cleaning recommendations, see enclosed brochure
Test certificate
| P-IX | DVGW | SVGW | WRAS | KIWA | NF | ACS | ETA | |
| 38040000 | P-IX 9864/IA | X | X | X | X | |||
| 38045000 | P-IX 9864/IA | X | ||||||
| 38047000 | P-IX 9864/IA | X | ||||||
| 38222000 | P-IX 9864/IA | X | X |
Assembly Instructions









Hansgrohe Postfach 1145 D-77761 Schiltach Telefon +49 (0) 78 36/51-1282 Telefax +49 (0) 7836/511440
E-Mail: [email protected] Internet: www.hansgrohe.com




















