hansgrohe TALIS C Faucets Instruction Manual
Model
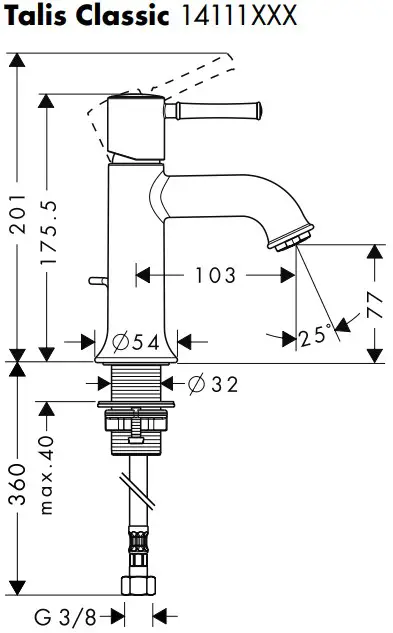
Talis Classic: 14111XXX / 14118XXX

Talis Classic: 14116XXX

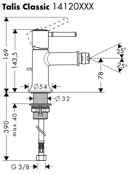
Talis Classic: 14120XXX

Safety Notes
Gloves should be worn during installation to prevent crushing and cutting injuries.
The shower system may only be used for bathing, hygienic and body cleansing purposes.
The hot and cold supplies must be of equal pressures
Installation Instructions
- The fitting must be installed, flushed and tested after the valid norms.
- If the instantaneous water heater causes problems or if you wish to increase the water flow, the EcoSmart® (flow limiter) located behind the aerator can be
Technical Data
This mixer series-produced with EcoSmart® (flow limiter)
- Operating pressure: max. 1 MPa
- Recommended operating pressure: 0,1 – 0,5 MPa
- Test pressure: 1,6 MPa (1 MPa = 10 bar = 147 PSI)
- Hot water temperature: max. 80°C
- Recommended hot water temp.: 65°C
Hansgrohe mixers can be used together with hydraulically and thermically controlled continuous flow heaters if the flow pressure is at least 0,15 MPa.
Symbol description
To adjust the hot water limiter on single lever mixers, please see page 33. No adjustment is necessary when using a continuous flow water heater.






Do not use silicone containing acetic acid!
Dimensions (see page 34 + 35)





Flow diagram (see page 34 + 35)



Spare parts (see page 38)
Special accessories
special tool (58085000) order as an extra
Installation kit order as an extra
Operation (see page 36)
open

close

cold

hot

Cleaning (see page 37) enclosed brochure

Test certificate (see page 39)
Assembly Instrcutions






The QuickClean cleaning function only needs a small manual rub over to remove the lime scale from the spray channels.

XXX: Colors
000 =chrome
820 = nikiel szorowany
| P-IX | DVGW | SVGW | WRAS | KIWA | NF | ACS | ETA | |
| 14111XXX | P-IX 18845/IA | X | X | X | X | X | ||
| 14116XXX | P-IX 18845/IA | X | X | X | X | X | ||
| 14118XXX | P-IX 18845/IA | X | X | X | X | X | ||
| 14120XXX | P-IX 18845/IA | X | X | X |
Hansgrohe · Postfach 1145 · D-77761 Schiltach · Telefon +49 (0) 78 36/51-1282 · Telefax +49 (0) 7836/511440
E-Mail: [email protected] · Internet: www.hansgrohe.com




















