27774000 Unica’C Shower Set
Instruction Manual
Unica’C 27610000 / 27611000
Croma 100 Vario/
Unica’C Set 27653000 / 27771000 27772000 / 27776000 27796000
Croma 100 Multi/ Unica’C Set
27655000 / 27774000 27775000 / 27777000
Croma 100 Multi Combi 27053000 / 27054000 27055000 / 27056000 27085000 / 27086000
Croma 100 Vario Combi 27051000
Safety Notes
Installation Instructions
- The fitting must be installed, flushed and tested after the valid norms.
- Where the contractor mounts the product, he should ensure that the entire area of the wall to which the mounting plate is to be fitted, is flat (no projecting joints or tiles sticking out), that the structure of the wall is suitable for the installation of the product and has no weak points. The enclosed screws and dowels are only suitable for concrete. For another wall constructions the manufacturer’s indications of the dowel manufacturer have to be taken into account.
- The filter insert must be use to protect the shower against incoming dirt by pipework. Incoming dirt leads to defects or/and can damage parts of the shower; such caused faults voids all liability and guarantee claims.
Technical Data
Operating pressure: max. 0,6 MPa
Recommended operating pressure: (1 MPa = 10 bar = 147 PSI) 0,1 – 0,4 MPa
Hot water temperature: max. 60°C
Symbol description
Do not use silicone containing acetic acid!
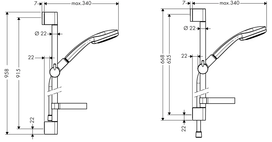
Dimensions (see page 31 – 35)
Flow diagram (see page 34)
Croma 100 Vario 28535000 / 28537000
Croma 100 Multi 28536000 / 28538000
Operation (see page 37)
Cleaning (see page 38) and enclosed brochure
Spare parts (see page 39)
Test certificate (see page 40)
Croma 100 Vario / Unica’C Set 27771000 / 27796000
Croma 100 Multi / Unica’C Set 27774000
Croma 100 Vario EcoSmart / Unica’C Set 27653000
Croma 100 Multi EcoSmart / Unica’C Set 27655000
Croma 100 Vario / Unica’C Set 27772000
Croma 100 Multi / Unica’C Set 27775000
Croma 100 Vario EcoSmart / Unica’C Set 27776000
Croma 100 Multi EcoSmart / Unica’C Set 27777000








Hansgrohe · Postfach 1145
D-77761 Schiltach
Telefon +49 (0) 78 36/51-1282
Telefax +49 (0) 7836/511440
E-Mail: [email protected]
Internet: www.hansgrohe.com


















