
Installation instructions Double Dimmer LD200KRON
The LD200KRON dimmer is controlled by one or more retractive 1-pole switches (rocker switch) per control input.

- Starts at 0VA on both channels.
- Up to 100VA per channel (2 x 100VA max).
- Two separate channel outputs.
- Two separate control inputs.
- Can be mounted in the wall box behind the push button.
- Used for dimmable LED, energy-saving lamps, and incandescent bulbs (E27, E14, GU10) from 0VA up to 100VA per channel.
- Used for dimmable LED drivers from 0VA up to 100VA per channel.
- Used for low voltage halogen up to 100VA per channel.
- Can be dimmed with several parallel-connected pushbuttons per channel input.
- Retains the last light level after power failure.
- With an individually settable minimum dimming level, per output.
- Automatic resettable overload and temperature protection.
- Self resettable short-circuit protection per channel.
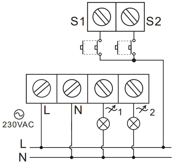
Wiring diagram

Operation
Off/On – A gentle and quick push. The dimmer is turned on with the latest selected light intensity (memory function). Diming up/down – Gently press, and keep pushing, until the desired right intensity is obtained. The dimmer will stop at the maximum and minimum levels.
Note! Keep in mind that, depending on the brand, the LED and low energy can consume up to twice the rated power (reactive power).
Adjusting the lowest dimming level
The last used channel output will set which minimum dimming level it is applied to. If channel 1 was the last channel to be dimmed, the potentiometer will then set the minimum dimming level for channel 1.
If channel 2 was the last channel to be dimmed, the minimum dimming level potentiometer will set channel 2. As an example, this means that you can load downlights on one of the channels and bulbs on the other.
Adjust the lowest dimming level by rotating the rotary potentiometer with a screwdriver. Dim up and down to examine the result and then change the rotary potentiometer´s position again if needed.
Please note that energy lamps and LEDs consume less power than incandescent light and halogen, hence the lowest dimming level may vary.

Rev 07-11-2016
Technical data
| Item number: | V-4020020IBK |
| Rated voltage: | 230V +/-10% 50Hz |
| Max. current: | 0.43A / channel |
| Min. load | 0VA |
| Max. load: | 100VA / channel |
| IP grade: | IP20 (for indoor use) |
| Dimension: | Ø57×21 mm |
| Cable area | 1,0-2,5mm2 (AWG 12-22) |

Vadsbo Transformatorer AB
Tel: 031-23 56 00
[email protected]
www.vadsbo.net



















