VADSBO LD220 1-200w Universal Dimmer Trailing Edge
Introduction
The low power dimmer LD220 starts at 1VA and is controlled by one or more resilient 1-pole pushbuttons (toggle switch). The advantage of a pressure dimmer is that there is no limit to how many places in a room it is possible to dim from. Mounted in the device box behind the pushbutton or by means of screw brackets. For dimmable LED lamps and LED drivers, low energy lamps, 230V halogen lamps, low voltage halogen, light bulbs and
electronic transformers for trailing edge control. The LD220 has a soft start and overheating protection, as well as a memory function that maintains the last set light level during switching on / off, even when the dimmer has been powerless.
Function
On/off – A short press. The dimmer starts with the last used light level (memory function).
Dim up/down
Hold down the button until the desired level is reached
The adjustable minimum dimmer level that is adjusted using a screwdriver. Adjust the level by turning the rotary potentiometer with the chisel. Then dim up and down to study the result. Keep in mind that low energy lamps & LEDs consume less power than incandescent & halogen, therefore the lowest dimmer level is different.
Technical data
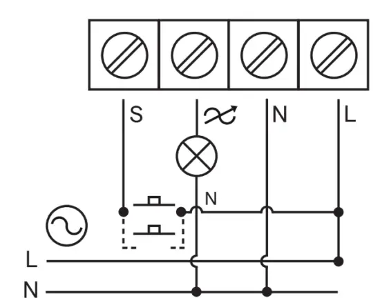
Wiring diagram
Dimensions























