
VADSBO DD1600 4-Channel DALI Phase Dimmer 
Overview
Warning!
High voltage. Risk of electric shock. The installation should only be carried out by an authorized electrician.
DD1600 is a 4-channel DALI phase dimmer with trailing edge dimming. Supports resistive loads and capacitive loads. With DALI signal input, the DALI address can be set with buttons and displayed on the digital display. DALI address quantity can be set as 1/2/3/4 to control the 4 channels load simultaneously or separately.
Compatible Load Types (figure 1)
Operation
Set DALI address manually via buttons
- Press and hold down any of the two buttons until the numeric digital display flashes, then release the button.
- Click any of the two buttons once to select a digit, and click again to change the digit until the desired DALI address appears. Click first button to set
the “tens” position and the second button to set the “units” position. The address can be set from 00~63. - Then press and hold down any of the 2 buttons until the numeric digital display stops flashing to confirm the setting.
Note! DALI address can be manually assigned from 00-63-FF. By factory defaults, no DALI address is assigned for the driver, and the display shows . Setting DALI address as will reset the dimmer to factory defaults.
Set DALI Address Quantity
- Press and hold down both of the two buttons until the numeric digital display flashes, then release the button.
- Click the first button to select “1A”, “2A”, “3A” or “4A” which means 1/2/3/4 DALI addresses
- Then press and hold down any of the 2 buttons until the numeric digital display stops flashing to confirm the setting.
For example, when we set the DALI address to 00:
- When selecting 1A, all 4 channels load will be the same address 00 and controlled simultaneously.
- When selecting 2A, channels L1&L3 will be at the same address 00, channel 2&4 will be at the same as address 01.
- When selecting 3A, channels L1&L4 will be addressing 00, channel L2 will be addressing 01, and channel L3 will be addressing 02.
- When selecting 4A, channel L1 will be addressing 00, channel L2 will be addressing 01, channel L3 will be addressing 02, and channel L4 will be addressing 03.
Note! The channels with same the address will be controlled simultaneously, the channels with different addresses will be controlled separately.
Technical data
- Label:
DD1600 - Item number:
V-40D1600-021 - Power:
See figure 1. - Input voltage
100-240VAC - Output voltage
4x(100-240)VAC - Max. load current
4×1.5A - Max. load power
4x400W @ 230V,
4x200W @ 110V - Function
DALI phase dimmer, trailing edge dimming - Dimming range
1-100% - DALI consumption
<2mA - Colour
White - Casing material
PC - Size (LxWxH)
145.5x90x66.5mm - Area of use
Dimmable LED lamps, dimmable LED driver, traditional incandescent and halogen lights - Casing classification
IP20 - Certifications
CE
Dimensions
Set the minimum dimming brightness point
The factory dimming range is 1%~100%, but the 1% can be re-set as below:
Operate the DALI master to dim a load of L1 to a brightness you want, then press and hold down the Min. set button until the light flashes, which means the minimum point is set at this brightness now. You can not dim lower than this brightness point. The minimum point will be covered by repeating that.
How to reset it to factory defaults: dim up the Load of L1 to 100%, then press and hold Min. set button until the load of L1 flashes.
Note! The dimming range of this dimmer is 1%-100%, but some load types may flicker when dimmed to 1%, thus a minimum brightness shall be set higher than 1% to avoid flickering during the dimming process.
Whatever the DALI address quantity is set as 1A, 2A, 3A, 4A, the minimum brightness shall be set or reset only by adjusting Load L1 output brightness and pressing Min. set button. Once the minimum brightness is set, all 4 channels load can not be dimmed below this value.
Set DALI Address Assigned by DALI Masters
DALI address can also be assigned by the DALI Master controller automatically, please refer to user manuals of compatible DALI Masters for specific operations.
Note! The digital display will show AU when the DALI master is assigning addresses.
Reverse-phase control (trailing edge)
Note! Must use the same phase-in on all phase inputs.
Wiring diagram (retractive switch)
When dimming with a retractive switch, the dimmer goes into PD mode (push dim) which appears on the address panel. You then dim all channels simultaneously with your retractive switch.
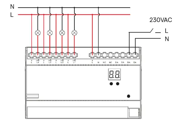
Wiring diagram (DALI)
Wiring diagram (DALI/Casambi)
DD1600 can be integrated with Casambi using a Bluetooth module with DALI output. Either use a Bluetooth module with a built-in DALI bus power supply or use a Bluetooth module + DALI bus power supply. Set the profile of the module to DALI broadcast and control all the channels simultaneously through Bluetooth signals.
The channels can also be controlled individually by first setting up the DALI address quantity to the desired quantity. To control all four outputs individually, the number of DALI addresses needs to be set to “4A” on the display. Read the segment “Set DALI Address Quantity” for instructions on how to set it up.
Then choose a profile for the Casambi unit that corresponds to the desired control.
To control 4 DALI addresses individually, a profile with DALI 4-channel is advised on the Casambi unit.




















