RAC120 Relay and Base Module
Installation Guide
Specifications
- UL and cUL Recognized.
- CE – European Conformity.
- 120VAC operation.
- Current draw: 12mA.
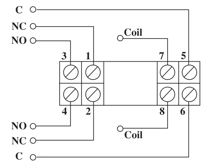
- 10A/220VAC or 28VAC DPDT contacts.
- DIN Rail mountable.
Dimensions (W x D x H): 3.125” x 1.375” x 2.375” (79.4mm x 35mm x 86mm).
Installation Instructions
- Mount RAC120 in the desired location.
- Plug-in relay into the base.
- The relay will activate upon applying 120VAC to the terminals marked [7] and [8].
- Use output contacts to make and break load circuits.

Altronix is not responsible for any typographical errors. Product specifications are subject to change without notice.
140 58th Street, Brooklyn, New York 11220 USA | phone: 718-567-8181 | fax: 718-567-9056
website: www.altronix.com | e-mail: [email protected] | Lifetime Warranty
IIRAC120 – Rev. 011812
F21U![]()



















