RDC12
Relay and Base Module![]()
Specifications:
- UL and cUL Recognized.
- CE – European Conformity.
- 12VDC operation.
- Current draw: 86mA.
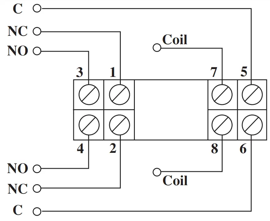
- 10A/220VAC or 28VDC DPDT contacts.
- DIN Rail mountable.
Dimensions (W x D x H): 3.125” x 1.375” x 2.375” (79.4mm x 35mm x 86mm).
Installation Instructions:
- Mount RDC12 in desired location.
- Plug-in relay into the base.
- Relay will activate upon applying 12VDC to the terminals marked [7] and [8].
- Use output contacts to make and break load circuits.

Altronix is not responsible for any typographical errors. Product specifications are subject to change without notice.
140 58th Street, Brooklyn, New York 11220 USA | phone: 718-567-8181 | fax: 718-567-9056 website: www.altronix.com | e-mail: [email protected] | Lifetime Warranty
IIRDC12 – Rev. 011812 F21U
![]()



















