RDC24
Relay and Base Module![]()
Specifications:
- UL and cUL Recognized.
- CE – European Conformity.
- 24VDC operation.
- Current draw: 43mA.
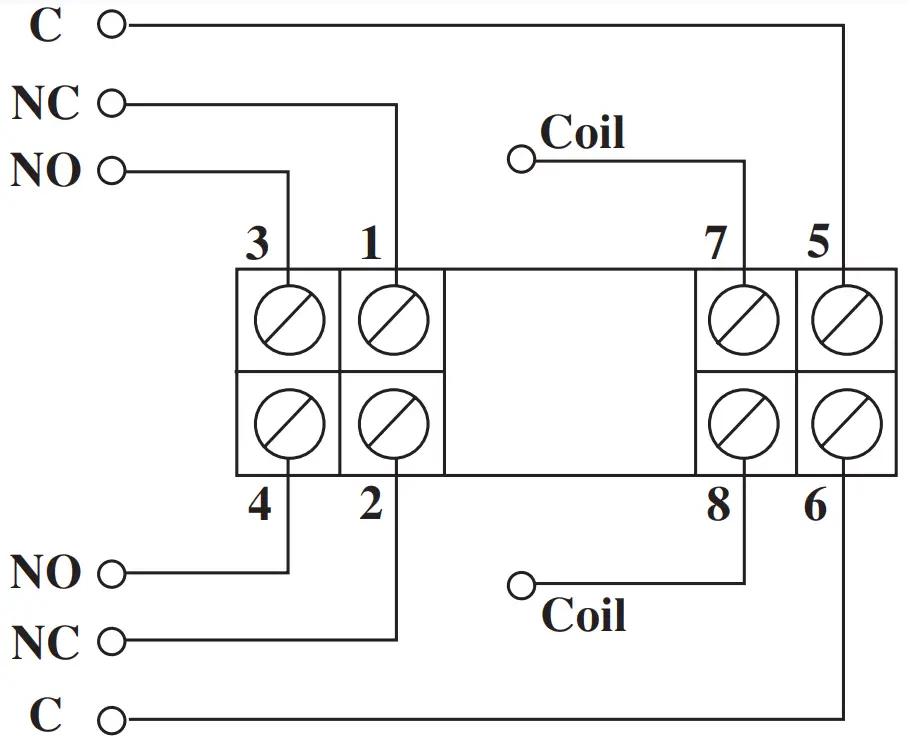
- 10A/220VAC or 28VDC DPDT contacts.
- DIN Rail mountable.
Dimensions (W x D x H): 3.125” x 1.375” x 2.375” (79.4mm x 35mm x 86mm).
Installation Instructions:
- Mount RDC24 in the desired location.
- Plug-in relay into base.
- Relay will activate upon applying 24VDC to the terminals marked [7] and [8].
- Use output contacts to make and break load circuits.

Altronix is not responsible for any typographical errors. Product specifications are subject to change without notice.
140 58th Street, Brooklyn, New York 11220 USA | phone: 718-567-8181 | fax: 718-567-9056
website: www.altronix.com | e-mail: [email protected] | Lifetime Warranty
IIRDC24 – Rev. 011812 F21U![]()



















