
RBSNP
Polarized Relay Module
Installation Guide
Specifications:
Input Voltage:
- 12VDC operation.
- Current draw: 15mA.
- Polarity-sensitive input.
Contact Rating:
- 2A/120VAC or 2A/28VDC
Double form “C” DPDT contacts.
Mechanical:
- Snap track mountable (order part # ST1).
- Board dimensions (L x W x H approx.):
2.75” x 1.625” x 0.875” (69.9mm x 41.3mm x 22.2mm)
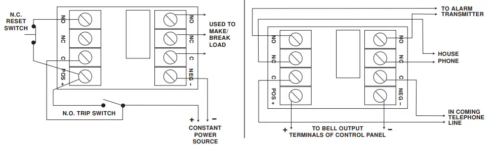
Dry Contacts | Polarity Reversal |
![]() | |
Latching Dry Contacts | Line Seizure |
![]() | |

Altronix is not responsible for any typographical errors.
140 58th Street, Brooklyn, New York 11220 USA | phone: 718-567-8181 | fax: 718-567-9056
website: www.altronix.com | e-mail: [email protected] | Lifetime Warranty
IIRBSNP – Rev. 061501 F15U





















