Relay module SALUS Controls
RM-16A
Instruction Manual
SAFETY INFORMATION
Before connecting the relay module with a different device make sure that its parameters are consistent with the RM-16A module specification. Incorrect connection may cause undesirable action, excessive overheating and combustion hazard. To avert the hazard make sure that the relay module RM-16A is correctly connected. The connection of the device can be done only by a qualified installer who has up-to-date eligibility.
INTRODUCTION
Relay module RM-16A opens and closes the circuit in order to affect the work of other devices. Some uses of the module RM-16A with other Salus products are shown below:
- Connection of the thermostat with the voltage relay 230V (e.g. VS30/RT200/ERT20/ ERT30/ERT50/VS10) with a gas-fired boiler which requires free-voltage output NO/COM or NC/COM
- Connection of the SALUS thermostat with the NO/COM relay (e.g. 091FL) with the boiler control which needs NC/COM output (NC/COM output is normally required in the solid fuel boiler controls)
- Connection of the receiver transmitting power higher than it is allowed by the relay in a regulator. The maximum electricity consumption of the receiver cannot exeed 16A
- Connection of the devices other than electro thermal actuators with the wiring centre ( KL06-M/KL08NSB /KL08RF/KL10/KL10RF) e.g. if you want to connect a pump or an electric heating mat instead of a electro thermal actuator.
PRODUCT SPECIFICATION
| Power: | 16A / 250V AC, 4000VA |
| INPUT NO/COM: | Connection of a regulator with the free voltage relay NO/COM |
| OUTPUT NC/COM/NO: | Output receiver |
| INPUT SL: | Connection of the regulator with the voltage relay 230V |
| POWER SUPPLY N/L: | Power of 230V AC/50Hz |
| Measurements: | 47x47x21 |
VISUAL ASPECT

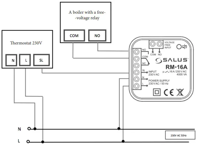
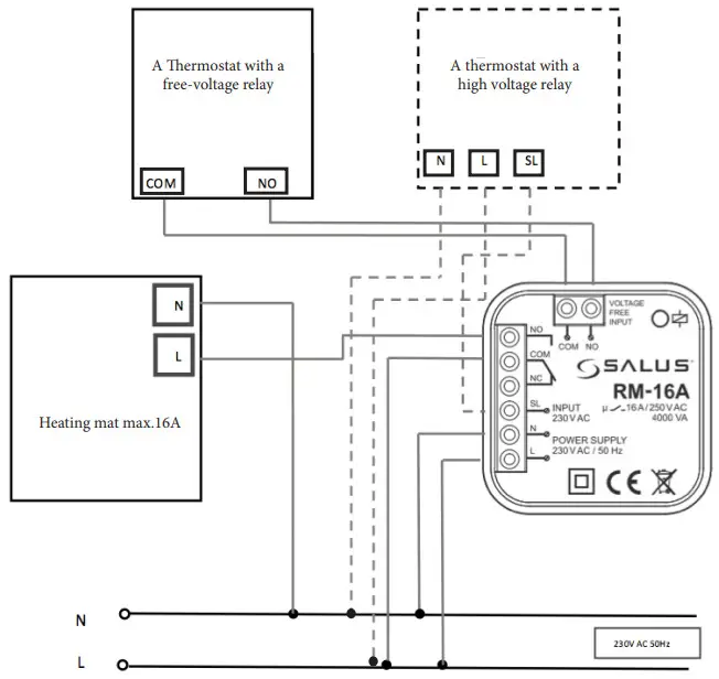
CONNECTION DIAGRAMS
- Connection of the thermostat with a voltage relay 230V (e.g. VS30 /RT200 /ERT20 / ERT30 / ERT50 /VS10) to a gas boiler which requires free-voltage output NO/COM.

- Connection of the SALUS temperature regulator with NO/COM relay (e.g. 091FL) with a boiler control which requires NC/COM output ( NC/COM output is normally required in solid fuel boilers controls).

- Connection of the receiver transmitting power higher than it is allowed by the relay in a regulator. The maximuml electricity consumption of the receiver cannot exeed 16A

- Connection of the devices other than electro thermal actuators with the wiring centre (KL06-M / KL08NSB / KL08RF / KL10 / KL10RF) e.g. if you want to connect a pump or an electric heating mat instead of a electro thermal actuator.

Relay module RM-16A opens and closes the circuit in order to affect the work of other devices. Some uses of the module RM-16A with other Salus products are shown below:
- Connection of the thermostat with the high voltage relay 230V (e.g. VS30 / RT200 /ERT20/ ERT30/ ERT50/ VS10) with a gas boiler which requires free-voltage output NO /COM or NC /COM
- Connection of the SALUS temperature regulator with the NO/COM relay (e.g. 091FL) with the boiler control which requires NC/COM output (NC/COM output is normally required in the solid fuel boiler controls )
- Connection of the receiver transmitting power higher than it is allowed by the relay in a regulator. The maximum electricity consumption of the receiver cannot exeed 16A
- Connection of the devices other than electro thermal actuators with the wiring centre ( KL06-M/ KL08NSB /KL08RF/KL10/KL10RF) e.g. if you want to connect a pump or an electric heating mat instead of a electro thermal actuator.
SALUS distributor:
OL Controls Sp. z o.o. Sp. k.
43-262 Kobielice, 4 Rolna St.
tel: +48 32 700 74 53,
e-mail: [email protected],
www.salus-controls.eu![]()
![]()
Symbol meaning selecting electric electronic gear. Putting used gear with other waste products is strictly forbidden.
The declaration of compliance is on www.salus-controls.pl site
Made in Poland
Relay module SALUS Controls
Product code: RM-16A
The declaration of compliance is on www.salus-controls.pl site
Made in Poland
www.salus-controls.eu























