Quick Start Guide
Smart Relay — Low Voltage (SC824ZB)
IN THE Box
NOTE: Additional equipment may be required to address radio communication issues due to building construction or materials, or other radio interference.
SAFETY INSTRUCTIONS:
Read these instructions carefully before installing and using the Smart Relay – Low Voltage and keep this guide in a safe place for future reference.
- Verify compatibility with your associated connected home system before installation.
- Follow all instructions provided by your connected home manufacturer regarding the addition of devices to your connected home system. An authorized, qualified installer may be required.
- Follow all applicable codes and regulations in the municipality where this product is installed.
Salus accepts no responsibility for damage caused by not following these instructions.
INSTALLATION INSTRUCTIONS:
WALL Box MOUNTING:

- Remove the assembly from the carton.
- Remove the front cover by lifting from the bottom.
- Position the relay in the desired location.
If anchors are required: - Mark the locations of the screws.
- Drill 3/16″ holes.
- Insert the anchors (provided)
- Position the relay over the anchors.
- Secure with 2 mounting screws (provided).
- Wire relay as desired. See options below. Remove knockout on bottom side panel if required.
- Secure cables with the strain relief.
- Replace the front cover.
SURFACE MOUNTING:

- Remove the assembly from the carton.
- Remove the front cover by lifting from the bottom.
- Remove the Relay Retainer by lifting the corners.
- Wire relay as desired. See options below
- Remove white/blank backing from adhesive (provided).
- Apply adhesive to bottom half of relay back.
- Remove red lettered backing from adhesive.
- Press back of relay onto the surface to be attached.
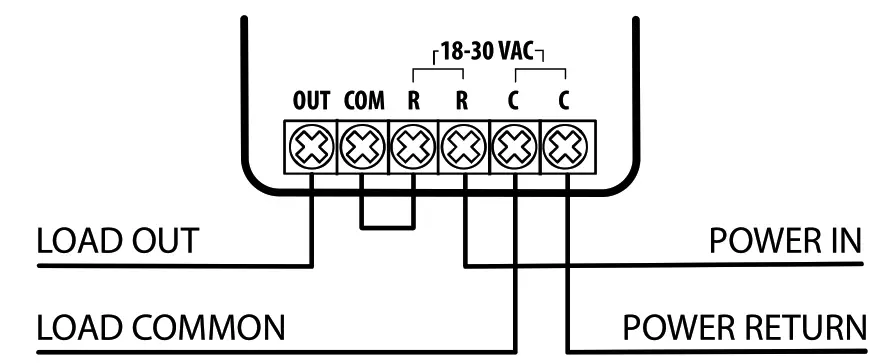
WIRING OPTIONS:
DRY CONTACT CONNECTIONS:
Power In to terminal R- Power Return to terminal C
- Load Out to terminal OUT
- Load Common to terminal COM
POWER SWITCH CONNECTIONS:
Power In to terminal R- Power Return to terminal C
- Load Out to terminal OUT
- Load Common to the open terminal C
- Add a wire between the open terminal R and COM
CONTROLS AND INDICATION:

| SPECIFICATIONS | |
| Input Voltage | 18-30 VAC |
| Input Current | 30 mA, 50 mA max |
| Contact Voltage | 30 VAC max |
| Contact Current | 3 A max, resistive |
| Size (LxWxH): | 45 x 45 x 20 mm 1.77″ x 1.77″ x 0.79″ |
| Wall Box Size: | 84 x 84 x 28 mm 3.31″ x 3.31″x 1.10″ |
| Wire Gauge: | 12 – 24 AWG |
PAIRING INSTRUCTIONS:
- Prepare to add devices per your system’s instructions.
- Power up the Smart Relay – Low Voltage (SRLV).
- When the SRLV is detected, follow your system’s instructions to finish adding the switch to the system. You may need to press the Multi Button to identify the switch.
USING THE SMART RELAY – Low VOLTAGE (SRLV):
TURN OFF/ON
- To toggle the SRLV (turn ON when OFF, or turn OFF when ON), press the Multi Button briefly.
RETRY JOINING NETWORK
- When attempting to join a network, the device will stop trying after about 100 seconds. To try again, press and hold the Multi Button for 5 seconds.
IDENTIFY MODE
- To initiate Identify Mode, press the Multi Button briefly twice in quick succession. The device will enter Identify Mode and flash the LED accordingly.
RESET TO FACTORY DEFAULTS
- To reset to factory default settings, press and hold the Multi Button for 10 seconds. The device will factory reset and return to normal operations.
DEFAULT STATE OF REMOTELY ACCESSED PARAMETERS
See the Salas Smart Home app for other options for these parameters.
| PARAMETER | DESCRIPTION |
| Mode | Enable/Disable local control of relay state |
| Interconnection | Relay state when connection is lost. Multi-Button is always enabled at connection loss. |
| Waterpower | Relay state to be restored when powering up |
531ESAU51R130
Power In to terminal R


















