TE connectivity SR2M SCHRACK Force Guided Relay

Force Guided Relay SR2M
- 2 pole relay with force guided contacts according to EN61810-3 (formerly EN50205)
- Reinforced insulation between poles
- Version P1 for use in sockets
Typical applications
Emergency shut-off, press control, machine control, elevator and escalator control, safety relays
Approvals
![]()
Contact Data

Coil Data
![]()
Coil versions, DC-coil

1) Coil resistance ±12%.
All figures are given for coil without pre-energization, at ambient temperature +23°C.
Coil operating range DC

Insulation


For more detailed information see product specification 2158001
Accessories
- For details see datasheet
- Accessories Force Guided Relay SR2M plugin
NOTE: indicated contact ratings and electrical endurance data for direct wiring of relays (according IEC 61810-1); for relays mounted on sockets deratings may apply.
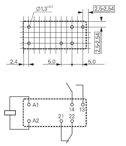
Dimensions

SR2M Plug-In

PCB layout / terminal assignment
Bottom view on solder pins

1 form A + 1 form B contacts, 1 NO + 1 NC

Product code structure

Specification
| Product code | Version | Cont. material | Contact arrangement | Coil | Part number |
| V23047-A1005-A501 | Standard | AgNi | 2 form C (CO) | 5VDC | 1393258-2 |
| V23047-A1005-A511 | wash tight | 1 A + 1 B, (1 NO + 1 NC) | 7-1415006-1 | ||
| V23047-A1006-A501 | 2 form C (CO) | 6VDC | 3-1415011-1 | ||
| V23047-A1006-A511 | 1 A + 1 B, (1 NO + 1 NC) | 6-1415011-1 | |||
| V23047-A1009-A501 | 2 form C (CO) | 9VDC | 1393258-3 | ||
| V23047-A1009-A511 | 1 A + 1 B, (1 NO + 1 NC) | 7-1415011-1 | |||
| V23047-A1012-A501 | 2 form C (CO) | 12VDC | 1393258-4 | ||
| V23047-A1012-A511 | 1 A + 1 B, (1 NO + 1 NC) | 1393258-5 | |||
| V23047-A1018-A501 | 2 form C (CO) | 18VDC | 1393258-8 | ||
| V23047-A1018-A511 | 1 A + 1 B, (1 NO + 1 NC) | 1393258-9 | |||
| V23047-A1021-A501 | 2 form C (CO) | 21VDC | 1-1393258-1 | ||
| V23047-A1021-A511 | 1 A + 1 B, (1 NO + 1 NC) | 1-1393258-2 | |||
| V23047-A1024-A501 | 2 form C (CO) | 24VDC | 1-1393258-5 | ||
| V23047-A1024-A511 | 1 A + 1 B, (1 NO + 1 NC) | 1-1393258-7 | |||
| V23047-A1036-A501 | 2 form C (CO) | 36VDC | 2-1393258-0 | ||
| V23047-A1036-A511 | 1 A + 1 B, (1 NO + 1 NC) | 8-1415011-1 | |||
| V23047-A1040-A501 | 2 form C (CO) | 40VDC | 2-1393258-1 | ||
| V23047-A1040-A511 | 1 A + 1 B, (1 NO + 1 NC) | 2-1393258-2 | |||
| V23047-A1048-A501 | 2 form C (CO) | 48VDC | 3-1415006-1 | ||
| V23047-A1048-A511 | 1 A + 1 B, (1 NO + 1 NC) | 9-1415011-1 | |||
| V23047-A1060-A511 | 60VDC | 2-1393258-3 | |||
| V23047-A1110-A501 | 2 form C (CO) | 110VDC | 1-1415012-1 | ||
| V23047-A1110-A511 | 1 A + 1 B, (1 NO + 1 NC) | 2-1415012-1 | |||
| V23047-P1005-A501 | Plug-in | 2 form C (CO) | 5VDC | 7-1415543-4 | |
| V23047-P1009-A501 | for socket use | 9VDC | 7-1415543-5 | ||
| V23047-P1012-A501 | 12VDC | 7-1415543-6 | |||
| V23047-P1021-A501 | 21VDC | 7-1415543-7 | |||
| V23047-P1024-A501 | 24VDC | 7-1415543-8 | |||
| V23047-P1036-A501 | 36VDC | 7-1415543-9 | |||
| V23047-P1110-A501 | 110VDC | 8-1415543-0 |
02-202, Rev. 0222
www.te.com
© 2015 Tyco Electronics Corporation,a TE Connectivity Ltd. company
Datasheets and product specification according to IEC 61810-1 and to be used only together with the ‘Definitions’ section.
Datasheets and product data is subject to the terms of the disclaimer and all chapters of the ‘Definitions’ section, available at http://relays.te.com/definitions
Datasheets, product data, ‘Definitions’ section,application notes and all specifications are subject to change.
Downloaded from Arrow.com.


















