Smart relay Myers MSR12-22
User manual
PREMIUM SMART HOME SYSTEMS by PARTIZAN
WWW.PARTIZAN.GLOBAL 2021

PREMIUM SMART HOME SYSTEMS
by PARTIZAN
1. How to start
This device supports Partizan Cloud Storage service and Partizan mobile application for iOS and Android.
Partizan Cloud Storag benefits:
Your data cannot be stolen or damaged.
No one can access your devices, live and archived video without your permission.
Access to your account and devices from anywhere in the world. Even mobile Internet is enough.
To take full advantage of the device, install Partizan mobile application for iOS or Android:
To take full advantage of the device, install Partizan mobile application for iOS or Android:

Partizan mobile application for iOS:
https://apps.apple.com/app/partizan/id1473001227

Partizan mobile application for Android:
https://play.google.com/store/apps/details?id=com.partizan.pro
PREMIUM SMART HOME SYSTEMS by PARTIZAN
To work with this device you need to sign in to your cloud account. Open the app, use an existing account or create a new one:

After signing into the cloud account you can go directly to device setting.
If you have any questions, please contact our technical support:
E-mail: [email protected]
Skype: partizan-support
Chat: +420 777 054 888 (Viber, Telegram, WhatsApp)
Technical support working time: https://partizan.global/support /technical-support
Partizan software: https://apps.partizan.global/
PREMIUM SMART HOME SYSTEMS by PARTIZAN
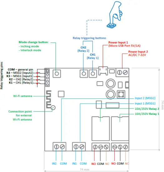
2. Main elements of the device

Power connectors – the relay is powered by connecting AC / DC 7-32V power supply or a power supply unit with a Micro USB connector. Relay is a device that is equipped with 2 relays 10A / 250V each. Each relay has NO (normally open) and NC (normally closed) ports, which are selected based on the required functionality. Control buttons: CH1 manual activation of the first relay / activation of adding to mobile application using Wireless Connect. CH2 manual activation of relay 2. MODE selection of the relay operation mode. The following operation modes are also available: Inching mode, Interlock Mode.
PREMIUM SMART HOME SYSTEMS by PARTIZAN
2.1. Operation modes
2.1.1. Inching operation mode
In this mode, the channel relay is activated for a short period of time (0.7 seconds by default), then the relay returns to stasis. This mode is suitable for electromechanical and electromagnetic locks opening.

* This connection diagram is just an example, for correct connection it is necessary to study the diagram of the connected device.

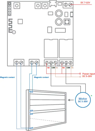
2.1.2. Interlock operation mode
In this mode, the relays work in pairs. When one relay is activated, the second relay is deactivated. This mode is suitable for connecting electric engines with the possibility of reversing, acting in “Gateway” mode, controlling gates, etc. *This connection diagram is just an example, for correct connection it is necessary to study the diagram of the connected device.

PREMIUM SMART HOME SYSTEMS by PARTIZAN
*This connection diagram is just an example, for correct connection it is necessary to study the diagram of the connected device.

PREMIUM SMART HOME SYSTEMS by PARTIZAN
3. Adding a relay to Partizan mobile application
3.1. Download and install Partizan mobile application
Partizan mobile application for iOS: https://apps.apple.com/app/partizan/id1473001227
Partizan mobile application for Android: https://play.google.com/store/apps/details?id=com.partizan.pro
3.2. Launch Partizan mobile application and follow instructions
Press the “+” button (in the upper right corner of the screen for iOS or in the lower right corner of the screen for Android).
Click “Add Device”.

Chose device connection type “Wireless Connect”.

Chose “Smart Relay” device.

To work with this type of device you need to sign in to your cloud account. Use an existing account or create a new one.
PREMIUM SMART HOME SYSTEMS by PARTIZAN
Enter your Wi-Fi network registration data of (network name and password) to which the mobile phone is connected. The network standard must be 2.4GHz! Press “Next”. Switch the device on.
Wait 10 seconds for the device to boot. Check the blue indicator, if it blinks slowly, then hold down the CH1 button for 10 seconds, after which the device will be added to mobile application using Wireless Connect technology. Blue indicator will blink quickly. Press “Next”.
Switch the device on.

The relay will receive Wi-Fi network registration data, connect and add the device to your cloud account list of devices.
PREMIUM SMART HOME SYSTEMS by PARTIZAN
3.3. Setting up operation modes in Partizan mobile application
Chose the relay in the list of added devices.
3.3.1. Controls console, appearance
– 1-2 relay on/off buttons.
PREMIUM SMART HOME SYSTEMS by PARTIZAN
In this item names for relay buttons are set
3.3.4. Relay setup
Setup of device operation modes (Inching/Interlock). An option to set the duration of inching interval is available in inching mode.
3.3.5. Relay schedule
Relay schedule. For each relay channel, you can create an on / off schedule for each day of the week. To do this, go to the required channel and create a schedule.
Schedule name – name of the schedule. Time – activation time. PUSH notification – enable PUSH notifications. Repeat action – select the days of the week on which this schedule will be activated.
To share the device with another user you need to enter the email of the user, with whom you want to share the device, registered in Partizan Cloud
3.3.7. Delete the device
Delete the device from your account.
To delete the device press “DELETE DEVICE”.
PREMIUM SMART HOME SYSTEMS by PARTIZAN
Technical support:
E-mail: [email protected] Skype: partizan-support Chat: +420 777 054 888 (Viber, Telegram, WhatsApp)
Technical support working time: https://partizan.global/support/technical-support
Partizan software: https://apps.partizan.global/


















