SALUS RM-16A Auxiliary Relays Module User Guide

SAFETY INFORMATION
Before connecting the relay module with a different device make sure that its parameters are consistent with the RM-16A module specification. Incorrect connection may cause undesirable action, excessive overheating and combustion hazard. To avert the hazard make sure that the relay module RM-16A is correctly connected. The connection of the device can be done only by a qualified installer who has up-to-date eligibility.
INTRODUCTION
Relay module RM-16A opens and closes the circuit in order to affect the work of other devices. Some uses of the module RM-16A with other Salus products are shown below:
- Connection of the thermostat with the voltage relay 230V (e.g. VS30/RT200/ERT20/ ERT30/ERT50/VS10) with a gas-fired boiler which requires free-voltage output NO/COM or NC/COM
- Connection of the SALUS thermostat with the NO/COM relay (e.g. 091FL) with the boiler control which needs NC/COM output (NC/COM output is normally required in the solid fuel boiler controls)
- Connection of the receiver transmitting power higher than it is allowed by the relay in a regulator. The maximum electricity consumption of the receiver cannot exceed 16A
- Connection of the devices other than electro thermal actuators with the wiring centre ( KL06-M/KL08NSB /KL08RF/KL10/KL10RF) e.g. if you want to connect a pump or an electric heating mat instead of a electro thermal actuator.
PRODUCT SPECIFICATION

VISUAL ASPECT

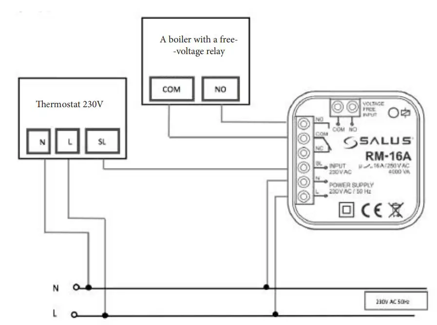
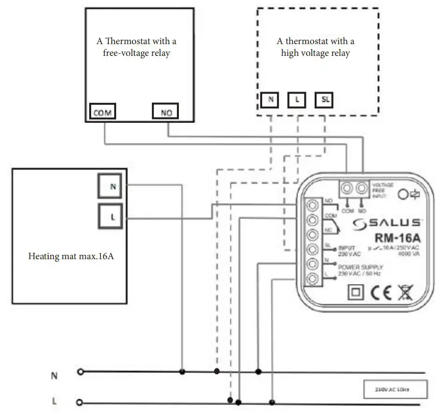
CONNECTION DIAGRAMS
- Connection of the thermostat with a voltage relay 230V (e.g. VS30/RT200/ERT20/ERT30/ ERT50/VS10) to a gas boiler which requires free-voltage output NO/COM.

- Connection of the SALUS temperature regulator with NO/COM relay (e.g. 091FL) with a boiler control which requires NC/COM output ( NC/COM output is normally required in solid fuel boilers controls).

- Connection of the receiver transmitting power higher than it is allowed by the relay in a regulator. The maximumly electricity consumption of the receiver cannot exceed 16A

- Connection of the devices other than electro thermal actuators with the wiring centre ( KL06-M / KL08NSB / KL08RF / KL10 / KL10RF) e.g. if you want to connect a pump or an electric heating mat instead of a electro thermal actuator.























