ENGO ERM12A Relay Module 12A User Guide
Introduction
ERM12A is used for switching on/off electrical devices. Thanks to its small dimensions, it can be installed in an installation box or where there is a need to control a receiver with a maximum load of 12A.
Description of operation
The relay must be powered by 230 V AC. Relay control is done by applying voltage 230 V AC to the input contact SL or by shorting the COM / NO input contacts (VOLTAGE FREE INPUT). This will switch the contacts in the NO / COM / NC output circuit. The relay operation status is indicated by a blue LED. After 230 V AC voltage decay from the SL input or after opening the COM / NO volt free input, relay module will return to its original position.
Safety information
Use in accordance with national and EU regulations. Use the device only as intended, keeping it in a dry condition. The product is for indoor use only. Installation must be carried out by a qualified person in accordance with national and EU regulations. Before connecting the relay module with a different device make sure that its parameters are consistent with the ERM12A module specification. Incorrect connection may cause undesirable action, excessive overheating and combustion hazard. To avert the hazard make sure that the relay module ERM12A is correctly connected. The connection of the device can be done only by a qualified installer who has up-to-date eligibility
Product Compliance
This product complies with the following EU Directives: 2011/65/EU, 2014/30/EU.
ERM12A connection

- RM12A 230V AC power supply
- Volt free input
- 230V AC input
- NO/COM/NC volt free output
- Blue LED indication of the relay status
Technical specification
| Power supply | 230V AC 50Hz |
| max. load | 12A |
| input | COM / NO volt free SL 230V AC |
| output | NO/COM/NC |
| Dimensions [mm] | 48x48x20 |
WIRING DIAGRAM No1
Connection of a 230 V AC voltage thermostat, e.g. ESIMPLE230W / B, to a boiler equipped with an ON / OFF voltage free input.

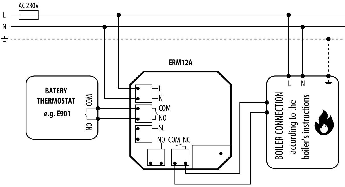
WIRING DIAGRAM No2
Connecting a battery thermostat (e.g. ENGO E901) with a COM / NO output (normally open contacts) to solid fuel boiler controller that requires a COM / NC (normally closed) contact.

WIRING DIAGRAM No3
Connecting a 230 V AC voltage thermostat or a battery thermostat with a COM / NO output to an electrical device which requires greater power than is allowed by the thermostat’s built-in relay.
ATTENTION! The maximum power consumption of the electrical device must not exceed 12A.

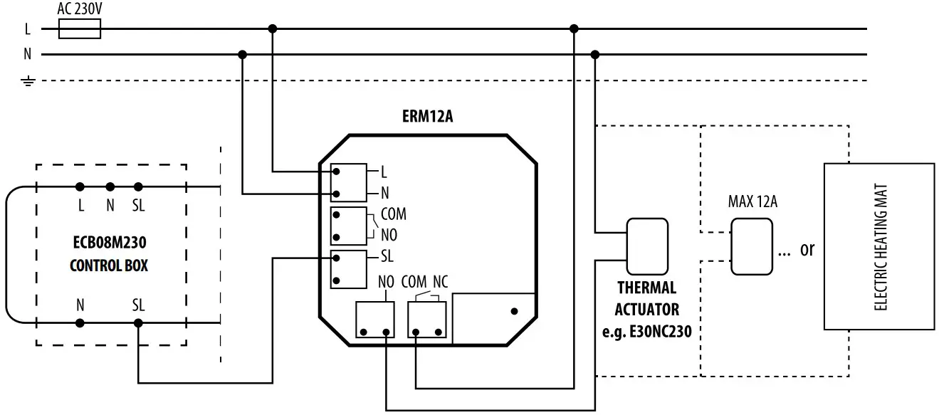
WIRING DIAGRAMS No4
Connection of the ENGO ECB08M230 wiring cetre’s zone with more than 6 thermoelectric actuators or other devices than actuators (e.g. pumps, electric heating mats). Controlled device power load is focused on the ERM12A relay rather than wiring centre’s zone relay.
ATTENTION! The maximum power consumption of the electrical device must not exceed 12A.

Producer:
Engo Controls S.C. 43-200 Pszczyna 3E Górnośląska St. Poland
Distributor
QL CONTROLS Sp z o.o. Sp. k. 43-262 Kobielice 4 Rolna St. Poland

WEB: www.engocontrols.com


















