BELIMO GKB24-MFT Damper Actuator
OVERVIEW





Fail-Safe Position Setting 
Typical Pre-Charging Times
On/Off 
Floating Point 
2 to 10 VDC use 500 Ω resistor for 4 to 20 mA 
VDC/4-20 mA, PWM *use 500 Ω resistor for 4 to 20 mA 
Two-Position 
Floating Point 

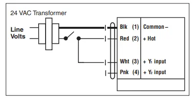
Wire Colors
BLK
- Black
- Negro
- Noir
- Preto
RED
- Red
- Rojo
- Rouge
- Vermelho
PNK
- Pink
- Rosado
- Rosa
- Cor-de rosa
- ORG
- Orange
- Anaranjado
- Orange
- Alaranjado
WHT
- White
- Blanco
- Blanc
- Branco
Master
- Master
- Amo
- Maitre
- Mestre
Slave
- Slave
- Esclavo
- Esclave
- Escrav




















