SIEMENS GEB132.1U Damper Actuator

Contents

- a. Actuator
- b. Self-centering shaft adapter
- c. Position indicator
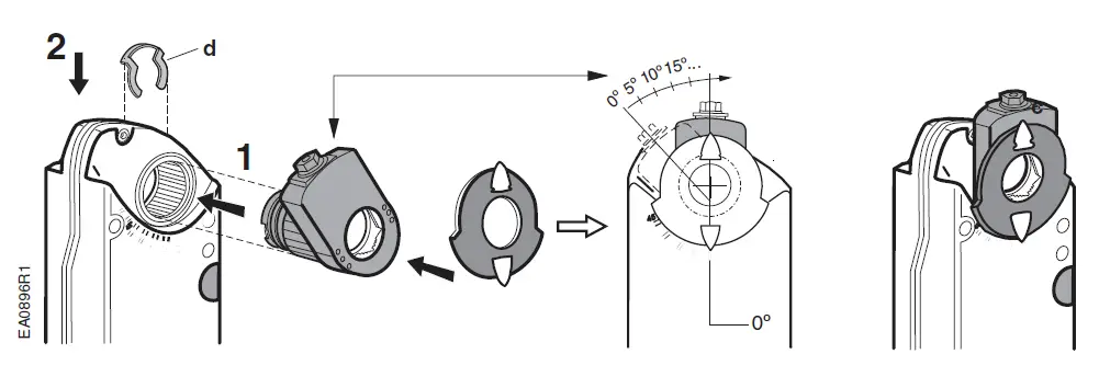
- d. Shaft adapter locking clip
- e. Position indicator adapter
- f. Mounting bracket
- g. Mounting screws
- j. Auxiliary switch adjustment tool
Hints/Warnings
Keep this instruction guide together with the actuator or with the plant documentation
Warning
Do not open the actuator. Additional information is found in Technical Instructions EA GEB-1 155-318P25.
Adapter Mounting

Clockwise to Open

Counterclockwise to Open

Limits for Angular Rotation

Shaft Mounting


Manual Override

For setting auxiliary switches and offset/span switches, see Technical Instructions 155-318P25.
DIP Switch Functionality
GEB161 GEB164


Wiring diagrams
- GEB131.1U
- GEB132.1U
- GEB136.1U

CAUTION:
Do not wire the GEB13x actuators in parallel with any other type of actuator.
- GEB161.1U
- GEB164.1U

Wiring diagrams, continued

Retrofit Wiring

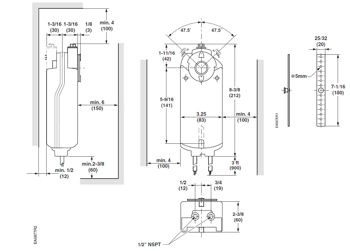
Dimensions

Information in this publication is based on current specifications. The company reserves the right to make changes in specifications and models as design improvements are introduced. OpenAir is a trademark of Siemens Schweiz, AG. Other product or company names mentioned herein may be the trademarks of their respective owners. © 2013 Siemens Industry, Inc.
Siemens Industry, Inc.
Building Technologies Division 1000 Deerfield Parkway Buffalo Grove, IL 60089-4513 USA
Your feedback is important to us. If you have comments about this document, please send them to [email protected]





















