BELIMO NF24A-MOD Fail Safe Damper Actuator
DIMENSIONS

INSTALLATION INSTRUCTIONS




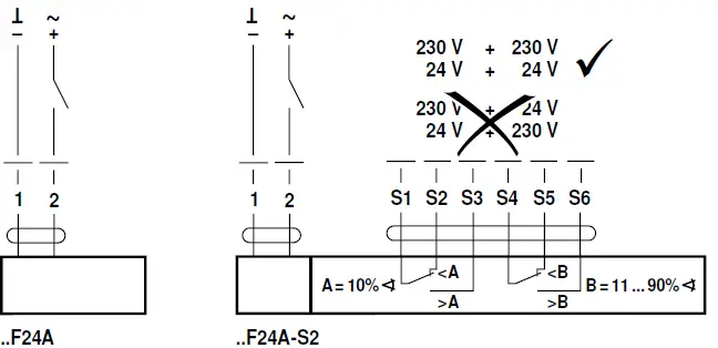
WIRING
WARNINGS

AC 24 V / DC 24 V

AC 230 V

AC 24…240 V / DC 24…125 V


AC 24 V / DC 24 V



- F24A-SR
- F24A-SR-S2
- F24A-SZ
- F24A-SZ-S2

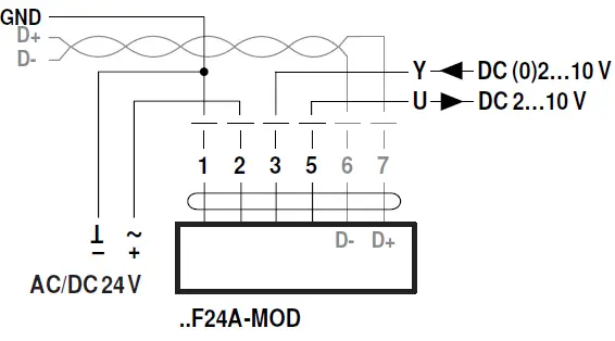
BACnet MS/TP / Modbus RTU

BACnet MS/TP / Modbus RTU / analog

- AC/DC 24 V
- GND
- D – (A)
- D + (B)
- AC/DC 24 V
- GND
BACnet MS/TP / Modbus RTU / analog

![]()


























