
OPERATOR’S MANUAL
MODEL #92001I-DF-UK
1900W DUAL FUEL INVERTER GENERATOR![]()
at championpowerequipment.co.uk

![]()
![]()
+44(0)-1942-715-407
or visit www.championpowerequipment.co.uk
92001i-DF-UK 1900W Dual Fuel Inverter Generator 240V
SAVE THESE INSTRUCTIONS. This manual contains important safety precautions which should be read and understood before operating the product. Failure to do so could result in serious injury. This manual should remain with the product. Specifications, descriptions and illustrations in this manual are as accurate as known at the time of publication, but are subject to change without notice.
CARBON MONOXIDE SAFETY: THE BIG PICTURE
As the only safe way to use a portable generator, taking your generator outside is absolutely mandatory to keep your family safe from carbon monoxide. But there’s even more you can do. By educating yourself about all carbon monoxide risks, you’ll be better prepared to protect your family from this colorless, oderless threat.

www.TakeYourGeneratorOutside.com
INTRODUCTION
Congratulations on your purchase of a Champion Power Equipment (CPE) product. CPE designs, builds, and supports all of our products to strict specifications and guidelines. With proper product knowledge, safe use, and regular maintenance, this product should bring years of satisfying service.
Every effort has been made to ensure the accuracy and completeness of the information in this manual at the time of publication, and we reserve the right to change, alter and/or improve the product and this document at any time without prior notice.
CPE highly values how our products are designed, manufactured, operated, and serviced as well as providing safety to the operator and those around the generator. Therefore, it is IMPORTANT to review this product manual and other product materials thoroughly and be fully aware and knowledgeable of the assembly, operation, dangers and maintenance of the product before use. Fully familiarize yourself, and make sure others who plan on operating the product fully familiarize themselves too, with the proper safety and operation procedures before each use. Please always exercise common sense and always err on the side of caution when operating the product to ensure no accident, property damage, or injury occurs. We want you to continue to use and be satisfied with your CPE product for years to come.
When contacting CPE about parts and/or service, you will need to supply the complete model and serial numbers of your product.
Transcribe the information found on your product’s nameplate label to the table below
CPE TECHNICAL SUPPORT TEAM
+44(0)-1942-715-407
MODEL NUMBER
92001i-DF-UK
SERIAL NUMBER
DATE OF PURCHASE
PURCHASE LOCATION
SAFETY DEFINiTIONS
The purpose of safety symbols is to attract your attention to possible dangers. The safety symbols, and their explanations, deserve your careful attention and understanding. The safety warnings do not by themselves eliminate any danger. The instructions or warnings they give are not substitutes for proper accident prevention measures.
DANGER indicates a hazardous situation which, if not avoided, will result in death or serious injury.
WARNING indicates a hazardous situation which, if not avoided, could result in death or serious injury.
CAUTION indicates a hazardous situation which, if not avoided, could result in minor or moderate injury.
NOTICE indicates information considered important, but not hazard-related (e.g., messages relating to property damage).
IMPORTANT SAFETY INSTRUCTIONS
DANGER
Generator exhaust contains carbon monoxide, a colorless, odorless, poisonous gas. Breathing carbon monoxide will cause nausea, dizziness, fainting or death. If you start to feel dizzy or weak, get to fresh air immediately.
OPERATE GENERATOR OUTDOORS ONLY IN A WELL VENTILATED AREA AND POINT EXHAUST AWAY.
DO NOT operate the generator inside any building, including garages, basements, crawlspaces and sheds, enclosure or compartment, including the generator compartment of a recreational vehicle.
DO NOT allow exhaust fumes to enter a confined area through windows, doors, vents or other openings.
DANGER
Using a generator indoors CAN KILL YOU IN MINUTES.
Generator exhaust contains carbon monoxide. This is a poison you cannot see or smell.
NEVER use inside a home or garage, EVEN IF doors and windows are open.
ONLY use OUTSIDE and far away from windows, doors, and vents.
![]()
Install battery-operated carbon monoxide alarms or plug-in carbon monoxide alarms with battery back-up according to the manufacturer’s instructions.
WARNING
Although the generator contains a spark arrester, maintain a minimum distance of 5 ft. (1.5 m) from dry vegetation to prevent fires.
DANGER
Operate equipment with guards in place.
Rotating parts can entangle hands, feet, hair, clothing and/or accessories. Traumatic amputation or severe laceration can result.
Keep hands and feet away from rotating parts.
Tie up long hair and remove jewelry.
DO NOT wear loose-fitting clothing, dangling drawstrings or items that could become caught.
DANGER
Generator produces powerful voltage.
DO NOT touch bare wires or receptacles.
DO NOT use electrical cords that are worn, damaged or frayed.
Use only Champion electrical cords for proper application.
DO NOT operate generator in wet weather.
DO NOT allow children or unqualified persons to operate or service the generator.
Use a ground fault circuit interrupter (GFCI) in damp areas and areas containing conductive material such as metal decking.
Connection to your home’s electrical system requires a listed 30A transfer switch installed by a licensed electrician and approved by the local authority having jurisdiction. The connection must isolate the generator from the utility power and must comply with all applicable laws and electrical codes.
WARNING
Do not use generator for medical and life support uses.
In case of emergency, call 911 immediately.
NEVER use this product to power life support devices or life support appliances.
NEVER use this product to power medical devices or medical appliances.
Inform your electricity provider immediately if you or anyone in your household depends on electrical equipment to live.
Inform your electrical provider immediately if a loss of power would cause you or anyone in your household to experience a medical emergency.
WARNING
Spark from removed spark plug wire can result in fire or electrical shock.
When servicing the generator: Disconnect the spark plug wire and place it where it cannot contact the plug or any other metal object.
DO NOT check for spark with the plug removed.
Use only approved spark plug testers.
WARNING
Running engines produce heat. Severe burns can occur on contact. Combustible material can catch fire on contact.
DO NOT touch hot surfaces.
Avoid contact with hot exhaust gases.
Allow equipment to cool before touching.
Maintain at least 3 ft. (91.4 cm) of clearance on all sides to ensure adequate cooling.
Maintain at least 5 ft. (1.5 m) of clearance from combustible materials.
WARNING
Rapid retraction of the recoil cord will pull hand and arm towards the engine faster than you can let go. Broken bones, fractures, bruises or sprains could result. Unintentional startup can result in entanglement, traumatic amputation or laceration.
When starting engine, pull the recoil cord slowly until resistance is felt and then pull rapidly to avoid kickback.
DO NOT start or stop the engine with electrical devices plugged in and turned on.
CAUTION
Exceeding the generator’s running capacity can damage the generator and/or electrical devices connected to it.
DO NOT overload the generator.
DO NOT tamper with the governed speed.
DO NOT modify the generator in any way.
CAUTION
Start the generator and allow the engine to stabilize before connecting electrical loads.
Connect electrical equipment in the off position, and then turn them on for operation.
Turn electrical equipment off and disconnect before stopping the generator.
CAUTION
Improper treatment or use of the generator can damage it, shorten its life or void the warranty.
Use the generator only for intended uses.
Operate only on level surfaces.
DO NOT expose generator to excessive moisture, dust, or dirt.
DO NOT allow any material to block the cooling slots.
If connected devices overheat, turn them off and disconnect them from the generator.
DO NOT use the generator if:
- Electrical output is lost
- Equipment sparks, smokes or emits flames
- Equipment vibrates excessively
Fuel Safety
DANGER
GASOLINE, GASOLINE VAPORS AND PROPANE (LPG) ARE HIGHLY FLAMMABLE AND EXPLOSIVE.
Fire or explosion can cause severe burns or death.
Gasoline and gasoline vapors:
- Gasoline is highly flammable and explosive.
- Gasoline can cause a fire or explosion if ignited.
- Gasoline is a liquid fuel but it’s vapors can ignite.
- Gasoline is a skin irritant and needs to be cleaned up immediately if spilled on skin or clothes.
- Gasoline has a distinctive odor, this will help detect potential leaks quickly.
- In any petroleum gas fire, flames should not be extinguished unless by doing so the fuel supply valve can be turned OFF.
This is because if a fire is extinguished and a supply of fuel is not turned OFF, then an explosion hazard could be created. - Gasoline expands or contracts with ambient temperatures.
Never fill the gasoline tank to full capacity, as gasoline needs room to expand if temperatures rise.
LPG:
- LPG is highly flammable and explosive.
- LPG is under pressure and can cause a fire or explosion if ignited.
- LPG is heavier than air and can settle in low places while dissipating.
- LPG has a distinctive odor added to help detect potential leaks quickly.
- In any petroleum gas fire, flames should not be extinguished unless the fuel supply valve is turned OFF. This is because if a fire is extinguished and a supply of fuel is not turned OFF, then an explosion hazard could be created.
- When exchanging LPG cylinders, be sure the cylinder valve is of the same type.
- Always keep the LPG cylinder in an upright position.
- LPG will burn skin if it comes in contact with it. Keep any and all LPG away from skin at all times.
When adding or removing gasoline:
DO NOT light or smoke cigarettes.
Turn the generator off and let it cool for at least two minutes before removing the gasoline cap. Loosen the cap slowly to relieve pressure in the tank.
Only fill or drain gasoline outdoors in a well-ventilated area.
DO NOT pump gasoline directly into the generator at the gas station. Use an approved container to transfer the fuel to the generator.
DO NOT overfill the gasoline tank.
Always keep gasoline away from sparks, open flames, pilot lights, heat and other sources of ignition.
When starting the generator:
DO NOT attempt to start a damaged generator.
Make certain that the gasoline cap, air filter, spark plug, fuel lines and exhaust system are properly in place.
Allow spilled gasoline to evaporate fully before attempting to start the engine.
Make certain that the generator is resting firmly on level ground.
When operating the generator:
DO NOT move or tip the generator during operation.
DO NOT tip the generator or allow fuel or oil to spill.
When transporting or servicing the generator:
Make certain that the fuel valve is in the OFF position and the gasoline tank is empty.
For LPG compatible models, be sure that the LPG cylinder is disconnected and stored securely away from the generator.
Disconnect the spark plug wire.
When storing the generator:
Store away from sparks, open flames, pilot lights, heat and other sources of ignition.
Do not store generator, gasoline or LPG cylinders near furnaces, water heaters, or any other appliances that produce heat or have automatic ignitions.
WARNING
Never use a gasoline container, gasoline tank, LPG connector hose, LPG cylinder or any other fuel item that is broken, cut, torn or damaged.
Safety and Dataplate Labels
These labels warn you of potential hazards that can cause serious injury. Read them carefully.
If a label comes off or becomes hard to read, contact Technical Support Team for possible replacement.

| LABEL | DESCRIPTION | |
| A | Safety Symbols/CO Danger | |
| B | Fuel | |
| C | Dataplate | |
| D | Hot Surface |
Safety Symbols
Some of the following symbols may be used on this product. Please study them and learn their meaning. Proper interpretation of these
symbols will allow you to more safely operate the product.
| SYMBOL | MEANING |
| Caution. | |
| Read The Operator’s Instruction Manual Before Use. To reduce the risk of injury, user must read and understand operator’s manual before using this product. | |
| Clearance. Keep all objects at least 5 feet (1.5m) from generator. Heat from the muffler and exhaust gas can ignite combustible objects. | |
| Ground. Consult with local electrician to determine grounding requirements before operation. | |
| Ear Protection. Ear protection is recommended when working close to the generator.If the generators noise level is over 85 dBa, ear protection is mandatory.See specifications page for noise level measurements. | |
| Electric Hazard. Failure to use in dry conditions and to observe safe practices can result in electric shock. Improper connections to a building can allow current to backfeed into utility lines, creating an electrocution hazard. A transfer switch must be used when connecting to a building. | |
| Fire Hazard. Fuel and its vapors are extremely flammable and explosive. Fire or explosion can cause severe burns or death. Keep generator at least 5 feet (1.5m) from all objects to prevent combustion. | |
| Risk Of Being Burnt. To reduce the risk of injury or damage, avoid contact with any hot surface. | |
| Carbon Monoxide(co) Danger. | |
| Wet Conditions Alert. Do not expose to rain or use in damp locations except as follows: If you must operate in rain or damp locations, DO NOT operate without proper protection of the electrical components. Use of a safety canopy that is fire retardant and will provide proper air ventilation for the engines exhaust stream can be used. Keep all objects a minimum of 5 feet (1.5m) away from the generator at all times. Heat from the muffler surface and exhaust stream can ignite combustible materials. |
Operation Symbols
Some of the following symbols may be used on this product. Please study them and learn their meaning. Proper interpretation of these symbols will allow you to more safely operate the product.
| SYMBOL | MEANING |
| Propane Hose Inlet | |
| Engine Run: Propane | |
| Engine Run: Gasoline | |
| Choke | |
| Stop or Off | |
| Economy Mode Button | |
| Low Oil | |
| Overload Reset Button | |
| Circuit Breaker Reset: Push | |
| Ground Terminal | |
| Neutral Floating. Neutral circuit IS NOT electrically connected to the frame/ ground of the generator. | |
| Parallel Connection(s) | |
| 12V Direct Current |
Quickstart Label Symbols
Some of the following symbols may be used on this product. Please study them and learn their meaning. Proper interpretation of these symbols will allow you to more safely operate the product.

Starting the Engine
DANGER
Move generator outside and far away from windows, doors and intake ventilation covers.
- Check oil level.
Recommended oil is 10W-30. - Add fuel. Check gasoline level. When adding gasoline, use a minimum octane rating of 87 and an ethanol content of 10% or less by volume.
- Turn the fuel vent lever to the “ON” position.
- Move the dial to the “CHOKE” position.
- Pull the recoil cord.
- Turn fuel selector dial to gasoline icon for gasoline “RUN”.
- Plug in desired device.
Stopping the Engine
- Turn off and unplug all connected electrical loads.
- Turn the fuel vent lever to the “OFF” position.
- Turn the dial to the “STOP” position.
For adding fuel and starting the engine with LPG see Add Fuel:
Propane (LPG) in Assembly section and Starting the Engine:
Propane (LPG) in the Operation section.
CONTROLS AND FEATURES
Read this operator’s manual before operating your generator. Familiarize yourself with the location and function of the controls and
features. Save this manual for future reference.
Generator

| 1. Carrying Handle – Used to lift or carry the unit. 2. Recoil Starter – Used to manually start the engine. 3. Control Panel – See Control Panel section. 4. Fuel Cap – Remove to add fuel. | 5. Fuel Lever Vent – Turn this valve to the “ON” position to supply air to the tank. 6. Spark Plug Access Cover 7. Maintenance Cover 8. Muffler |
Control Panel

- Circuit Breakers (Push Reset) – Protects the generator against electrical overloads.
- Economy Mode Button – Enables/disables automatic idle control.
- Low Oil Warning Indicator Light – When ON, engine will shut down and not run. Check oil level.
- AC Overload Reset Button – Used to re-energize receptacles after overload fault.
- Parallel Outlets – Used to parallel two inverters together for increased power output. (parallel kit sold separately).
- LPG Inlet – Used to connect LPG fuel source to generator.
- Ground Terminal – Consult an electrician for local grounding regulations.
- Fuel Selector Dial – Used to turn on gasoline or propane (LPG) fuel source, operate the choke plate, and stop the engine
| RECEPTACLES | ||
| A | 240V AC, 13A May be used to supply electrical power for operation of 240 Volt AC, 13 Amp, single phase, 50 Hz electrical loads. | |
| B | 12V DC, 8A (Automotive) May be used to supply electrical power for operation of 12 Volt DC, 8 Amp electrical loads. |
WARNING
Do not operate a device while it is plugged into the 12V DC outlet. Prolonged exposure to engine exhaust can cause serious injury or death. While charging a device do no place on the exhaust side of the generator. Extreme heat caused by exhaust can damage the device, and cause a potential fire hazard.
FCC Statement
- This device complies with Part 15 of the FCC Rules. Operation is subject to the following two conditions:
a. This device may not cause harmful interference.
b. This device must accept any interference received, including interference that may cause undesired operation. - Changes or modifications not expressly approved by the party responsible for compliance could void the user’s authority to operate the equipment.
NOTICE
This equipment has been tested and found to comply with the limits for a Class B digital device, pursuant to Part 15 of the FCC Rules. These limits are designed to provide reasonable protection against harmful interference in a residential installation. This equipment generates, uses and can radiate radio frequency energy and if not installed and used in accordance with the instructions, may cause harmful interference to radio communications. However, there is no guarantee that interference will not occur in a particular installation. If this equipment does cause harmful interference to radio or television reception, which can be determined by turning the equipment off and on, the user is encouraged to try to correct the interference by one or more of the following measures:
- Reorient or relocate the receiving antenna.
- Increase the separation between the equipment and receiver.
- Connect the equipment into an outlet on a circuit different from that to which the receiver is connected.
Consult dealer or an experienced radio/TV technician for help.
Parts included
Accessories
| 2.3 ft. (0.7 m) LPG Hose with Regulator | 1 |
| Engine Oil | 16.9 fl. oz. (500 ml) |
| Oil Funnel | 1 |
| 12V DC Battery Charging Cable | 1 |
| 12V DC USB Adapter | 1 |
| 13A-16A Powercord Adapter | 1 |
| Spark Plug Socke | 1 |

ASSEMBLY
Your generator requires some assembly. This unit ships from our factory without oil. It must be properly serviced with fuel and oil before operation.
If you have any questions regarding the assembly of your generator, call our Technical Support Team at 44(0)-1942-715-407. Please have your serial number and model number available.
Unpacking
- Set the shipping carton on a solid, flat surface.
- Remove everything from the carton except the generator.
- Using the carrying handles of the unit, carefully remove the generator from the box (two people lifting is recommended).
Add Engine Oil
CAUTION
DO NOT attempt to crank or start the engine before it has been properly filled with the recommended type and amount of oil.
Damage to the generator as a result of failing to follow these instructions will void your warranty.
NOTICE
The generator rotor has a sealed, pre-lubricated ball bearing that requires no additional lubrication for the life of the bearing.
NOTICE
The recommended oil type for typical use is 10W-30 automotive oil.
If running generator in extreme temperatures, refer to the following chart for recommended oil type.

- Place the generator on a flat, level surface.
- Loosen the cover fasteners and remove the maintenance cover.

- Remove oil fill cap/dipstick to add oil.
- Using a funnel, add up to 16.9 fl. oz. (500 ml) of oil (included). DO NOT OVERFILL. Replace oil fill cap/dipstick and secure maintenance cover.

- Check engine oil level daily and add as needed.

NOTICE
Once oil has been added, a visual check should show oil about 1-2 threads from running out of the fill hole.
When using the dipstick to check oil level, DO NOT screw in the dipstick while checking.
NOTICE
Check oil level often during the break-in period. Refer to the Maintenance section for recommended service intervals.
CAUTION
This engine is equipped with a low oil shut-off and will stop when the oil level in the crankcase falls below the threshold level.
NOTICE
The first 5 hours of run time are the break-in period for the unit. During the break in period stay at or below 50% of the running watt rating and vary the load occasionally to allow stator windings to heat and cool. Adjusting the load will also cause engine speed to vary slightly and help seat piston rings. After the 5 hour break-in period, change the oil.
NOTICE
Synthetic oil may be used after the 5 hour initial break-in period. Using synthetic oil does not decrease the recommended oil change interval. Full synthetic 5W-30 oil will aid in starting in cold ambient < 41º F (5º C) temperatures.
Add Fuel: Gasoline
Use clean, fresh, regular unleaded gasoline with a minimum octane rating of 87 and an ethanol content of 10% or less by volume. ![]()
DO NOT mix oil with gasoline.
- Remove the gasoline cap.
- Slowly add gasoline to the tank. Tank is full when gasoline reaches red circle on screen. DO NOT OVERFILL. Gasoline can expand after filling. A minimum of ¼ in. (6.4 mm) of space left in the tank is required for gasoline expansion, although more than ¼ in. (6.4 mm) is recommended. Gasoline can be forced out of the tank as a result of expansion if overfilled, and can affect the stable running condition of the generator.

- Screw on the gasoline cap and wipe away any spilled fuel.
CAUTION
Use unleaded gasoline with a minimum octane rating of 87 and an ethanol content of 10% or less by volume.
DO NOT light cigarettes or smoke when filling the tank.
DO NOT mix oil and gasoline.
DO NOT overfill the tank. Fill tank to approximately ¼ in. (6.4 mm) below the top of the tank to allow for gasoline expansion.
DO NOT pump gasoline directly into the generator at the pump.
Use an approved fuel container to transfer the gasoline to the generator.
DO NOT fill tank indoors.
DO NOT fill tank when the engine is running or hot.
WARNING
Pouring gasoline too fast through the fuel screen may result in gasoline splashing over the generator and operator while filling.
NOTICE
The generator engine works well with 10% or less ethanol blend gasoline. When using ethanol-gasoline blends there are some issues worth noting:
- Ethanol-gasoline blends can absorb more water than gasoline alone.
- These blends can eventually separate, leaving water or a watery goo in the tank, fuel valve and carburetor. The compromised gasoline can be drawn into the carburetor and cause damage to the engine and/or potential hazards.
- If a fuel stabilizer is used, confirm that it is formulated to work with ethanol-gasoline blends.
- Any damages or hazards caused by using improper gasoline, improperly stored gasoline, and/or improperly formulated stabilizers, are not covered by manufacturer’s warranty.
It is advisable to always shut off the gasoline supply and run the engine to starvation after each use. See Storage instructions for extended non-use.
Add Fuel: Propane (LPG)
- Confirm the dial is in the OFF position.
- If using a new propane cylinder, remove the plastic cap from the cylinder valve.
- Attach the LPG hose assembly (included) to the propane cylinder valve and hand tighten.
- Remove the rubber boot covering the propane connection port on the inverter.
- Align the plastic finger on the male hose fitting on the LPG hose assembly with the slot next to the female quick connect coupling on the inverter.
- Insert the hose fitting into the quick connect coupling and push in until you hear a “click” and the outside collar of the quick connect coupling moves forward.

- Check all connections for leaks by wetting the fittings with a solution of soap and water. Bubbles which appear or bubbles which grow indicate that a leak exists. If a leak exists at a fitting then turn off the valve on the cylinder and tighten the fitting. Turn the valve back on and recheck the fitting with the soap and water solution. If the leak continues or if the leak is not at a fitting then do not use the generator and contact customer service.
NOTICE
- The LPG hose included with this unit works with standard 20 and 30 pound LPG tanks.
- Verify the requalification date on the cylinder has not expired.
- All new cylinders must be purged of air and moisture prior to filling. Used cylinders that have not been plugged or kept closed must also be purged.
- The purging process should be done by an LPG supplier. (cylinders from an exchange supplier should have been purged and filled properly already).
- Always position the cylinder so the connection between the cylinder valve and generator inlet won’t cause sharp bends or kinks in the LPG hose.
CAUTION
Do not allow children to tamper or play with the LPG cylinder or hose connections.
CAUTION
Use approved LPG cylinders equipped with an OPD (overfilling prevention device) valve. Always keep the cylinder in a vertical position with the valve on top and installed at ground level on a flat surface. Cylinders must not be installed near any heat source and should not be exposed to sun, rain, and dust. When transporting and storing, turn off the cylinder valve and generator LPG valve, and disconnect the cylinder. Plug the outlet, usually by a plastic protective cap, if one is available. Keep cylinders away from heat and ventilated when in a vehicle.
WARNING
If there is a strong smell of LPG: Close valve on the cylinder. Check all connections for leaks by wetting the fittings with a solution of soap and water. Bubbles which appear or bubbles which grow indicate that a leak exists. Do not smoke or light a cigarette, or check for leaks using a match, open flame source or lighter. Contact a qualified technician to inspect and repair an LPG system if a leak is found, before using the generator.
Grounding
Your generator must be properly connected to an appropriate ground to help prevent electric shock.
WARNING
Failure to properly ground the generator can result in electric shock. A ground terminal connected to the panel of the generator has been provided (see Controls and Features for terminal location). For remote grounding, connect a length of heavy gauge (12 AWG minimum) copper wire between the generator ground terminal and a copper rod driven into the ground. We strongly recommend that you consult with a qualified electrician to ensure compliance with local electrical codes.
Neutral Floating*
- Neutral circuit IS NOT electrically connected to the frame/ ground of the generator.
- The generator (stator winding) is isolated from the frame and from the AC receptacle ground pin.
- Electrical devices that require a grounded receptacle pin connection will not function if the receptacle ground pin is not functional.
Neutral Bonded to Frame*
- Neutral circuit IS electrically connected to the frame/ground of the generator.
- The generator system ground connects lower frame crossmember below the alternator. The system ground is connected to the AC neutral wire.
* See your Specifications section for specified type of grounding.
OPERATION
Generator Location
WARNING
NEVER operate the generator inside any building, garage, basement, crawlspace, shed, enclosure or compartment, including a generator compartment of a recreational vehicle.
NEVER operate or start the generator in the back of an SUV, camper, trailer, truck bed (regular sides, flat or other configuration), under staircases, stairwells, next to walls or buildings or in any other location that will not allow for adequate cooling of the generator or for the proper exit of the
exhaust flow from the muffler system.
DO NOT operate or store the generator in wet weather conditions such as rain or snow. Using a generator in wet conditions could result in serious injury or death due to electrocution.
In some state’s generators may be required to be registered with the local utility company when used at construction sites and may be subject to additional rules and regulations, consult your local municipal authority.
Generators should always be operated on a flat, level surface at all times (even when not in operation).
Generators must have a minimum of 5 feet (1.5 m) of clearance from all combustible material.
Generators must also have a minimum of 3 feet (91.4 cm) of air flow clearance on all sides to allow for adequate performance cooling, maintenance and servicing.
Always place the generator in a well-ventilated area. NEVER place the generator near air intake vents or where exhaust fumes could be drawn into occupied or confined spaces.
Always carefully consider wind and air currents when positioning generator.
Always allow generators to properly cool before transport or for storage purposes.
Failure to follow proper safety precautions may result in personal injury, damage to the generator and void the manufacturer’s warranty.
WARNING
During operation the muffler and exhaust fumes will become hot. If adequate cooling and breathing space are not supplied, or if the generator is blocked or enclosed, temperatures can become extremely heated and may lead to fire.
Surge Protection
Electronic devices, including computers and many programmable appliances use components that are designed to operate within a narrow voltage range and may be affected by momentary voltage fluctuations. While there is no way to prevent voltage fluctuations, you can take steps to protect sensitive electronic equipment.
- Install UL1449, CSA-listed, plug-in surge suppressors on the outlets feeding your sensitive equipment.
Surge suppressors come in single- or multi-outlet styles.
They’re designed to protect against virtually all short-duration voltage fluctuations.
Starting the Engine: Gasoline
- Make certain the generator is on a flat, level surface.
- Disconnect all electrical loads from the generator. Never start or stop the generator with electrical devices plugged in or turned on.
- Turn the fuel vent lever to the “ON” position.
Cold Engine Start - Move the dial to the “CHOKE” position.

- Pull the recoil cord slowly until resistance is felt and then pull rapidly.

- As the engine warms up, turn the dial to the gasoline “RUN” position.
Warm Engine Start - Turn the dial to the gasoline “RUN” position.

- Pull the recoil cord slowly until resistance is felt and then pull rapidly.

NOTICE
Keep the dial in “CHOKE” position for only 1 pull of the recoil cord. If generator does not start after first pull, turn the dial to the gasoline “RUN” position for the next three pulls. Too much choke leads do spark plug fouling and engine flooding. This will cause the engine not to start.
NOTICE
For gasoline starting in cold ambient < 59°F (15°C): The dial must be in “CHOKE” position. Do not over-choke. As soon as engine starts, push the dial in the gasoline “RUN” position.
NOTICE
If the engine starts but does not continue to run, make certain that the generator is on a flat, level surface. The engine is equipped with a low oil sensor that will prevent the engine from running when the oil level falls below a critical threshold. Starting the
Engine: Propane (LPG)
- Make certain the generator is on a flat, level surface.
- Disconnect all electrical loads from the generator. Never start or stop the generator with electrical devices plugged in or turned on.
- Connect LPG hose to generator and LPG cylinder. See “Add Fuel: Propane (LPG)” section of the manual.
- Fully open the valve on the LPG cylinder.

- Move the dial to the “CHOKE” position.

- Pull the recoil cord 2 to 3 times.

- Turn the dial to the propane “RUN” position.

- Pull the recoil cord slowly until resistance is felt and then pull rapidly.

- Plug in devices.
NOTICE
If the engine starts but does not run make certain that the generator is on a flat, level surface. The engine is equipped with a low oil sensor that will prevent the engine from running when the oil level falls below a critical threshold.
NOTICE
Accumulation of frost on LPG cylinder and regulators is common during operation and normally is not an indication of a problem. As LPG vaporizes and travels from the cylinder to the generator engine it expands. The amount of frost that forms can be affected by the size of the cylinder, the amount of LPG being used, the humidity of the air and other operating conditions.
In unusual situations this frost may eventually restrict the flow of LPG to the generator resulting in deteriorating performance. For example, if the cylinder temperature is reduced to a very low level then the rate at which the LPG vaporizes is also reduced and may not provide sufficient flow to the engine. This is not an indication of a problem with the generator but only a problem with the flow of LPG from the cylinder. If generator performance seems to be deteriorating at the same time that ice formation is observed on tank valve, hose or regulator then some actions may be taken to eliminate this symptom.
In these rare situations it can be helpful to reduce or eliminate the cold fuel system effects by doing one of the following:
- Exchanging fuel cylinders to allow the first cylinder to warm up, repeating as necessary.
- Placing the cylinder at the end of the generator near the handle, where engine fan air flows out from the generator. This air is slightly heated by flowing over the engine. The cylinder should not be placed in the path of the muffler outlet.
- The cylinder can be temporarily warmed by pouring warm water over the top of the cylinder.
Connecting Electrical Loads
Let the engine stabilize and warm up for a few minutes after starting. Plug in and turn on the desired 240 Volt AC single phase, 50 Hz electrical loads.
- DO NOT connect 3-phase loads to the generator.
- DO NOT overload the generator.
WARNING
Always remember to plug your appliances directly into the generator and do not plug the generator power cord into any electrical outlet or connect to the circuit breaker panel in your home. Connecting a generator to your home’s electric utility company’s power lines, or to another power source, called ‘backfeeding’ is a dangerous practice that is illegal in many states and municipalities.
This action if done incorrectly could damage your generator, appliances and could cause serious injury or death to you or a utility worker when attempting to restore power during an outage occurrence in the neighborhood who may then unexpectedly encounter high voltage on the utility line and suffer a fatal shock.
Whether injuries occur or not, if installed incorrectly and not to applicable laws and codes, you may be subject to fines or the utility company may disconnect your home power should this practice be found in your home.
If the generator will be connected to a building electrical system, those connections must isolate the generator power from the utility power. You are responsible for ensuring your generator’s electricity does not backfeed into the electric utility power lines. These connections must comply with all
applicable laws and codes – Consult your local utility company or a qualified electrician to properly install this connection.
Do Not Overload Generator
Capacity
Follow these simple steps to calculate the running and starting watts necessary for your purposes:
- Select the electrical devices you plan on running at the same time.
- Total the running watts of these items. This is the amount of power you need to keep your items running.
- Identify the highest starting wattage of all devices identified in step 1. Add this number to the number calculated in step 2. Starting wattage is the surge of power needed to start some electric driven equipment. Following the steps listed under “Power Management” will guarantee that only one device will be starting at a time.
Power Management
Use the following formula to convert voltage and amperage to watts:
Volts × Amps = Watts
To prolong the life of your generator and attached devices, follow these steps to add electrical load:
- Start the generator with no electrical load attached.
- Allow the engine to run for several minutes to get up to temperature.
- Plug in and turn on the first item. It is best to attach the item with the largest load first.
- Allow the engine to stabilize.
- Plug in and turn on the next item.
- Allow the engine to stabilize.
- Repeat steps 5-6 for each additional item.
NOTICE
Never exceed the specified capacity when adding loads to the generator.
Eco (Economy) Mode
The Eco Mode button can be activated to turn on economy control in order to minimize fuel consumption and noise while operating the unit during times of reduced electrical output. Eco Mode allows the engine speed to idle during periods of non-use.
The engine speed returns to normal when an electrical load is connected. When the economy switch is off, the engine runs at normal speed continuously.

CAUTION
For periods of high electrical load or momentary fluctuations, the Eco Mode should be off.
12v DC Automotive Style Outlet
The 12V DC outlet(s) can be used with supplied accessories and other commercially available 12V DC automotive style plugs. The DC output is unregulated and can damage some products. Confirm the input voltage range of your item is at least 12-24V DC. When using the DC outlet turn the Eco Mode switch to the “OFF” position.
WARNING
Do not operate a device while it is plugged in to the 12V DC outlet.
Prolonged exposure to engine exhaust can cause serious injury or death.
CAUTION
While charging a device do not place on the exhaust side of the generator. Extreme heat caused by exhaust can damage the device, and cause a potential fire hazard.
Battery Charging
8. Before connecting the battery charging cable (not included) to a battery that is installed in a vehicle, disconnect the vehicle battery ground cable from the negative (–) battery terminal.
9. Plug the battery charging cable into the 12V DC receptacle of the generator.
10. Connect the red (+) battery charger lead to the red (+) battery terminal.
11. Connect the black (–) battery charger lead to the black (–) battery terminal.
12. Start the generator.
Important: The 12V DC outlet is ONLY to be used with a 12V DC battery charging cable. The 12V DC output is unregulated and will damage other 12V DC products. When using the 12V DC outlet, turn the Economy mode switch to the “OFF” position. Be sure all electric devices including the lines and plug connections are in good condition before connection to the generator.
CAUTION
Do not start the vehicle while the battery charging cable is connected and the generator is running. It will not give the battery a boost of power. The vehicle or the generator may be damaged. Charge only vented wet lead acid batteries. Other types of batteries may burst, causing personal injury or damage.
NOTICE
Be sure all electric devices including the lines and plug connections are in good condition before connection to the generator.
Parallel Operation
The Champion model 92001i-DF-UK is parallel ready and can be operated in parallel with another Champion unit to increase the total available electrical power. A Champion model 100319 parallel kit (sold separately) is required for parallel operation. For a list of compatible models or to order a parallel kit, please call customer service or visit www.championpowerequipment.co.uk
Detailed instructions for parallel kit installation and operation of the connected generators are provided in the parallel kit operator’s manual.
Stopping the Engine
Gasoline
- Turn off and unplug all electrical loads. Never start or stop the generator with electrical devices plugged in or turned on.
- Let the generator run at no-load for several minutes to stabilize internal temperatures of the engine and generator.
- Turn the fuel vent lever to the “OFF” position.

- Turn the dial counterclockwise to the “STOP” position.

Important: Always ensure that the dial and fuel vent on the fuel cap are in the “OFF” position when the generator is not in use.
Propane
- Turn off and unplug all electrical loads. Never start or stop the generator with electrical devices plugged in or turned on.
- Let the generator run at no-load for several minutes to stabilize internal temperatures of the engine and generator.
- Close the fuel valve on the propane cylinder.

- Turn the dial counterclockwise to the “STOP” position.

NOTICE
If the generator will not be used for a period of two (2) weeks or longer, please see the Storage section for proper engine and fuel storage.
Moving the Generator
- ALWAYS turn the generator off and ensure the fuel valve is closed.
- ALWAYS make sure engine and muffler are cooled down before the generator can be handled safely (typically 15-30 minutes).
- Lift unit up by the carrying handle and move to the desired location.
- Do not drop or strike unit or place under heavy objects.
- Failure to follow these instructions could result in personal injury or damage to the generator.

Operation at High Altitude
The density of air at high altitudes is lower than at sea level.
Engine power is reduced as the air mass and air-fuel ratio decrease. Engine power and generator output will be reduced approximately 3½% for every 1000 ft. of elevation above sea level.
At high altitudes increased exhaust emissions can also result due to the increased enrichment of the air fuel ratio. Other high altitude issues can include hard starting, increased fuel consumption and spark plug fouling.
To alleviate high altitude issues other than the natural power loss, CPE can provide a high altitude carburetor main jet. The alternative main jet and installation instructions can be obtained by contacting our Technical Support Team. Installation instructions are also available in the Technical Bulletin area of the CPE website.
The part number and recommended minimum altitude for the application of the high altitude carburetor main jet is listed in the following table.
In order to select the correct high altitude main jet it is necessary to identify the carburetor model. For this purpose, a code is stamped on the side of the carburetor. Select the correct high altitude jet part number corresponding to the carburetor code found on your particular carburetor.
| Carb. Code | High Alt. Jet Part Number | Min. Altitude |
| 100160764 | 100715807 | 3000 ft. (914 m) |
| 100715794 | 1829 ft. (6000 m) |
WARNING
Operation using the alternative main jet at elevations lower than the recommended minimum altitude can damage the engine. For operation at lower elevations, the originally supplied standard main jet must be used. Operating the engine with the wrong engine configuration at a given altitude may increase its emissions and decrease fuel efficiency and performance.
MAINTENANCE
Make certain that the generator is kept clean and stored properly.
Only operate the unit on a flat, level surface in a clean, dry operating environment. DO NOT expose the unit to extreme conditions, excessive dust, dirt, moisture or corrosive vapors.
WARNING
Never operate a damaged or defective generator.
WARNING
Improper maintenance will void your warranty.
NOTICE
For Emission control devices and systems, read and understand your responsibilities for service as stated in the Emission Control Warranty Statement of this manual.
The owner/operator is responsible for all periodic maintenance.
Complete all scheduled maintenance in a timely manner.
Correct any issue before operating the generator.
For service or parts assistance, contact our
Technical Support Team at +44(0)-1942-715-407.
Cleaning the Generator
CAUTION
DO NOT spray generator directly with water.
Water can enter the generator through the cooling slots and damage the generator windings. It can also contaminate the fuel system.
- Use a damp cloth to clean exterior surfaces of the generator.
- Use a soft bristle brush to remove dirt and oil.
- Use an air compressor (25 PSI) to clear dirt and debris from the generator.
- Inspect all air vents and cooling slots to ensure that they are clean and unobstructed.
To prevent accidental starting, remove and ground the spark plug wire before performing any service.
Changing the Engine Oil
Change oil when the engine is warm. Refer to the oil specification to select the proper grade for your operating environment.
- Set the generator on top of a work bench or table.
- Loosen the cover screws and remove the maintenance cover.
- Remove oil fill cap/dipstick.

- Tilt the generator on its side and allow the oil to drain completely.

- Add oil according to Add Engine Oil in Assembly section.
DO NOT OVERFILL. Oil not included for routine maintenance. - Replace oil fill cap/dipstick and secure maintenance cover.
- Dispose of used oil at an approved waste management facility.
NOTICE
Once oil has been added, a visual check should show oil about 1-2 threads from running out of the fill hole. If using the dipstick to check oil level, DO NOT screw in the dipstick while checking.
Cleaning and Adjusting the Spark Plug
- Remove the maintenance cover.
- Remove spark plug access cap from the top panel.

- Remove the spark plug cable from the spark plug.
- Use a spark plug socket tool (not included), or a 13/16 in. (21 mm) socket (not included) to remove the plug.

- Inspect the electrode on the plug. It must be clean and not worn to produce the spark required for ignition.
- Make certain the spark plug gap is 0.024-0.031 in. (0.6-0.8 mm).

- Refer to the spark plug types in Specifications when replacing the plug.
- Firmly re-install the plug.
- Attach the spark plug cable to the spark plug.
- Reinstall the spark plug access cap and maintenance cover.
Cleaning the Air Filter
- Remove the maintenance cover.
- Locate the air filter plastic cover and remove by pinching the clips together and pulling the cover off.

- Remove the foam element.
- Wash in liquid detergent and water. Squeeze thoroughly dry in a clean cloth.
- Saturate in clean engine oil.
- Squeeze in a clean, absorbent cloth to remove all excess oil.
- Place the filter in the assembly.
- Reattach the air filter cover.
- Reinstall the maintenance cover and tighten the cover screw securely.
Cleaning the Spark Arrestor
- Allow the engine to cool completely before servicing the spark arrestor.
- Remove the 6 screws holding the cover plate on the muffler side of the generator.
- Remove the screw which retains the spark arrestor to the muffler.
- Remove the spark arrestor screen.
- Carefully remove the carbon deposits from the spark arrestor screen with a wire brush.

- Replace the spark arrestor if it is damaged.
- Position the spark arrestor on the muffler and attach by reversing the steps from above.
CAUTION
Failure to clean the spark arrestor will result in poor engine performance.
NOTICE
Federal and local laws and administrative requirements indicate when and where spark arrestors are required. When ordered, spark arrestors are required for operation of this generator in National Forest lands. In California, this generator must not be used on any forest-covered land, brush-covered land, or grass-covered land unless the engine is equipped with a spark arrestor.
Adjusting the Governor
WARNING
Tampering with the factory set governor will void your warranty.
The air-fuel mixture is not adjustable. Tampering with the governor can damage your generator and your electrical devices and will void your warranty. Contact our Technical Support Team at +44(0)-1942-715-407 for all other service and/or adjustment needs.
Maintenance Schedule
Follow the service intervals indicated in the following maintenance schedule.
Service your generator more frequently when operating in adverse conditions.
Contact our Technical Support Team at +44(0)-1942-715-407 to locate the nearest CPE certified service dealer for your generator or engine maintenance needs.
EVERY 8 HOURS OR PRIOR TO EACH USE
□ Check oil level
□ Clean around air intake and muffler
□ Check propane (LPG) hose for leaks
FIRST 5 HOURS (BREAK IN)
□ Change oil
EVERY 50 HOURS OR ANNUALLY
□ Clean air filter
□ Change oil if operating under heavy load or in hot environments
EVERY 100 HOURS OR ANNUALLY
□ Change oil
□ Clean/adjust spark plug
□ Clean spark arrestor
□ Clean fuel valve filter*
EVERY 250 HOURS
□ Clean combustion chamber*
□ Check/adjust valve clearance*
EVERY 3 YEARS
□ Replace fuel line*
□ Replace LPG hose
* To be performed by knowledgeable, experienced owners or CPE certified service centers.
STORAGE
DANGER
Gasoline vapors are highly flammable and extremely explosive.
DO NOT light or smoke cigarettes. Fire or explosion can cause severe burns or death.
Only fill or drain fuel outdoors in a well-ventilated area. DO NOT pump gasoline directly into the generator. Use an approved container to transfer the fuel to the generator.
Never use a gasoline container, gasoline tank, or any other fuel item that is broken, cut, torn or damaged.
DO NOT overfill the gasoline tank. Always keep fuel away from sparks, open flames, pilot lights, heat and other sources of ignition.
Short Term Storage (up to 30 days)
Gasoline in the gasoline tank has a maximum shelf life of up to 1 year with the addition of properly formulated fuel stabilizers and if stored in a cool, dry place. Gasoline in the carburetor, however, may gum up and clog the carburetor if it isn’t used or drained within 2-4 weeks.
If using the generator within 2 weeks, follow the steps according to Stopping the Engine section.
- If not using the generator for 2-4 weeks, begin by making sure all appliances are disconnected from the generator.
- Start the generator as instructed in Starting the Engine section.
- Let the engine run until fuel starvation has stopped the engine.
- After the engine stops, turn the dial counterclockwise to the “STOP” position.
Mid Term Storage (30 days – 1 year)
Gasoline in the tank has a maximum shelf life of up to 1 year with the addition of a properly formulated fuel stabilizer and stored in a cool, dry place.
- Be sure all appliances are disconnected from the generator.
- Add a properly formulated fuel stabilizer to the gasoline tank.
- Start engine by following directions in the Starting the Engine section.
- Run the generator for 10 minutes so the treated gasoline cycles through the fuel system and carburetor.
- Let the engine run until fuel starvation has stopped the engine.
- After the engine stops, turn the dial counterclockwise to the “STOP” position.
- After fuel has run out and the engine has stopped, allow the engine to cool.
- Remove maintenance cover.
- Remove the spark plug and pour about a tablespoon of oil into the cylinder.
- SLOWLY pull the recoil to rotate the engine to distribute and lubricate the cylinder.
- Re-install the spark plug and spark plug wire.
- Re-install the maintenance cover.
- Clean the generator according to Cleaning the Generator.
- Store the generator in a cool, dry place out of direct sunlight.
Long Term Storage (more than 1 year)
For storage over 1 year, the gasoline tank and carburetor must be completely drained of gasoline.
- Be sure all appliances are disconnected from generator.
- Place inverter on blocks to allow appropriate gasoline container or pan to slide under inverter.
- Remove the maintenance cover.
- Turn the dial to the gasoline “RUN” position.
- Using a Phillips screwdriver, rotate drain screw counterclockwise (3) full turns. Gasoline will drain through clear tubing out underneath the inverter. Make sure draining gasoline empties into an appropriate container.

- When gasoline stops flowing from the clear tube, rotate drain screw clockwise until tight. Properly dispose of the drained gasoline according to local regulations or guidelines.
- Turn the fuel dial to the “STOP” position.
- Follow steps 8-12 according to Short Term Storage.
Removing from Storage
If the generator has been improperly stored for a long period of time with gasoline in the gasoline tank and/or carburetor, all fuel must be drained and the carburetor must be thoroughly cleaned. This process involves technically advanced tasks. For assistance please call our Technical Support Team at +44(0)-1942-715-407.
If the gasoline tank and carburetor were properly emptied of all gasoline prior to the generator being stored, follow the below steps when removing from storage.
- Be sure the fuel dial is in the “STOP” position.
- Add gasoline to the generator according to Add Fuel.
- Turn the dial to the gasoline “RUN” position.
- After 5 minutes check the carburetor and air filter areas for any leaking gasoline. If any leaks are found, the carburetor will need to be disassembled and cleaned or replaced. If no gasoline leaks are found, turn the fuel dial to the “STOP” position.
- Check engine oil level and add clean, fresh oil if needed. See Oil Specifications for proper oil type.
- Check and clear air filter of any obstructions such as bugs or cobwebs. If necessary, clean air filter according to Cleaning the Air Filter.
- Start the generator according to Starting the Engine.
DANGER
Generator exhaust contains odorless and colorless carbon monoxide gas. Breathing carbon monoxide will cause nausea, dizziness, fainting or death. If you start to feel dizzy or weak, get to fresh air immediately.
To avoid accidental or unintended ignition of your generator during periods of storage, the following precautions should be followed:
- When storing the generator make sure the fuel dial is set to the “STOP” position.
SPECIFICATIONS
Generator Specifications
| Generator Model | 92001i-DF-UK |
| Start Type | Manual |
| Watts (Starting/Running) | 2500/1900 |
| Watts (LPG) (Starting/Running) | 2500/1710 |
| Volts AC | 240 |
| AC Amps @ 240V | 8. |
| Volts DC | 12 |
| DC Amps | 8 |
| Frequency | 50 Hz |
| Phase | Single |
| Grounding Type | Neutral Floating |
| Weight | 39.1b. (17.9 kg) |
| Length | 17.3 in. (44 cm) |
| Width | 11.5 in. (29.2 cm) |
| Height | 17.7 in. (45 cm) |
Engine Specifications
| Model | 148FS-D |
| Displacement | 79 cc |
| Type | 4-Stroke OHV |
| Spark Plug | |
| OEM Type | E6RTC |
| Replacement Type | NGK BPR5HS or equivalent |
| Gap | 0.024-0.031 in. (0.6-0.8 mm) |
| Valve | |
| Intake Clearance | 0.004-0.006 in. (0.10-0.15 mm) |
| Exhaust Clearance | 0.006-0.008 in. (015-0.20 mm) |
NOTICE
A technical bulletin regarding valve adjustment procedures is available at www.championpowerequipment.com.
Oil Specifications
DO NOT OVERFILL.
| Type | *See following chart |
| Capacity | 16.9 fl. oz. (500 ml) |

NOTICE
Temperature will affect engine oil and engine performance.
Change the type of engine oil used based on temperature shown in the “Recommended Engine Oil Type” table.
Fuel Specifications
Use unleaded gasoline with a minimum octane rating of 87 and an ethanol content of 10% or less by volume. DO NOT USE E15 or E85. DO NOT OVERFILL.
Gasoline Capacity …………………….. 1.1 gal. (4 L)
Propane (LPG)
• Use only an approved LPG cylinder equipped with an OPD (overfilling prevention device) valve.
Temperature Specifications
Starting Temperature Range (°F/°C) ……….. 5 to 104/-15 to 40
NOTICE
An important message about temperature: Your product is designed and rated for continuous operation at ambient temperatures up to 104°F (40°C). When needed, it may be operated at temperatures ranging from 5°F (-15°C) to 122°F (50°C) for short periods of time. If exposed to temperatures outside this range during storage, it should be brought back within this range before operation. In any event, the product must always be operated outdoors, in a well-ventilated area and away from doors, windows and vents.


Parts List
| # | Part Number | Description | Qty. |
| 1 | 100010946-0001 | Screw M4 x 10 | 5 |
| 2 | 100095857-0005 | Bolt M4 x 18 | 1 |
| 3 | 100715787-0001 | Fuel Valve Lever | 1 |
| 4 | 100725964-0001 | Panel Assembly | 1 |
| 5 | 100019782-0001 | Receptacle, 12 VDC | 1 |
| 6 | 100011421-0013 | Flange Nut M6 | 1 |
| 7 | 100010886-0004 | Spring Washer Ø6 | 1 |
| 8 | 100010910-0003 | Flat Washer Ø6 | 1 |
| 9 | 100092320-0001 | Ground Stud | 1 |
| 10 | 100011025-0001 | Lock Washer Ø6, Toothed | 1 |
| 11 | 100010919-0002 | Flat Washer Ø5 | 1 |
| 12 | 100010885-0003 | Spring Washer Ø5 | 1 |
| 13 | 100011419-0007 | Nut M5 | 1 |
| 14 | 100719032-0001 | 8Amp Circuit Breaker, Push Button | 1 |
| 15 | 100715673 | Wire Harness Assembly | 1 |
| 16 | 100020028-0003 | 16A EU-Type Receptacle | 1 |
| 17 | 100120180-0001 | Cover, Circuit Breaker | 2 |
| 18 | 100150096-0004 | Parallel Port Cover, Square, Black | 1 |
| 19 | 100150096-0003 | Parallel Port Cover, Square, Red | 1 |
| 20 | 100019758-0001 | 16Amp Circuit Breaker, Push Button | 1 |
| 21 | 100714541 | Cable | 1 |
| 22 | 100712960 | Switch Block | 1 |
| 23 | 100091757 | Circlip, Bearing Holder, Ø1.8 x Ø6 | 2 |
| 24 | 100081995-0001 | Step Bolt | 20 |
| 25 | 100142063-0001 | Front Panel, Black | 1 |
| 26 | 100141146-0001 | Fuel Valve, Angle 45° | 1 |
| 27 | 100011571-0002 | Big Flange Bolt M6 x 14 | 2 |
| 28 | 100005149 | Clamp 1, Ø7.5 | 2 |
| 29 | 100011570-0008 | Big Flange Bolt M6 x 12 | 13 |
| 30 | 100725963 | Inverter, 120V 60Hz | 1 |
| 31 | 100000671 | Clip Ø13 | 1 |
| 32 | 100011249-0004 | Bolt M5 x 12 | 1 |
| 33 | 1ZC7DFS06 | Engine 79cc | 1 |
| 34 | 100033099-0008 | Big Flange Bolt M6 x 18 | 2 |
| 35 | 100131884 | Tube Sheath, Silicon Resin | 1 |
| 36 | 100131883-0001 | Fuel Tube, L=275mm | 1 |
| 37 | 100090871 | Clamp 2, Ø9.7 x 8 | 1 |
| 38 | 100009020 | Fuel Strainer | 1 |
| 39 | 100072874 | Rear Air Guide | 1 |
| 40 | 100011004-0003 | Self-tapping Screw ST4.2 x 25 | 4 |
| 41 | 100092440-0007 | Housing Assembly, Left Handle, Black | 1 |
| 42 | 100139137-0001 | Housing, Left Handle, Black | 1 |
| 43 | 100050562 | Threaded Clamp | 12 |
| 44 | 100033079-0005 | Screw M5 x 16 | 4 |
| 45 | 100142060-0008 | Side Cover Plate, Left, Yellow | 1 |
| 46 | 100081994-0001 | Shaft Locating Bolt | 6 |
| 47 | 100092446-0001 | Deco Trim, Recoil | 1 |
| 48 | 100072727-0001 | Rubber Pad | 2 |
| 49 | 100072725 | Fuel Tank | 1 |
| 50 | 100073150 | Rubber Washer | 1 |
| 51 | 100008887 | Lock Nut | 1 |
| 52 | 100072726-0005 | Fuel Tank Cap | 1 |
| 53 | 100142062-0001 | Rear Panel, Muffler, Black | 1 |
| 54 | 100072722 | O-ring Seal | 1 |
| 55 | 100087972 | Retainer Ring | 4 |
| 56 | 100011000-0002 | Self-tapping Screw ST4.2 x 9.5 | 1 |
| 57 | 100085794 | Spark Arrester Assembly | 1 |
| 58 | 100072875-0001 | Front Air Guide | 1 |
| 59 | 100072878 | Oil Seal | 1 |
| 60 | 100097811-0001 | Ignition Coil | 1 |
| 61 | 100093250-0005 | Self-tapping Screw ST4.8 x 20 | 2 |
| 62 | 100092441-0007 | Housing Assembly, Right Handle, Black | 1 |
| 63 | 100139138-0001 | Housing, Right Handle, Black | 1 |
| 64 | 100092444-0005 | Spark Plug Maintenance Plate, Black | 1 |
| 65 | 100157709-0001 | Housing Cover, Right, Yellow | 1 |
| 66 | 100163095-0003 | Maintenance Panel, Yellow | 1 |
| 67 | 100072713-0002 | Screw | 2 |
| 68 | 100720667-0002 | Right Hull Assembly | 1 |
| 69 | 100155004-0001 | 12VDC Battery Charging Cable | 1 |
| 70 | 100155005-0001 | 12VDC USB Adapter | 1 |
| 71 | 100725966-0001 | LED Display Module | 1 |
| 72 | 100072715-0001 | Vibration Mount, Support | 4 |
| 73 | 100088546 | Housing Assembly, Bottom, Black | 1 |
| 74 | 100072711 | Housing, Bottom, Black | 1 |
| 75 | 100072994-0001 | Step Nut M6 | 6 |
| 76 | 100072710-0001 | Rubber Damper | 1 |
| 77 | 100011452-0010 | Nut M6 | 4 |
| 78 | 100072712 | Foot, Bottom Housing | 4 |
| 79 | 100011570-0009 | Big Flange Bolt M6 x 12, GB16674 | 4 |
| 80 | 100157215-0001 | Mounting Plate | 1 |
| 81 | 100159468-0001 | Clamp, Fuel Hose | 2 |
| 82 | 100157213 | LPG Hose with Regulator | 1 |
| 83 | 100158478-0001 | Protector Cover, Quick Connector | 1 |
| 84 | 100157219-0001 | Self-locking Quick Connector, Female | 1 |
| 85 | 100157218-0001 | Mounting Seat, Selflocking Quick Connector | 1 |
| 86 | 100011450-0003 | Nut M4 | 4 |
| 87 | 100157217-0001 | Sliding Block, Mounting Seat | 1 |
| 88 | 100157221-0001 | Spring, Mounting Seat | 1 |
| 89 | 100096063-0002 | Flange Nut M2.5 | 2 |
| 90 | 100160807-0001 | Nut M10 | 1 |
| 91 | 100160808-0001 | Gas Hose | 1 |
| 92 | 100715460-0001 | Fuel Solenoid Valve Controller | 1 |
| 93 | 100715007 | Mounting Cover, Gas Pressure Valve | 1 |
| 94 | 100032967-0004 | Self-tapping Screw ST4.2 x 16 | 1 |
| 95 | 100714544 | Mounting Plate, Recoil Cord | 1 |
| 96 | 100098271 | Switch Spring | 1 |
| 97 | 100099173 | Steel Ball | 1 |
| 98 | 100715786-0002 | Cover, Fuel Switch Handle | 1 |
| 99 | 100714543 | Swing Arm | 1 |
| 100 | 100714542 | Block, Swing Arm | 1 |
| 101 | 100091059-0004 | Parallel Port, Square, Black | 1 |
| 102 | 100091059-0003 | Parallel Port, Square, Red | 1 |
| 103 | 100719040-0002 | Screw M2.5 x 18 | 2 |
| 104 | 100716268-0001 | Rectifier Bridge, Capacitance | 1 |
| 105 | 100714558 | Wire Stop Block | 1 |
| 106 | 100011001-0005 | Self-tapping Screw ST4.2 x 10 | 1 |
| 107 | 100011264-0008 | Flange Bolt M6 x 16 | 1 |
Engine Parts Diagram


Engine Parts List
| # | Part Number | Description | Qty. |
| 1 | 100033099-0008 | Big Flange Bolt M6 x 18 | 4 |
| 2 | 100097810 | Spark Plug(E6RTC) | 1 |
| 3 | 100154528-0001 | Breather Tube | 1 |
| 4 | 100072876-0001 | Cylinder Head Cover Assembly | 1 |
| 5 | 100085696 | Strainer, Cylinder Head Cover | 1 |
| 6 | 100085695 | Inner Cover, Cylinder Head Cover | 1 |
| 7 | 100005133-0001 | Cross Screw M3 x 6.5 | 3 |
| 8 | 100075052 | Gasket, Cylinder Head Cover | 1 |
| 9 | 100075054 | Rocker Arm Assembly | 2 |
| 10 | 100075053 | Shaft, Rocker Arm | 1 |
| 11 | 100075055 | Valve Collet | 2 |
| 12 | 100075058 | Oil Drip Pan | 1 |
| 13 | 100075056 | Valve Spring Seat, 182F | 2 |
| 14 | 100159357 | Spring Valve | 2 |
| 15 | 100011275-0005 | Flange Bolt M6 x 50, GB5789 | 4 |
| 16 | 100160845 | Cylinder Head | 1 |
| 17 | 100088412-0001 | Stud Bolt M6 x 73 | 2 |
| 18 | 100075043 | Muffler Pad | 1 |
| 19 | 100065662-0001 | Exhaust Muffler Assembly | 1 |
| 20 | 100011277-0004 | Flange Bolt M6 x 60, GB5789 | 4 |
| 21 | 100011452-0010 | Lock Nut M6, Flange | 4 |
| 22 | 100010348-0001 | Stud Bolt M6 x 87 | 2 |
| 23 | 100075048 | Gasket, Insulator | 1 |
| 24 | 100075049 | Insulator, Carburetor | 1 |
| 25 | 100075050 | Gasket, Carburetor | 1 |
| 26 | 100160764 | Carburetor | 1 |
| 27 | 100061512 | Stepping Motor | 1 |
| 28 | 100715796 | Fuel Bowl Mounting Bolt Gasket | 1 |
| 29 | 100005149 | Clamp 1, Ø7.5 | 1 |
| 30 | 100087351-0001 | Oil Tube | 1 |
| 31 | 100075035 | Air Filter Hose | 1 |
| 32 | 100085694 | Gasket, Cylinder Head | 1 |
| 33 | 100010549 | Dowel Pin Ø8 x 12 | 4 |
| 34 | 100075061 | Push Rod | 2 |
| 35 | 100075059 | Valve Exhaust | 1 |
| 36 | 100159354 | Valve Intake | 1 |
| 37 | 100075036 | Lifter, Valve | 2 |
| 38 | 100075040 | Piston Ring Set | 1 |
| 39 | 100088147 | 1st Piston Ring | 1 |
| 40 | 100088148 | 2nd Piston Ring | 1 |
| 41 | 100088146 | Oil Ring | 1 |
| 42 | 100075038 | Circlip | 2 |
| 43 | 100075039 | Wrist Pin | 1 |
| 44 | 100159355 | Piston | 1 |
| 45 | 100075037 | Connecting Rod | 1 |
| 46 | 100091043 | Bolt, Connecting Rod | 2 |
| 47 | 100085410 | Crankcase | 1 |
| 48 | 100075063-0002 | Oil Level Sensor | 1 |
| 49 | 100031967-0008 | Big Flange Bolt M6 x 16 | 2 |
| 50 | 100011570-0008 | Big Flange Bolt M6 x 12 | 5 |
| 51 | 100065663 | Crankshaft | 1 |
| 52 | 100159356 | Camshaft | 1 |
| 53 | 100075062 | Gasket, Crankcase Cover | 1 |
| 54 | 100072617 | Cover, Crankcase | 1 |
| 55 | 100031968-0003 | Big Flange Bolt M6 x 20 | 7 |
| 56 | 100084322-0004 | Oil Dipstick Assembly, Black | 1 |
| 57 | 100092649-0001 | Trigger | 1 |
| 58 | 100085697 | Oil Seal Ø20 x Ø32 x 6 | 1 |
| 59 | 100000656 | Wire Clip C | 1 |
| 60 | 100158711-0001 | Stator Assembly, Fe, Ø120 x 21 mm | 1 |
| 61 | 100085871-0001 | Rotor Assembly, Permanent Magneto, Ø150 x 44.5 mm | 1 |
| 62 | 100011223-0002 | Flange Bolt M6 x 32 | 2 |
| 63 | 100072871 | Cooling Fan | 1 |
| 64 | 100072872-0001 | Pulley, Starter | 1 |
| 65 | 100033063-0002 | Flange Nut M12 x 1.25 | 1 |
| 66 | 100072873 | Fan Cover Assembly | 1 |
| 67 | 100085054 | Fan Cover, Black | 1 |
| 68 | 100075483-0001 | Air Filter Element | 1 |
| 69 | 100075482-0001 | Air Filter Cover | 1 |
| 70 | 100000655 | Wire Clip B | 1 |
| 71 | 100075051-0002 | Recoil Starter Assembly, Black | 1 |
| 72 | 100011571-0002 | Big Flange Bolt M6 x 14 | 3 |
| 73 | 100715797 | Fuel Bowl Mounting Bolt | 1 |
| 74 | 100131960 | Fuel Bowl O-Ring | 1 |
| 75 | 100715806 | Main Jet Standard | 1 |
| 100715807 | Main Jet Altitude 10002000m | / | |
| 100715794 | Main Jet Altitude 20003000m | / | |
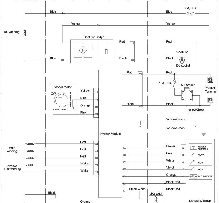
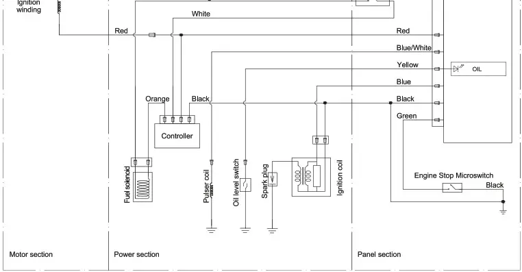
Wiring Diagram


TROUBLESHOOTING
| Problem | Cause | Solution |
| Engine will not start. | No fuel. | Add fuel. |
| Faulty spark plug. | Clean and adjust spark plug or replace. | |
| Low oil level. | Fill crankcase to the proper level. | |
| Place generator on a flat, level surface. | ||
| Spark plug wire loose. | Attach wire to spark plug. | |
| Fuel valve is closed. | Open fuel valve. | |
| Old fuel or water in fuel. | Drain fuel and replace with fresh fuel. | |
| Flooded with fuel. | Let unit stand for 10 mins. | |
| Engine starts but runs roughly. | Choke in the wrong position. | Move choke until it stops under RUN position or push in completely. |
| Dirty air filter. | Clean or replace air filter. | |
| Dirty fuel valve. | Clean the fuel valve. | |
| Clogged spark arrestor. | Clean spark arrestor. | |
| Engine shuts down during operation. | Out of fuel. | Fill fuel tank. |
| Low oil level. | Fill crankcase to the proper level. Place generator on a flat, level surface. | |
| Clogged spark arrestor. | Clean spark arrestor. | |
| Generator cannot supply enough power or overheating. | Generator is overloaded. | Review load and adjust. See “Connecting Electrical Loads.” |
| Dirty air filter. | Clean or replace air filter. | |
| Choke in wrong position. | Move choke until it stops under RUN position or push in completely. | |
| Engine is running but no AC output. | Poor cord connection. | Check all connections. |
| Circuit breaker is open. | Reset circuit breaker. | |
| Loose wiring. | Inspect and tighten wiring connections. | |
| AC Overload: Button illuminated red | Reduce AC load and press Overload Reset Button until illuminated green. | |
| Other. | Contact the help line. | |
| Engine hunts or falters. | Engine governor defective. | Contact the help line. |
| Dirty fuel valve. | Clean the fuel valve. | |
| Carburetor is dirty and running lean. | Contact the help line. | |
| Choke in wrong position. | Move choke until it stops under RUN position or push in completely. | |
| DUAL FUEL MODELS ONLY: Engine will not stop. | Propane valve is still open. | Turn the propane valve to the CLOSED position on the tank. |
| Repeated circuit breaker tripping. | Overload. | Review load and adjust. See “Connecting Electrical Loads.” |
| Faulty power cords or device. | Check for damaged, bare or frayed wires. Replace defective device. | |
| Circuit breaker still too hot. | Let unit sit for 5 mins. |
WARRANTY*
CHAMPION POWER EQUIPMENT
3 YEAR LIMITED WARRANTY
Warranty Qualifications
To register your product for warranty and FREE lifetime call center technical support please visit: https://www.championpowerequipment.co.uk
To complete registration you will need to include a copy of the purchase receipt as proof of original purchase. Proof of purchase is required for warranty service. Please register within ten (10) days from date of purchase.
Repair/Replacement Warranty
CPE warrants to the original purchaser that the mechanical and electrical components will be free of defects in material and workmanship for a period of three (3) years for domestic usage and One (1) Year for commercial and industrial use. Transportation charges on product submitted for repair or replacement under this warranty are the sole responsibility of the purchaser.
This warranty only applies to the original purchaser and is not transferable. For full T&C’s please visit www.championpowerequipment.co.uk.
Do Not Return The Unit To The Place Of Purchase
Contact CPE’s Technical Service and CPE will troubleshoot any issue via phone or e-mail. If the problem is not corrected by this method, CPE will, at its option, authorize evaluation, repair or replacement of the defective part or component at a CPE Service Center. CPE will provide you with a case number for warranty service. Please keep it for future reference. Repairs or replacements without prior authorization, or at an unauthorized repair facility, will not be covered by this warranty.
Warranty Exclusions
This warranty does not cover the following repairs and equipment: Normal Wear Products with mechanical and electrical components need periodic parts and service to perform well. This warranty does not cover repair when normal use has exhausted the life of a part or the equipment as a whole.
Installation, Use and Maintenance
This warranty will not apply to parts and/or labor if the product is deemed to have been misused, neglected, involved in an accident, abused, loaded beyond the product’s limits, modified, installed improperly or connected incorrectly to any electrical component.
Normal maintenance is not covered by this warranty and is not required to be performed at a facility or by a person authorized by CPE.
Other Exclusions
This warranty excludes:
- Cosmetic defects such as paint, decals, etc.
- Wear items such as filter elements, o-rings, etc.
- Accessory parts such as starting batteries, and storage covers.
- Failures due to acts of God and other force majeure events beyond the manufacturer’s control.
- Problems caused by parts that are not original Champion Power Equipment parts.
When applicable, this warranty does not apply to products used for prime power in place of a utility.
Limits of implied Warranty and Consequential Damage
Champion Power Equipment disclaims any obligation to cover any loss of time, use of this product, freight, or any incidental or consequential claim by anyone from using this product.
THIS WARRANTY AND THE ATTACHED U.S. EPA and/or CARB EMISSION CONTROL SYSTEM WARRANTIES (WHEN APPLICABLE) ARE IN LIEU OF ALL OTHER WARRANTIES, EXPRESS OR IMPLIED, INCLUDING WARRANTIES OF MERCHANTABILITY OR FITNESS FOR A PARTICULAR PURPOSE.
A unit provided as an exchange will be subject to the warranty of the original unit. The length of the warranty governing the exchanged unit will remain calculated by reference to the purchase date of the original unit.
This warranty gives you certain legal rights which may change from state to state or province to province. Your state or province may also have other rights you may be entitled to that are not listed within this warranty.
Contact information
Winch Solutions ltd
Unit 17-18 Bradley Trading Estate
Standish WN6 0XQ / UK
www.championpowerequipment.co.uk
[email protected]





Cold Engine Start

Warm Engine Start




































