MODEL #201003
Champion Power Equipment, Inc., Santa Fe Springs, CA USA
PARTS INFORMATION
5500W DUAL ELECTRIC START INVERTER GENERATOR
SERIAL NUMBER RANGE: ALL

To order replacement parts please visit: shop.championpowerequipment.com or call 1-877-338-0999.
Contents hide
Inverter Generator Parts Diagram.

Inverter Generator Parts list
| X 1 | Part Number 1.5789.0615 | Description Flange Bolt M6 x 15 | Qty. 3 |
| 2 | 63.200600.00 | Wheel Kit, See Figure G | 1 |
| 3 | 63.210000.03 | Control Panel Assembly.See Figure F | 1 |
| 4 | 63.070000.01 | Fuel Tank Assembly.See Figure E | 1 |
| 5 | 152.200013.02.3 | Sheath, Rubber, Red | 1 |
| 6 | 152.200013.03 | Sleeve, Connector | 2 |
| 7 | 5.1900.139 | Motor SAE Wire | 1 |
| 8 | 5.1900.137 | Battery SAE Wire | 1 |
| 9 | 122.200013.04.3 | Sheath, Rubber. Red | 1 |
| 10 | 122.200013.04 | Sheath, Rubber, Black | 1 |
| 11 | 9.1000.090 | Battery, 9AH | 1 |
| 12 | 1.61771.08 | Lock Nut M8, Flange | 14 |
| 13 | 63.200902.00 | Pinch | 1 |
| 14 | 2.05.050 | Clamp, Wire, 100 | 3 |
| 15 | 63.200503.00 | Cover, Connect Port | 6 |
| 16 | 1.818.0514.1 | Screw M5x14 | 22 |
| 17 | 63.200700.00 | Handle Assembly | 1 |
| 18 | 63.200509.00 | Handle. Pin | 1 |
| 19 | 2.03.066 | Bushing, 010.5 x 021 x 2 | 2 |
| 20 | 2.16.006 | Cotter Pin 02 x 20) | 1 |
| 21 | 2.02.010 | Cage Nut M5 | 20 |
| 22 | 1.5789.0612 | Flange Bolt M6 x 12 | 16 |
| 23 | 1.5789.0512 | Flange Bolt M5 x 12 | 5 |
| 24 | 63.220004.00 | Holder, Control Unit | 2 |
| 25 | 63.221000.00 | Control Unit, 4.0KW, 120V/60Hz, Wireless Parallel | 1 |
| 26 | 5.1800.009 | Rectifier | 1 |
| 27 | 63.200018.01 | Support Arm | 1 |
| 28 | 63.201100.01 | Supporter, Left | 1 |
| 29 | 1.845.3595 | Screw, ST3.5 x 9.5 | 2 |
| X | Part Number | Description | Qty. |
| 30 | 1.5789.0610 | Flange Bolt M6 x 10 | 2 |
| 31 | 63.080600.00 | Protector Assembly, Lower | 1 |
| 32 | 63.690 | Engine. 224 cc.See Figure B | 1 |
| 33 | 63.201600.03 | Supporter, Fuel Tank | 2 |
| 34 | 63.200401.01 | Supporter, Rear Cover, Black | 1 |
| 35 | 1.845.4216 | Screw, ST4.2 x 16 | 29 |
| 36 | 63.200101.01 | Supporter, Front Cover, Black | 1 |
| 37 | 2.08.075.1 | Bolt M6 x 20 | 6 |
| 38 | 63.200101.00 | Front Cover | 1 |
| 39 | 2.05.001 | Clamp, 08 x 6.5 | 2 |
| 40 | 2.06.006 | Clamp, 07 x 01 | 1 |
| 41 | 63.200302.00 | Cover, Right Side, Black | 1 |
| 42 | 63.200103.00 | Rubber Sleeve | 2 |
| 43 | 63.200402.03 | Protector, Rear Cover | 1 |
| 44 | 1.6177.1.06 | Lock Nut M6, Flange | 2 |
| 45 | 63.200410.01 | Cover Rotary Knob | 2 |
| 46 | 63.200410.00 | Rotary Knob, Protector, Rear Cover | 2 |
| 47 | 1.823.0325 | Screw M3x 25 | 2 |
| 48 | 63.200700.01 | Handle | 2 |
| 49 | 63.213004.02 | Rubber Pad | 1 |
| 50 | 63.200502.00 | Spillway, Fuel Tank | 1 |
| 51 | 63.214000.00 | Indicator Light Assembly, Fuel Tank | 1 |
| 52 | 26.100001.00 | Gasket, Exhaust | 1 |
| 53 | 2.08.179.1 | Flange Bolt M6 x 25 | 4 |
| 54 | 63.200500.00 | Cover, Top, Black | 1 |
| 55 | 63.200102.00 | Rubber Sleeve | 4 |
| 56 | 2.06.018 | Clamp, 010.5 x b8 | 3 |
| 57 | 2.08.102 | Screw M6x13 | 1 |
| 58 | 63.070011.01 | Fuel Pipe, Fuel Valve To Carburetor | 1 |
| 59 | 2.08.168 | Bolt | 2 |
| IF | Part Number | Description | Qty. |
| 2/3/1969 | Retaining Ring, M5 | ||
| 61 | 63.200304.00 | Rubber Seal, Muffler Cover | 1 |
| 62 | 63.200303.00 | Muffler Cover | 1 |
| 63 | 63.070014.02 | Pipe. Fuel Tank To Air Cleaner | 1 |
| 64 | 63.201100.02 | Supporter, Right | 1 |
| 65 | 63.081100.00 | Muffler Protector Assembly, Front | 1 |
| 66 | 63.101005.00 | Supporter, Muffler Assembly | 1 |
| 67 | 63.101000.00.2 | Muffler Assembly | 1 |
| 68 | 63.081200.00 | Muffler Protector Assembly, Rear | 1 |
| 69 | 63.200401.00 | Supporter, Rear Cover, Black | 1 |
| 70 | 46.101300.08 | Spark Arrester Assembly | 1 |
| 71 | 46.101503.08 | Plate, Spark Arrester | 1 |
| 72 | 1.9074.13.0514 | Screw/Washer Assembly M5 x 10 | 2 |
| 73 | 63.130000.00 | LPG Hose With Regulator | 1 |
| 74 | 9.1700.008 | “Plug, USB 5V/2.44” | 1 |
| 75 | 1.16674.0812 | Flange Bolt M8 x 12 | 4 |
| 76 | 63.200200.00 | Cover, Left | 1 |
| 77 | 24.070030.00 | Hole, Breather Tube | 1 |
Engine Parts Diagram

Engine Parts List
| # 1 | Part Number 1.5789.0612 | Description Flange Bolt M6 x 12 | Qty. 9 |
| 2 | 62.061300.00 | Handle, Recoil, Soft | 1 |
| 3 | 63.061200.00 | Handle guide plate | 1 |
| 4 | 83.061100.01.1 | Cover, Recoil Starter, Black | 1 |
| 5 | 21.061005.00 | Spring, Recoil Starter | 1 |
| 6 | 2.10.001.1 | Rope 04×1570, Black | 1 |
| 7 | 21.061001.01 | Reel, Recoil Starter | 1 |
| 8 | 45.060003.00 | Spring, Ratchet | 2 |
| 9 | 45.060002.00 | Starter Ratchet, Steel | 2 |
| 10 | 45.060009.00 | Spring Guide. Ratchet | 1 |
| 11 | 45.060007.00 | Ratchet Guide | 1 |
| 12 | 45.060008.00 | Screw, Ratchet Guide | 1 |
| 13 | 2/5/1950 | Clamp, Wire. 100 | 2 |
| 14 | 1.5789.0620 | Flange Bolt M6 x 20 | 4 |
| 15 | 63.080100.00 | Fan Cover | 1 |
| 16 | 63.061000.00 | Recoil Assembly | 1 |
| 17 | 63.090004.02 | Air Cleaner Tube | 1 |
| 18 | 63.090003.00 | Joint, Breather Pipe | 1 |
| 19 | 63.090005.00 | Pinch. Air Cleaner Tube | 1 |
| 20 | 1.5789.0610 | Flange Bolt M6 x 10 | 2 |
| 21 | 63.060001.00 | Pulley, Starter | 1 |
| 22 | 1.16674.0616 | Flange Bolt M6 x 16 | 7 |
| 23 | 182.060002.00 | Connecting Base | 1 |
| 24 | 63.080001.00 | Cooling Fan | 1 |
| 25 | 2/2/1906 | Nut M14 x 1.5 | 1 |
| 26 | 63191100.00 | Rotor | 1 |
| 27 | 63.191200.00 | Stator Component | 1 |
| 28 | 2/11/1901 | Oil Seal 025 x 041.3 x 6 | 1 |
| 29 | 62.200410.00 | Rotary Knob, Protector, Rear Cover | 1 |
| 30 | 182.030006.00 | Pinch | 1 |
| # | Part Number | Description | Qty. |
| 31 | 1.5789.0608 | Flange Bolt M6 x 08 | 1 |
| 32 | 63.030006.01 | Pinch | 1 |
| 33 | 63.030032.00 | Sheath, Wire | 1 |
| 34 | 63.030100.00.1 | Crankcase | 1 |
| 35 | 21.127000.02 | Oil Level Sensor | 1 |
| 36 | 63.091200.00 | Cover, Air Cleaner | 1 |
| 37 | 27.050200.00 | Connecting Rod | 1 |
| 38 | 27.050100.04 | Crankshaft | 1 |
| 39 | 24.030008.00 | Gasket, Crankcase Cover | 1 |
| 40 | 27.030013.00 | Seal Strip, Crankcase Cover, Long | 1 |
| 41 | 27.030013.01 | Seal Strip. Crankcase Cover, Short | 1 |
| 42 | 63.030007.00 | Cover, Crankcase | 1 |
| 43 | 63.031000.00.2 | Oil Dipstick Assembly | 1 |
| 44 | 1.5789.0832 | Flange Bolt M8 x 32 | 6 |
| 45 | 2.08.182 | Flange Bolt M6 x 20 | 2 |
| 46 | 63.123000.01 | Ignition Coil, Silicon Rubber | 1 |
| 47 | 63.091003.00 | Element, Air Cleaner | 1 |
| 48 | 63.080300.00 | Air Guide | 1 |
| 49 | 2/3/1916 | Washer 010 x 016 x 1.5, Drain Bolt | 1 |
| 50 | 83.032000.00 | Hose, Oil Drain | 1 |
| 51 | 2/6/1913 | Clamp | 1 |
| 52 | 45.030200.00 | Support | 1 |
| 53 | 1.6177.06 | Flange Nut M6 | 2 |
| 54 | 24.130004.20 | Gasket. Air Cleaner | 2 |
| 55 | 63.130200.01 | Support, Choke Rod | 1 |
| 56 | 63.130000.01 | Carburetor Assembly,See Figure 0 | 1 |
| 57 | 22.130003.00 | Gasket, Carburetor | 1 |
| 58 | 63.130001.00 | Insulator, Carburetor | 1 |
| 59 | 24.130002.00 | Gasket, Insulator | 1 |
| 60 | 25.040013.00 | Lifter, Valve | 2 |
| # 61 | Part Number | Description | Qty. 2 |
| 2/4/1901 | Dowel Pin 09 x 14 | ||
| 62 | 27.041000.00 | Camshaft | 1 |
| 63 | 2/14/1912 | Woodruff Key 4 x 7. x 19 | 1 |
| 64 | 1.276.6205.9 | Bearing 6205 | 2 |
| 65 | 27.050005.00 | Piston | 1 |
| 66 | 23.050003.00 | Pin, Piston | 1 |
| 67 | 2/9/1901 | Circlip 018 x 01 | 2 |
| 68 | 27.050303.00 | Ring, Oil | 1 |
| 69 | 27.050302.00 | Ring, Second Piston | 1 |
| 70 | 27.050301.00 | Ring, First Piston | 1 |
| 71 | 27.030009.01 | Gasket, Cylinder Head | 1 |
| 72 | 2/4/1903 | Dowel Pin 010 x 14 | 2 |
| 73 | 63.010000.00 | Cylinder Head Assembly,See Figure C | 1 |
| 74 | 1.16674.0512.2 | Flange Bolt M5 x 12 | 4 |
| 75 | 1.5789.0625 | Flange Bolt M6 x 25 | 2 |
| 76 | 2.15.008(F7RTC) | Spark Plug F7RTC | 1 |
| 77 | 1.5789.0865 | Flange Bolt M8 x 65 | 3 |
| 78 | 1.823.0512 | Screw M5 x 12 | 2 |
| 79 | 63.125200.01 | Relay, Starter | 1 |
| 80 | 63.125100.00 | Starter Motor | 1 |
| 81 | 63.125000.01 | Starter Motor Assembly | 1 |
| 82 | 21.040008.00 | Rotator, Exhaust Valve | 1 |
| 83 | 24.040202.00 | Shaft, Rocker Arm | 1 |
| 84 | 22.040009.00 | Rocker Arm | 2 |
| 85 | 22.040012.00 | Screw, Valve Adjustment | 2 |
| 86 | 21.040021.00 | Nut M6 x 0.5, Lock | 2 |
| 87 | 1.97.1.06 | Washer 06 | 2 |
| 88 | 1.61771.06 | Lock Nut M6, Flange | 2 |
| 89 | 23.020001.03 | Breather Tube | 1 |
| 90 | 24.040201.00 | Retainer, Rocker Arm | 1 |
| 91 | 1.5789.0655 | Flange Bolt M6 x 55 | 3 |
| 92 | 24.040004.00 | Guide Plate, Push Rod | 1 |
| # 93 | Part Number | Description | Qty. 2 |
| 27.040005.00 | Push Rod | ||
| 94 | 63.091000.00 | Air Cleaner Assembly | 1 |
| 95 | 63.091100.00 | Base, Air Cleaner | 1 |
| 96 | 2.08.121 | Flange Bolt M10 x 65 | 1 |
| 97 | 1.5789.0615 | Flange Bolt M6 x 15 | 4 |
| 98 | 85.021101.00 | Cover, Cylinder Head | 1 |
| 99 | 85.030300.00 | Ventilation Chamber Cover Assembly | 1 |
| 100 | 85.030022.00 | Gasket, Ventilation Chamber Cover | 1 |
| 101 | 85.020002.00 | Gasket, Cylinder Head Cover | 1 |
| 102 | 63.080200.00 | Air Shroud, Cylinder | 1 |
Cylinder Head Diagram.

Cylinder Head List
| # | Part Number | Description | Qty. |
| 1 | 23.040010.00 | Bolt, Rocker Arm | 2 |
| 2 | 2/1/1910 | Stud Bolt M8 x 35 | 2 |
| 3 | 23.040006.02 | Valve, Exhaust | 1 |
| 4 | 23.040002.02 | Valve, Intake | 1 |
| 5 | 26.010100.01 | Cylinder Head, 224cc | 1 |
| 6 | 2/1/1949 | Stud Bolt M6 x 99 | 2 |
| 7 | 23.040017.00 | Oil Seal, Valve, Steel | 2 |
| 8 | 21.040003.00 | Spring, Valve | 2 |
| 9 | 21.040007.00 | Retainer, Exhaust Valve Spring | 1 |
| 10 | 21.040001.00 | Retainer, Intake Valve Spring | 1 |
Carburetor Diagram

Carburetor List
| # 1 | Part Number | Description | Qty. 2 |
| 1.823.0408.1 | Screw M4 x 8 | ||
| 2 | 62.132200.00 | Stepper Motor | 1 |
| 3 | 85.132100.04 | Support, Stepper Motor | 1 |
| 4 | 1.9074.3.0408 | Screw M4 x 8 | 4 |
| 5 | 85.130005.04 | Support, Stepper Motor | 1 |
| 6 | 63.131000.01 | Carburetor | 1 |
| 7 | 63.131017.00 | Standard Main Jet | 1 |
| 63.131017.00.01 | Altitude Main Jet | / |
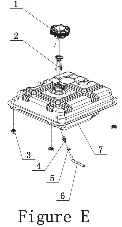
Fuel Tank Diagram

Fuel Tank List
| # | Part Number | Description | Oty. |
| 1 | 122.070100.09 | Fuel Tank Cap | 1 |
| 2 | 63.070300.00 | Fuel Filter, Fuel Pipe | 1 |
| 3 | 63.070015.00 | Mount Vibration, Fuel Tank | 4 |
| 4 | 63.070600.00 | Connector | 1 |
| 5 | 2/6/1918 | Clamp. 010.5 x b8 | 1 |
| 6 | 63.070011.00 | Fuel Pipe, Fuel Tank To Fuel Valve | 1 |
| 7 | 63.071000.01.1 | Fuel Tank | 1 |
Outlet Panel Diagram

Outlet Panel List
| 1 | Part Number 1.823.04121 | Description Screw M4x12 | Qty. 3 |
| 2 | 62.139006.00 | Pressure Plate | 1 |
| 3 | 62.139007.00 | Spring, Steel Ball | 1 |
| 4 | 62.139008.00 | Ball Bearing, Rotary Knob | |
| 5 | 63.070400.01 | Fuel Valve | 1 |
| 6 | 5.1050.006 | Microswitch | |
| 7 | 62.139001.01 | Rotary Knob | 1 |
| 8 | 62.139002.00.48 | Coverinotary Knob | 1 |
| 9 | 63.210002.01 | Control Box | 1 |
| 10 | 1.9074.4.0512.1 | Screw/Washer Assembly M5 x 12, Black | 4 |
| 11 | 63.200106.00 | Protector, Front Cover | 1 |
| 12 | 5.1820.012 | Charger | 1 |
| 13 | 201003. | Control Panel | 1 |
| 14 | 5.1200.308 | 8 Amp Circuit Breaker, Push Button | 1 |
| 15 | 5.1870.014 | Circuit Breaker Cover, Push Button | 4 |
| 16 | 5.1210.920 | 20 Amp Circuit Breaker, Push Button | 2 |
| 17 | 5.1210.930 | 30 Amp Circuit Breaker, Push Button | 1 |
| 18 | 5.1110.005 | Receptacle, DC.12V | 1 |
| 19 | 1.6177.1.04.1 | Lock Nut M4. Flange | 14 |
| 20 | 5.1120.010 | Receptacle 5-20R, Duplex | 2 |
| 21 | 5.1870.025 | Receptacle Cover, Receptacle 5-20R, Duplex | 2 |
| 22 | 1.5783.0520.1 | Bolt M5 x 20, Black | 1 |
| 23 | 1.862.05 | Lock Washer 05, Toothed | 1 |
| 24 | 1.93.05.1 | Lock Washer 05, Black | 2 |
| 25 | 1.97.1.05.1 | Washer 05, Black | 2 |
| 26 | 1.6170.05.1 | Nut M5 | 2 |
| 27 | 83.210001.00.1 | Connect Port, Black | |
| 28 | 83.210001.00.3 | Connect Port, Red | 1 |
| 29 | 5.1870.010 | Cover, Connect Port, 125V/25A, Black | 1 |
| 30 | 51870.010.3 | Cover, Connect Port. 125V/25A, Red | 1 |
| 0 | Part Number | Description | Qty. |
| 31 | 51120. | Receptacle TT-30 | 1 |
| 32 | 51870. | Receptacle Cover. Receptacle 14-50R | 1 |
| 33 | 5.1000.005.3 | Switch | 1 |
| 34 | 5.1820.009 | Charger | 1 |
| 35 | 5.1280.003 | Fuse, 10A | 1 |
| 36 | 5.1830.027 | Moudleindicator Light | 1 |
| 37 | 63.019.4.48 | Control Panel | 1 |
| 38 | 63.214000.01 | Indicator Light Assembly, Control Panel | 1 |
| 39 | 63.213004.00 | Indicator Light Assembly Cover | 1 |
| 40 | 63.210017.03 | Multifunction Display(2K) | 1 |
| 41 | 1.818.05141 | Screw M5x14 | 2 |
| 42 | 1.845.4216 | Screw, ST4.2 x 16 | 1 |
| 43 | 63.213008.00 | Pinch, Microswitch | 1 |
| 44 | 63.210016.00 | Seat,Microswitch | 1 |
| 45 | 2/2/1936 | Thin Hexnut M16 x 1.5 | 1 |
| 46 | 63.130200.00 | Pull Choke Assembly | 1 |
| 47 | 62.130201.00 | Spring, Pull Choke | 1 |
| 48 | 2/6/1923 | Hose Clamp 020 | 1 |
| 49 | 63.070012.00 | Pipe | 1 |
| 50 | 2/6/1932 | Clamp, Oil Hose | 1 |
| 51 | 1.819.1.0330 | Sunk Screw M3 x 30 | 2 |
| 52 | 63.070037.00 | Support. Inlet Connection | 1 |
| 53 | 1.6170.03 | Hexagon Nut M3 | 2 |
| 54 | 5.1050.000 | Microswitch | 1 |
| 55 | 63.070021.00 | Inlet Connection | 1 |
| 56 | 63.200102.01 | Circular Rubber Sheath | 1 |
Wheel Kit Diagram

Wheel Kit List
| # | Part Number | Description | Qty. |
| 1 | 1.5789.0615 | Flange Bolt M6 x 15 | 2 |
| 2 | 63.201400.00 | Rubber Pad | 2 |
| 3 | 63.201100.00 | Base Setting Component | 1 |
| 4 | 83.201701.03.48 | 5.5 in. Wheel, Yellow | 2 |
| 5 | 2. | Washer 012 | 2 |
| 6 | 1.894.1.12 | Retaining Ring, 012 | 2 |
| 7 | 83.201702.03.48 | Plug, Wheel, Yellow | 2 |
| 8 | 63.200200.00 | Cover, Left | 1 |
| 9 | 63.201500.00 | Axle | 1 |
| 10 | 2/2/1914 | Nut M6, Square | 6 |
| 11 | 63.201600.02 | Supporter | 1 |
| 12 | 1.6177.1.08 | Lock Nut M8, Flange | 12 |
| 13 | 63.201600.00 | Supporter, Right | 1 |
| 14 | 63.201200.00 | Motor Mount | 4 |
| 15 | 63.201600.01 | Supporter, Left | 1 |
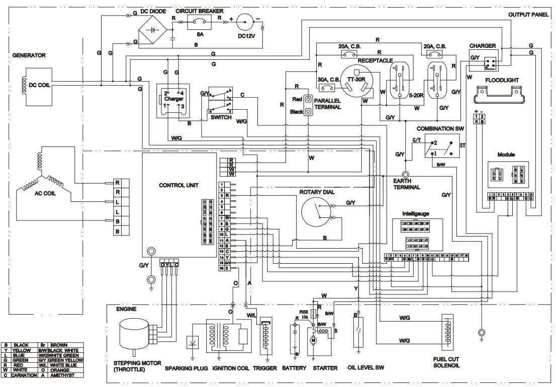
Wiring Diagram



















