MODEL #200977

PARTS INFORMATION
4250W DUAL FUEL INVERTER GENERATOR
SERIAL NUMBER RANGE: ALL

To order replacement parts please visit: shop.championpowerequipment.com
or call 1-877-338-0999.
INVERTER GENERATOR PARTS DIAGRAM

INVERTER GENERATOR PARTS LIST
# | Part Number | Description | Qty. |
| 1 | 100011264-0002 | Flange Bolt M6 x 16 | 9 |
| 2 | 100717091-0001 | Panel Assembly | 1 |
| 3 | 100717092 | Control Panel | 1 |
| 4 | 100142006-0002 | Protect Panel | 1 |
| 5 | 100150096-0001 | Cover, Parallel Terminal, Red | 1 |
| 6 | 100150096-0002 | Cover, Parallel Terminal, Black | 1 |
| 7 | 100088268 | Receptacle Cover, TT-30R | 1 |
| 8 | 100098921 | Receptacle Cover, 5-20R, Duplex | 1 |
| 9 | 100011421-0002 | Flange Nut M6 | 1 |
| 10 | 100010886-0002 | Spring Washer 06 | 1 |
| 11 | 100010910-0002 | Washer 06 | 1 |
| 12 | 100011025-0001 | Lock Washer 06, Toothed | 1 |
| 13 | 100092320-0002 | Ground Stud | 1 |
| 14 | 100020029 | Receptacle 5-20R, Duplex | 1 |
| 15 | 100019747 | 20Amp Circuit Breaker, Push Button | 1 |
| 16 | 100714740 | Dual USB Receptacle | 1 |
| 17 | 100011570-0007 | Flange Bolt M6 x 12 | 4 |
| 18 | 100032963-0003 | Self-tapping Screw ST3.5 x 13 | 4 |
| 19 | 100724694 | LED Display Module | 1 |
| 20 | 100710623 | Intelligauge | 1 |
| 21 | 100011451-0006 | Flange Nut M5, GB6177.1 | 3 |
| 22 | 100120180 | Cover, Circuit Breaker | 2 |
| 23 | 100091059-0001 | Parallel Terminal, Red | 1 |
| 24 | 100091059-0002 | Parallel Terminal, Black | 1 |
| 25 | 100020008 | Receptacle TT-30R | 1 |
| 26 | 100715705 | Transfer Switch Seat | 1 |
| 27 | 100019756 | 30Amp Circuit Breaker, Push Button | 1 |
| 28 | 100000672 | Clip 09 | 2 |
| 29 | 100032967-0002 | Self-tapping Screw ST4.2 x 16 | 1 |
| 30 | 100142007-0002 | Protective Cover, Inverter Module | 1 |
# | Part Number | Description | Qty. |
| 31 | 100717093 | Wiring | 1 |
| 32 | 100011268-0003 | Flange Bolt M6 x 25, GB5789 | 4 |
| 33 | 100724529 | Inverter Module, 120V 60Hz | 1 |
| 34 | 100714030-0001 | Frame 530 x 453 x 480 | 1 |
| 35 | 100714546 | Fuel Tank Nipple | 1 |
| 36 | 100005138 | Clamp 09.5 x 8 | 3 |
| 37 | 100715709-0002 | Fuel Tank, 15.2 L, Black | 1 |
| 38 | 100715500 | Bushing, 09 x 06.6 x 10 | 4 |
| 39 | 100711813 | Vibration Mounting, Fuel Tank | 4 |
| 40 | 100099571 | Reversal Valve | 1 |
| 41 | 100153185 | Fuel Gauge | 1 |
| 42 | 100005148 | Clamp 08 | 3 |
| 43 | 100715703 | Connection Tube 2 | 1 |
| 44 | 100010437-0001 | Washer 06.5 x 1.5 x 018.2 | 4 |
| 45 | 100142004 | Fuel Tank Cap | 1 |
| 46 | 100726692 | Pipe, Fuel, 04 x 010 x 290 | 1 |
| 47 | 100157588 | Carbon Canister, 320 cc | 1 |
| 48 | 100011260-0005 | Flange Bolt M6 x 10, GB5789 | 1 |
| 49 | 100715702 | Connection Tube 1 | 1 |
| 50 | 100079483-0001 | Flange Nut M8 | 10 |
| 51 | 1ZC7DFNO5 | Engine, 224 cc | 1 |
| 52 | 100158476 | Holder, Air Cleaner | 1 |
| 53 | 100162855 | Engine Front Board | 1 |
| 54 | 100004221-0001 | Bushing, 06.5 x 010 x 24 | 2 |
| 55 | 100011224-0002 | Flange Bolt M6 x 35 | 2 |
| 56 | 100162980 | Insulator | 1 |
| 57 | 100093523 | Vibration Mount, Support 2 | 2 |
| 58 | 100011327-0001 | Flange Bolt M8 x 43 | 1 |
| 59 | 100162854 | Engine Rear Board | 1 |
| 60 | 100093524 | Vibration Mount, Support 1 | 2 |
# | Part Number | Description | Qty. |
| 61 | 100011320-0002 | Flange Bolt M8 x 35 | 3 |
| 62 | 100098838 | Fuel Level Filter Assembly | 1 |
| 63 | 100000655 | Wire Clip B | 2 |
| 64 | 100058175 | Gasket, Muffler,Graphite | 1 |
| 65 | 100151975 | Exhaust Muffler Assembly | 1 |
| 66 | 100142015-0001 | Muffler Cover | 1 |
| 67 | 100097575-0002 | Flange Bolt M6 x 10, QC340 | 3 |
| 68 | 100011422-0004 | Flange Nut M8, GB6170 | 2 |
| 69 | 100011452-0002 | Flange Nut M6, GB6177.1 | 4 |
| 70 | 100093522 | Damping Pad | 4 |
| 71 | 100011267-0002 | Flange Bolt M6 x 22 | 4 |
| 72 | 100011450-0003 | Flange Nut M4 | 6 |
| 73 | 100011419-0003 | Flange Nut M5 | 1 |
| 74 | 100009075 | Sheath, Connection Tube | 1 |
| 75 | 100158478 | Protector Cover, Quick Connector | 1 |
| 76 | 100715707 | Self-locking Quick Connector, Female | 1 |
| 77 | 100157218 | Mounting Seat, Self-locking Quick Connector | 1 |
| 78 | 100725108 | Fuel Switch Lever | 1 |
| 79 | 100157217 | Sliding Block, Mounting Seat | 1 |
| 80 | 100157215 | Mounting Plate | 1 |
| 81 | 100160807 | Nut M10 | 1 |
| 82 | 100159468-0001 | Clamp, Fuel Hose | 2 |
| 83 | 100714026 | Gas Hose | 1 |
| 84 | 100157221 | Spring, Mounting Seat | 1 |
| 85 | 100719040-0001 | Screw M2 x 18 | 2 |
| 86 | 100096063-0001 | Flange Nut M2.5 | 2 |
| 87 | 100715708 | LPG Hose with Regulator | 1 |
| 88 | 100715460 | Fuel Solenoid Valve Controller | 1 |
| 89 | 100715007 | Mounting Cover, Gas Pressure Valve | 1 |
| 90 | 100011260-0003 | Flange Bolt M6 x 10 | 2 |
| 91 | 100717376-0001 | Appearance Panel, Left | 1 |
| 92 | 100726675 | Fuel Hose Jacket | 1 |
# | Part Number | Description | Qty. |
| 93 | 100031845-0002 | Screw ST4 x 12 | 3 |
| 94 | 100725113 | Fuel Switch Stopper | 1 |
| 95 | 100725107 | Fuel Switch | 1 |
| 96 | 100725111 | Fuel Switch Spring | 1 |
| 97 | 100725112 | Slide Block, Fuel Switch | 1 |
| 98 | 100725109 | Mounting Seat, Fuel Switch | 1 |
| 99 | 100712234 | Fuel Switch Cover | 1 |
| 100 | 100727080 | Wire Clip | 1 |
| 101 | 100151976 | Muffler | 1 |
| 102 | 100154368 | Spark Arrester Assembly | 1 |
| 103 | 100718327 | Mounting Bolt, Spark Arrester | 2 |
| 104 | 100055592-0005 | Flange Bolt M6 x 10, GB16674 | 1 |
| 105 | 100011065-0002 | Flange Nut M4, GB889.1 | 4 |
ENGINE PARTS DIAGRAM

ENGINE PARTS LIST
# | Part Number | Description | Qty. |
| 1 | 100011264-0003 | Flange Bolt M6 x 16, GB5789 | 7 |
| 2 | 100002335 | Cylinder Head Cover(Cpe) | 1 |
| 3 | 100719261 | Breather Tube | 1 |
| 4 | 100066138 | Gasket, Cylinder Head Cover | 1 |
| 5 | 100002464-0001 | Flange Bolt M8 x 60 | 4 |
| 6 | 100723697 | Cylinder Head Assembly | 1 |
| 7 | 100149239 | Rocker Arm Assembly | 2 |
| 8 | 100050881 | Guide Plate, Push Rod | 1 |
| 9 | 100050896 | Valve Collet | 4 |
| 10 | 100073758 | Valve Spring Seat, Exhaust | 2 |
| 11 | 100713979 | Spring Valve | 2 |
| 12 | 100004599 | Oil Seal, Valve | 1 |
| 13 | 100010387 | Stud Bolt M8 x 34 | 2 |
| 14 | 100713981 | Valve Exhaust | 1 |
| 15 | 100009378 | Spark Plug F6RTC | 1 |
| 16 | 100713980 | Valve Intake | 1 |
| 17 | 100716398 | Cylinder Head | 1 |
| 18 | 100061091 | Stud Bolt M6 x 98 | 2 |
| 19 | 100078607 | Gasket, Insulator | 1 |
| 20 | 100122101 | Insulator, Carburetor | 1 |
| 21 | 100078606 | Gasket 1, Carburetor | 1 |
| 22 | 100714246-0001 | Carburetor | 1 |
| 23 | 100005717 | Fuel Bowl 0-Ring | 1 |
| 24 | 100156331 | Jet, Carburetor, #69.5 | 1 |
| 100056226 | Jet, Carburetor, #67 | / | |
| 25 | 100130186 | 0-Ring, Solenoid Valve Base | 1 |
| 26 | 100130185 | 0-Ring, Solenoid Valve | 1 |
| 27 | 100005138 | Clamp | 1 |
| 28 | 100083114 | Fuel Pipe, 04 x 010 x 340 | 1 |
| 29 | 100050035 | Protection Cover | 1 |
# | Part Number | Description | Qty. |
| 30 | 100051029-0004 | Screw M4 x 6 | 4 |
| 31 | 100093486 | Stepping Motor | 1 |
| 32 | 100010947-0001 | Screw M4 x 12 | 2 |
| 33 | 100030062 | Stepping Motor Seat | 1 |
| 34 | 100033258 | Clamp, Stepping Motor Guide | 1 |
| 35 | 100052405 | Spring | 1 |
| 36 | 100005629 | Gasket 2, Carburetor | 1 |
| 37 | 100010887-0004 | Spring Washer 08 | 2 |
| 38 | 100720605 | Air Filter Assembly | 1 |
| 39 | 100724315 | Air Filter Base | 1 |
| 40 | 100005078 | Air Filter Baffle | 1 |
| 41 | 100004771 | Air Filter Element | 1 |
| 42 | 100717012 | Air Filter Cover | 1 |
| 43 | 100004949 | Air Filter Bolt | 1 |
| 44 | 100011463-0002 | Flange Nut M6 | 2 |
| 45 | 100007083 | Air Guide, Lower | 1 |
| 46 | 100011260-0005 | Flange Bolt M6 x 10 | 4 |
| 47 | 100155656 | Gasket, Cylinder Head | 1 |
| 48 | 100010558 | Dowel Pin 010 x 16 | 2 |
| 49 | 100003243 | Piston Ring Set | 1 |
| 50 | 100072134 | 1st Piston Ring | 1 |
| 51 | 100072135 | 2nd Piston Ring | 1 |
| 52 | 100072136 | Oil Ring | 1 |
| 53 | 100149269 | Push Rod | 2 |
| 54 | 100149234 | Lifter, Valve | 2 |
| 55 | 100003086 | Piston | 1 |
| 56 | 100003221 | Circlip | 2 |
| 57 | 100003123 | Wrist Pin | 1 |
| 58 | 100003446 | Connecting Rod | 1 |
| 59 | 100010272 | Drain Bolt, M10 x 1.25 x 15 | 2 |
# | Part Number | Description | Qty. |
| 60 | 100010459 | Washer 010 x 1.5 x 016 | 3 |
| 61 | 100002910-0001 | Drain Tube | 1 |
| 62 | 100163603 | Oil Level Sensor | 1 |
| 63 | 100010761 | Bearing, TM6205 | 2 |
| 64 | 100126476 | Crankshaft | 1 |
| 65 | 100099599 | Camshaft | 1 |
| 66 | 100010148 | Gasket, Crankcase Cover | 1 |
| 67 | 100128008 | Cover, Crankcase | 1 |
| 68 | 100011319-0001 | Flange Bolt M8 x 32 | 6 |
| 69 | 100152738-0001 | Oil Dipstick Assembly | 1 |
| 70 | 100010550 | Dowel Pin 08 x 14 | 2 |
| 71 | 100011215-0001 | Flange Bolt M6 x 12 | 2 |
| 72 | 100122168 | Control Assembly | 1 |
| 73 | 100011266-0004 | Flange Bolt M6 x 20 | 3 |
| 74 | 100000655 | Wire Clip B | 1 |
| 75 | 100163601 | Ignition Module | 1 |
| 76 | 100149610 | Crankcase | 1 |
| 77 | 100122099 | Trigger Support | 1 |
| 78 | 100055591-0007 | Flange Bolt M6 x 12, GB16674 | 2 |
| 79 | 100163602 | Trigger | 1 |
| 80 | 100017644 | Oil Seal 025 x 041.25 x 6 | 1 |
| 81 | 100130948 | Lower Guard | 1 |
| 82 | 100153854 | Stator Assembly, Fe, 0156 x35 mm | 1 |
| 83 | 100011540-0007 | Flange Bolt M6 x 50 | 3 |
| 84 | 100126953 | Rotor Assembly, Permanent Magneto, 0180 x 64 mm | 1 |
| 85 | 100087582 | Cooling Fan | 1 |
| 86 | 100087581 | Pulley, Starter | 1 |
| 87 | 100011459-0003 | Flange Nut M14 x 1.5 | 1 |
| 88 | 100153289-0003 | Recoil Starter Assembly | 1 |
| 89 | 100128650-0001 | Fan Cover, Black | 1 |
| 90 | 100156547-0001 | Recoil Starter, Black | 1 |
| # | Part Number | Description | Qty. |
| 91 | 100010894-0002 | Washer 06 | 3 |
| 92 | 100011565-0002 | Flange Bolt M6 x 10, GB16674.1 | 3 |
| 93 | 100011284-0003 | Flange Bolt M6 x 100 | 3 |
| 94 | 100011581-0001 | Flange Bolt M6 x 14 | 4 |
| 95 | 100011422-0004 | Flange Nut M8, GB6170 | 2 |
| 96 | 100142016 | Exhaust Pipe | 1 |
| 97 | 100006526 | Gasket, Muffler | 1 |
| 98 | 100055588-0006 | Flange Bolt M6 x 20, GB16674 | 1 |
| 99 | 100011263-0002 | Flange Bolt M6 x 15 | 1 |
| 100 | 100062546 | Wire Clip B 1 | 1 |
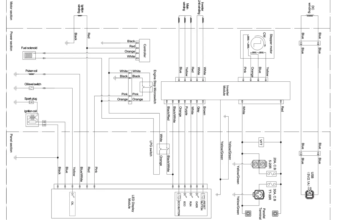
WIRING DIAGRAM




















