Champion Power Equipment, Inc., Santa Fe Springs, CA USA

PARTS INFORMATION
4650W DuAl FuEl ElECTRIC START INVERTER GENERATOR
SERIAl NuMBER RANGE: All
| To order replacement parts please visit: shop.championpowerequipment.com or call 1-877-338-0999. |
Contents hide
INVERTER GENERATOR PARTS DIAGRAM

INVERTER GENERATOR PARTS LIST
| # | Part Number | Description | Qty. |
| 1 | 90208-YB00410-0000 | Hexagon Step Bolt, M5 x 16, 6.5mm, Black Zinc | 20 |
| 2 | 18002HYBW0110-Q201 | Louver, Muffler | 1 |
| 3 | 18018-Y2P0120-0001 | Insulator Glue Cushion, Muffler | 1 |
| 4 | 90208-YB00210-0000 | Hexagon Step Bolt, M5 x 12, Black Zinc | 10 |
| 5 | 18130HYBW0110-Q201 | Muffler Guard | 1 |
| 6 | 90001-0830-03A0 | Hexagon Flange Bolt, M8 x 30, Black Zinc | 4 |
| 7 | 80153HYBW0210-H801 | Handle 2, Ø28 x 332 | 1 |
| 8 | 90722-YBW0110-0001 | Plug 1, End | 6 |
| 9 | 37205-Y2V0310-00A1 | Fuel Gauge | 1 |
| 10 | 94230HYBW0110-Q201 | Cover, Upper | 1 |
| 11 | 80153HYBW0110-H801 | Handle 1, Ø28 x 273 | 1 |
| 12 | 18012-Z800310-0000 | Bolt, M5 x 10, Spark Arrestor | 2 |
| 13 | 18213-Z800310-0000 | Cover Plate, Spark Arrestor | 1 |
| 14 | 18218-Z800210-0000 | Muffling Block | 1 |
| 15 | 18250-Z800210-0000 | Spark Arrestor | 1 |
| 16 | 90303-0800-31A0 | Hexagon Nut, M8, White Zinc | 2 |
| 17 | 18100-YBW0111-00A0 | Muffler Assembly | 1 |
| 18 | 90007-0612-A1A0 | Hexagon Flange Bolt, M6 x 12, White Zinc | 2 |
| 19 | 18030HYBW0110-H300 | Muffler Bracket | 1 |
| 20 | 18020-YBW0110-0000 | Plate, Muffler Insulator | 1 |
| 21 | 90001-0820-01A0 | Hexagon Flange Bolt, M8 x 20, White Zinc | 1 |
| 22 | 90007-0635-A1A0 | Hexagon Flange Bolt, M6 x 35, White Zinc | 1 |
| 23 | 18299HYBW0121-0000 | Bracket, Muffler Guard | 1 |
| 24 | 90001-0816-01A0 | Hexagon Flange Bolt, M8 x 16, White Zinc | 5 |
| 25 | 28110HYBW0111-Q200 | Shroud | 1 |
| 26 | ELYLBL-YXZJ-F000 | Fuel Tank Assembly – See Figure F | 1 |
| 27 | 18001-Z950110-00A0 | Exhaust Outlet Gasket | 2 |
| 28 | 90134-YB00110-0000 | Bolt, Cross Hexagon Pan Head, M5 x 12, Black Zinc | 2 |
| 29 | 19352HYBW0110-Q2A0 | Engine Fan, Inverter | 1 |
| 30 | 90124-Y9T0310-00A0 | Tapping Screw, PT4×13 | 1 |
| 31 | 90748-1016-00A0 | Clamp, Ø10 – Ø16 | 2 |
| 32 | 77100-Z3R0310-0000 | Regulator, Auxiliary | 1 |
| 33 | 90729-YJR0110-0000 | Vent Hose, Ø9.5 x Ø16.8 x 300 | 1 |
| 34 | 54912HYBW0111-Q201 | Rotating Arm, Left | 1 |
| 35 | 90001-0616-03A0 | Hexagon Flange Bolt, M6 x 16, Black Zinc | 1 |
| 36 | 35720-YJR0110-0000 | CO Sensor | 1 |
| 37 | 90001-0612-01A0 | Hexagon Flange Bolt, M6 x 12, White Zinc | 24 |
| 38 | 90748-0812-00A0 | Clamp, Ø8 – Ø12 | 2 |
| 39 | 80092HYJR0510-L400 | Cover Board, Left | 1 |
| 40 | 16601-Y2V0210-0001 | Vibration Mount, Fuel Tank | 4 |
| 41 | 80091HYBW0110-Q201 | Shell, Left | 1 |
| 42 | 17199-YB00110-00A0 | Clip Nut, M5, White Zinc | 16 |
| 43 | 90326-Y2V0110-00A0 | Square Nut, M6, White Zinc | 8 |
| 44 | 90208-YB00110-0000 | Hexagon Step Bolt, M6 x 20, Black Zinc | 8 |
| 45 | 80095HYBW0110-Q201 | Shell, Right | 1 |
| 46 | 80096HYJR0510-L400 | Cover Board, Right | 1 |
| 47 | 16021-YJR0210-0000 | Inlet Connection | 1 |
| 48 | 90722-YJR0110-0000 | Plug, Gas | 1 |
| 49 | 90255-0512-53A0 | Screw & Washer Assembly, M5×12, Black Zinc | 8 |
| 50 | 37073-Y2V0110-00A0 | Clip, Spring | 1 |
| 51 | 24329-Y9T0120-Q201 | Block 1 | 1 |
| 52 | 51197HYJR0110-L400 | Side Access Panel, Service | 1 |
| 53 | 80105-YB00110-Q201 | Knob, Side Access Panel, Service | 1 |
| 54 | 90408-Y020310-00A0 | Flat Washer, Ø25 x Ø6.2 x 2, White Zinc | 4 |
| 55 | 90001-0625-01A0 | Hexagon Flange Bolt, M6 x 25, White Zinc | 7 |
| 56 | ELYLBL-JJZJ-E000 | Frame Assembly – See Figure E | 1 |
| 57 | 54912HYBW0211-Q201 | Rotating Arm, Right | 1 |
| 58 | 51124-YJR0210-H700 | Mounting Bracket | 1 |
| 59 | 90001-0616-01A0 | Hexagon Flange Bolt, M6 x 16, White Zinc | 2 |
| 60 | 30060-YH30110-0000 | Rectifier | 1 |
| 61 | 54913-YBW0110-0P00 | Rotating Bar | 1 |
| 62 | 30043-YH30210-0000 | Inverter, 3.3/3.8kW_120V_60Hz | 1 |
| 63 | 90683-Y2P0210-00A0 | Bushing, Ø6.5 x 10.5 x 16 | 3 |
| 64 | 90406-0600-E1A0 | Flat Washer, Ø6.4 x Ø18 x 1.6, White Zinc | 3 |
| 65 | 30431-Y2P0110-0001 | Rubber Sleeve | 3 |
| 66 | 16080-YBW0110-0000 | Choke Handle Subassembly | 1 |
| 67 | 90129-0416-01A0 | Tapping Screw, ST4.2 x 16, White Zinc | 3 |
| 68 | 35643HYH30210-Q2A1 | Knob, Switch Dial, Engine | 1 |
| 69 | 35680HYBW0110-Q201 | Control Panel Housing | 1 |
| 70 | 90001-0610-01A0 | Hexagon Flange Bolt, M6 x 10, White Zinc | 2 |
| 71 | 35610-YHV0410-H700 | Control Panel Assembly – See Figure G | 1 |
| 72 | 30009-YH30110-0000 | Grounding Wire | 1 |
| 73 | 90408-0500-E1A0 | Flat Washer, Ø5, White Zinc | 1 |
| 74 | 90005-0408-00 | Hexagon Bolt, M4 x 8, White Zinc | 1 |
| 75 | 90001-0614-01A0 | Hexagon Flange Bolt, M6 x 14, White Zinc | 1 |
| 76 | 90685-D080-0EA0 | Clamp, Ø8 x 7 x 0.6 | 2 |
| 77 | 16750-Y2V0141-00A0 | Fuel Valve Assembly | 1 |
| 78 | 35160-YH30110-0000 | Switch Assembly, Engine | 1 |
| 79 | 94111-Y2V0410-00A1 | Cover Board | 1 |
| 80 | 16527-Y2V0210-0000 | Spring, Stopper Adjusting | 1 |
| 81 | 90543-0500-00A0 | Ball, Steel | 1 |
| 82 | 90341-YA50110-0000 | Nylon Nut, M5, Black,Zinc | 1 |
| 83 | 24329-YCF0110-Q201 | Block 2 | 1 |
| 84 | 31123HYBW0110-Q201 | Cover, Battery | 1 |
| 85 | 90208-Y9T0120-0000 | Hexagon Step Bolt, M5 x 16, 6mm | 1 |
| 86 | 90103-0416-51A0 | Cross Recess Pan Head Screw, M4 x 16, White Zinc | 1 |
| 87 | 31115-YBW0110-0001 | Battery Strap, 177 x 24.5 x 3.8 | 1 |
| 88 | 31110-Y030610-00A0 | Battery, 12V / 1.6Ah | 1 |
| 89 | 31130-YBW0210-QCA0 | Battery Holder | 1 |
| 90 | 30009-YDZ0110-0000 | Grounding Wire 1 | 1 |
| 91 | R210DNVI0F3-CMP319 | Engine, 212cc, EPA3, Electric – See Figure B | 1 |
| 92 | 90305-0800-31A0 | Hexagon Flange Nut, M8, White Zinc | 4 |
| 93 | 19306-Z1D0110-0000 | Crankcase Air Deflector | 1 |
| 94 | 90001-0840-01A0 | Hexagon Flange Bolt, M8 x 40, White Zinc | 4 |
| 95 | 17003HYBW0110-H701 | Air Cleaner Support | 1 |
| 96 | ELYLBL-LTZJ-H000 | Wheel Kit – See Figrue H | 1 |
| 97 | 93120-Y020310-0002 | Screwdriver | 1 |
| 98 | 93107-Y920210-0100 | Wrench, 8 – 10 | 1 |
| 99 | 93130-Z010410-0100 | Spark Plug Socket | 1 |
| 100 | 35613-YBE0110-0000 | 12VDC USB Adapter | 1 |
| 101 | 77300HYJR0111-0000 | LPG Hose With Regulator | 1 |
| 102 | 90103-0516-51 | Screw, M5 x 16, White Zinc | 2 |
| 103 | 90001-0612-03A0 | Hexagon Flange Bolt, M6 x 12, Black Zinc | 1 |
| 104 | 35613-YDR0110-Q200 | Plug Adaper, L5-30 To TT-30R | 1 |
ENGINE PARTS DIAGRAM

ENGINE PARTS PART lIST
| # | Part Number | Description | Qty. |
| 1 | 90001-0620-01A0 | Hexagon Flange Bolt, M6 x 20, White Zinc | 4 |
| 2 | 12410-Z1D0110-00A0 | Cylinder Head Cover Assembly, White Zinc | 1 |
| 3 | 12004-Z1D0110-0000 | Cylinder Head Cover Gasket | 1 |
| 4 | 11332-Z1D0110-0000 | Gasket, Breather Groove Cover | 1 |
| 5 | 11320-Z1D0110-00A0 | Breather | 1 |
| 6 | 90001-0612-01A0 | Hexagon Flange Bolt, M6 x 12, White Zinc | 12 |
| 7 | 12003-Z010110-00A0 | Cylinder Head Bolt, M8 x 60, White Zinc | 4 |
| 8 | R210DNVi-QGT-C001 | Cylinder Head Assembly – See Figure C | 1 |
| 9 | 30010-Z010110-00A0 | Spark Plug, F6RTC | 1 |
| 10 | 13200-Z140210-00A9 | Piston Ring Assembly | 1 |
| 11 | 13122-Z010110-0000 | Circlip, Piston Pin | 2 |
| 12 | 13111-Z950110-00A9 | Piston | 1 |
| 13 | 13010-Z950110-00A0 | Connecting Rod | 1 |
| 14 | 90804-Y5Z0210-0001 | Stop Block | 1 |
| 15 | 17004-Z1D0110-0000 | Breather Tube | 1 |
| 16 | 90502-1114-00A0 | Pin, Ø11 x 14 | 2 |
| 17 | 14071-Z950110-0000 | Valve Lifter | 2 |
| 18 | 14081-Z040110-00A0 | Valve Tappet | 2 |
| 19 | 13121-Z010110-0000 | Piston Pin, Ø18 x Ø54 | 1 |
| 20 | 90547-6305-00A1 | Bearing, 6305 | 1 |
| 21 | 13300-Z1D0110-00A0 | Crankshaft Assembly | 1 |
| 22 | 90547-0205-00A0 | Bearing, 6205 | 1 |
| 23 | 11001-Z010120-0000 | Crankcase Gasket | 1 |
| 24 | 90502-0812-00A0 | Pin, Ø8 x 12 | 4 |
| 25 | 15010-Z010210-Q200 | Oil Dipstick Subassembly | 1 |
| 26 | 11411-Z1D0110-00A0 | Crankcase Cover | 1 |
| 27 | 90001-0832-01A0 | Hexagon Flange Bolt, M8 x 32, White Zinc | 6 |
| 28 | 30300-Z1D0210-0000 | Starting Motor Assembly | 1 |
| 29 | 31112HYH30111-0000 | DC Wire Harness, Battery | 1 |
| 30 | 31114HYH30110-0000 | DC Wire Harness, Engine | 1 |
| 31 | 90305-0500-31A0 | Hexagon Flange Nut, M6, White Zinc | 2 |
| 32 | 54066-YE50110-0900 | Wiring Clamp, White Zinc | 1 |
| 33 | 30002-Z1D0110-0000 | Wiring Clamp, Magneto | 1 |
| 34 | 90001-0520-01A0 | Hexagon Flange Bolt, M5 x 20, White Zinc | 2 |
| 35 | 90001-0628-01A0 | Hexagon Flange Bolt, M6 x 28, White Zinc | 4 |
| 36 | 11310-Z1D0110-00A9 | Crankcase Assembly | 1 |
| 37 | 90408-Z010510-00A0 | Flat Washer, Ø10 x Ø15.8 x 1.5 | 1 |
| 38 | 90689-Z430211-0000 | Joint, Oil Hose, White Zinc | 1 |
| 39 | 11011HZ1D0210-L400 | Oil Drain Hose Assembly | 1 |
| 40 | 30130-Z1D0310-0000 | Trigger | 1 |
| 41 | 90001-0516-01A0 | Hexagon Flange Bolt, M5 x 16, White Zinc | 2 |
| 42 | 30120-YH30210-0000 | Stator Component, Ø152 x 38 | 1 |
| 43 | 90408-0600-E1A0 | Washer, Ø6, White Zinc | 3 |
| 44 | 90102-0660-06A0 | Hexagon Socket Cap Screw, M6 x 60 | 3 |
| 45 | 30110-YH30110-0000 | Rotor Component, Ø152 x 38 | 1 |
| 46 | 19352-Z1D0110-00A0 | Cooling Fan, Engine | 1 |
| 47 | 13501-Z010110-00A0 | Flywheel Nut, M14 x 1.5, White Zinc | 1 |
| 48 | 90682-Z010110-0000 | Oil Seal, Ø25 x Ø41.25 x 6 | 2 |
| 49 | 19309-Z1D0110-0000 | Right Shield, Crankcase | 1 |
| 50 | 90001-0616-01A0 | Hexagon Flange Bolt, M6 x 16, White Zinc | 5 |
| 51 | 28020-Z150120-0000 | Starter Pulley Base | 1 |
| 52 | 28002-Z1D0110-0000 | Starter Pulley | 1 |
| 53 | 28110-Z1D0110-H600 | Shroud, Engine | 1 |
| 54 | 28200-Z1D0410-H600 | Recoil Starter Assembly | 1 |
| 55 | 90251-0608-03 | Bolts & Washer Assembly, M6 x 8 | 3 |
| 56 | 28004-YHX0110-Q200 | Guide Plate, Starter Rope | 1 |
| 57 | 28210-YEB0110-L400 | Handle, Starter Rope | 1 |
| 58 | 90684-Z030120-0000 | Clip, 100 mm | 2 |
| 59 | R210DNVi-HYQ-D001 | Carburetor Assembly-See Figure D | 1 |
| 60 | 90748-0812-00A0 | Clamp, Ø8×12 | 2 |
| 61 | 90729-YEY0310-0000 | Vent Tube, Ø6.3 x Ø13 x 260 | 1 |
| 62 | 90729-YEY0410-0000 | Vent Tube, Ø6.3 x Ø13 x 210 | 1 |
| 63 | 17400-Z1D0112-00A0 | Air Cleaner, Auxiliary | 1 |
| 64 | 90305-0600-31A0 | Hexagon Flange Nut, M6, White Zinc | 2 |
| 65 | 12081-Z1D0110-0000 | Clamp, Inlet Pipe | 2 |
| 66 | 12510-Z1D0110-0001 | Inlet Pipe | 1 |
| 67 | 90001-0625-01A0 | Hexagon Flange Bolt, M6 x 25, White Zinc | 2 |
| 68 | 17151-Z1D0110-0000 | Element, Air Cleaner | 1 |
| 69 | 17100-Z1D0112-0001 | Air Cleaner Assembly | 1 |
| 70 | 37060-Z1D0112-0000 | Engine Oil Sensor, W/O Nut | 1 |
| 71 | 90305-Z010210-01A0 | Hexagon Flange Nut, M10, White Zinc | 1 |
| 72 | 16675-Z1D0112-0000 | Upper Shroud, Engine | 1 |
| 73 | 30400-Z1D0311-0001 | Ignition Coil | 1 |
| 74 | 14200-Z1D0110-00A9 | Camshaft Assembly | 1 |
| 75 | 90001-0514-0101 | Hexagon Flange Bolt, M5 x 14, White Zinc | 2 |
| 76 | 30500-Z980110-0000 | Relay, Starter | 1 |
CYLINDER HEAD PART DIAGRAM

CYLINDER HEAD PART lIST
| # | Part Number | Description | Qty. |
| 1 | 14310-Z950110-0000 | Rocker Arm | 2 |
| 2 | 90001-0612-01A0 | Hexagon Flange Bolt, M6 x 12, White Zinc | 1 |
| 3 | 12109-Z810110-00A0 | Valve Lock Clamp | 4 |
| 4 | 12103-Z010110-00A0 | Valve Spring | 2 |
| 5 | 90203-Z010110-0000 | Stud, M8 x 34, Black Zinc | 2 |
| 6 | 12140-Z950310-00A0 | Cylinder Head Subassembly | 1 |
| 7 | 12121-Z950110-00A0 | Exhaust Valve | 1 |
| 8 | 14318-Z950110-0000 | Rocker Shaft | 2 |
| 9 | 12419-Z950310-00A0 | Pin Plate, Cylinder Head Cover | 1 |
| 10 | 12112-Z810210-00A0 | Retainer, Valve Spring | 2 |
| 11 | 12101-Z810210-00A0 | Seal, Inlet Valve | 1 |
| 12 | 90207-Z330210-0000 | Stud, M6 x 105, Black Zinc | 2 |
| 13 | 12111-Z950110-00A0 | Inlet Valve | 1 |
| 14 | 12131-Z950210-0000 | Cylinder Head Gasket | 1 |
CARBURETOR PART DIAGRAM

CARBURETOR PART lIST
| # | Part Number | Description | Qty. |
| 1 | 16002-Z950110-0000 | Carburetor Insulator Gasket | 1 |
| 2 | 16003-Z1D0110-0000 | Carburetor Insulator Plate | 1 |
| 3 | 16001-Z010110-0000 | Carburetor Gasket | 1 |
| 4 | 16100-Z3R0310-00A1 | Carburetor Assembly | 1 |
| 5 | 16652-Z800110-00A0 | Fuel Filter | 1 |
| 6 | 90685-D090-0EA0 | Clamp, Ø9 x Ø0.8 x 8, Army Green Zinc | 1 |
| 7 | 90686-YBW0310-00M0 | Fuel Tube, Ø4.5 x Ø8.5 x 260 | 1 |
| 8 | 17001-Z1D0110-0000 | Air Cleaner Gasket | 1 |
| 9 | 30431-YBW0210-0000 | Rubber Sleeve, Ø10 x Ø11 x 180 | 1 |
| 10 | 16112-Z010110-0000 | Seal Ring, Float | 1 |
|
11 | 16161-Z152410-00A0 | Main Jet(83#) | 1 |
| 16161-Z152210-00A0 | Main Jet(81#), Altitude 3000-6000 Feet | / | |
| 16161-Z152010-00A0 | Main Jet(79#), Altitude 6000-8000 Feet | / | |
| 12 | 90681-Z010610-0000 | Seal Ring, Ø9.5 x 1.5 | 1 |
FRAME ASSEMBlY PART DIAGRAM

FRAME ASSEMBlY PART LIST
| # | Part Number | Description | Qty. |
| 1 | 90341-Y2D0210-00A0 | Nylon Nut, M6, White Zinc | 2 |
| 2 | 90408-Y840210-00A0 | Flat Washer, Ø18 x 6.5 x 1.5, White Zinc | 2 |
| 3 | 54122-YBW0110-H700 | Left Seat 2, Handle Tube Connecting | 1 |
| 4 | 90412-YBW0110-Q200 | Flat Washer, Ø12.2 x 27 x 2 | 2 |
| 5 | 90412-YBW0210-01A0 | Flat Washer, Ø13 x 25 x 1, White Zinc | 6 |
| 6 | 94101-YBW0110-01A0 | Position Block, Ø12.2 x 25 x 1, White Zinc | 2 |
| 7 | 90419-YBW0110-0300 | Washer, Butterfly, Ø12.2 x 25 x 1x 2, Black Zinc | 4 |
| 8 | 54113-YBW0120-00A0 | Left Seat 1, Handle Tube Connecting | 1 |
| 9 | 26231-YBW0110-00A0 | Shaft, Fixed Axis, Black Zinc | 2 |
| 10 | 90001-0610-03A0 | Hexagon Flange Bolt, M6 x 10, Black Zinc | 4 |
| 11 | 90001-0616-01A0 | Hexagon Flange Bolt, M6 x 16, White Zinc | 4 |
| 12 | 54113-YBW0220-00A0 | Right Seat 1, Handle Tube Connecting | 1 |
| 13 | 54122-YBW0210-H700 | Right Seat 2, Handle Tube Connecting | 1 |
| 14 | 51100-YJR0310-H7A0 | Frame Assembly | 1 |
FUEL TANK PART DIAGRAM

FUEL TANK PART lIST
| # | Part Number | Description | Qty. |
| 1 | 16730-YH30110-Q2A0 | Fuel Tank Cap | 1 |
| 2 | 16641-YBW0110-0001 | Rubber Sleeve, Filling Fuel Hole | 1 |
| 3 | 37200-Y5V0110-00A1 | Fuel Gauge | 1 |
| 4 | 16652-Y9T0110-00A1 | Fuel Filter | 1 |
| 5 | 16601-Y020120-0001 | Vibration Mount 1, Fuel Tank | 4 |
| 6 | 90683-Y020110-0000 | Bushing, White Zinc | 4 |
| 7 | 16620-YBW0110-H7A1 | Fuel Tank, 8.5L | 1 |
| 8 | 16680-Y2P0110-00A1 | Fuel Tank Fuel Outlet Subassembly | 1 |
| 9 | 90685-D095-0EA0 | Clamp, Ø9.5 x 0.8 x 8, Army Green Zinc | 1 |
| 10 | 90686-YBW0210-00M1 | Fuel Tube, Carburetor, Ø4.5 x Ø8.5 x 130 | 1 |
| 11 | 30431-Y020110-0001 | Rubber Sleeve, Fuel Tube | 1 |
| 12 | 16804-YG80110-0001 | Vent Tube, Fuel Tank, Ø4.5 x Ø8.5 x 357.5 | 1 |
| 13 | 30431-YBW0210-0000 | Rubber Sleeve, Fuel Tube, Ø10 x Ø11 x 180 | 1 |
| 14 | 90685-D105-0EA0 | Clamp, Ø10.5 x 0.8 x 8 | 1 |
OUTLET PANEL DIAGRAM

OUTLET PANEL PART LIST
| # | Part Number | Description | Qty. |
| 1 | 35650-YJR0610-H700 | Control Panel | 1 |
| 2 | 35654-YGK0110-0000 | Cover, Push Button | 3 |
| 3 | 31234-YBE0210-0000 | 20Amp Circuit Breaker, Push Button, 125/250V | 1 |
| 4 | 31234-YGK0110-0000 | 30Amp Circuit Breaker, Push Button, 125/250V | 1 |
| 5 | 35654-YGK0210-0000 | L5-30R Receptacle Cover | 1 |
| 6 | 35614-Y1J0210-0000 | L5-30R Receptacle, 30A, 125V | 1 |
| 7 | 35614-YH30210-0000 | Parallel Outlet Socket, Black | 1 |
| 8 | 35614-YH30110-0000 | Parallel Outlet Socket, Red | 1 |
| 9 | 35632-YJR0110-0000 | Multifunction Display, INT5CINV | 1 |
| 10 | 31234-YBE0110-0000 | 8Amp Circuit Breaker, Push Button, 125/250V | 1 |
| 11 | 35619-Y110110-0000 | Automotive Receptacle, 12V DC | 1 |
| 12 | 35654-YBE0110-0000 | Receptacle Cover, 5-20R | 1 |
| 13 | 35614-Y730110-0000 | 5-20R Receptacle, 20A, 125V | 1 |
| 14 | 35629-Y090110-0000 | Grounding Terminal | 1 |
| 15 | 90305-0400-71A0 | Hexagon Flange Nut, M4, White Zinc | 4 |
| 16 | 35660HYHV0410-0000 | Wire Harness, Control Panel | 1 |
| 17 | 90721-YH30110-0000 | Fuse, 15A | 1 |
WHEEL KIT PART DIAGRAM

WHEEL KIT PART LIST
| # | Part Number | Description | Qty. |
| 1 | 51188HYBW0110-QCA0 | Left Support, Engine | 1 |
| 2 | 51189HYBW0110-QCA0 | Right Support, Engine | 1 |
| 3 | 50035-YBW0110-0001 | Bracket, Cushion Rubber | 1 |
| 4 | 51011HY2P0210-0000 | Vibration Mount, Right, Frame | 2 |
| 5 | 90305-0800-31A0 | Hexagon Flange Nut, M8, White Zinc | 6 |
| 6 | 51009HY2P0110-0000 | Vibration Mount, Left, Frame | 2 |
| 7 | 90326-Y2V0110-00A0 | Square Nut, M6, White Zinc | 6 |
| 8 | 44110HYH30110-L401 | 5in. Wheel, Yellow | 2 |
| 9 | 42002-YH30110-0300 | Roll Pin, M8×15, Black Zinc | 2 |
| 10 | 17199-YB00110-00A0 | Clip Nut, M5, White Zinc | 4 |
| 11 | 51143HYBW0110-Q201 | Plate, Bottom | 1 |
| 12 | 51014HYBW0110-0001 | Support Leg, Frame | 4 |
| 13 | 90001-0616-01A0 | Hexagon Flange Bolt, M6 x 16, White Zinc | 4 |
| 14 | 51103-YBW0110-H701 | Reinforcing Plate, Black Zinc | 1 |
| 15 | 90001-0612-01A0 | Hexagon Flange Bolt, M6 x 12, White Zinc | 2 |
| 16 | 90722-Y2P0110-0001 | Plug, End | 1 |
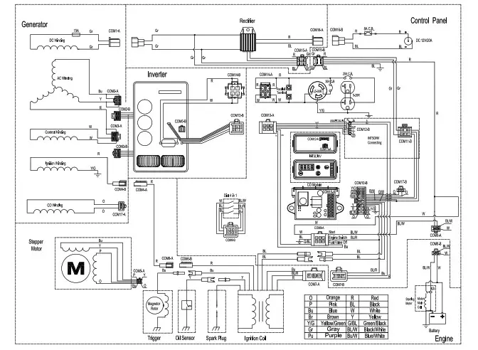
WIRING DIAGRAM



















