
Model#GD400BN
4000 Watt Dual Fuel Inverter Generator
OPERATOR’S MANUAL

GD400BN 4000 Watt Dual Fuel Inverter Generator
![]()
Warning: The Engine Exhaust from this product contains chemicals known to the State of California to cause cancer, birth defects or other reproductive harm.
STOP DO NOT RETURN TO STORE!
HAVE QUESTIONS OR NEED SERVICE?
866-591-8921
[email protected]
Introduction
Thank you for choosing Pulsar Products!
This manual provides instruction on how to operate and use your generator safely and correctly; be sure to read and understand this manual before using your generator. If you have ANY questions, please phone 866.591.8921 M-F or email [email protected] BEFORE using your generator.
All details and images in this Operator’s Manual are believed to be accurate at the time of publication.
Pulsar Products reserves the right to make updates to this manual at any time.
Please contact Pulsar Support at 866.591.8921 M-F or email [email protected] for the latest updates.
This manual is a permanent part of the generator set. If the generator is resold, kindly include this manual with the generator.
Safety Warnings and Notices
Throughout this manual and on generator decals you may see one or more of the notices below. Safety Warnings alert you to potential hazards that could cause death, injury, or damage to property. The decals show one of four words “DANGER”, “WARNING”, “CAUTION”, and “NOTICE”. Definitions are as follows:
![]()
DANGER indicates an imminently hazardous situation which, if not avoided, will result in death or serious injury.
![]()
WARNING indicates a potentially hazardous situation which, if not avoided, could result in death or serious injury.
![]()
CAUTION indicates a potentially hazardous situation which, if not avoided, may result in minor or moderate injury. It may also be used to alert against unsafe practices.
![]()
Failure to follow the instruction may result in the damage to your generator and other property.
Safety Instructions
Before operating your generator, you must read and understand the Operator’s Manual and familiarize yourself with the safe operation practices.
![]() | ![]() |
| NEVER use a generator indoors! Exhaust and Carbon Monoxide can KILL YOU in minutes | Avoid running the generator in the rain or very high, condensing humidity. |
![]() | ![]() |
| This is a portable generator, DO NOT attempt to connect it to any mains panel | Never smoke or allow any heat source near the generator while refueling it. |
![]() | ![]() |
| Make sure not to spill any gasoline and wipe up any accidental spills at once. | Always shut down the generator and allow it to cool before refueling! |
Names of Components
Before operating your generator, you must read and understand the Operator’s Manual and familiarize yourself with the safe operation practices.
![]() | ![]() |
Control Panel

Control Functions
Multi-Switch
OFF – Ignition circuit is off, the fuel valve is closed, the engine will not run.
RUN Ignition circuit is on, the fuel valve is open, the choke is open, and the engine runs normally.
START (CHOKE) (only used for cold starting) Ignition circuit is on, fuel valve is open, choke is closed.

If the engine is hot, do not
Oil Indicator (Red)

When the engine oil level drops too low the engine will automatically shut down and the oil alarm indicator illuminates. The engine can be restarted only after the engine oil is filled correctly.
Tip: If the engine will not start turn the Multi-Switch knob to “RUN” position and pull recoil handle. If the oil indicator flashes a few seconds, the oil volume is insufficient, fill oil to the dipstick high mark and restart it.
Overload Indicator (Red)

When the overload indicator illuminates, the generator has detected excess electrical load and the circuit breaker may open (trip).
If the overload indicator illuminates and the generator has no electrical output, perform the following:
- Disconnect all electrical loads then and shut down the generator.
- Reduce total draw of electrical loads connected, to less than rated output.
- Confirm there is no debris blocking the air inlet, correct as necessary.
- Make sure all circuit breakers are pushed in
- Next, restart the engine and add electrical load in gradual steps
Tip: When using electrical equipment with high starting current (such as compressors, saws, pumps, etc.), the overload indicator may illuminate for a few seconds, this is normal.
AC Indicator (Green)
The AC indicator illuminates when electrical output is stable.
Energy Saving (Idle) Switch
“ON” When energy saving switch is switched to “ON” position engine speed is reduced when the generator is under light load. This feature will reduce fuel consumption and noise.- “OFF” When the energy saving switch is set to the “OFF” position, the engine will run at rated speed, regardless of connected load.
Fuel Tank Cap
Remove fuel tank cap by unscrewing it counterclockwise.

AC Circuit Breaker
If the total AC load exceeds the rated current, the AC circuit breaker will open (trip) and the button will pop out. In this case disconnect all loads, restart the generator and push in the AC circuit breaker(s).
Grounding Terminal
If grounding is required by code or application, follow the guidelines on page 10.

Preparing Your Generator
Engine Oil
Your generator ships without engine oil. Do not attempt to start the generator without sufficient engine oil in the crankcase.
- Place your generator on a flat, stable surface.
- Unscrew the knob
1to remove oil access cover2 - Unscrew oil dipstick
3.
- Use a funnel to add 12 fluid ounces (0.35L) of 10w-30 engine oil to the crankcase, verify oil level with the dipstick.
- Reassemble oil access cover and tighten the knob.
Pre-use inspection![]()
Even when not in use the generator is potentially hazardous. Follow the checklist below before starting the generator. If any problems are found, do not use the generator until it has been repaired by an authorized Pulsar Products Service Center.
Fuel
Check fuel level; add if necessary.
Oil
Check oil level; add if necessary. Check for any oil leaks.
Gasoline![]()
Gasoline is highly flammable and toxic. You must read and understand ALL safety instructions before fueling your generator.
Do not overfill the fuel tank! Heat and vibration can cause fuel to leak from an over-filled fuel tank.
After refueling, confirm that the fuel tank cap has been tightened.
Preparing Your Generator
![]()
Remove fuel tank cap and add gasoline to the red horizontal line.

After fueling, wipe up any gasoline residue with a soft cloth to prevent damage to the plastic enclosures.
Fuel tank capacity: 1 US gallon
Propane (LPG)![]()
Propane is highly flammable and potentially explosive. You must read and understand ALL safety instructions before connecting propane to your generator.
Never bring a propane tank inside the home or any enclosed structure.
After connection check for leaks: Open the tank supply valve, apply soapy water to the gas fittings and ensure there are no bubbles.
Propane has an added odorant which makes unburned propane smell like sulfur or rotten eggs. If you ever smell this, close the propane tank valve at once; then find and correct the problem before attempting to restart the generator.
Starting The Generator
How to Start A Cold Engine with Gasoline
- Place generator on a level surface
- Disconnect all electrical loads, including parallel cables from the generator
- Upper Left “Low Idle” rocker switch to `OFF’
- Upper Right “Fuel Source” rocker switch to “GASOLINE”

- Turn the Multi-Switch to `START’ (choke) to start a cold engine

Tip: Turn the Multi-Switch to `RUN’ to restart a warm engine
![]()
To prevent possible injury, follow these steps below for safe recoil engine starting

STEP 1. Gently pull the recoil handle out until resistance (engine compression) is felt

STEP 2. Let the recoil handle retract completely.

STEP 3. Grasp the top handle securely and pull the recoil handle swiftly and completely; the engine should start.
With the engine started, make sure the Multi-Switch is in the `RUN’ position, then set the “Low Idle” rocker switch to your load-based preference
How to Start Cold Engine with Propane
- Place generator on a level surface
- Disconnect all electrical loads, including parallel cablesfrom the generator
- Upper Left “Low Idle” rocker switch to `OFF’
- Upper Right “Fuel Source” rocker switch to propane

- Connect the propane regulator to the propane tank

- Connect the propane hose to the front panel propane inlet; tighten until snug

- Open the propane tank valve, be aware of any smell of gas and apply soapy water to the fittings to check for leaks. Only proceed if there are no leaks
- Turn the Multi-Switch to `START’ (choke) to start a cold engine
Tip: Turn the Multi-Switch to `RUN’ to restart a warm engine - Follow the three steps below for a safe recoil engine start

To prevent possible injury, follow these steps below for safe recoil engine starting
STEP 1. Gently pull the recoil handle out until resistance (engine compression) is felt

STEP 2. Let the recoil handle retract completely.

STEP 3. Grasp the top handle securely and pull the recoil handle swiftly and completely; the engine should start.
With the engine started, make sure the Multi-Switch is in the `RUN’ position, then set the “Low Idle” rocker switch to your load-based preference.
Hot Restart on Propane – Special Note
When both gasoline and propane are present in the generator it is recommended to start the generator on gasoline first, allow the engine to stabilize then switch to propane.

Ensure the LPG supply hose is securely attached and Close the LPG valve completely

Fuel source rocker switch to ‘GASOLINE’

Pull cord to start the engine, wait for the green light
OPEN the LPG valve completely

Shutting Down the Generator
- Turn the Multi-Switch to “OFF” position

- After the generator has completely cooled down, remove propane hose if applicable and store the generator in a cool, dry, sheltered storage area.
- Remove or consume all untreated gasoline if you plan to store the generator longer than 3 months.
Using the Generator
Operating Range of the Generator
- Ambient air temperature: 23F~104F (-5 ~ 40°C)
- Relative humidity <95%
- Recommended elevation <5,000 feet (1,500m) reduced power at >3,300 feet (1,000 m)
Ideal Atmospheric Conditions
- Ambient air temperature: 77F (25°C)
- Relative humidity: 30%
- Atmospheric pressure: 1,000 millibars
Standard Deration:
- Every 9°F (5°C) increase in ambient air temperature will reduce generator output by about 2%
- Every 30% of increase in relative humidity of air will reduce generator output by about 1.5%
- Every 1,000 feet, (300m) elevation increase will reduce generator output by about 3.5%
Connecting Loads to the Generator
- Start the engine
- Move Energy Saving switch to “OFF”
- Insert the plug(s) into AC outlet(s)
- Make sure that AC indicator is illuminated
- Switch on electrical equipment
Tip: If total load is less than half rated capacity, move the Energy Saving Switch to `ON’. If the generator supplies power to multiple devices plug-in those devices in from large to small according to rated electrical load.

Generator Grounding
If grounding is required by code or application, follow the guidelines below. If you have ANY doubt, contact a licensed electrician.
- Use grounding wire of minimum 12 gauge
- Connect one end of grounding wire to the grounding bolt on the control panel.
- Connect the other end of the grounding wire to a suitable ground point.

Range of Application
Before using the generator, please make sure that total load is within rated load range of the generator, otherwise the generator may be damaged.
Service and Maintenance
Good maintenance is essential for safe, economical operation and long service life. The maintenance schedule is below:
| Maintenance Cycle Item | Each Week | Break-In Maintenance at 1 Month or 20 Hours Use | Quarterly Maintenance is every 90 Days or 50 Hours Use | Annual Maintenance or 100 Hours Use | |
| Engine oil | Check – Fill | √ | |||
| Replace | √ | √ | √ | ||
| Air Cleaner Element | Inspection | √ | |||
| Clean | √ | ||||
| Replace | √ | √ | |||
| Carburetor Float Bowl | Clean | √ | |||
| Spark Plug | Clean – Adjust | √ | |||
| Spark Arrester | Clean | √ | |||
| Valve Clearance “ | Check – Adjust | √ | |||
| Fuel Tank and Fuel Filter “ | Clean | √ | |||
| Fuel Hose | Inspection | Every Two Years | |||
| Cylinder Head, Piston | Remove Carbon Deposit ** | Every 125 hours | |||
| *” These tasks should be completed by an authorized Pulsar service center. | |||||
![]()
If the generator is used in high temperature or under high load, change the oil every 25 hours.
If the generator is used in a dusty or abrasive environment, service the air filter element every 10 hours; replace it every 25 hours.
If you miss a maintenance cycle, perform the maintenance as soon as possible per the table above.
![]()
Shut down the engine and allow it to cool before performing any service. Place the generator on a flat, stable surface. Remove the spark plug boot to prevent accidental engine start.
NEVER USE ANY GENERATOR INDOORS or in any poorly ventilated area. Engine exhaust contains carbon monoxide which can KILL you and others in the area.
Spark Plug
- Remove access cover and spark plug boot.
- Use the (included) thin-wall T-socket wrench to remove the spark plug by turning it counter-clockwise.

- Inspect spark plug for discoloration and remove carbon deposits; replace if necessary.
- Adjust the gap 0.7~0.8mm.
Spark Plug # A5RTC
Gap: 0.7-0.8mm
- Install new or serviced spark plug in reverse order.
Spark Plug torque: 12.5 Nm; 110 in lbs.
Tip: If no torque wrench is available turn the spark plug ¼ – ½ turn after the gasket contacts the cylinder head.
Adjustment of the Carburetor
This carburetor is not adjustable, only maintenance and cleaning are possible. We strongly recommend leaving this work to an authorized Pulsar Service Center.
Oil Change![]()
Do not drain the oil immediately after turning off the generator; allow it to cool completely before servicing it.
- Raise the generator up on support blocks on a flat, stable surface
- Unscrew the knob
1, to remove oil access cover - Unscrew oil dipstick
3 - Place an oil pan under the engine, tilt the generator toward the oil pan until all oil has drained; wipe up any spills.

- Refill crankcase with 12 ounces (0.35l) 10w-30 engine oil; check with dipstick.
- Tighten oil dipstick, replace oil access cover, and tighten the knob.
Air Filter
A dirty air filter can cause poor performance and engine damage. Perform inspection and cleaning per the maintenance schedule on page 11.
Air Filter
A dirty air filter can cause poor performance and engine damage. Perform inspection and cleaning per the maintenance schedule on page 11.
- Remove screws 3, to remove air filter housing 4;
- Remove foam filter element 5;
- Clean foam filter element with a mild soap solution, rinse well and let it dry
- Place a few drops of engine oil on the foam filter element and squeeze gently to distribute the oil film evenly
- Reinstall the air filter element in reverse order.


Fuel Filter Screen![]()
NEVER approach the generator while smoking or with any ignition source!
- Remove fuel tank cap and fuel tank filter screen.
- Clean fuel tank filter screen with mild soap and hot water.
- Allow filter screen dry thoroughly and replace it in the fuel tank.
- Replace fuel cap tightly.

Storage and Transport
Generator Long Term Storage
- Turn the Multi-Switch to “OFF” and allow generator to cool completely.

- Remove the spark plug boot to prevent accidental engine start.
- Remove bolts and right service access panel
- Using a Phillips screwdriver, open fuel drain valve on the carburetor and drain remaining fuel into an approved gasoline container.
- Tighten fuel drain valve.
- Change engine oil per page 12
- Remove spark plug and instill one teaspoon (5ml) new engine oil into combustion chamber. Pull the recoil a few times, to distribute oil, then reinstall the spark plug.
- Replace right service access panel.
- Gently pull recoil handle until you feel resistance, indicating the intake and exhaust valves are closed.
- Store the generator in a clean and dry area.
Generator Transport
Pulsar Products recommends that the generator should be empty of fuel when transported unless the generator is secured in an open truck bed and secured from tipping. In this case, follow the guidelines below:
- Do not completely fill the fuel tank, leave some expansion space.
- Do not run the generator while transporting.
- Protect from direct sunlight.
- Do not transport the generator across rough terrain.
Troubleshooting
Fuel System
- There is no fuel.
- Fuel doesn’t reach combustion chamber
- Contaminated or old fuel
- There is debris in the fuel valve
- Carburetor is fouled, service carburetor
Insufficient Engine Oil
Oil level is too low
Ignition System
- Verify Multi-Switch is at ‘RUN’ or CHOKE’
- No spark from ignition coil failure
- Spark plug is fouled, service it per page 12
Low Compression
- Worn out engine
- Cylinder head bolts have loosened, have an authorized Pulsar Service Center re-torque them properly
- Head gasket leak
Engine Runs, No Power Output
- Ensure all circuit breakers are pushed in
- If generator was exposed to moisture or rain, move it to a dry location for several hours
- Vibration may have caused one or more connectors to loosen over time, check with Pulsar Technical Support for guidance
- Check electrical receptacles for damage
- Generator may be overloaded; remove load, shut down, then restart the engine
Technical Parameters
| Item | Parameter | ||
| Engine | Engine Model | 148F/P -2 | I 164F/P |
| Engine Type | Single-cylinder, four-stroke, air-cooled, overhead valve, tilted 25° of the center of gasoline engine cylinder | ||
| Bore size x Stroke (mm) | 48.6×43 | 64×45 | |
| Displacement (cc) | 80. | 145 | |
| Compression Ratio | 8.72 0.2 | 8.72 0.2 | |
| Cylinder Read | 01W | 01W | |
| Cooling Mode | Forced Air | Forced Air | |
| Output Power (kW/r/min) | 2-19-4500 | 3-28-4650 | |
| Starting Method | Recoil | ||
| Fuel Tank Volume | 1.1 Gallon | 1 Gallon | |
| Fuel Type and Grade | Gasoline or Propane | ||
| Lubricating Oil Capacity | (0.35L) | (0.45L) | |
| Lubricating Oil Model | SAE lOw-30 | SAE lOw-30 | |
| Lubrication Mode | Splash Lubrication | Splash Lubrication | |
| Noise dB (at 7m) | 62 | 63 | |
| Generator | Rated Power (kW) | 2. | 3. |
| Rated Voltage (V) | 120 | 120 | |
| Rated Frequency (Hz) | 60 | 60 | |
| Rated Power Factor | 1 | 1 | |
| Phase Number | Single Phase | Single Phase | |
| Configuration | Motor | Brushless (Permanent Magnet) | |
| Voltage Regulation | Inverter Regulation | ||
| Frequency Regulation | Inverter Regulation | ||
| Overall Dimension | 18.9″x11.5-x17″ | 18.9-x11.5″x17″ | |
| Net Weight | 401bs. (18kg) | 461te. (21kg) | |
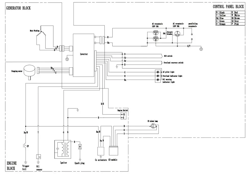
Electrical Schematic
120V, 60Hz Electrical Schematic








“ON” When energy saving switch is switched to “ON” position engine speed is reduced when the generator is under light load. This feature will reduce fuel consumption and noise.





Tip: Turn the Multi-Switch to `RUN’ to restart a warm engine


























