
USER MANUAL
FOR MODELS: GM6000iE/GM6000iED
Portable Inverter Generator
5250(GAS.)/4750(LPG) Running Watts
6000(GAS.)/5500(LPG) Peak Watts
GM6000iE 6000 Watt Dual Fuel Inverter Generator
California Proposition 65 Warning The engine exhaust from this product contains chemicals known to the state of California to cause cancer, birth defects or other reproductive harm.
California Proposition 65 Warning Certain components in this product and its related accessories contain chemicals known to the state of California to cause cancer, birth defects or other reproductive harm. Wash hands after handling.
DISCLAIMERS:
All information, illustrations and specifications in this manual are based on the latest information available at the time of publishing. The illustrations used in this manual are intended as representative reference views only. Moreover, because of our continuous product improvement policy, we may modify information, illustrations and/or
specifications to explain and/or exemplify a product, service or maintenance improvement. We reserve the right to make any change at any time without notice. Some images may vary depending upon which model is shown.
ALL RIGHTS RESERVED:
No part of this publication may be reproduced or used in any form by any means – graphic, electronic or mechanical, including photocopying, recording, taping or information storage and retrieval systems — without the written permission of CHONGQING DINKING POWER MACHINERY CO., LTD
DANGER
This manual contains important instructions for operating this inverter generator. For your safety and the safety of others, be sure to read this manual thoroughly before operating the generator. Failure to properly follow all instructions and precautions can cause you and others to be seriously hurt or killed.
TECHNICAL SPECIFICATIONS
| ModellNumber GM6000iE | Running Watts 5250 | Peak Watts 6000 | Fuel Tank Size (Gal) 3.5 | Rated Speed (RPM) 3600 | Ignition Type CDI | Spark plug di | Engine Disp (cc) 312 | Stroke X Bore 80 X 62 | Oil Capacity (Gal) 0.21 | Oil Type 10W30 |
| A5RTC | ||||||||||
| GM6000iED | 5250(GAS.) 4750(LPG) | 6000(GAS.) 5500(LPG) | 4. | 3600 | CDI | A5RTC | 312 | 80 X 62 | 0.21 | 10W30 |
SAFETY
SAFETY DEFINITIONS
The words DANGER, WARNING, CAUTION and NOTICE are used throughout this manual to highlight important information. Be certain that the meanings of these alerts are known to all who work on or near the equipment.
This safety alert symbol appears with most safety statements. It means attention, become alert, your safety is involved! Please read and abide by the message that follows the safety alerts symbol.
DANGER
Indicates a hazardous situation which, if not avoided, will result in death or serious injury. Pea IIe
Indicates a hazardous situation which, if not avoided, could result in death or serious injury.
CAUTION
Indicates a hazardous situation which, if not avoided, couid result in minor or moderate injury.
NOTICE
Indicates a situation which can cause damage to the generator, personal property and/or the environment, or cause the equipment to operate improperty.
WARNING
Connection of the product to a building’s electrical system is not applicable.
NOTE: Indicates a procedure, practice or condition that should be followed in order for the generator to function in the manner intended.
SAFETY SYMBOL DEFINITIONS
| Symbol | Description |
| Safety Alert Symbol | |
| Asphyxiation Hazard | |
| Burn Hazard | |
![]() | BurstlPressuro Hazard |
| Dent leave tools in thoarea | |
| Electrical Shock Hazard | |
| txplosico Hazard | |
| Foe Hazard | |
| Lifting Hazard | |
![]() | PinchPoint Hazard |
| Read Manufacturer’s Instructions | |
| Read Safety Messages Before Proceeding | |
![]() | Wear Personal Protective Equipment (PPE) |
GENERAL SAFETY RULES
DANGER
Never use the generator in a location that is wet or damp. Never expose the generator to rain, snow, water spray or standing water while in use. Protect the generator from all hazardous weather conditions. Moisture or ice can cause a short circuit or other malfunction in the electrical circuit.
Never operate the generator in an enclosed area. Engine exhaust contains carbon monoxide.
Only operate the generator outside and away from windows, doors and vents.
WARNING
Voltage produced by the generator could result in death or serious injury.
- Never operate the generator in rain or a flood plain unless proper precautions are taken to avoid being subject to rain or a flood.
- Never use worn or damaged extension cords.
- Always have a licensed electrician connect the generator to the utility circuit.
- Never touch an operating generator if the inverter is wet or if you have wet hands.
- Never operate the generator in highly conductive areas such as around metal decking or steel works.
- Always use grounded extension cords. Always use three-wire or double-insulated power tools.
- Never touch live terminals or bare wires while the generator is operating.
- Be sure the generator is properly grounded before operating.
WARNING
Gasoline and gasoline vapors are extremely flammable and explosive under certain conditions.
- Always refuel the generator outdoors, in a well-ventilated area.
- Never remove the fuel cap with the engine running.
Never refuel the generator while the engine is running. Always turn engine off and allow the generator to cool before refueling.- Only fill fuel tank with gasoline.
- Keep sparks, open flames or other form of ignition (such as match, cigarette, static electric source) away when refueling.
- Never overfill the fuel tank. Leave room for fuel to expand. Overfilling the fuel tank can result in a sudden overflow of gasoline and result in spilled gasoline coming in contact with HOT surfaces. Spilled fuel can ignite. If fuel is spilled on the generator, wipe up any spills immediately. Dispose of rag properly. Allow area of spilled fuel to dry before operating the generator.
- Wear eye protection while refueling.
- Never use gasoline as a cleaning agent.
- Store any containers containing gasoline in a well-ventilated area, away from any combustibles or source of ignition.
- Check for fuel leaks after refueling. Never operate the engine if a fuel leak is discovered.
WARNING Never operate the generator if powered items overheat,
Never modify the generator. electrical output drops, there is sparking, flames or smoke coming from the generator, or if the receptacles are damaged.
Always remove any tools or other service equipment used Always disconnect tools or during maintenance from the generator before operating.
NOTICE
Never operate the generator if it vibrates at high levels, if engine speed changes greatly or if the Never use the generator to power medical support equipment. engine misfires often.
appliances from the generator before starting.
SAEFTY LABELS AND DECALS

UNPACKING
CAUTION
Always have assistance when lifting the generator. The generator is heavy; liking it could cause bodily harm.
Avoid cutting on or near staples to prevent personal injury.
Tools required – box cutter or similar device.
- Carefully cut the packing tape on top of the carton.
- Remove socket wrench, oil and funnel and save for later.
- Carefully cut two sides of the carton to remove the generator.
WHAT COMES IN THE BOX
Spark Plug Socket Wrench (1) Owner Manual (1) Warranty Information (1) Funnel (1)
FEATURES
BASIC GENERATOR FEATURES
Fuel Cap: Open the fuel tank cap and fill with proper amount of gasoline.- Control Panel: Contains the reset breaker. outlets and warning lights.
- Muffler and Spark Arrestor: Avoid contact until the engine is cooled down. The spark arrestor prevents sparks from exiting the muffler. It must be removed for servicing.
- Recoil Hande: PSI to start the engine.
- Recoil Hande Protective Cover: Prevents pun cord we from damaging inverter body.
- Engine Service Panel: Remove the panel to access the engine for maintenance.
- Engine Cooling Vents: Helps move airflow in unit to regulate engine temperatures.

CONTROL PANEL FEATURES GM6000IE
- 120-Vott, 20-Amp Duplex Outlet (NEMA 5-20R): The outlet is capable of carrying a maximum of 20 amps.
- USB Duplex: 5V DC that come in 1 amps and 2.1 amps.
- Reset Breaker: If the generator is overloaded, the reset breaker will trip. The engine will continue to run, but there will be no output from the generator. Unplug the devices and reduce the load. Push in the reset breaker to reset it.
- Efficiency Mode Switch: When turned to the ON position, the engine will sense the load needed and run at a slower RPM to save fuel.
- Ground Terminal: The ground terminal is used to externally ground the generator.
- Multifunction Digital Display Meter: Yellow light means that the amount of oil is too low, red light means that the machine overload, green light means normal operation; Power display on the left, oil level display on the right; Rolling display mode, respectively display accumulative running time, output voltage, frequency rolling display mode.
- Circuit Breake: A circuit breaker interrupts the current when the whole circuit is overloaded.
- CO Alarm LED: Flashing red light: dangerous levels of carbon monoxide gas have built up leave immediately until area has aired out. Move generator to well-ventilated area before operation. Flashing yellow light: carbon monoxide sensor malfunction. Sensor needs service.
- Engine Switch: Switch to ON to turn ON the fuel, then hold down to start the generator.
- AC Breaker:If the generator is overloaded, the reset breaker will trip to block current.
- 120-Vott, 30-Amp Outlet (NEMA RV30): The outlet is capable of carrying a maximum of 30 amps.

CONTROL PANEL FEATURES GM6000IED
- 120-Volt, 20-Amp Duplex Outlet (NEMA 5-20R): The outlet is capable of carrying a maximum of 20 amps.
- USB Duplex: 5V DC that come in 1 amps and 2.1 amps.
- Reset Breaker: If the generator is overloaded, the reset breaker will trip. The engine will continue to run, but there will be no output from the generates. Unplug the devices and reduce the load. Push in the reset breaker to reset it.
- Efficiency Mode Switch: When turned to the ON position, the engine will sense the load needed and run at a slower RPM to save fuel.
- Ground Terminal: The ground terminal is used to externally ground the generator.
- Multifunctional LED Digital Display Meter: Red light (LOW OIL) means that the amount of oil is too low, red light (OVERLOAD) means that the machine overload, green light (POWER) means normal operation. LED Digital Display shows time, voltage, power, frequency and oil level; Time: scrolling display of single running time and accumulated running time; voltage: scrolling display of 120V and 240V.
- Main Brea ke: A circuit breaker interrupts the current when the whole circuit is overloaded.
- CO Alarm LED: Flashing red light: dangerous levels of carbon monoxide gas have built up leave immediately until area has aired out. Move generator to well-ventilated area before operation. Flashing yellow light: carbon monoxide sensor malfunction. Sensor needs service.
- Main SW.: Manage battery power and shutdown.
- AC Protector. If the generator is overload, the AC protector will trip to block current.
- 120-Volt/240-Volt, 30-Am p Outlet (N EMA L14-30): The outlet is capable of carrying a maximum of 30 amps.
- One Push Start: Press this button, the engine can start and stop.
OPERATION
BEFORE STARTING THE GENERATOR BEFORE STARTING THE GENERATOR, REVIEW SAFETY SECTION STARTING ON PAGE 5.
Location Selection – Before starling the generator, avoid exhaust and location hazards by verifying:
- You have selected a location to operate the generator that is outdoors and well ventilated.
- You have selected a location with a level and solid surface on which to place the gmeraloc
- You have selected a location that is at least 6 feet (1.8 m) away from any builrang, other equipment or combustible material.
- If the generator is located close to a building, make sure it is not located near any windows, doors and/ or vents.
DANGER
Using a generator indoors
CAN KILL YOU IN MINUTES.
Generator exhaust contains carbon monoxide. This is a poison you cannot see or smell.
NEVER use inside a home or garage, EVEN IF doors and windows are open.
Only use OUTSIDE and far away from windows, doors, and vents.
Avoid other generator hazards. READ MANUAL BEFORE USE.
WARNING
Always operate the generatoron a level surface. Placing the gentile:won non level surfaces can cause the general& to tip over. causing fuel and oil to spill. Spilled fuel can ignite if it comes in contact with an Ignition source such as a very hot surface.
NOTICE
Only operate the inverter on a solid. level surface. Operating the generator on a surface with loose material such as sand or grass clippings can cause debris to be ingested by the inverter that could:
- Block cooling vents
- Block air intake system
Weather – Never operate your generatoroutdoors during rain, snow or any combination of weather conditions that could lead to moisture collecting on, in or around the generator.
Dry Surface – Always operate the generator on a dry surface free of any moisture.
No Connected Loads – Make sure the generatorhas no connected loads before starting it. To ensure there are no connected loads, unplug any electrical extension cords that are plugged into the control panel receptacies.
NOTICE
Starting the generator with loads already applied to it could result in damage to any appliance being powered off the generator during the brief start-up period.
Grounding the GENMAX Generator Consult with your local municipalities for your grounding codes.
WARNING
Be sure the generator is properly connected to earth ground before operating.
Carbon Monoxide Specification
CO DETECT technology monitors the accumulation of carbon monoxide (CO), a poisonous gas produced by engine exhaust when the generator is running. If CO Sensor detects unsafe elevated levels of CO gas, it automatically shuts off the engine. CO Sensor is not a substitute for an indoor carbon monoxide alarm or for safe operation. DO NOT allow engine exhaust fumes to enter a confined area through windows, doors, vents or other openings. Generators must ALWAYS be used outdoors, far away from occupied buildings with engine exhaust pointed away from people and buildings. Meets the requirements of ANSI/PGMA G300-2018.
POWERCORD
Using Extension Cords
GENMAX Portable Power assumes no responsibility for the content within this table. The use of this table is the responsibility of the user only. This table is intended for reference only. The results produced by using this table are not guaranteed to be correct or applicable in all situations as the type and construction of cords are highly variable.
Always check with local regulations and a licensed electrician prior to installing or connecting an electrical appliance Extension Cord Wire Gauge Size
LENGTH OF EXTENSION CORD (ft)
| AMPS | 10 | 20 | 30 | 40 | 30 | 60 80 | 10U | 120 | |
| 5 | 20 | 18 | lb | 14 | 12 | 12 | 10 | 10 | 8 |
| 10 | 18 | 16 | 14 | 12 | 12 | 10 | 10 | 8 | 8 |
| 15 | 16 | 14 | 12 | 12 | 10 | 10 | 8 | 8 | 6 |
| 20 | 14 | 12 | 12 | 10 | 10 | 8 | 8 | 6 | 6 |
| 25 | 12 | 12 | 10 | 10 | 8 | 8 | 6 | 6 | 6 |
| 30 | 12 | 10 | 10 | 8 | 8 | 6 | 6 | 6 | 6 |
| 35 | 10 | 10 | 8 | 8 | 6 | 6 | 6 | 6 | 6 |
INVERTER PARALLELING OPERATION
DANGER
Never connect the paralleling cord to the generator with the generator running. The generator must not be running and both the paralleling cord switches must be off when connecting the cords.
WARNING
Do not attempt to parallel the GENMAX generator with any other manufacturers’ generator. Do not use the paralleling cord for any application other than generator paralleling. Do not use this cord on other manufacturers’ generator.
Always ensure that both ends of the paralleling cord are switched off before connecting the generator.
GENERATOR PARALLELING OPERATION
- Using only the GENMAX paralleling cord with both cord switches set to OFF (0), connect one male plug to one generator and connect the remaining plug into the other generator. Either of the receptacles on the generator can be used.
- Start one of the generator and wait until the output ready light is on.
- Turn both cord switches to ON (I).
- Start the remaining generator; wait until the output ready light is on before connecting the load.
- When power is present, a light will illuminate in the three-prong plug that is plugged into the generator.
- To stop the generator, unplug all connected loads, turn both cord switches to OFF (0) and unplug the cord on each generator.
- If during operation the generators’ output is stopped due to overloading, reduce the connected load by unplugging appliances, and then push the reset button and restart the generator. When the ready light is on, the load can be reconnected.
INITIAL OIL FILL
BEFORE ADDING ENGINE OIL, REVIEW SAFETY SECTION STARTING ON PAGE 5.
NOTICE
Engine oil must be added when the generator is on a flat, level surface or an inaccurate reading may result. Do not overfill. If the engine is overfilled with oil, it can cause serious engine damage.
- Loosen the screw and remove the engine oil fill/ drain plug service panel to access the oil fill/drain plug (see Figure 1)

- Clean the area around the oil fill/drain plug and remove plug (See Figure 2).

- Using the supplied funnel and oil, pour the entire bottle of oil into the engine (see Figure 3).

- Do not overfill, if oil level is too high, oil will drain out through the fill plug. See correct oil level in Figure 4.

ADDING/CHECKING ENGINE FLUIDS AND FUEL
BEFORE ADDING/CHECKING ENGINE FLUIDS AND FUEL, REVIEW SAFETY SECTION STARTING ON PAGE 5.
DANGER
Filling the fuel tank with gasoline while the cenereor is running can cause gasoline to leak and come in contact with hot surfaces that can ignite the gasoline.
Before stealing the generatr, always check the level of:
- Engine oil
- Gasoline in the fuel tank Once the generator is started and the engine gets warm. it is not safe to add gasoline to the fuel tank or engine oil to the engine while the engine is running or the en-gine and muffler are hot.
CHECKING AND / OR ADDING ENGINE OIL
WARNING
Internal pressure can build in the engine crankcase while the engine is running. Removing the oil fill plug/ dipstick while the engine is hot can cause extremely hot oil to spray out of the aankcase and can severely bum skin. Allow engine oil to cool for several minutes before removing the oil fill plug/dipstick.
The unit as shipped does not contain oil in the engine. You must add engine oil before starting the generator for the first time. See Initial Oil RN on page 13 for Instructions on checking engine oil level and the procedure for adding engine oil.
NOTICE
The engine does not contain engine of as shipped. Attempting to start the engine without adding engine al vnil permanently damage internal engine components. The engine is equipped with a low oil shutdown switch. If the oil level becomes low, the engine may shut down and not start until the oil is filled to the proper level. The owner of the generators responsible to ensure the proper oil level is maintained during the operation of the generator. Failure to maintain the proper oil level can result in engine damage.
ADDING GASOLINE TO THE FUEL TANK
Never refuel the generator while the engine is running.
Always turn the engine off and allow the generator to cool before refueling.
CAUTION
Avoid prolonged skin contact with gasoline. Avoid prolonged breathing of gasoline vapors.
Required Gasoline – Only use gasoline that meets the following requirements: Unleaded gasoline only • Gasoline with maximum 10% ethanol added • Gasoline with an 87 octane rating or higher Filling the Fuel Tank – Follow the steps below to fill the fuel tank:
- Shut off the Inverter.
- Allow the Inverter to cool down so all surface areas of the muffler and engine are cool to the touch.
- Move the generator to a flat surface.
- Clean area around the fuel cap.
- Remove the fuel cap by rotating counterclockwise.
NOTICE
Do not overfill the fuel tank. Spited fuel will damage some plastic parts. - Slowly add gasoline Into the fuel tank.
Be very care ful not to overfill the tank.
The gasoline level should NOT be higher than the red ring (see Figure 5). - Install the fuel cap by rotating clockwise.

STARTING THE GENERATOR
BEFORE STARTING THE GENERATOR, REVIEW SAFETY SECTION STARTING ON PAGE 5.
For proper starting and operation of the generator. make sure you review the generatorfeatures and their descriptions starting on page 8.
Before attempting to start the generator, verify the following:
- The engine is filled with engine oil (see Figure 4: Engine Oil Correct Level on page 13).
- The generator is situated in a proper location (see Location Selection on page 11).
- The generator is on a dry surface (see Weather and Dry Surface on page 11).
- All loads are disconnected from the generato(see No Connecter; Loads on page 11).
- The generator is properly grounded (see Grounding the gersrateron page 11)
DANGER
Never use the generator in a location that is wet or damp. Never expose the generator to rain, snow, water spray or standing water while In use.
Protect the generox from all hazardous weather conditions. Moisture or ice can cause a shod circuit or other malfunction in the electrical circuit.
Never operate the generatorin an enclosed area. Engine exhaust contains carbon monoxide. Only operate the generator outside and away from windows, doors and vents.
Hend Starter
- Remove all the loads out of the output:
- Turn the four-in-one switch to ‘CHOKE START”:
- Then quickly pull the starting handle (see Figure 8):
- After the generator starts. turn the four-in-one switch to -RUN’ and the generator can be used normally with load.

Electric starting
- Remove all the loads out of the output:
- Turn the four-in-one switch to “CHOKE START ” and press the red button for 3-5 s before releasing the generator:
- Then turn the four-in-one switch to “RUN” and the generator can be used normally with load. WARNING: When the generator is started in warm state, there is no need to turn the four-in-one switch to “CHOKE START”. NOTICE: Turning the four-in-one switch to ‘CHOKE START’ and pressing the red button for more than 5 s will damage the starting motor. If startup fails, release the switch and wait 10 seconds before restarting. If the speed of the starter motor drops rapidly after a period of time, it means that the battery should be recharged.
Dual Fuel
- Press the main switch to ‘ON’. The start button will light up for 2-3 seconds and then go oft:
- Switch the oil/gas switch to GAS. (or LPG):
- Press the start button after the generator starts, the generator runs normally:
- After the generator starts, turn the four-in-one switch to ‘RUN” and the generator can be used normally with load.
Tip: The generator needs to switch from fuel oil to gas state (or gas to fuel oil state) during normal operation. The generator must be directly turned to fuel oil or gas gear under no-load state to load and use normally.
Procedure For Connecting Gas Pipes
- Connect the dedicated gas hose to the generator:
- Switch the oil/gas switch to the GAS. switch:
- Press the start button after the generator starts, the generator runs normally:
- Open the air valve on the fuel tank and start the generator according to the normal start-up steps.
STOPPING THE GENERATOR
Normal Operation
During normal operation, use the following steps to stop your generator:
- Remove all loads in the output;
- Turn the four-in-one switch to “OFF”, and the generator stops running.
USING EFFICIENCY MODE
The generatoris equipped with an efficiency mode switch to minimize fuel consumption. In efficiency mode, the generator will sense the load and adjust the engine RPM to the current load requirements. Efficiency mode should be used only after the generator has been warmed up to operating temperature.
- To turn on the efficiency mode, press the switch to the ON position).
- If no load is present, the generator RPM will drop down to an idle speed.
- As a load is applied, the generator will sense the load and engine RPM will increase according to the load applied
- To run the generator at maximum power and RPM, press the efficiency mode switch to the OFF position.
RESETTING THE RESET BREAKER
The generator will trip the breaker and automatically disconnect from the load when the controls sense a predetermined overload condition. The generator engine will continue to run, but there will not be any electrical output.
- Turn off all devices and unplug them from the generator.
- Determine the wattage required from the devices being powered by the generator. Make sure the wattage required does not exceed the maximum output of the generator.
- Press in the reset breaker to reset it (see Figure 7).

- Plug the devices in to the generator.
- Turn on the devices as needed.
MAINTENANCE
BEFORE PERFORMING MAINTENANCE ON THE GENERATOR REVIEW THE SAFETY SECTION STARTING ON PAGE 5, AS WELL AS THE FOLLOWING SAFETY MESSAGES.
WARNING Avoid accidentally starting the generator during maintenance by removing the spark plug boot from the spark Azis, plug.
For electric start generator, also disconnect the battery cables from the battery (disconnect the black negative (-) cable first) and place the cables away from the battery posts to avoid arcing.
Allow hot components to cool to the touch prior to performing any maintenance procedure.
Internal pressure can build in the A. engine crankcase while the engine is running. Removing the oil fill plug/ dipstick while the engine is hot can cause extremely hot oil to spray out of the crankcase and can severely burn skin. Allow engine oil to cool for several minutes before removing the oil fill plug/dipstick.
Always perform maintenance in a well-ventilated area. Gasoline fuel and fuel vapors are extremely flammable and can ignite under certain conditions.
CAUTION Avoid skin contact with engine oil or •Q gasoline. Prolonged skin contact with 0. A engine oil or gasoline can be harmful. Frequent and prolonged contact with engine oil may cause skin cancer. Take protective measures and wear protective clothing and equipment. Wash all exposed skin with soap and water.
WARNING Failure to perform periodic ILmaintenance or not following maintenance procedures can cause the inverter to malfunction and could result in death or serious injury.
NOTICE Periodic maintenance intervals vary depending on generator operating conditions. Operating the generator under severe conditions, such as sustained high-load, high-temperature, or unusually wet or dusty environments, will require more frequent periodic maintenance. The intervals listed in the maintenance schedule should be treated only as a general guideline.
Following the maintenance schedule is important to keep the generator in good operating condition. The following is a summary of maintenance items by periodic maintenance intervals.
TABLE 1: MAINTENANCE SCHEDULE – OWNER PERFORMED
| Maintenance Item | Before Every Use | After First 20 Hours or First Month of Use | after 300 a of Use or Eve Year | ||
| After 50 Hours of Use or Every 6 Montha | After 100 Hou of Use or Eve 6 Months | ||||
| Engine Oil | Check Level | Change | Change | – | – |
| Cooling Features | Check/Clean | – | – | – | – |
| Air Filter | Check | – | Clean* | – | Replace |
| Spark Plug | – | – | – | Check/Clean | Replace |
| Spark Arrestor | – | – | – | Check/Clean | – |
*Service more frequently if operating in dry and dusty conditions
ENGINE OIL MAINTENANCE Engine Oil Specification
- Only use the engine oil specified in Fgure 8.
- Only use 4-stroke/cycle engine oil. NEVER USE 2•STROKE/CYCLE OIL. Synthetic oil is an acceptable substitute for conventional oil.

CHECKING ENGINE OIL
NOTICE Always maintain proper engine oil level. Failure to maintain proper engine o8 level could result in severe damage to the engine and/or shorten the life of the engine.
Always use the specified engine oil. Failure to use the specified engine oil can cause accelerated wear and/ or shorten the life of the engine.
Engine oil level should be checked before every use.
- Always operate or maintain the generation a flat surface.
- Stop engine if running.
- Let engine sit and cool for several minutes (allow crankcase pressure to equalize).
- Remove the engine service panel to access the oil fill/drain plug.
- With a damp rag, clean around the oil fill/drain plug
- Remove the oil filVdrain plug.
- Check oil level: When checking the engine oil, remove the oil fill/ drain plug.
• The oil level is acceptable if oil is visible at the bottom of the threads of the o6 fill plug.
• If oil level is low, add to the correct level using the supplied oil fie bottle. Do not overfill the oil crankcase.
NOTICE
Engine oil must always be checked and added when the generator Is on a fiat, level surface, or an inaccurate leading may result, causing serious engine damage.
ADDING ENGINE OIL
- Always operate or maintain the generator on a flat surface.
- Stop engine if running.
- Let engine sit and cool for several minutes (allow crankcase pressure to equalize).
- Remove the engine service panel to gain access to the oil WI/drain plug.
- Thoroughly clean around the oil fill/drain plug.
- Remove the oil fill/drain plug.
- Select the proper engine oil as specified in Figure 8.
- Using the supplied oil funnel, slowly add engine oil to the engine. Stop frequently to check the oil level and avoid overfilling.

- Continue to add oil until the oil is at the correct level.

CHANGING ENGINE OIL
- Stop the engine.
- Let engine sit and cool for several minutes (allow crankcase pressure to equalize).
- Remove the engine service panel to gain access to the oil fill/drain plug.
- Place oil pan (or suitable container) under the oil fill/ drain plug (see Figure 9).

Figure 9: Place oil pan under oil fill/drain plug - With a damp rag, thoroughly clean around the oilfill/drain plug.
Tilt the generator so the oil drains down the through into the container.- Allow oil to completely drain.
- Fill crankcase with oil following the steps outlined in Adding Engine Oil on page 18.
- Dispose of used engine oil properly.
NOTICE
Never dispose of used engine oil by dumping the oil into a sewer, on the ground, or into groundwater or waterways. Always be environmentally responsible. Follow the guidelines of the EPA or other governmental agencies for proper disposal of hazardous materials. Consult local authorities or reclamation facility.
AIR FILTER MAINTENANCE
WARNIMNG
Never use gasoline or other flammable solvents to clean the air filter. Use only household detergent soap to clean the air filter.
Cleaning the Air Filter
The air filter must be cleaned after every 50 hours of use or 3 months (frequency should be increased if generator is operated in a dusty environment).
- Turn off the generator and let it cool for several minutes if running.
- Remove the engine service panel to gain access to the air filter.
- Unscrew the air cleaner cover and tip the cover down (see Figure 11).
- Remove the foam element from the air cleaner housing.

- Wash the foam air filter element by submerging the element in a solution of household detergent soap and warm water. Slowly squeeze the foam to thoroughly clean.
NOTICE
NEVER twist or tear the foam air filter element during cleaning or drying. Only apply slow but firm squeezing action, - Rinse in clean water by submerging the air filter el-ement in fresh water and applying a slow squeezing action (see Figure 12).
NOTICE
Never dispose of soap cleaning solution used to clean the air Nter by dumping the solution into a sewer, on the ground. or into ground water or waterways. Always be environmentally responsible. Follow the guidelines of the EPA or other governmental agencies for proper disposal of hazardous materials. Consult local authorities or reclamation facility. - Dispose of used soap cleaning solution properly.
- Dry the air filter element by again applying a slow firm squeezing action.
- Return the air filter element to its position in the air cleaner housing.
- Instal the air cleaner cover. making sure the tabs lock into place.
- Install the engine service panel.
DRAINING THE FLOAT BOWL
- Remove the engine service panel to access the carburetor.
- Locate the clear plastic hose from the float that is exiting out the bottom of the generator, and place a suitable contains under it to catch the drained fuel (see Figure 13).

- Loosen the float bowl drain screw (see Figure la) until fuel is seen draining from the float bowl.

- Allow fuel to drain Into the container, and then tighten the float bowl drain screw.
NOTICE
Never dispose of fuel by dumping fuel Into a sewer, on the gourd, a into groundwater or waterways. Always be environmentally responsible. Follow the guidelines of the EPA or other governmental agencies for proper disposal of hazardous materials. Consult local authorities a reclamation facility. - Install the engine service panel.
SPARK PLUG MAINTENANCE
The spark plug must be checked and cleaned after ev-ery 100 hours of use or 8 months and must be replaced after 300 hours of use or every yew.
- Stop the general., and let It cool for several minutes if ruining.
- Move the genroor to a flat, level surface.
- Unscrew the bolts and remove the left exterior cover plate (see Figure 15).

- Remove the spark plug boot by firmly pulling the plastic spark plug boot handle directly away from the engine.
NOTICE
Never apply any side load or move the spark plug laterally when removing the spark plug. Applying a side load or moving the spark plug laterally may crack and damage the spark plug boot. - Clean area around the spark plug.
- Using the spark plug socket wrench provided. remove the spark plug from the cylinder head (see Figure 18).

- Place a clean rag over the opening created by the removal of the spark plug to make sure no diet can get Into the combustion chanter.
- Inspect the spark plug for:
• Cracked or chipped Insulator
• Excessive wear
• Spark plug gap of 0.032 In. (0.80 mm). If the spark plug falls any one of the I conditions listed above, replace the plug.
NOTICE
Only use the recommended spark plug. See chart below. Using a non- recommended spark plug could result in damage to the engine. - Install the spark plug by carefully folowIng the steps outlined below: a. Carefully Insert the spark plug back Into the cylinder head. Hand•thread the spark plug until it bottoms out. b. Using the spark plug socket wrench provided, turn the spark plug to ensure It Is fully seated. c. Replace the spark plug boot, making sure the boot fully engages the spark plug’s tip.
d. Install the spark plug access cover.
CLEANING THE SPARK ARRESTOR
Check and clean the spark arrestor alter every 100 haws of use or 6 months.
- Stop the generator and let It cool for several minutes if ruining.
- Move the generatorto a flat, level surface.
- Remove the saews holding the muffler cover In place (see Figure 17).

- Loosen the clamp holding the spark arrestor onto the muffler.
- Slide the spark arrestor band clamp off the spark arrestor screen.
- Pull the spark arrestor screen off the muffler exhaust pipe.
- Using a wire brush, remove any dirt and debris tha may have collected on the spark arrestor screen.
- If the spark arrestor screen shows signs of wear (rips, tears or large openings in the screen), replace the spark arrestor screen.
- Install the spark arrestor components in the following order: a. Place spark arrestor screen over the muffler exhaust pipe. Push on the screen until it fully bottoms out.
b. Place the spark arrestor band clamp over the screen and tighten with a flathead screwdriver - Replace the discharge gate.
CLEANING THE GENERATOR It is important to inspect and clean the inverter before every use.
Clean All Engine Air Inlet and Outlet Porte – Make sure all engine air inlet and outlet ports are clean of any dirt and debris to ensure the engine does not run hot.
STORAGE
WARNING
Never store an generator with fuel in the tank Indoors or In a poorly ventilated area wtere the fumes can come in contact with an ignition source such as a:
- pilot light of a stove, water heater, clothes dryer or any other gas appliance: or 2) spark from an electric appliance.
NOTICE
Gasoline stored for as little as 60 days can go bad, causing gum. varnish and corrosive buildup in fuel lines, fuel passages and the engine. This corrosive buildup restricts the flow of fuel, preventing an engine from starting after a prolonged storage period.
Proper care should be taken to prepare the gemratoe for any storage I. Clean the genera:eras outlined in Cleaning the Generator. - Siphon all gasoline from the fuel tank as best as possible.
- Start the engine and allow the generator to run until all the remaining gasoline in the fuel lines and carburetor is consumed and the engine shuts off.
- Drain any remaining fuel from the float bowl. See Draining the Rost Bowl on page 20.
- Change the oil (see Changing Engine Oil on page 19).
- Remove the spark plug (see Spark Plug Maintenance on page 21) and place about 1 tablespoon of oil in the spark plug opening. While placing a clean rag over the spark plug opening, slowly pun the recoil handle to allow the engine to turn over several times. This win distribute the oil and protect the cylinder wall from corroding during storage.
- Replace the spark plug (see Spark Rug Maintenance on page 21).
- Move the generator to a clean, dry place for storage.
TROUBLESHOOTING
Before attempting to service or troubleshoot the generator, the owner or service technician must first read the owner’s manual and understand and follow all safety instructions. Failure to follow all instructions may result in conditions that can lead to voiding of the EPA certification or product warranty, serious personal injury, property damage or even death.
| PROBLEM | POTENTIAL CAUSE | SOLUTION |
| Engine is running, but no electrical output. | 1. Reset breaker is tripped. | 1. Reset the reset breaker (see page 16). |
| 2. The power cord’s plug connector is not fully engaged in the inverters outlet. | 2.Verify plug connector is firmly engaged in the generator outlet. | |
| 3.Faulty or defective power cord | 3. Replace power cord. | |
| 4. Faulty or defective electrical appliance | 4. Try connecting a known good appliance to verify the inverter is producing electrical power. |
| Engine will not start or remain running while trying to start. | 1. Generatoris out of gasoline. | 1. Add gasoline to the generator(see page 14). |
| 2. Fuel flow is obstructed. | 2.Inspect and clean fuel delivery passages. | |
| 3.Dirty air filter | 3. Check and clean the air filter (see page 19). | |
| 4. Low oil level shutdown switch is preventing the unit from starting. | 4. Check oil level and add oil if necessary (see page 18). | |
| 5. Spark plug boot is not fully engaged with the spark plug tip. | 5. Firmly push down on the spark plug boot to ensure the boot is fully engaged. | |
| 6. Spark plug is faulty. | 6. Remove and check the spark plug. Replace If faulty (see pages 21). | |
| 7. Dirty/plugged spark arrestor | 7. Check and clean the spark arrestor (see page 22). | |
| 8. Stale fuel | 8. Drain fuel and replace with fresh fuel. |
| Generator suddenly stops running. | 1. Generator is out of fuel. | 1. Check fuel level (see page 14). Add fuel if necessary. |
| 2. The low oil shut down switch has stopped the engine. | 2.Check oil level and add oil if necessary (see page 18). | |
| 3.Too much load | 3. Restart thegeneratorand reduce the load. | |
| Engine runs erratic; does not hold a steady RPM. | 1. Choke was left in the CHOKE position. | 1. Move choke to the RUN position |
| 2. Dirty air filter | 2.Clean the air filter (see page 19). | |
| 3.Applied loads maybe cycling on and off | 3. As applied loads cycle, changes in engine speed may occur; this is a normal condition. |
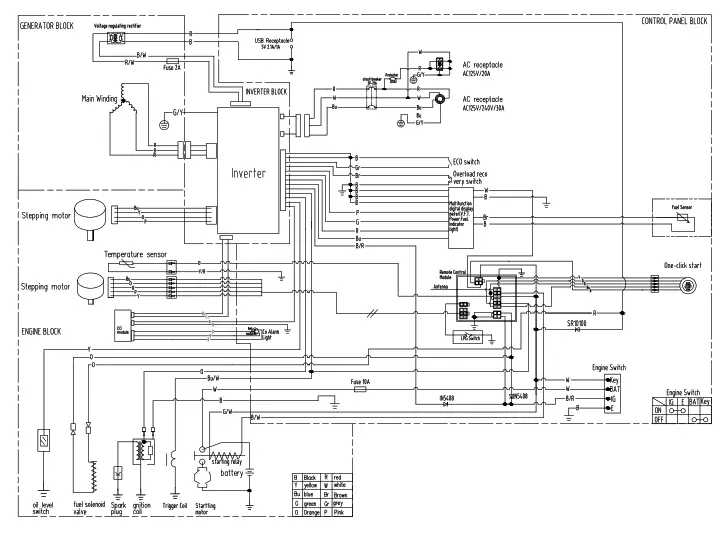
GM6000iE schematics

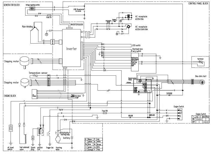
GM6000iED SCHEMATICS
CHONGQING DINKING POWER MACHINERY CO.,LTD.
CAOJIE DEVELOPMENT AREA, INDUSTRIAL PARK, HECHUAN, CHONGQING, CHINA
6800.528.GEM.02.01 V1

Fuel Cap: Open the fuel tank cap and fill with proper amount of gasoline.








Tilt the generator so the oil drains down the through into the container.
NOTICE



• Cracked or chipped Insulator

















