
GENMAX GENERATOR
INVERTER GENERATOR
USER’S MANUAL

GM5500i
Portable Inverter Generator
5000 Running Watts | 5500 Peak Watts
GM6000iED
Portable Inverter Generator
5250(GAS.)/4750(LPG) Running Watts | 6000(GAS.)/5500(LPG) Peak Watts
GM5500i 5500 Watt Gasoline Inverter Generator
WARNING: SAVE THIS MANUAL FOR FUTURE REFERENCE
This manual contains important information regarding safety. Operation, maintenance and storage of this product. Before use, read carefully and understand all cautions, warnings, instructions and product labels. Failure to do so could result in serious personal injury and/or property damage.
| California Proposition 65 Warning The engine exhaust from this product contains chemicals known to the state of California to cause cancer, birth defects or other reproductive harm. | California Proposition 65 Warning Certain components in this product and its related accessories contain chemicals known to the state of California to cause cancer, birth defects or other reproductive harm. Wash hands after handling. |
DISCLAIMERS:
All information, illustrations and specifications in this manual are based on the latest information available at the time of publishing. The illustrations used in this manual are intended as representative reference views only. Moreover, because of our continuous product improvement policy, we may modify information, illustrations and/or specifications to explain and/or exemplify a product, service or maintenance improvement. We reserve the right to make any change at any time without notice. Some images may vary depending upon which model is shown.
ALL RIGHTS RESERVED:
No part of this publication may be reproduced or used in any form by any means – graphic, electronic or mechanical, including photocopying, recording, taping or information storage and retrieval systems – without the written permission of CHONGQING DINKING POWER MACHINERY CO., LTD
DANGER
This manual contains important instructions for operating this inverter generator. For your safety and the safety of others, be sure to read this manual thoroughly before operating the generator. Failure to properly follow all instructions and precautions can cause you and others to be seriously hurt or killed.
UNPACKING
CAUTION
Always have assistance when lifting the generator. The generator is heavy; lifting it could cause bodily harm.
Avoid cutting on or near staples to prevent personal injury.
Tools required – box cutter or similar device.
- Carefully cut the packing tape on top of the carton.
- Remove socket wrench, oil and funnel and save for later.
- Carefully cut two sides of the carton to remove the generator.
WHAT COMES IN THE BOX
Spark Plug Socket Wrench (1)
Dual-Purpose Screwdriver (1)
User Manual (1)
Warranty Information (1)
Funnel (1)
Duplex plug (GM6000iED only)(1)
Four-prong plug (GM6000iED only)(1)
Remote Control Key (GM6000iED only)(1)
LPG Hose (GM6000iED only)(1)
LIMITED WARRANTY
- DURATION : One (1) year from the date of purchase by the original purchaser ( retail customer ) on products used solely for consumer applications; if a product is used for business, commercial, or industrial applications, the warranty per iod will be limited to ninety (90) days from the date of purchase.
- WHO GIVES THIS WARRANTY (WARRANTOR): CHONGQING DINKING POWER MACHINERY CO., LTD
- WHO RECEIVES THIS WARRANTY(PURCHASER):The original purchaser (other than for purposes of resale) of the Genmax’s inverter.
- WHAT PRODUCTS ARE COVERED BY THIS WARRANTY: Any portable generator supplied or manufactured by Warrantor.
- WHAT IS COVERED UNDER THIS WARRANTY: Substantial defects on material and workmanship which occur within the durat ion of the warranty period.
- WHAT IS NOT COVERED UNDER THIS WARRANTY:
A. Transportation changes for s ending the product to Warrantor or its authorized service representative for warranty service, or for shipping repaired or replacement products back to the customer; these charges must be borne by the customer.
B. Damages caused by abuse, accident, shipping, misuse, overloading, modification, and the effects of corrosion, erosion and normal wear and tear.
C. Warranty is voided if the customer fails to install, maintain and operate the product in accordance with the instructions and recommendations set forth in the owner’s manual(s), or if the product is used as rental equipment.
D. Pre-delivery service, i.e. assembly, oil or lubricants, and adjustment.
E. Items or service that are normally required to maintain the product, i.e. lubricants and filters.
F. Warrantor will not pay for repairs or adjustments to the product, or for any costs or labour, performed without Warrantor’s prior authorization.
EXCLUSIONS AND LIMITATIONS : Warrantor makes no other warranty of any kind, express or implied. Implied warranties, including warranties of merchantability and of fitness for a particular purpose, are hereby disclaimed. This warranty service described above is the exclusive remedy under this warranty; liability for incidental and consequential damages is excluded to the extent permitted by law. - RESPONSIBILITIES OF PURCHASER UNDER THIS WARRANTY:
A. The purchaser must provide dated proof of purchase and must notify Warrantor within the warranty period.
B. Deliver or ship the serviced generator or component to the nearest Warrantor’s authorized service representative. Freight costs, if any, must be norne by the purchaser. - HAVE QUESTIONS?
Email: [email protected]
Phone: 866-960-2920
WARRANTY CARD
PERSONAL INFORMATION
Name: ___________________________
Street Address: ____________________
City, State, ZIP:____________________
Country: _________________________
Phone Number: ___________________
E-Mail: __________________________
INVERTER INFORMATION
Model Number: ___________________
Serial Number:____________________
Date Purchased: ___________________
Purchased From:___________________
SAFETY WARNING
Personal and property safeties of you and others are very vital. Please read the Safety Warning in the User’s Manual and the decals of the generator set carefully.The Safety Warning can alert you to those potential hazards that could harm you and others. In front of each Safety Warning, there is one of four words “DANGER” “WARNING”, “ATTENTION”, and “CAREFUL”. Details are as follows:
![]()
Failure to follow the instruction will result in being in peril of your life or extremely serious injury.
![]()
Failure to follow the instruction will result in being in peril of your life or very serious injury.
![]()
Failure to follow the instruction will result in minor injury.
![]()
Failure to follow the instruction will result in the damage to your generator set and other properties.
CO TECHNICAL WARNING
CO DETECT technology monitors the accumulation of carbon monoxide (CO), a poisonous gas produced by engine exhaust when the generator is running. If CO Sensor detects unsafe elevated levels of CO gas, it automatically shuts off the engine. CO Sensor is not a substitute for an indoor carbon monoxide alarm or for safe operation. DO NOT allow engine exhaust fumes to enter a confined area through windows, doors, vents or other openings. Generators must ALWAYS be used outdoors, far away from occupied buildings with engine exhaust pointed away from people and buildings. Meets the requirements of ANSI/PGMA G300-2018.
NEUTRAL FLOATING
For portable generators where the neutral is floating, the operator’s manual shall include the following wording or equivalent:
The portable generator stator winding is isolated from the frame and from the AC receptacle ground pin; and Electrical devices that require a connection between one conductor pin and the grounded receptacle pin may not function properly.
SAFETY INSTRUCTIONS
Before operating the generator, it will help you avoid accidents to read and understand the Manual and familiarize yourself with the safe operation procedures of the generator.
![]() | ![]() |
| Please do not use indoors | Please do not use in humid environment |
![]() | ![]() |
| Please do not connect it to household appliances directly | Please do not smoke when refueling |
![]() | ![]() |
| Please do not spill when refueling | Please shut down the generator before refueling |
SAFETY LABELS AND DECALS

Do not use the generator in a directionthat the exhaust emission to the occupied structures, the sparks in the exhaust emission may start fires. | A hot exhaust system can cause serious burns, avoid contact if the engine has been running. | Do not use the generator in door or garage,the exhaust contains carbon monoxide, this iS a poison you cannot see or smell, and it will kill you in minutes. |
![]() | Before using the generator, pleaseread the operation manual. Be careful with the shock hazard. Be careful, the fuel is flammable, do not add the fuel when the engine is running. | ![]() |
NAMES OF COMPONENTS


CONTROL FUNCTIONS

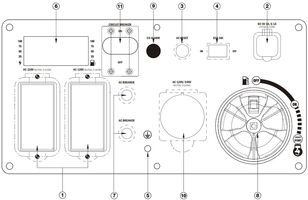
CONTROL PANEL FEATURES GM5500i
① 120-Volt, 20-Amp Duplex Outlet (NEMA 5-20R): The outlet is capable of carrying a maximum of 20 amps.
② USB Duplex: 5V DC that come in 1 amps and 2.1 amps.
③ AC Reset: If the inverter is overloaded, the reset breaker will trip. The engine will continue to run, but there will be no output from the inverter. Unplug the devices and reduce the load. Push in the reset breaker to reset it.
④ Efficiency Mode Switch: When turned to the ON position, the engine will sense the load needed and run at a slower RPM to save fuel.
⑤ Ground Terminal: The ground terminal is used to externally ground the inverter.
⑥ Multifunction Digital Display Meter: Yellow light means that the amount of oil is too low, red light means that the machine overload, green light means normal operation; Power display on the left, oil level display on the right; Rolling display mode, respectively display accumulative running time, output voltage, frequency rolling display mode.
⑦ AC Breaker: If the inverter is overloaded, the reset breaker will trip to block current.
⑧ Engine Switch: Control the operation and shutdown of generators.
⑨ CO Alarm: Flashing red light: dangerous levels of carbon monoxide gas have built up leave immediately until area has aired out. Move generator to well-ventilated area before operation. Flashing yellow light: carbon monoxide sensor malfunction. Sensor needs service.
⑩ 120-Volt, 30-Amp Outlet: The outlet is capable of carrying a maximum of 30 amps.
⑪ Circuit Breake: A circuit breaker interrupts the current when the whole circuit is overloaded.

CONTROL PANEL FEATURES GM6000iED
① 120-Volt, 20-Amp Duplex Outlet (NEMA 5-20R): The outlet is capable of carrying a maximum of 20 amps.
② USB Duplex: 5V DC that come in 1 amps and 2.1 amps.
③ Reset Breaker: If the inverter is overloaded, the reset breaker will trip. The engine will continue to run, but there will be no output from the inverter. Unplug the devices and reduce the load. Push in the reset breaker to reset it.
④ Low Idle: When turned to the ON position, the engine will sense the load needed and run at a slower RPM to save fuel.
⑤ Ground Terminal: The ground terminal is used to externally ground the inverter.
⑥ Fuel Source: GAS/LPG valve that changes the fuel into the engine.
⑦ AC Breaker: If the inverter is overloaded, the reset breaker will trip to block current.
⑧ Main Switch: Manage battery power and shutdown.
⑨ 120-Volt, 30-Amp Outlet (L5-30) : The outlet is capable of carrying a maximum of 30 amps.
⑩ CO Alarm: Flashing red light: dangerous levels of carbon monoxide gas have built up leave immediately until area has aired out. Move generator to wellventilated area before operation. Flashing yellow light: carbon monoxide sensor malfunction. Sensor needs service.
⑪ One Push Start: Press this button, the engine can start and stop.
DIGITAL DISPLAY CENTER

① HOURS: Represents single run time, goes from 0 at each startup.
② HOURS: Represents total operation time of the generator. The two factors ① and ② are displayed alternately every 8 seconds.
③ GASOLINE FUEL METER: Gasoline fuel level display.
④ VOLTAGE: Voltage display: 120V and 240V switch every 16 seconds.
⑤ FREQUENCY: Frequency display.
⑥ LOAD: Load power display.
⑦ POWER: Green light means normal operation.
⑧ OVERLOAD: Red light means the machine overload.
⑨ LOW OIL: Red light means the amount of oil is too low.
PREPARATIONS
Fuel
DANGER
- Fuel is flammable and toxic, please read the Safety Instruction carefully before refueling;
- Do not fuel too full, otherwise fuel will spill after fuel tank is warmed;
- After refueling, confirm that the fuel tank cap has been tightened.
ATTENTION
- After refueling, dry gasoline residue with a clean and soft cloth in time to avoid damaging plastic enclosure;
- Unleaded gasoline must be used, as leaded gasoline can seriously damage internal parts of the generator;
Remove fuel tank cap, and add gasoline to red horizontal indicating line oil level.
Fuel tank capacity: 3.6gal

Oil
No oil is filled into this generator when being delivered. Do not start up the generator without filling sufficient oil.
- Please place the generator onto a horizontal plane surface;
- Turn the knob ON the oil maintenance cover clockwise to “ON”, Unscrew oil dipstick;

- Fill in 0.21gal oil (SAE 10W/30 oil is recommended, of which the grade is API standard Type SE or higher);

- Reassemble oil cover plate and tighten the knob.
Pre-use Inspection
WARNING
Even if the generator is not in service, its important component may suddenly fails. Before the generator is started up, if any of following components is unable to work properly, please inspect and repair carefully.
Tip: The condition of the generator shall be inspected before using every time.
Pre-operation inspection
Fuel
• Check fuel level in fuel tank of the generator, and fuel it if necessary.
Oil
• Check oil level of the generator, and fill oil if necessary;
• Check whether there is oil leaking.
Abnormal conditions during operation
• Check operating condition of the generator;
• If there is any need, please do not hesitate to consult your dealer.
STARTING UP THE GENERATOR
GM5500i Startup Procedure
- Remove the load from all output ends;
- Connect battery line before first use:
1. Open the oil maintenance cover;
2. Connect the positive and negative electrodes of the battery.
- Press the ECO switch to “OFF”;

- Select boot Mode:
a. Hand Starting:
1. Turn engine switch to “START”;
2. First gently pull startup handle, until guy cable is hooked tight, and then pull it with effort;
3. After the generator starts, turn the four-in-one switch to “ON”.
b. Electrical Starting :
1. Turn engine switch to “START”;
2. Press the red button for 3-5 seconds and release;
3. Then flip the four-in-one switch to “ON”.
- Plug in after started.

GM6000iED Startup Procedure
- Remove the load from all output ends;
- Connect battery line before first use:
1. Open the oil maintenance cover;
2. Connect the positive and negative electrodes of the battery.
- Select the Fuel:
a. Gasoline: Turn the oil/gas switch to gasoline;
b. LPG:
1. Connect the LPG hose to the LPG tank;
2. Tighten the other end of the LPG hose to the generator intake;
3. Turn the fuel source switch to LPG.
- Press the LOW IDLE switch to “OFF”;

- Press the main switch to “ON”;

- Select Boot Mode:
a. Hand Starting: Pull the starting handle to start the generator.
b. One Button to Start: Press the one-click start button to start the generator.
c. Remote Start: Press the “START” button on the remote control to start the generator.
- Plug in after started.

Remote Control Pairing
- Long press the start button for more than 5 seconds until the button red indicator is on;
- Press any key on the remote control;
- The red indicator of the start button will blink two or three times and then turns off, Remote start pairing is successful.
Tip: The remote control delivered with the generator has been paired successfully.

SHUTTING DOWN THE GENERATOR
GM5500i shutdown procedure
- Unplug the power cord;
- Turn the four in-one switch to “OFF”, the generator stops running.

GM6000iED shutdown procedure
- Unplug the power cord;
- Select Stop Mode:
a. One Button to Start: Press the one-click start button to turn off the generator.
b. Remote Start: Press the “STOP” button on the remote control to turn off the generator.
- Press the main switch to “OFF”;

- Turn the oil/gas switch to middle to turn off gasoline /LPG.

USING THE GENERATOR
Service environment of the generator
- Applicable temperature: -5°C ~ 40°C;
- Applicable humidity: below 95%;
- Applicable altitude: regions below 1,500 m (It shall be used by reducing power in regions above 1,000 m).
Standard atmospheric condition - Ambient temperature Tr: 298k (25°C)
- Relative air humidity Фr: 30%
- Absolute atmospheric pressure Pr: 100kPa
When actual environmental condition is inconsistent with the condition of output power of the generator set: - Every 5°C of increase in ambient temperature will reduce the power of generator by about 2%.
- Every 30% of increase in relative humidity of air will reduce the power of generator by about 1.5%.
- Every 300 m rising of ASL will reduce the power the generator by about 4.5%.
Generator wiring
- When the generator is connected to household power source as a backup power supply, the connection shall be carried out by a professional electrician or a person familiar with electricity.
- After connecting the load to the generator, check carefully whether electrical connection is safe and reliable. Improper electrical connection may cause generator damage, burning or fire.
- Avoid connecting this generator to commercial power outlet.
- When extending the cable, be sure not to exceed its length.
① 60m cross-section area is 1.5mm²
② 100m cross-section area is 2.5mm² - The appearance of extension cable shall be protected by a layer of tough and elastic rubber cover (IEC25) or other substitutes.

Connection of AC power
WARNING
All electrical equipment shall be disconnected before inserting the plug.
ATTENTION
- Make sure that all electrical equipment, including wires and plugs, are in good condition before connecting to the generator;
- Make sure that all loads driven by the generator are within rated load range;
- Make sure that load current is within rated current range of rated socket. Tip: Make sure that the generator set is grounded, and if electrical equipment requires grounding, the generator set must be grounded.
① Start up the engine;
② Turn energy-saving switch to “ON”;
③ Insert the plug into AC outlet;
④ Make sure that AC indicator is lit up;
⑤ Switch on electrical equipment.
Tip: Before increasing engine speed, energysaving switch must be switched to “OFF”. If the generator set supplies power to multi loads or electrical equipment, start from large to small according to the size of each electrical equipment.

Generator grounding
In order to prevent any damage to the generator caused by electric shock or improper electrical application, it is recommended that the generator is grounded with good conductor with insulating sheath.
① Please use grounding wire with sufficient electrical energy capacity;
② Connect one end of grounding wire reliable to grounding bolt on control panel of the generator set;
③ Insert grounding body (iron rod with a diameter of 5 ~ 10mm) 200mm below into the earth and lead it out with conductor;
④ Connect the other end of the grounding wire reliable to the led wire of grounding body.

SERVICE AND MAINTENANCE
Good maintenance and service is the best guarantee for safe, economical and zero-failure operation. It also contributes to environmental protection.
In order to keep the generator in good condition, you must inspect and maintain it regularly. The maintenance schedule is as follows:
| Item | Maintenance cycle | ||||
| Each | First in 1 month 20 hours ours | Then every three months or every 50 hours | 100 hours per year or use | ||
| Engine oil | Check-fill | √ | |||
| Replace | √ | √ | |||
| Gearbox gear Oil (if any) | Check oil | √ | |||
| Replace | √ | √ | |||
| Air cleaner element | Inspection | √ | |||
| Clean | √ | ||||
| Replace | √ | ||||
| Settling cup (if any) | Clean | √ | |||
| Spark plug | Clean-adjust | √* | |||
| Spark eliminator | Clean | √ | |||
| Idle (if any)** | Check-adjust | √ | |||
| Valve clearance** | Check-adjust | √ | |||
| Fuel tank and fuel filter*” | Clean | √ | |||
| Fuel line | Inspection | Every two yeara (Please replace if ecessary) | |||
| Cylinder head, piston | Remove carbon deposit** | Displacement < 225cc, every 125 hours; displacement capacity 1. 225cc, every 250 hours. | |||
| * These items shall be replaced if necessary; **These items shall be maintained by the dealer authorized by the Company, unless the user has proper tools and maintenance ability. | |||||
ATTENTION
- If it often works under high temperature or high load, oil shall be changed every 25 hours;
- If it often works in dusty or harsh environment, air cleaner element shall be cleaned every 10 hours. If necessary, the air cleaner element shall be replaced every 25 hours;
- It shall be maintained on spot-inspection cycle and time, whichever is earlier;
- If maintenance cycle time has elapsed, perform the maintenance as soon as possible as per the table above.
WARNING
Please shut down the engine first before performing any maintenance. The engine shall be placed in a horizontal position. In order to prevent the engine from starting up, separate spark plug cap shall be separated from spark plug.
Do not use it indoors or use it in a tunnel, cave or other places ventilated poorly. Make sure that work area is well ventilated. Exhaust gas from the engine contains toxic gases, carbon oxides, and the inhalation can cause shock, loss of consciousness, and even death.
Spark plug inspection
Spark plug is an important part of the generator, which must be inspected regularly.
- Loosen the two bolts on the left panel cover, remove the left panel cover, and remove the high voltage pack;

- Insert the screwdriver into the sleeve, to screw it counterclockwise, and then remove the spark plug;

- Check whether there is discoloration, and remove carbon deposits. Check whether there is little pale to moderate brown on ceramic cores around center electrode of the spark plug;

- Check the model of spark plug and clearance.
Standard spark: BPR6ES
Spark plug gap: 0.7-0.8mm
Tip: The spark plug clearance is required to be measured by line thickness gauge, which shall be adjusted if necessary. - Install the spark plugs in reverse order of removal.
Spark cold torque: 22.5±2.5 N.m
Tip: If there is no torque wrench when installing the spark plug, a better estimation method is to screw it 1/4-1/2 turns by force after screwing it in place, but the spark plug shall be screwed to specified torque as soon as possible.
Adjustment of the carburetor
The carburetor is an important components of the engine. The adjustment shall be carried out by a dealer with professional knowledge, professional data and equipment, to ensure that the adjustment is proper.
Replacement of oil
WARNING
Do not drain the oil immediately after turning off the generator. Oil temperature is very high, when operating, take care to avoid scalding.
- Put the generator on a horizontal plane, start the generator, run it for a few minutes to make it warm, then turn off the engine;
- Turn the knob on the oil maintenance cover clockwise and remove the lid;

- Place an oil pan under the engine, tilt the generator to quickly pour out oil;
After discharging the oil, put the generator back on level ground;
- Unscrew oil dipstick;

- Refill oil to a proper level, tighten oil dipstick, cover external cover plate and tighten the knob.
Recommended oil: SAE S10W/30 Oil grade: API standard Model SJ or higher Volume: 0.12gal
Air filter
Dirty air cleaner may prevent air from flowing into the carburetor. In order to prevent failure of the carburetor, please maintain air cleaner regularly. If being used in a dusty environment, it shall be maintained frequently.
- Loosen the bolt on the left appearance cover plate and remove the left appearance cover plate;

- Remove screws , to remove cover plate of air cleaner ;

- Clean foam cleaner element with cleaning solvent and blow it dry, Put a few drops of oil on the filter element.
ATTENTION
Be sure not to twist the foam cleaner element forcibly to avoid damage.
- Put foam cleaner element into air cleaner;
Tip: Make sure that the surface of foam cleaner element is in close contact with air cleaner, and there shall be no gap leaking air. Be sure not to start the engine before air cleaner is assembled, because it will generate excessive toxic gas and wear the cylinder;
- 1. Reassemble empty air cleaner cap back to original position, and tighten screws;
2. Assemble left outer cover and tighten bolts.
Fuel filter screen
WARNING
Be sure not to open fuel tank of the generator in a place where smoking or with flame.
- Remove fuel tank cap and fuel tank filter screen.
- Clean fuel tank filter screen with gasoline.
- Wipe filter screen dry, and put it back into fuel tank.
- Reassemble fuel tank cap.

ATTENTION
Be sure to screw fuel tank cap tight.
STORAGE AND TRANSPORT
Generator storage
If it is stored long-term, in order to prevent aging, you shall take some storage measures.
- Shut down generator.
- Open fuel tank cap, to take out fuel filter screen. Pump all fuel in fuel tank into special fuel tank, and then reassemble fuel tank cap back.

- Start up the engine to burn off fuel in the carburetor, and then shut it down.
Tip: Do not connect any electrical equipment. Running time of the engine depends on remaining fuel in the fuel tank. - Open generator left exterior cover and enter carburetor. Locate the clear plastic hose from the carburetor and place a suitable container under it to capture the drained fuel.

- Loosen the carburetor drain screws until you see fuel draining from the carburetor.

- Allow fuel to drain into the container and tighten the drain screws on the carburetor. Install the engine service panel.

- Unscrew oil dipstick, and drain oil in the crankcase off. Fill new oil to upper oil limit, and then assemble oil dipstick.

- Gently pull startup handle until you feel resistance, allowing both inlet valve and exhaust valve to be closed.

- Disconnect the battery cable.
- Place the generator set in a clean and dry area.
Generator transport
- When the generator set is transported, it shall be ensured that there is no fuel spilling;
- Do not fill excessive fuel into fuel tank;
- Do not run the generator, and avoid direct sunlight;
- Do not transport the generator set on rough road for long time.
TROUBLESHOOTING
| Problem | Possible Causes | Probable Solutions |
| Engine will not start | FUEL RELATED: 1.No fuel in tank or fuel valve closed. 2.Choke not in START position, cold engine. 3.Gasoline with more than 10% ethanol used. (E15. E20. E85, etc.) 4.Low quality or deteriorated, old gasoline. 5.Carburetor not primed. 6.Dirty fuel passageways. 7.Carburetor needle stuck. Fuel can be smelled in the air. 8.Too much fuel in chamber. This can be caused by the carburetor needle sticking. 9.Clogged Fuel Filter. | FUEL RELATED: 1.Fill fuel tank with fresh 87+ octane stabilizer-treated unleaded gasoline and open fuel valve. Do not use gasoline with more than 10% ethanol (E15, E20, E85, etc.). 2.Move Choke to START position. 3.Clean out ethanol rich gasoline from fuel system. Replace components damaged by ethanol. Use fresh 87+ octane stabilizer-treated unleaded gasoline only. Do not use gasoline with more than 10% ethanol (EIS, E20, E85, etc.). 4.Use fresh 87+ octane stabilizer-treated unleaded gasoline. Do not use gasoline with more than 10% ethanol (E15, E20, E85, etc.). 5.Pull on Starter Handle to prime. 6.Clean out passageways using fuel additive. Heavy deposits may require further cleaning. 7.Gently tap side of carburetor float chamber with screwdriver handle. 8.Turn Choke to RUN position. Remove spark plug and pull the start handle several times to air out the chamber. Reinstall spark plug and set Choke to START position. 9.Replace Fuel Filter. |
| IGNITION (SPARK) RELATED: 1. Power Switch at OFF position. 2. Spark plug cap not connected securely. 3. Spark plug electrode wet or dirty. 4. Incorrect spark plug gap. 5. Spark plug cap broken. 6. Circuit breaker tripped (electric start models only). 7. Incorrect spark timing or faulty ignition system. | IGNITION (SPARK) RELATED: 1.Turn Power Switch to ON. 2.Connect spark plug cap properly. 3.Clean spark plug. 4.Correct spark plug gap. 5.Replace spark plug cap. 6.Reset circuit breaker. Check wiring and starter motor if breaker continues to trip. 7.Have qualified technician diagnose/ repair ignition system. | |
| COMPRESSION RELATED: 1.Cylinder not lubricated. Problem after long storage periods. 2. Loose or broken spark plug. (Hissing noise will occur when trying to start.) 3. Loose cylinder head or damaged head gasket. (Hissing noise will occur when trying to start.) 4. Engine valves or tappets mis-adjusted or stuck. | COMPRESSION RELATED: 1.Pour tablespoon of oil into spark plug hole. Crank engine a few times and try to start again. 2. lighten spark plug. If that does not work, replace spark plug. If problem persists. may have head gasket problem, see O. 3.lighten head. If that does not remedy problem, replace head gasket. 4.Have qualified technician adjust/ repair valves and tappets. | |
| ENGINE OIL RELATED: 1. Low engine oil. 2. Engine mounted on slope. triggering low oil shutdown. | ENGINE OIL RELATED: 1.Fill engine oil to proper level. Check engine oil before EVERY use. 2.Operate engine on level surface. Check engine oil level. | |
| SPARK ARRESTOR RELATED: 1. Spark Arrestor clogged with soot. | SPARK ARRESTOR RELATED: 1. Clean and replace Spark Arrestor. | |
| Engine misfires | 1.Spark plug cap loose. 2.Incorrect spark plug gap or damaged spark plug. 3.Defective spark plug cap. 4.Old or low quality gasoline. 5.Incorrect compression. | 1.Check cap and wire connections. 2.Re-gap or replace spark plug. 3.Replace spark plug cap. 4.Use only fresh 87+ octane stabilizer-treated unleaded gasoline. Do not use gasoline with more than 10% ethanol (E15, E20, E85, etc.). 5.Diagnose and repair compression. (Use Engine will not start: COMPRESSION RELATED section.) |
| Engine stops suddenly | 1.Carbon Monoxide level high. Red light on Carbon Monoxide Sensor Illuminates. 2.CO Sensor Alarm flashes yellow continually shortly after starting, 3.CO Sensor Alarm flashes yellow continually after longer period of operation. 4.Low oil shutdown. 5.Fuel tank empty or full of impure or low quality gasoline. 6.Defective fuel tank cap creating vacuum, preventing proper fuel flow. 7.Faulty magneto. 8.Disconnected or improperly connected spark plug cap. | 1.Leave area immediately and allow area to ventilate thoroughly. Only operate generator outside. 2.Carbon monoxide sensor malfunction. Sensor needs service. Do not use the Generator until the sensor is working properly. 3.Make sure to operate generator within rated ambient temperature; maintain minimum 5 ft. clearance from all sides. 4.Fill engine oil to proper level. Check engine oil before EVERY use. 5.Fill fuel tank with fresh 87+ octane stabilizer treated unleaded gasoline. Do not use gasoline with more than 10% ethanol (E15. E20. E85, etc.). 6.Test/replace fuel tank cap. 7.Have qualified technician service magneto. 8.Secure spark plug cap. |
| Engine stops when under heavy load | 1.Dirty air filter 2.Engine running cold | 1.Clean element. 2.Allow engine to warm up prior to operating equipment. |
| Engine knocks | 1. Old or low quality gasoline. 2. Engine overloaded. 3. Incorrect spark timing, deposit buildup, worn engine, or other mechanical problems. | 1.Fill fuel tank with fresh 87+ octane stabilizer-treated unleaded gasoline. Do not use gasoline with more than 10% ethanol (E15, E20, E115, etc.). 2.Do not exceed equipment’s load rating. 3.Have qualified technician diagnose and service engine. |
| Engine backfires | 1.Impure or low quality gasoline. 2.Engine too cold. 3.Intake valve stuck or overheated engine. 4.Incorrect timing. | 1.Fill fuel tank with fresh 87+ octane stabilizer-treated unleaded gasoline. Do not use gasoline with more than 10% ethanol (E15, E20, E85, etc.). 2.Use cold weather fuel and oil additives to prevent backfiring. 3.Have qualified technician diagnose and service engine. 4.Check engine timing. |
| Attached device doesn’t have power | 1. Device not plugged in property. 2. Circuit Breaker tripped. 3. Product needs service. | 1.Turn off and unplug the device, then plug it back in again and turn on, 2.Turn off and unplug device, reset Circuit Breaker, plug in device and turn on. 3. Have product repaired. |
| Attached device begins to operate abnormally | 1. Problem with device. 2. Rated load capacity exceeded. | 1.Immediately unplug device. Have device repaired by a qualified technician, or replace device. 2. Lower the number of items plugged into the generator to stay within the rated capacity, or use a more powerful generator. |
Follow all safety precautions whenever diagnosing or servicing the generator or engine.
TECHNICAL PARAMETERS
| Item | GM55001 | GM6000iED |
| Rated Power (kW) | 5.0 | 5.25(GAS.)14.75(LPG) |
| Max. Power (kW) | 6. | 6.0(GAS.)/5.5(LPG) |
| Engine Model | 180F/P-2 | 180F/P-2 |
| Stroke x Bore (mm) | 80×62 | 80×62 |
| Engine Type | 4-stroke | 4-stroke |
| Displacement (cc) | 312 | 312 |
| Gas Distribution Mode | 01-1V | OHV |
| Cooling Mode | Forced cooling wind | |
| Rated Speed (RPM) | 3600 | 3600 |
| Starting Method | Recoil start/Electrical start | Recoil start/Electrical start/Remote start |
| Fuel Tank Volume (gal) | 4. | 4. |
| Fuel Type and Grade | Vehicle-use unleaded gasoline | |
| Lubricating Oil Capacity (gal) | 0.21 | 0.21 |
| Lubricating Oil Model | SAE 10W/30 | SAE 10W/30 |
| Noise dB (at 7m)(25% load) | 62 | 62 |
| Rated Voltage (V) | 120/240 | 120/240 |
| Rated Frequency (Hz) | 60 | 60 |
| Rated Power Factor | 1 | 1 |
| Phase Number | Single phase | Single phase |
| Run Time @ 25% (h) | 13 | 13 |
| Overall Dimension (in.) | 24.0×18.5×21.1 | 24.0×18.5×21.1 |
| Net Weight (lb.) | 117. | 118. |
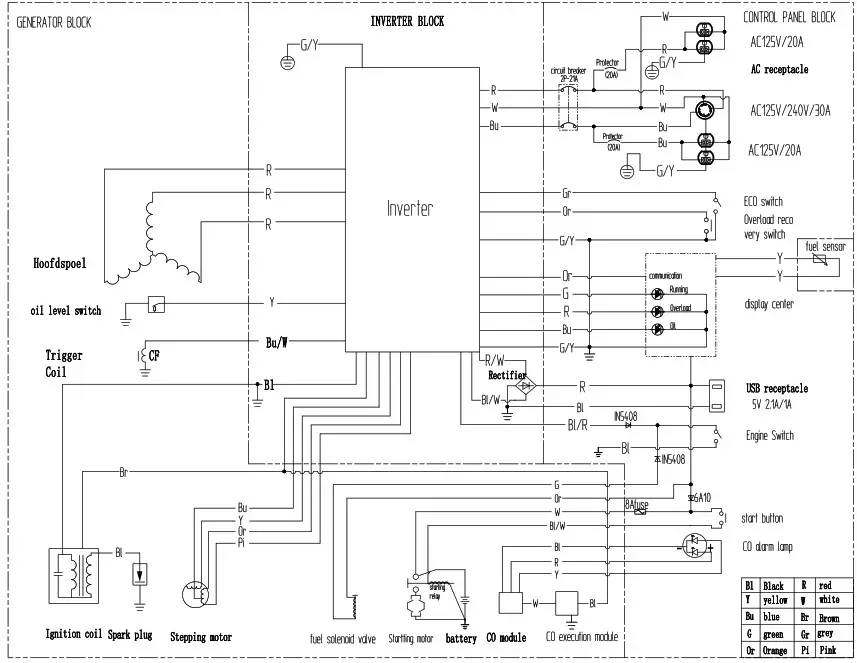
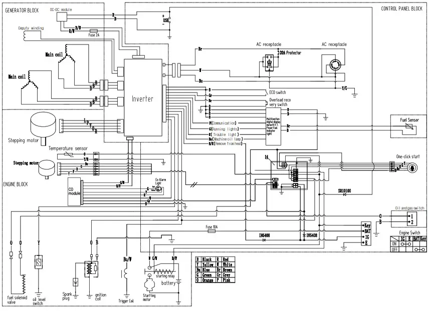
CIRCUIT DIAGRAM
GM5500i SCHEMATICS

GM6000iED SCHEMATICS

CHOOSING A GENERATOR
HOW TO CALCULATE
Running Watts needed: Total Running Watts of ALL items to be powered by the generator.
Starting Watts needed. Add highest SINGLE Starting Watt to Total Running Watts needed above.

![]()
![]()
In production management, based on orderly, efficient, scientific principles. trying to do as better as possible in product design, development, production, inspection, etc. to make our production can keep orderly . And will continue to make improvement to make sure that keep the competitiveness.
Welcome friends at home and abroad to visit and guide, work together to create brilliant.

Caojie Industrial Park,Hechuan District,Chongqing
Phone 866-960-2920
E-mail [email protected]
http://www.genmaxpower.com/
![]()
6800.528.GEM.02.02 V1






Do not use the generator in a directionthat the exhaust emission to the occupied structures, the sparks in the exhaust emission may start fires.
A hot exhaust system can cause serious burns, avoid contact if the engine has been running.
Do not use the generator in door or garage,
Before using the generator, please




b. Electrical Starting :


b. LPG:













Tip: The spark plug clearance is required to be measured by line thickness gauge, which shall be adjusted if necessary.
Tip: If there is no torque wrench when installing the spark plug, a better estimation method is to screw it 1/4-1/2 turns by force after screwing it in place, but the spark plug shall be screwed to specified torque as soon as possible.

































