
USER MANUAL

FOR MODELS:
GM5500i
Digital Inverter Generator
5000 Running Watts | 5500 Peak Watts
California
Proposition 65 Warning
The engine exhaust from this product contains chemicals known to the state of California to cause cancer birth defects or other reproductive harm.
California
Proposition 65 Warning
Certain components in this product and its related accessories contain chemicals known to the state of California to cause cancer birth defects or other reproductive harm. Wash hands after handling.
DISCLAIMERS:
All information, illustrations and specifications in this manual are based on the latest information available at the time of publishing. The illustrations used in this manual are intended as representative reference views only. Moreover, because of our continuous product improvement policy, we may modify information, illustrations and/or specifications to explain and/or exemplify a product, service or maintenance improvement. We reserve the right to make any change at any time without notice. Some images may vary depending upon which model is shown.
ALL RIGHTS RESERVED:
No part of this publication may be reproduced or used in any form by any means – graphic, electronic or mechanical, including photocopying, recording taping or information storage and retrieval systems – without the written permission of CHONGQING DINKING POWER MACHINERY CO., LTD
This manual contains important instructions for operating this inverter generator. For your safety and the safety of others, be sure to read this manual thoroughly before operating the generator. Failure to properly follow all instructions and precautions can cause you and others to be seriously hurt or killed. |
TECHNICAL SPECIFICATIONS
| Model Number | Running Watts | Peak Watts | Fuel Tank Size (Gel) | Rated Speed (RPM) | Ignition Type | Spark plug | Engine Disp (cc) | Stroke X Bore | Oil Capacity (Gel) | Oil Type |
| GM5500i | 5000 | 5500 | 3.5 | 3600 | CDI | A5RTC | 312 | 80 x 62 | 0.21 | 10W30 |
NEUTRAL FLOATING
For portable generators where the neutral is floating, the operator’s manual shall include the following wording or equivalent:
The portable generator stator winding is isolated from the frame and from the AC receptacle ground pin; and Electrical devices that require a connection between one conductor pin and the grounded receptacle pin may not function properly.
LIMITED WARRANTY
- DURATION: One (1)year from the date of purchase by the original purchaser ( retail customer ) on products used solely for consumer applications; if a product is used for business, commercial, or industrial applications, the warranty period will be limited to ninety (90) days from the date of purchase.
- WHO GIVES THIS WARRANTY (WARRANTOR):
CHONGQING DINKING POWER MACHINERY CO., LTD - WHO RECEIVES THIS WARRANTY(PURCHASER):
The original purchaser (other than for purposes of resale) of the Genmax’ s inverter. - WHAT PRODUCTS ARE COVERED BY THIS WARRANTY:
Any portable generator supplied or manufactured by Warrantor. - WHAT IS COVERED UNDER THIS WARRANTY:
Substantial defects on material and workmanship which occur within the duration of the warranty period. - WHAT IS NOT COVERED UNDER THIS WARRANTY:
A. Transportation changes for s ending the product to Warrantor or its authorized service representative for warranty service, or for shipping repaired or replacement products back to the customer; these charges must be borne by the customer.
B. Damages caused by abuse, accident, shipping, misuse, overloading, modification, and the effects of corrosion, erosion and normal wear and tear
C. Warranty is voided if the customer fails to install, maintain and operate the product in accordance with the instructions and recommendations set forth in the owner’s manual(s), or if the product is used as rental equipment.
D. Pre-delivery service, i.e. assembly, oil or lubricants and adjustment.
E. Items or service that are normally required to maintain the product, i.e. lubricants and filters.
F. Warrantor will not pay for repairs or adjustments to the product, or for any costs or labour, performed without Warrantor ‘s prior authorization.
EXCLUSIONS AND LIMITATIONS : Warrantor makes no other warranty of any kind, express or implied. Implied warranties, including warranties of merchantability and of fitness for a particular purpose, are hereby disclaimed. This warranty service described above is the exclusive remedy under this warranty; liability for incidental and consequential damages is excluded to the extent permitted by law. - RESPONSIBILITIES OF PURCHASER UNDER THIS WARRANTY:
A. The purchaser must provide dated proof of purchase and must notify Warrantor within the warranty period.
B. Deliver or ship the serviced generator or component to the nearest Warrantor’s authorized service representative. Freight costs, if any, must be norne by the purchaser. - HAVE QUESTIONS?
Email: [email protected] Phone: 866-960-2920
WARRANTY CARD
PERSONAL INFORMATION INVERTER INFORMATION
Name: ___________________ Model Number: ____________
Street Address: ____________ Serial Number: _____________
City, State, ZIP: ___________ Date Purchased: ____________
Country: _________________ Purchased From: ___________
Phone Number: ___________
E-Mail: __________________ 
SAFETY
SAFETY DEFINITIONS
The words DANGER, WARNING, CAUTION and NOTICE are used throughout this manual to highlight important information. Be certain that the meanings of these alerts are known to all who work on or near the equipment.

This safety alert symbol appears with most safety statements. It means attention, become alert, your safety is involved! Please read and abide by the message that follows the safety alerts symbol.
| Indicates a hazardous situation which, if not avoided, will result in death or serious injury. |
| Indicates a hazardous situation which, if not avoided, could result in death or serious injury. |
| Indicates a hazardous situation which, if not avoided, could result in minor or moderate injury. |
| NOTICE |
| Indicates a situation which can cause damage to the generator, personal property and/or the environment, or cause the equipment to operate improperly. |
| Connection of the product to a building’s electrical system is not applicable. |
NOTE: Indicates a procedure, practice or condition that should be followed in order for the generator to function in the manner intended.
SAFETY SYMBOL DEFINITIONS
| Symbol | Description |
| Safety Alert Symbol | |
| Asphyxiation Hazard | |
| Burn Hazard | |
| Burst/Pressure Hazard | |
| Don’t leave tools in the area | |
| Electrical Shock Hazard | |
| Explosion Hazard | |
| Fire Hazard | |
| Lifting Hazard | |
| Pinch-Point Hazard | |
| Read Manufacturer’s Instructions | |
| Read Safety Messages Before Proceeding | |
| Wear Personal Protective Equipment (PPE) |
GENERAL SAFETY RULES
|
|
| NOTICE |
| Never modify the inverter. Never operate the inverter if it vibrates at high levels, if engine speed changes greatly or if the engine misfires often. Always disconnect tools or appliances from the inverter before starting. |
SAFETY LABELS AND DECALS GM5500i

(1)

Do not use the generator in a direction that the exhaust emission to the occupied structures, the sparks in the exhaust emission may start fires.
(2)

A hot exhaust system can cause serious burns, avoid contact if the engine has been limning.
(3)

Do not use the generator In door or garage, the exhaust contains carbon monoxide, this is a poison you cannot see or smell, and it will kill you in minutes.
(4)

Before using the generator, please reed the operation manual. Be careful with the shock hazard. Be careful, the fuel Is flammable, do not add the fuel when the engine is running.
(5)

UNPACKING
Tools required – box cutter or similar device.
- Carefully cut the packing tape on top of the carton.
- Remove socket wrench, oil and funnel and save for later.
- Carefully cut two sides of the carton to remove the inverter.
WHAT COMES IN THE BOX
Spark Plug Socket Wrench (1)
Owner Manual (1)
Warranty Information (1)
Funnel (1)
FEATURES
BASIC INVERTER FEATURES GM5500i


(1) FuelCap: Open the fuel tank cap and fill with proper amount of gasoline.
(2) Control Panel: Contains the reset breaker, outlets and warning lights.
(3) Muffler and Spark Arrestor: Avoid contact until the engine is cooled down. The spark arrestor prevents sparks from exiting the muffler. It must be removed for servicing.
(4) Recoil Handle: Pull to start the engine.
(5) Recoil Handle Protective Cover: Prevents pull cord wire from damaging inverter body.
(6) Engine Service Panel: Remove the panel to access the engine for maintenance.
(7) Engine Cooling Vents: Helps move airflow in unit to regulate engine temperatures.

CONTROL PANEL FEATURES GM5500i
(1) 120-Volt, 20-Amp Duplex Outlet (NEMA 5-20R): The outlet is capable of carrying a maximum of 20 amps.
(2) USB Duplex: 5V DC that come in 1 amps and 2.1 amps.
(3) Reset Breaker: If the inverter is overloaded, the reset breaker will trip. The engine will continue to run, but there will be no output from the inverter. Unplug the devices and reduce the load. Push in the reset breaker to reset it.
(4) Efficiency Mode Switch: When turned to the ON position, the engine will sense the load needed and run at a slower RPM to save fuel.
(5) Ground Terminal: The ground terminal is used to externally ground the inverter.
(6) Multifunction Digital Display Meter: Yellow light means that the amount of oil is too low red light means that the machine overload green light means normal operation; Power display on the left, oil level display on the right; Rolling display mode, respectively display accumulative running time, output voltage, frequency rolling display mode.
(7) Circuit Breake: A circuit breaker interrupts the current when the whole circuit is overloaded.
(8) CO Alarm LED: Flashing red light: dangerous levels of carbon monoxide gas have built up leave immediately until area has aired out. Move generator to well-ventilated area before operation. Flashing yellow light: carbon monoxide sensor malfunction. Sensor needs service
(9) Engine Switch: Switch to ON to turn ON the fuel, then hold down to start the generator.
(10) AC Breaker: If the inverter is overloaded, the reset breaker will trip to block current.
(11) 120-Volt, 30-Amp Outlet (NEMA RV30): The outlet is capable of canying a maximum of 30 amps.
OPERATION
BEFORE STARTING THE INVERTER
BEFORE STARTING THE INVERTER, REVIEW SAFETY SECTION STARTING ON PAGE 5.
Location Selection – Before starting the inverter, avoid exhaust and location hazards by verifying:
- You have selected a location to operate the inverter that is outdoors and well ventilated.
- You have selected a location with a level and solid surface on which to place the inverter.
- You have selected a location that is at least 6 feet (1.8 m) away from any building, other equipment or combustible material.
- If the inverter is located close to a building, make sure it is not located near any windows, doors and/ or vents.
Using a generator indoors | |
![]() NEVER use inside a home or garage, EVEN IF doors and windows are open. | ![]() Only use OUTSIDE and far away from windows, doors, and vents. |
| Avoid other generator hazards. READ MANUAL BEFORE USE. | |
| NOTICE |
| Only operate the inverter on a solid, level surface. Operating the inverter on a surface with loose material such as sand or grass clippings can cause debris to be ingested by the inverter that could:
|
Weather – Never operate your inverter outdoors during rain, snow or any combination of weather conditions that could lead to moisture collecting on, in or around the generator.
Dry Surface – Always operate the inverter on a dry surface free of any moisture.
No Connected Loads – Make sure the inverter has no connected loads before starting it. To ensure there are no connected loads unplug any electrical extension cords that are plugged into the control panel receptacles.
| NOTICE |
| Starting the inverter with loads already applied to it could result in damage to any appliance being powered off the inverter during the brief start-up period. |
Grounding the GENMAX Inverters
Consult with your local municipalities for your grounding codes.
POWERCORD
Using Extension Cords
GENMAX Portable Power assumes no responsibility for the content within this table. The use of this table is the responsibility of the user only. This table is intended for reference only. The results produced by using this table are not guaranteed to be correct or applicable in all situations as the type and construction of cords are highly variable. Always check with local regulations and a licensed electrician prior to installing or connecting an electrical appliance
Extension Cord Wire Gauge Size
| LENGTH OF EXTENSION CORD (ft) | |||||||||
| AMPS | 10 | 20 | 30 | 40 | 50 | 60 | 80 | 100 | 120 |
5 | 20 | 18 | 16 | 14 | 12 | 12 | 10 | 10 | 8 |
| 10 | 18 | 16 | 14 | 12 | 12 | 10 | 10 | 8 | 8 |
15 | 16 | 14 | 12 | 12 | 10 | 10 | 8 | 8 | 6 |
| 20 | 14 | 12 | 12 | 10 | 10 | 8 | 8 | 6 | 6 |
25 | 12 | 12 | 10 | 10 | 8 | 8 | 6 | 6 | 6 |
| 30 | 12 | 10 | 10 | 8 | 8 | 6 | 6 | 6 | 6 |
35 | 10 | 10 | 8 | 8 | 6 | 6 | 6 | 6 | 6 |
INVERTER PARALLELING OPERATION
INVERTER PARALLELING OPERATION
- Using only the GENMAX paralleling cord with both cord switches set to OFF (O), connect one male plug to one inverter and connect the remaining plug into the other inverter. Either of the receptacles on the inverters can be used.
- Start one of the inverters and wait until the output ready light is on.
- Turn both cord switches to ON (I).
- Start the remaining inverter; wait until the output ready light is on before connecting the load.
- When power is present, a light will illuminate in the three-prong plug that is plugged into the inverter.
- To stop the inverters, unplug all connected loads, turn both cord switches to OFF (O) and unplug the cord on each inverter.
- If during operation the inverters’ output is stopped due to overloading, reduce the connected load by unplugging appliances, and then push the reset button and restart the inverter. When the ready light is on, the load can be reconnected.
INITIAL OIL FILL
BEFORE ADDING ENGINE OIL, REVIEW SAFETY SECTION STARTING ON PAGE 5.
| NOTICE |
| Engine oil must be added when the inverter is on a flat, level surface, or an inaccurate reading may result. Do not overfill. If the engine is overfilled with oil, it can cause serious engine damage. |
1. Loosen the screw and remove the engine oil fill/ drain plug service panel to access the oil fill/drain plug (see Figure 1)

Figure 1: Engine Service Panel
2. Clean the area around the oil fill/drain plug and remove plug (See Figure 2).

Figure 2: Oil EN/Drain Plug
3. Using the supplied funnel and oil, pour the entire bottle of oil into the engine (see Figure 3).

Figure 3: Oil Funnel
4. Do not overfill, if oil level is too high, oil will drain out through the fill plug. See correct oil level in Figure 4.

Figure 4: Engine Oil Correct Level
ADDING/CHECKING ENGINE FLUIDS AND FUEL
BEFORE ADDING/CHECKING ENGINE FLUIDS AND FUEL, REVIEW SAFETY SECTION STARTING ON PAGE 5.
Before starting the inverter, always check the level of:
- Engine oil
- Gasoline in the fuel tank
Once the inverter is started and the engine gets warm, it is not safe to add gasoline to the fuel tank or engine oil to the engine while the engine is running or the engine and muffler are hot.
CHECKING AND / OR ADDING ENGINE OIL
The unit as shipped does not contain oil in the engine. You must add engine oil before starting the inverter for the first time. See Initial Oil Fill on page 13 for instructions on checking engine oil level and the procedure for adding engine oil.
| NOTICE |
| The engine does not contain engine oil as shipped. Attempting to start the engine without adding engine oil will permanently damage internal engine components. The engine is equipped with a low oil shutdown switch. If the oil level becomes low, the engine may shut down and not start until the oil is filled to the proper level. The owner of the inverter is responsible to ensure the proper oil level is maintained during the operation of the generator. Failure to maintain the proper oil level can result in engine damage. |
ADDING GASOLINE TO THE FUEL TANK
Required Gasoline – Only use gasoline that meets the following requirements:
- Unleaded gasoline only
- Gasoline with maximum 10% ethanol added
- Gasoline with an 87 octane rating or higher
Filling the Fuel Tank – Follow the steps below to fill the fuel tank:
1. Shut off the inverter.
2. Allow the inverter to cool down so all surface areas of the muffler and engine are cool to the touch.
3. Move the inverter to a flat surface.
4. Clean area around the fuel cap.
5. Remove the fuel cap by rotating counterclockwise.
| NOTICE |
| Do not overfill the fuel tank. Spilled fuel will damage some plastic parts. |
6. Slowly add gasoline into the fuel tank. Be very careful not to overfill the tank. The gasoline level should NOT be higher than the red ring (see Figure 5).
7. Install the fuel cap by rotating clockwise.

Figure 5: Maximum Gasoline Fill Level
STARTING THE INVERTER
BEFORE STARTING THE INVERTER, REVIEW SAFETY SECTION STARTING ON PAGE 5.
For proper starting and operation of the inverter, make sure you review the inverter features and their descriptions starting on page 8.
Before attempting to start the inverter, verify the following:
- The engine is filled with engine oil (see Figure 4: Engine Oil Correct Level on page 13).
- The inverter is situated in a proper location (see Location Selection on page 11).
- The inverter is on a dry surface (see Weather and Dry Surface on page 11).
- All loads are disconnected from the inverter (see No Connected Loads on page 11).
- The inverter is properly grounded (see Grounding the Inverter on page 11)
Recoil Starter
- Remove all the loads out of the output;
- Turn the four-in-one switch to “CHOKE START”;
- Then quickly pull the starting handle (see Figure 6);
- After the generator starts, turn the four-in-one switch to “RUN” and the generator can be used normally with load.

Figure 6: Pull the Recoil Handle out from Inverter
Electric starting
- Remove all the loads out of the output;
- Turn the four-in-one switch to “CHOKE START” and press the red button for 3-5 s before releasing the generator;
- Then turn the four-in-one switch to “RUN” and the generator can be used normally with load.
WARNING: When the generator is started in warm state, there is no need to turn the four-in-one switch to “CHOKE START”.
NOTICE: Turning the four-in-one switch to “CHOKE START” and pressing the red button for more than 5 s will damage the starting motor. If startup fails, release the switch and wait 10 seconds before restarting.
If the speed of the starter motor drops rapidly after a period of time, it means that the battery should be recharged.
STOPPING THE INVERTER
Normal Operation
During normal operation, use the following steps to stop your inverter:
- Remove all loads in the output;
- Turn the four-in-one switch to “OFF”, and the generator stops running.
USING EFFICIENCY MODE
The inverter is equipped with an efficiency mode switch to minimize fuel consumption. In efficiency mode, the inverter will sense the load and adjust the engine RPM to the current load requirements. Efficiency mode should be used only after the inverter has been warmed up to operating temperature.
- To turn on the efficiency mode press the switch to the ON position).
- If no load is present the inverter RPM will drop down to an idle speed.
- As a load is applied, the inverter will sense the load and engine RPM will increase according to the load applied.
- To run the inverter at maximum power and RPM, press the efficiency mode switch to the OFF position.
RESETTING THE RESET BREAKER
The inverter will trip the breaker and automatically disconnect from the load when the controls sense a predetermined overload condition. The inverter engine will continue to run, but there will not be any electrical output.
1. Turn off all devices and unplug them from the inverter.
2. Determine the wattage required from the devices being powered by the inverter. Make sure the wattage required does not exceed the maximum output of the inverter.
3. Press in the reset breaker to reset it (see Figure 7).

Figure 7: Press in reset breaker
4. Plug the devices in to the inverter.
5. Turn on the devices as needed.
MAINTENANCE
BEFORE PERFORMING MAINTENANCE ON THE INVERTER, REVIEW THE SAFETY SECTION STARTING ON PAGE 5, AS WELL AS THE FOLLOWING SAFETY MESSAGES.
| NOTICE |
| Periodic maintenance intervals vary depending on inverter operating conditions. Operating the inverter under severe conditions, such as sustained high-load, high-temperature, or unusually wet or dusty environments, will require more frequent periodic maintenance. The intervals listed in the maintenance schedule should be treated only as a general guideline. |
Following the maintenance schedule is important to keep the inverter in good operating condition. The following is a summary of maintenance items by periodic maintenance intervals.
TABLE 1: MAINTENANCE SCHEDULE – OWNER PERFORMED
Maintenance Item | Before Every Use | After First 20 Hours or First Month of Use | After 50 Hours of Use or Every 6 Months | After 100 Hour of Use or Every 6 Months | After 300 Hours of Use or Every Year |
| Engine Oil | Check Level | Change | Change | – | – |
| Cooling Features | Check/Clean | – | – | – | – |
| Air Filter | Check | – | Clean* | – | Replace |
| Spark Plug | – | – | – | Check/Clean | Replace |
| Spark Arrestor | – | – | – | Check/Clean | – |
*Service more frequently if operating in dry and dusty conditions
ENGINE OIL MAINTENANCE
Engine Oil Specification
- Only use the engine oil specified in Figure 8.
- Only use 4-stroke/cycle engine oil. NEVER USE 2-STROKE/CYCLE OIL. Synthetic oil is an acceptable substitute for conventional oil.

Figure 8: Recommended Oil
CHECKING ENGINE OIL
| NOTICE |
| Always maintain proper engine oil level. Failure to maintain proper engine oil level could result in severe damage to the engine and/or shorten the life of the engine. Always use the specified engine oil. Failure to use the specified engine oil can cause accelerated wear and/ or shorten the life of the engine. |
Engine oil level should be checked before every use
- Always operate or maintain the inverter on a flat surface.
- Stop engine if running.
- Let engine sit and cool for several minutes (allow crankcase pressure to equalize).
- Remove the engine service panel to access the oil fill/drain plug.
- With a damp rag, clean around the oil fill/drain plug.
- Remove the oil fill/drain plug.
- Check oil level: When checking the engine oil, remove the oil fill/drain plug.
• The oil level is acceptable if oil is visible at the bottom of the threads of the oil fill plug.
• If oil level is low add to the correct level using the supplied oil fill bottle. Do not overfill the oil crankcase.
| NOTICE |
| Engine oil must always be checked and added when the inverter is on a flat, level surface, or an inaccurate reading may result, causing serious engine damage. |
ADDING ENGINE OIL
1. Always operate or maintain the inverter on a flat surface.
2. Stop engine if running.
3. Let engine sit and cool for several minutes (allow crankcase pressure to equalize).
4. Remove the engine service panel to gain access to the oil fill/drain plug.
5. Thoroughly clean around the oil fill/drain plug.
6. Remove the oil fill/drain plug.
7. Select the proper engine oil as specified in Figure 8.
8. Using the supplied oil funnel, slowly add engine oil to the engine. Stop frequently to check the oil level and avoid overfilling.

9. Continue to add oil until the oil is at the correct level.

CHANGING ENGINE OIL
1. Stop the engine.
2. Let engine sit and cool for several minutes (allow crankcase pressure to equalize).
3. Remove the engine service panel to gain access to the oil fill/drain plug.
4. Place oil pan (or suitable container) under the oil fill/ drain plug (see Figure 9).

Figure 9: Place oil pan under oil fill/drain plug
5. With a damp rag, thoroughly clean around the oil fill/drain plug.
6. Tilt the inverter so the oil drains down the through into the container.

Figure 10: Carefully tip inverter so oil flows into oil pan
7. Allow oil to completely drain.
8. Fill crankcase with oil following the steps outlined in Adding Engine Oil on page 18.
9. Dispose of used engine oil properly.
| NOTICE |
| Never dispose of used engine oil by dumping the oil into a sewer, on the ground, or into groundwater or waterways. Always be environmentally responsible. Follow the guidelines of the EPA or other governmental agencies for proper disposal of hazardous materials. Consult local authorities or reclamation facility. |
AIR FILTER MAINTENANCE
Cleaning the Air Filter
The air filter must be cleaned after every 50 hours of use or 3 months (frequency should be increased if inverter is operated in a dusty environment).
1. Turn off the inverter and let it cool for several minutes if running.
2. Remove the engine service panel to gain access to the air filter.
3. Unscrew the air cleaner cover and tip the cover down (see Figure 11).
4. Remove the foam element from the air cleaner housing.

Figure 11: Unscrew air cleaner cover
- Air Cleaner Element
- Air Cleaner Cover
- Clip
5. Wash the foam air filter element by submerging the element in a solution of household detergent soap and warm water. Slowly squeeze the foam to thoroughly clean.
| NOTICE |
| NEVER twist or tear the foam air filter element during cleaning or drying. Only apply slow but firm squeezing action. |
6. Rinse in clean water by submerging the air filter element in fresh water and applying a slow squeezing action (see Figure 12).

Figure 12
| NOTICE |
| Never dispose of soap cleaning solution used to clean the air filter by dumping the solution into a sewer, on the ground, or into ground water or waterways. Always be environmentally responsible. Follow the guidelines of the EPA or other governmental agencies for proper disposal of hazardous materials. Consult local authorities or reclamation facility. |
7. Dispose of used soap cleaning solution properly.
8. Dry the air filter element by again applying a slow firm squeezing action.
9. Return the air filter element to its position in the air cleaner housing.
10. Install the air cleaner cover, making sure the tabs lock into place.
11. Install the engine service panel.
DRAINING THE FLOAT BOWL
1. Remove the engine service panel to access the carburetor.
2. Locate the clear plastic hose from the float that is exiting out the bottom of the inverter, and place a suitable container under it to catch the drained fuel (see Figure 13).

Figure 13: Fuel drain hose
3. Loosen the float bowl drain screw (see Figure 14) until fuel is seen draining from the float bowl.

Figure 14: Loosen float bowl screw
4. Allow fuel to drain into the container, and then tighten the float bowl drain screw.
| NOTICE |
| Never dispose of fuel by dumping fuel into a sewer, on the ground, or into groundwater or waterways. Always be environmentally responsible. Follow the guidelines of the EPA or other governmental agencies for proper disposal of hazardous materials. Consult local authorities or reclamation facility. |
5. Install the engine service panel.
SPARK PLUG MAINTENANCE
The spark plug must be checked and cleaned after every 100 hours of use or 6 months and must be replaced after 300 hours of use or every year.
1. Stop the inverter and let it cool for several minutes if running.
2. Move the inverter to a flat, level surface.
3. Unscrew the bolts and remove the left exterior cover plate (see Figure 15).

Figure 15: Slide off spark plug cover
4. Remove the spark plug boot by firmly pulling the plastic spark plug boot handle directly away from the engine.
| NOTICE |
| Never apply any side load or move the spark plug laterally when removing the spark plug. Applying a side load or moving the spark plug laterally may crack and damage the spark plug boot. |
5. Clean area around the spark plug.
6. Using the spark plug socket wrench provided, remove the spark plug from the cylinder head (see Figure 16).

Figure 16: Remove spark plug with socket wrench
7. Place a clean rag over the opening created by the removal of the spark plug to make sure no dirt can get into the combustion chamber.
8. Inspect the spark plug for:
- Cracked or chipped insulator
- Excessive wear
- Spark plug gap of 0.032 in. (0.80 mm).
If the spark plug fails any one of the conditions listed above, replace the plug.

- SPARK PLUG GAP
| NOTICE |
| Only use the recommended spark plug. See chart below. Using a non- recommended spark plug could result in damage to the engine. |
9. Install the spark plug by carefully following the steps outlined below:
a. Carefully insert the spark plug back into the cylinder head. Hand-thread the spark plug until it bottoms out.
b. Using the spark plug socket wrench provided, turn the spark plug to ensure it is fully seated.
c. Replace the spark plug boot, making sure the boot fully engages the spark plug’s tip.
d. Install the spark plug access cover.
CLEANING THE SPARK ARRESTOR
Check and clean the spark arrestor after every 100 hours of use or 6 months.
1. Stop the inverter and let it cool for several minutes if running.
2. Move the inverter to a flat, level surface.
3. Remove the screws holding the muffler cover in place (see Figure 17).

Figure 17: Remove screws holding muffler cover
4. Loosen the clamp holding the spark arrestor onto the muffler.
5. Slide the spark arrestor band clamp off the spark arrestor screen.
6. Pull the spark arrestor screen off the muffler exhaust pipe.
7. Using a wire brush, remove any dirt and debris that may have collected on the spark arrestor screen.
8. If the spark arrestor screen shows signs of wear (rips, tears or large openings in the screen), replace the spark arrestor screen
9. Install the spark arrestor components in the following order:
a. Place spark arrestor screen over the muffler exhaust pipe. Push on the screen until it fully bottoms out.
b. Place the spark arrestor band clamp over the screen and tighten with a flathead screwdriver
10. Replace the discharge gate.
CLEANING THE INVERTER
It is important to inspect and clean the inverter before every use.
Clean All Engine Air Inlet and Outlet Ports – Make sure all engine air inlet and outlet ports are clean of any dirt and debris to ensure the engine does not run hot.
STORAGE
| NOTICE |
| Gasoline stored for as little as 60 days can go bad, causing gum, varnish and corrosive buildup in fuel lines, fuel passages and the engine. This corrosive buildup restricts the flow of fuel, preventing an engine from starting after a prolonged storage period. |
Proper care should be taken to prepare the inverter for any storage
- Clean the inverter as outlined in Cleaning the Inverter.
- Siphon all gasoline from the fuel tank as best as possible.
- Start the engine and allow the inverter to run until all the remaining gasoline in the fuel lines and carburetor is consumed and the engine shuts off.
- Drain any remaining fuel from the float bowl. See Draining the Float Bowl on page 20.
- Change the oil (see Changing Engine Oil on page 19).
- Remove the spark plug (see Spark Plug Maintenance on page 21) and place about 1 tablespoon of oil in the spark plug opening. While placing a clean rag over the spark plug opening, slowly pull the recoil handle to allow the engine to turn over several times. This will distribute the oil and protect the cylinder wall from corroding during storage.
- Replace the spark plug (see Spark Plug Maintenance on page 21).
- Move the inverter to a clean, dry place for storage.
TROUBLESHOOTING
| PROBLEM | POTENTIAL CAUSE | SOLUTION |
| Engine is running, but no electrical Output. | 1. Reset breaker is tripped. | 1. Reset the reset breaker (see page 16). |
| 2. The power cord’s plug connector is not fully engaged in the inverter’s outlet. | 2. Verify plug connector is firmly engaged in the inverter’s outlet. | |
| 3. Faulty or defective power cord | 3. Replace power cord. | |
| 4. Faulty or defective electrical appliance | 4. Try connecting a known good appliance to verify the inverter is producing electrical power. | |
| Engine will not start or remain running while trying to start. | 1. Inverter is out of gasoline. | 1. Add gasoline to the inverter (see page 14). |
| 2. Fuel flow is obstructed. | 2. Inspect and clean fuel delivery passages. | |
| 3. Dirty air filter | 3. Check and clean the air filter (see page 19). | |
| 4. Low oil level shutdown switch is preventing the unit from starting. | 4. Check oil level and add oil if necessary (page 18). | |
| 5. Spark plug boot is not fully engaged with the spark plug tip. | 5. Firmly push down on the spark plug boot to ensure the boot is fully engaged. | |
| 6. Spark plug is faulty. | 6. Remove and check the spark plug. Replace if faulty (s e pages 21). | |
| 7. Dirty/plugged spark arrestor | 7. Check and clean the spark arrestor (see page 22). | |
| 8. Stale fuel | 8. Drain fuel and replace with fresh fuel. | |
| Inverter suddenly stops running. | 1. Inverter is out of fuel. | 1. Check fuel level (see page 14). Add fuel if necessary. |
| 2. The low oil shut down switch has stopped the engine. | 2. Check oil level and add oil if necessary (see page 18). | |
| 3. Too much load | 3. Restart the inverter and reduce the load. | |
| Engine runs erratic; does not hold a Steady RPM. | 1. Choke was left in the CHOKE position. | 1. Move choke to the RUN position |
| 2. Dirty air filter | 2. Clean the air filter (see page 19). | |
| 3. Applied loads maybe cycling on and off | 3. As applied loads cycle, changes in engine speed may occur; this is a normal condition. |
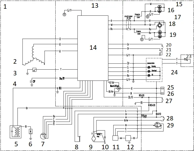
GM5500i SCHEMATICS

- GENERATOR BLOCK
- Hoofdspoel
- oil level switch
- Trigger Coil
- Ignition coil
- Spark plug
- Stepping motor
- fuel solenoid valve
- Starting motor
- battery
- CO module
- CO execution module
- INVERTER BLOCK
- Inverter
- CONTROL PANEL BLOCK
- AC125V/20A
- AC receptacle
- AC125V/240V/30A
- AC125V/20A
- ECO switch
- Overload reco
- very switch
- fuel sensor
- display center
- USB receptacle
- 5V 2.1A/1A
- Engine Switch
- start button
- CO alarm lamp
| B1 | Black | R | red |
| Y | yellow | W | white |
| Bu | blue | Br | Brown |
| G | green | Gr | grey |
| Or | Orange | Pi | Pink |

CHONGQING DINKING POWER MACHINERY CO.,LTD.
CAOJIE DEVELOPMENT AREA, INDUSTRIAL PARK, HECHUAN, CHONGQING, CHINA
6800.528.GEM.02.00 V3




















