Installation and Instruction Manual
PIR Standalone Motion Sensor with
5.0 SIG Mesh
One DALI Channel Output
Technical Specifications
| Operation frequency | 2.4 GHz – 2.483 GHz |
| Transmission power | 4 dBm |
| Range (Typical indoor) | |
| Protocol | 5.0 SIG Mesh |
| Stand-by power | <1W |
| Operating voltage | 220~240VAC 50/60Hz |
| Switched power | 20s |
| Warming-up | Max. 40 devices, 80mA |
| Sensor principle | PIR detection |
| Detection range (Max.)* HBIR29 | Installation Height : 6m Detection Range (Ø) :9m |
| Detection angle | |
| Operation temperature | 360° |
| IP rating | Ta:-20° C~+50°C |
| EMC standard (EMC) | IP20/IP54 |
| Safety standard (LVD) | EN55015, EN61000, EN61547 |
| RED | EN60669-1/-2-1 AS/NZS60669-1/-2-1 |
| Certification | EN300328, EN301489-1/-17 CB, CE , EMC, RED, RCM |
Download the App
Free App for set-up and commissioning
5.0 SIG mesh
https://apps.apple.com/cn/app/koolmesh/id1483721878
https://play.google.com/store/apps/details?id=com.koolmesh.sig
Smartphone app for both iOS & Android platform
https://apps.apple.com/cn/app/koolmesh/id1570378349
Koolmesh Pro app for iPad
Web app/platform: www.iot.koolmesh.com
Installation
Mechanical Structure & Dimensions
![]() | ![]() |
- Ceiling (drill hole φ66~68mm)
- Carefully prise off the cable clamps.
- Make connections to the pluggable terminal blocks.
- Insert plug connectors and secure using the provided cable clamps, then clip terminal covers to the base.
- Fit detection blind (if required) and desired lens.
- Clip fascia to body.
- Bend back springs and insert into ceiling.
Wire Preparation
Pluggable screw terminal. It is recommended to make connections to the terminal before fitting to the sensor.
- 200 metres (total) max. for 1mm² CSA (Ta = 50 ℃)
- 300 metres (total) max. for 1.5mm² CSA (Ta = 50 ℃)
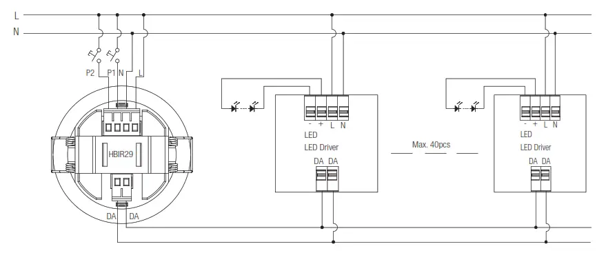
Wiring Diagram

Dimming Interface Operation Notes
Switch-Dim
The provided Switch-Dim interface allows for a simple dimming method using commercially available non-latching (momentary) wall switches. Detailed Push switch configurations can be set on Koolmesh app.
| Switch Function | Action | Descriptions |
| Push switch | Short press (<1 second) * Short press has to be longer than 0.1s, or it will be invalid. | – Turn on/off – Recall a scene – Turn on only – Exit manual mode – Turn off only – Do nothing |
| Double push | – Turn on only – Exit manual mode – Turn off only – Do nothing – Recall a scene | |
| Long press (1 second) | – Dimming – Colour tuning- Do nothing | |
| Simulate sensor | / | – Upgrade a normal on/off motion sensor to a Bluetooth controlled motion sensor |
Placement Guide and Typical Range
Smart Phone to Device Range

The smart device with the App installed will have a typical range of 10m, but varies from device to device. During commissioning, the installer will need to be in range of the devices when searching for devices to add to the network.
Once the devices have been added to the network via the App, the devices will start communicating within the wireless mesh. This means that once the network is complete, all devices are accessible from the smart device when in a 20m range of a single point.
Detection Pattern & Optional Accessories
HBIR29 (Low-bay)

HBIR29: Low-bay flat lens detection pattern for single person @ Ta = 20ºC (Recommended ceiling mount installation height 2.5m-6m)
A: Tangential movement
B: Radial movement

| Mount height | Tangential (A) | Radial (B) |
| 2.5m | max 50m² (Ø = 8m) | max 13m² (Ø = 4m) |
| 3m | max 64m² (Ø = 9m) | max 13m² (Ø = 4m) |
| 4m | max 38m² (Ø = 7m) | max 13m² (Ø = 4m) |
| 5m | max 38m² (Ø = 7m) | max 13m (Ø = 4m) |
| 6m | max 38m² (Ø = 7m) | max 13m² (Ø = 4m) |
Optional Accessory — Ceiling/Surface Mount Box: HA03

Big and small silicon gasket used to make IP54 degree protection when HBIR29 series device mounted into HA03 housing for ceiling mount
Small silicon water-proof gasket dimension(size:mm)
Big silicon water-proof gasket dimension(size:mm)

Optional Accessory — Blind Insert for Blocking Certain Detection Angles
![]() | ![]() |
Additional Information / Documents
- To learn more about detailed product features/functions, please refer to www.hytronik.com/download->knowledge->Introduction of App Scenes and Product Functions
- Regarding precautions for Bluetooth product installation and operation, please kindly refer to www.hytronik.com->download/knowledge->BluetoothProducts-Precautions for Product Installation and Operation
- Data sheet is subject to change without notice. Please always refer to the most recent release on www.hytronik.com/products/bluetoothtechnology->Bluetooth Sensors
- Regarding Hytronik standard guarantee policy, please refer to www.hytronik.com/download->knowledge->Hytronik Standard Guarantee Policy
WWW.HYTRONIK.COM
Subject to change without notice.
HBIR29-20200316-A0


















