HINKLEY
DRAWING 1 – GLASS INSTALLATION

DRAWING 2 – GLASS INSTALLATION

Assembly Instructions
Item No: 2530 / 2532 / 2534 / 2535
start here
- Find a clear area in which you can work.
- Unpack fixture and glass from carton.
- Carefully review instructions prior to assembly.
For ease of installation it is recommended that the glass be installed prior to mounting the fixture to the wall.
- To install the glass first remove the 6 Phillips screws (1) from the bottom of the cage (C). When the screws are removed the glass clips (2) inside the cage can be removed. Set the screws and clips to the side in a safe place – see Drawing 1.
- Now with the fixture laying on its side, place a glass panel (3) inside the cage (C), by slipping it in from the bottom opening – see Drawing 2. Making sure to slip top of glass panel behind tab (T) in the top of the cage. Now slip in a glass panel adjacent to the first panel.
- Take a glass clip (2) that was removed earlier and place it in a position so it will hold the bottom corners of the two panels of glass. Align hole in glass clip (2) with hole in appropriate hole in bottom of cage and thread in screw (1) removed earlier.
- Now repeat process with the remaining panels until glass installation is complete. Now fixture can be mounted to the wall please follow mounting instruction sheets provided.
Drawing 1 Hanging Instruction

a) weave supply wire and ground wire through chain
Drawing 2 Canopy Adjustment

- half of threaded area exposed
I.S. 19 hanging instructions
start here
SAFETY WARNING: READ WIRING AND GROUNDING INSTRUCTIONS (I.S. 18) AND ANY ADDITIONAL DIRECTIONS. TURN POWER SUPPLY OFF DURING INSTALLATION. IF NEW WIRING IS REQUIRED, CONSULT A QUALIFIED ELECTRICIAN OR LOCAL AUTHORITIES FOR CODE REQUIREMENTS.
- Shut off electrical current before starting. If the fixture you are replacing is turned on and off by a wall switch, simply turn the switch off. If not, remove the appropriate fuse (or open the circuit breakers) until the fixture is dead.
DO NOT restore current – either by fuse, breaker or switch – until the new fixture is completely wired and in place.
- Fasten mounting strap (1) to outlet box (A) with the two 8-32 screws (2) not provided – see Drawing 1.
- Thread 2 – hex nuts (3a) and (3b) onto threaded tubing (4).
- Thread one end of threaded tubing (4) into loop (5) a minimum of 1/2” to 3/4”.
Tighten hex nut (3a) against loop (5) to lock loop in position. - Thread other end of threaded tube (4) into mounting strap approximately 1/2”.
- Slip canopy (B) over loop (5) and adjust height of loop so half of the threaded area on the loop is exposed – see Drawing 2 below. After loop height is adjusted, tighten hex nut (3b) up against mounting strap, tighten against mounting strap to lock loop and threaded tube in position.
- Remove mounting strap (1) from junction box (A), and thread third hex nut (3c) onto end of threaded tube (4) above the mounting strap, tighten against mounting strap to lock assembly in position.
- Remount mounting strap to junction box.
- Taking the chain, determine the length you require to hang the fixture.
- Attach one end of the chain to the top loop of the fixture.
- Now slip loop collar (6) and canopy (B) onto chain. — see Drawing 2
- Attach other end of chain to loop (5). Get assistance for this step since fixture may be heavy and difficult to hold while attaching the chain.
- Unwrap fixture lead wire and ground wire and weave them up through the chain.
- Slip fixture lead wire and ground wire through center of loop (5).
- Connect ground wire to mounting strap (1) using green ground screw (GS).
- Make electrical connections from supply wire to fixture lead wires. Refer to instruction sheet (I.S. 18) and follow all instructions to make all necessary wiring connections.
- Slip canopy up firmly against the ceiling and secure by turning the threaded collar (6) on loop (5) until tight.
Drawing 1 - Flush Mount
supply wire

fixture leads
- twist-on connectors
Drawing 2 - Chain Hung
supply wire

fixture leads
- twist-on connectors
Drawing 3 - Post-Mount
supply wire

fixture leads
- twist-on connectors
I.S. 18 wiring grounding instructions
SAFETY WARNING: READ WIRING AND GROUNDING INSTRUCTIONS (IS 18) AND ANY ADDITIONAL DIRECTIONS. TURN POWER SUPPLY OFF DURING INSTALLATION. IF NEW WIRING IS REQUIRED, CONSULT A QUALIFIED ELECTRICIAN OR LOCAL AUTHORITIES FOR CODE REQUIREMENTS
wiring instructions
Indoor Fixtures
- Connect positive supply wire (A) (typically black or the smooth, unmarked side of the two-conductor cord) to positive fixture lead (B) with appropriately sized twist on connector – see Drawings 1 or 2.
- Connect negative supply wire (C) (typically white or the ribbed, marked side of the two-conductor cord) to negative fixture lead (D).
- Please refer to the grounding instructions below to complete all electrical connections
Outdoor Fixtures
- Connect positive supply wire (A) (typically black or the smooth unmarked side of the two-conductor cord) to positive fixture lead (B) with appropriately sized twist on connector — see Drawings 2 or 3.
- Connect negative supply wire (C) (typically white or the ribbed, marked side of the two-conductor cord) to negative fixture lead (D).
- Cover open end of connectors with silicone sealant to form a watertight seal.
If installing a wall mount fixture, use caulk to seal gaps between the fixture mounting plate (backplate) and the wall. This will help prevent water from entering the outlet box. If the wall surface is lap siding, use caulk and a fixture mounting platform specially. - Please refer to the grounding instructions below to complete all electrical connections.
grounding instructions
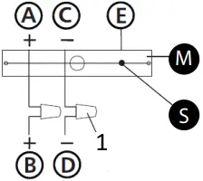
Flush Mount Fixtures
For positive grounding in a 3-wire electrical system, fasten the fixture ground wire (E) (typically copper or green plastic coated) to the fixture mounting strap (M) with the ground screw (S) – see Drawing 1.
Note: On straps for screw supported fixtures, first install the two mounting screws in strap. Any remaining tapped hole may be used for the ground screw.
Chain Hung Fixtures
Loop fixture ground wire (E) (typically copper or green plastic coated) under the head of the ground screw (S) on fixture mounting strap (M) and connect to the loose end of the fixture ground wire directly to the ground wire of the building system with appropriately sized twist-on connectors – see Drawing 2.
Post-Mount Fixtures
Connect fixture ground wire (E) (typically copper or green plastic coated) to power supply ground with appropriately sized twist-on connector inside post. Cover open end of connector with silicone sealant to form a watertight seal – see Drawing 3.
HINKLEY 33000 Pin Oak Parkway, Avon Lake, OH 44012 800.446.5539 / 440.653.5500 hinkley.com


















