
MODEL UC50e
PARTS MANUAL
Rev 1.04 1-07-20![]()

![]()
D I S T R I B U T E D E X C L U S I V E L Y B Y
C M A D I S H M A C H I N E S
1 2 7 0 0 K N O T T A V E N U E
GARDEN GROVE, CALIFORNIA 92841
800- 8 5 4 – 6 4 1 7
FAX 714-895-2141
CMA DISHMACHINES UC50E Undercounter High Temperature Dishwashers
Parts Manual
1.1. Mechanical Drawings
1.1.1. General Body Parts 
| ID | P/N | DESCRIPTION |
| 42800 | 2100.67 | Cover |
| 42805 | 2101.21 | Back panel |
| 42810 | 2101.22 | Body |
| 42815 | 2101.23 | Cable-fastener with screw |
| 42820 | 2100.71 | Ferrule with filter |
| 42825 | 2100.03 | Internal filter with rack |
| 42830 | 2100.07 | Suction filter |
| 42835 | 2101.07 | 95x75x3 O-ring minimum 2 pieces |
| 42840 | 2100.57 | DEM 40 O-ring minimum 2 pieces |
| 42845 | 2100.62 | High foot minimum 4 pieces |
| 42850 | 2100.53 | Overflow pipe |
| 42855 | 2100.15 | Reed magnet (UL) |
| 42860 | 2100.66 | 2700W 220V 1 F6lx26 Heating element |
| 42865 | 2101.24 | 5×2,5×2500 cable |
| 42865 | 2101.25 | 3x4x2500 cable |
| 42875 | 2101.05 | Door jack assembly |
| 42905 | 2101.26 | Door O-ring |
| 42910 | 2101.27 | Door O-ring angular |
| 42915 | 2101.28 | D.40mm unloading pipe pass min 2pcs |
| 42920 | 2101.29 | D.13mm dosing pipe pass min 2pcs |
| 42925 | 2100.7 | Right side scrap tray |
| 42930 | 2100.8 | Door rod slide (minimum 4 pieces) |
1.1.2. Lockup System 
| ID | P/N | DESCRIPTION |
| 40100 | 2101.06 | Door |
| 40105 | 2101.3 | Lower door |
| 40110 | 2100.86 | Right/left door rod |
| 40115 | 2100.81 | Hinge door seal |
| 40120 | 2101.31 | M4x8 screw minimum 20 pieces |
| 40125 | 2100.82 | M6 stainless steel nut min 20 pieces |
| 40130 | 2100.83 | M6 self-locking nut min 10 pieces |
| 40135 | 2100.84 | M6xl6 stainless steel screw min 10 pcs |
| 40140 | 2101.32 | M6xl2 stainless steel screw |
| 40145 | 2101.33 | Bush |
| 40150 | 2100.23 | Stainless steel handle |
| 40155 | 2101.34 | M4 inox Plated nut |
| 40160 | 2101.35 | M4xl4 screw |
| 40165 | 2100.39 | Thermometer – UL ARTHERMO |
| 40170 | 2100.27 | Gauge – UL ARTHERMO |
| 40171 | 2100.76 | Door rod absorber bumper |
1.1.3. Control Panel 
| ID | P/N | DESCRIPTION |
| 44000 | 2101.36 | Control panel |
| 44005 | 2100.94 | Time selector switch push button |
| 44010 | 2100.93 | Drain pump push button |
| 44015 | 2100.91 | Start push button |
| 44025 | 2100.92 | ON-OFF push button |
| 44035 | 2101.09 | OR 2100 O-ring |
| 44040 | 2101.37 | Push button support |
| 44041 | 2101.38 | Temperature push button support |
| 44050 | 2103.51 | Start Switch 2 Pole Momentary |
| 44060 | 2100.35 | 2Min/3Min Switch 4 Pole Maintained |
| 44050 | 2101.39 | Drain Switch 4 Pole Momentary |
| 44055 | 2100.05 | On/Off Switch 6 Pole Maintained |
| 44060 | 2101.4 | 16A bipolar switch 6 Pole Momentary |
| 44065 | 2100.47 | Pilot light 220V |
1.1.4. Control Components 
| ID | P/N | DESCRIPTION |
| 40050 | 2101.41 | Electric component panel |
| 40055 | 2100.21 | 120″/180″ timer – 220Vac 60Hz |
| 40060 | 2100.29 | 6 Pole Relay Heater & Start |
| 40061 | 2100.33 | 8 Pole Relay Fill |
| 40065 | 2100.25 | 0-90°C thermostat Booster |
| 40075 | 2100.49 | Contactor 230V 50/60Hz |
| 40080 | 2100.51 | 6 poles wiring terminal |
| 40085 | 2100.37 | Hi Limit Wash Tank |
| 40090 | 2100.22 | 0-90°C thermostat Wash Tank |
1.1.5. Solenoid Valve Group 
| ID | P/N | DESCRIPTION |
| 700 | 2100.13 | Single solenoid valve – 230Vac |
| 720 | N.C. | Pressure reducing valve |
| 730 | 2101.42 | 12/22 clamp (minimum 3 pieces) |
| 735 | 2101.43 | 3/4 gasket |
| 736 | 2100.64 | Fill Hose |
1.1.6. DVGW Assy. #02101.10 
| ID | P/N | DESCRIPTION |
| 12305 | 2101.42 | Clamp 12/22 |
| 12310 | 2102.35 | Valve body center |
| 12315 | 2102.32 | Flat valve |
| 12335 | 2102.33 | O-ring 115 KTW |
| 12320 | 2102.31 | Flat valve cover |
| 12325 | 2102.3 | Valve gasket |
| 12330 | 2102.34 | Sphere |
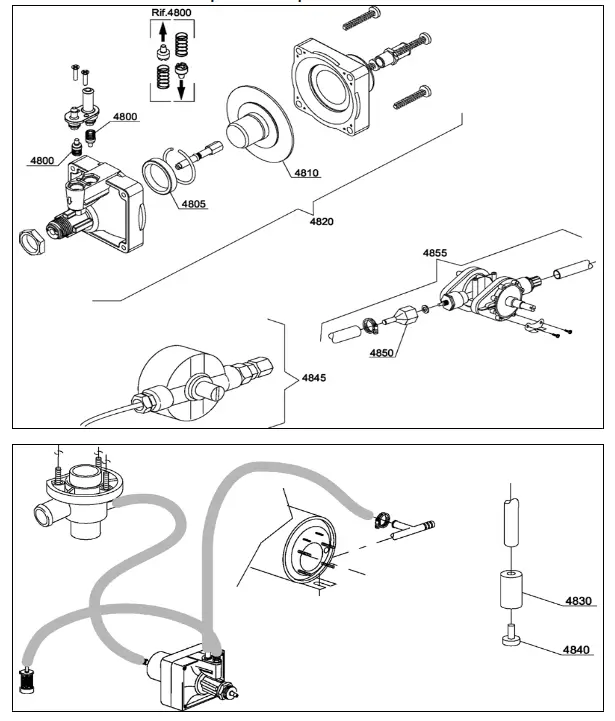
1.1.7. Rinse Aid Dispenser Group

| ID | P/N | DESCRIPTION |
| 4800 | 2101.44 | Tecnopro non return valve |
| 4805 | 2104.45 | D22 O-ring |
| 4810 | 2101.46 | Membrane |
| 4820 | 2100.45 | Tecnopro rinse aid dispenser |
| 4830 | 2101.47 | Ballast |
| 4840 | 2101.48 | Small filter minimum 3 pcs |
1.1.8. Detergent Dispenser Group

| ID | P/N | DESCRIPTION |
| 5100 | 2100.19 | Seco detergent pump |
| 5105 | 2101.47 | Ballast |
| 5110 | 2101.48 | Small filter |
| 5115 | 2101.02 | Complete s/s injector |
| 51135 | 2100.95 | Seco thermoplastic pipe Squeeze Tube |
1.1.9. Boiler Group

| ID | P/N | DESCRIPTION |
| 5000 | 2101.11 | OR 151 NBR O-ring (minimum 5 pcs) |
| 5005 | 2101.2 | Boiler |
| 5010 | 2100.01 | 6/6.53 KW 230/240V 3 heating element |
| 5015 | 2101.49 | Insulation boiler |
| 5020 | 2101.51 | D160 End piece (minimum 2 pieces) |
| 5025 | 2101.52 | Hi Limit Booster |
1.1.10. 3 Ways Connection

| ID | P/N | DESCRIPTION |
| 30800 | 2101.12 | Plastic 3 -way connector. 012mm |
| 30805 | 2101.42 | 12/22 clamp (minimum 3 pieces) |
1.1.11. Wash Pump

| ID | P/N | DESCRIPTION |
| 13900 | 2100.09 | 0,75 Hp Fir wash pump 220V240V, 60Hz |
| 13901 | 2101.53 | 0,70Hp Wash pump 230V, 60Hz |
| 13905 | 2100.55 | R12,5 uF condenser |
| 13910 | 2101.13 | Suction pipe coupling |
| 13915 | 2101.14 | Lower wash pipe coupling |
| 13920 | 2101.15 | Wash ramp |
| 13925 | 2101.54 | 25/40 clamp (minimum 2 pieces) |
| 13930 | 2101.55 | 30/45 clamp (minimum 2 pieces) |
| 13935 | 2101.56 | Rotating seals |
| 13940 | 2101.57 | OR pump O-ring (minimum 2 pcs) |
| 13945 | 2101.58 | Scroll |
| 13950 | 2101.59 | Pump rotor |
1.1.12. Drain Pump Group 
| ID | P/N | DESCRIPTION |
| 2500 | 2100.17 | Drain pump 230V 60Hz (UL) |
| 2505 | 2101.16 | Pipe fitting (minimum 3 pieces) |
| 2510 | 2100.6 | Drain pipe |
| 2515 | 2101.17 | 028 top wash pipe |
| 2525 | 2101.54 | 25/40 clamp (minimum 2 pieces) |
1.1.13. Pressure Switch Group

| ID | P/N | DESCRIPTION |
| 2100 | 2100.41 | 47-27 pressure switch |
| 2105 | 2101.6 | Grey air trap assembly |
| 2110 | 2101.61 | O-ring (minimum 10 pcs) D14x8xl,5 |
| 2115 | 2101.62 | M8 stainless steel nut (minimum 10 pcs) |
| 2120 | 2101.63 | 4,5X9 EPDM rubber hose (minimum 2mt) |
1.1.14. Turret Group

| ID | P/N | DESCRIPTION |
| 41500 | 2101.54 | 25/40 clamp (minimum 2 pieces) |
| 41505 | 2100.73 | Top/lower turret |
| 41510 | 2101.42 | 12/22 clamp (minimum 3 pieces) |
| 41515 | 2102.11 | Upper rinse axle extension |
| 41520 | 2100.85 | 6225 OR 160 NBR O-ring (min 5 pcs) |
| 41525 | 2101.64 | Ring nut for fixing turret |
| 41530 | 2102.2 | Nut for Wash Arm Bearing |
| 41535 | 2101.04 | Stainless steel wash rotor |
| 41540 | 2102.05 | Hub for rotor (inox rinse arm) |
| 41545 | 2101.65 | Rinse axle |
| 41550 | 2102.12 | Hub for rinse arm |
| 41555 | 2101.67 | Rinse arm screw |
| 41560 | 2102.13 | Right plastic rinse arm |
| 41565 | 2102.14 | Left plastic rinse arm |
| 41570 | 2102.15 | Open plastic rinse nozzle |
| 41575 | 2102.16 | Closed plastic rinse nozzle |
| 41580 | 2101.7 | Hub rotor/pipe coupling spacer |
| 41585 | 2100.72 | Lower pipe coupling |
| 41590 | 2101.71 | Rinse lower distributor connection axle |
| 41595 | 2101.72 | DVGW hole O-ring |
| 41600 | 2102.17 | O-ring for hub (rinse arm) |
| 41605 | 2102.1 | Top/lower rinse arm complete |
| 41610 | 2102.18 | OR R6 NBR O-ring |
| 41615 | 2102.18 | OR R6 NBR O-ring |
| 41620 | 2102.19 | 4×10 TCB 8 spax toothed screw |
1.1.15. Water Tempering Kit (Optional)
UC50e/UC60e Water Tempering Valve Kit P/N 13470.65
INSTALLATION INSTRUCTIONS TO DRAIN TEMPERING KIT
NOTE: Turn the dishwasher’s wall breaker to “OFF” position before this installation.
- Undo the drain hose clamp connecting drain hose leading to floor drain.
- Install the water junction tee, as shown on drain line, and tighten clamp.
- Connect the drain hose to upper port of water injection tee and tighten hose clamp.
- Insert the provided white chemical tube into compression nut of water injection tee and tighten compression nut.
- Connect the provided cold-water solenoid’s power leads to the drain solenoid.
- Connect the water injection assembly’s ball valve to a cold water supply.
- Run the dishwasher through a few cycles and make sure the cold water is injected and check for any possible leaks.

![]()
MODEL UC50e PARTS MANUAL Rev. 1.04
www.cmadishmachines.com
Buy Parts










