CMA Dishmachines H-1X High Temperature Undercounter Dishwasher Glasswasher

Initial Parts Kit
| P/N | DESCRIPTION | Qty |
| 02107.65 | Drain Ball Solenoid 120V | 1 |
| 02107.73 | Switch, Reed Aleph | 1 |
| 02107.78 | Heater, Wash Tank | 1 |
| 02107.82 | Thermistor, KΩ, 2 Wire Assm | 1 |
| 02107.07 | Heater, 5kW/220V | 1 |
| 02107.08 | Thermistor, Probe Assm | 1 |
| 02103.19 | Thermostat, High Limit 240f | 1 |
| 02107.10 | Thermistor, 10kΩ, 2-wire | 1 |
| 02107.13 | Valve, Water Inlet 220V H-1X Series | 1 |
| 02107.06 | Contactor, 3 Pole 220VAC Coil | 1 |
| 02107.15 | Switch, Rocker DPST 250V Neon | 1 |
| 02107.21 | Kit, Control Board | 1 |
| 02107.51 | Contact, Switch Momentary (N.O.) | 1 |
| 02103.10 | Pump Motor Assm, 220V | 1 |
| 02107.39 | Spray Arm, H-1X Complete Assembly | 1 |
| 02107.25 | Nozzle 1, Spray Arm, H-1X | 1 |
| 02107.26 | Nozzle 2, Spray Arm, H-1X | 1 |
| 02107.28 | Nozzle 3, Spray Arm, H-1X | 1 |
| 02107.30 | Nozzle 4, Spray Arm, H-1X | 1 |
| 02107.31 | Nozzle 5, Spray Arm, H-1X | 1 |
| 02107.33 | End Cap, Spray Arm, H-1X | 1 |
| 00415.20 | Chemical Pump Assm 220V | 1 |
| 02257.00 | Squeeze Tube, Norprene 8″ | 1 |
Panels and Door

| ITEM NO. | NO. REQ’D | P/N | DESCRIPTION |
| 1 | 4 | 00940.50 | Screw, Truss Slot SS 10-32×3/8″ |
| 2 | 1 | 02107.46 | Panel, Rear |
| 3 | 1 | 02107.47 | Weldment, Base |
| 4 | 4 | 02104.67 | Foot, Adjusting |
| 5 | 4 | 02107.48 | Nut 1/4-20 WH Serrated SS |
| 6 | 2 | 02107.49 | Screw, 1/4-20×5/8″ Truss SS Phil |
| 7 | 1 | 02107.50 | Panel, Front |
| 8 | 2 | 02107.51 | Cord Clip 5/8″ Push Mount |
| 9 | 2 | 02107.52 | Screw, 8-32×3/8″ Truss HD |
| 10 | 1 | 02107.53 | Handle, Door |
| 11 | 1 | 02107.54 | Weldment, Door |
| 12 | 4 | 02107.55 | Screw, RH Hex SS 1/4-20×5/16″ |
| 13 | 2 | 02107.56 | Hinge, Door |
| 14 | 2 | 02107.57 | Bracket, Door Hinge Receiver |
| 15 | 2 | 02107.58 | Rail, Tray |
| 16 | 4 | 13822.00 | Nut, Acorn 1/4-20 |
| 17 | 1 | 02107.59 | Weldment, Wash Tank |
| 18 | 1 | 02107.60 | Panel, Top |
| 19 | 1 | 02107.61 | Gasket, Door 23-5/8″ Lg Gray Silicon |
| 20 | 2 | 02107.62 | Plate, Locking Hinge |
| — | 1 | 02107.63 | Assm, Door Incl #9, 10 & 11 |
| — | 1 | 02107.64 | Assm, Door Incl #9, 10, 11, 12, 13 |
Rear Plumbing

| ITEM NO. | NO. REQ’D | P/N | DESCRIPTION |
| 1 | 1 | 02104.06 | Bracket, Drain Pump |
| 2 | 2 | 02103.16 | Bolt, Hex Flange 1/4-20 x 3/8 SS |
| 3 | 1 | 02107.65 | Drain Pump |
| 4 | 3 | 03101.00 | Clamp, Hose Gear |
| 5 | 5 | 00912.00 | Nut, 1/4-20 W/ Nylon Insert SS |
| 6 | 1 | 02107.66 | Hose, Drain Pump |
| 7 | 5 | 00924.00 | 1/4″ SS Washer |
| 8 | 2 | 02107.67 | Washer 17/64 x 1/2 x 0.32 14S |
| 9 | A/R | 02107.68 | Hose, Rubber 1/2″ID x 0.84″OD |
| 10 | 1 | 03101.47 | Clamp, SS Gear Min 1/2″ |
| 11 | 2 | N/A | Clamp, Double Conduit |
| 12 | 1 | 02107.69 | Gasket, Inlet Chute |
| 13 | 1 | 02107.70 | Chute, Inlet |
| 14 | A/R | 02107.71 | Hose, 5/8″ID x 1″OD PVC Braided |
| 15 | 2 | 03101.00 | Clamp, Hose Gear SS 3/4-1 1/2″ #16 |
| 16 | 1 | 02106.19 | Drain Hose |
| 17 | A/R | 02107.72 | Conduit 1/2″ |
| 18 | 1 | 02107.73 | Switch, Reed Aleph |
| 19 | 2 | 02103.27 | Nut, Grip 6-32 W/ Nylon Insert |
| 20 | 1 | N/A | Anti Siphon Body |
| 21 | 1 | N/A | Washer, Silicon 7/8″IDx1-5/16ODx1/16 |
| 22 | 1 | N/A | Ball 3/8″ Diameter SS |
| 23 | 1 | N/A | O-Ring 5/16″ID x 9/16″OD x 1/8″ |
| 24 | 1 | N/A | Anti Siphon Valve Nut |
| 25 | 3 | 00725.40 | Clamp, EMT 1/2″ |
| 26 | 2 | 02107.74 | Screw, #8×1/2″ Self Tapping |
| 27 | 1 | 02106.50 | Anti Siphon Valve Assm |
Sump

| ITEM NO. | NO. REQ’D | P/N | DESCRIPTION |
| 1 | 1 | 02107.75 | Scrap Screen |
| 2 | 1 | 02107.76 | Pump Suction Ring |
| 3 | 1 | 02107.77 | Gasket, Upper Sump |
| 4 | 1 | 02107.78 | Heater, Wash Tank |
| 5 | 1 | 02107.79 | Sump Bowl |
| 6 | 1 | 02107.80 | Locknut 1/2″ NPT NP |
| 7 | 1 | 02104.21 | O-Ring |
| 8 | 1 | 02107.81 | Adaptor, Thermistor |
| 9 | 1 | 02107.82 | Thermistor, KΩ, 2 Wire Assm |
| 10 | 12 | 02107.83 | Washer 17/64″x1/2″x0.32 14S |
| 11 | 12 | 00912.00 | Nut, 1/4-20 W/Nylon Insert SS |
| 12 | 1 | 02107.84 | Gasket, Lower Sump |
| 13 | 1 | 02107.85 | Pump Suction Elbow |
Booster

| ITEM NO. | NO. REQ’D | P/N | DESCRIPTION |
| 1 | 1 | 02107.07 | Heater, 5kW/220V |
| 2 | 1 | 02107.08 | Thermistor, Probe ASSM |
| 3 | 1 | 02103.14 | Gasket |
| 4 | 1 | 02106.01 | Booster, Welded ASSM |
| 5 | 1 | 02103.21 | Clamp, SS Gear-Min. 1/2″ |
| 6 | 1 | 02107.09 | Plug, 1/8 Hex Countersunk SS |
| 7 | 2 | 02103.16 | Bolt, Hex Flange, 1/4-20×3/8″ SS |
| 8 | 2 | 00965.00 | Nut, Grip 6-32 W/Nylon Insert SS |
| ITEM NO. | NO. REQ’D | P/N | DESCRIPTION |
| 9 | 1 | 02103.19 | Thermostat, High Limit 240f |
| 10 | A/R | 03107.50 | Hose, Rubber 1/2″x0.84″ OD |
| 11 | 2 | 02107.10 | Thermistor, 10kΩ, 2-wire |
| 12 | 1 | 02107.11 | Tee, Rinse |
| 13 | 2 | 02107.12 | Screw, M4x12MM SS Extra Wide Phil. |
| 14 | 1 | 02107.13 | Valve, Water Inlet 220V H-1X Series |
| 15 | 1 | N/A | Hose, 1/2″ |
Power Wiring Box

| ITEM NO. | NO. REQ’D | P/N | DESCRIPTION |
| 1 | 1 | 02106.02 | Label, Connection Box |
| 2 | 1 | 02106.03 | Cover, Box Wiring |
| 3 | 1 | 02106.04 | Box, Wiring |
| 4 | 2 | 00421.51 | Screw, 6-32 X 1/4″ |
| 5 | 1 | 13426.50 | Lug, Ground |
| 6 | 1 | 00905.82 | Screw, 1/4-20 X 3/8″ |
| 7 | 1 | 02106.05 | Block, Terminal 4-Pole |
| 8 | 2 | 00940.50 | Screw, 10-32 X 3/8″ Truss Head |
| 9 | 1 | 02106.15 | Bushing, Strain Relief, Small |
| 10 | 1 | 02107.06 | Contactor, 3-Pole 220VAC Coil |
| 11 | 2 | 00940.00 | Screw, 10-32 X 1/4″ |
| 12 | 1 | 02107.86 | Relay, DPDT, 30A, 220VAC Coil |
| 13 | 1 | 43078.01 | Label, Ground |
Control Panel

| ITEM NO. | NO. REQ’D | P/N | DESCRIPTION |
| 1 | 1 | 02107.15 | Switch, Rocker DPST 250V Neon |
| 2 | 2 | 02107.16 | Label, Facia H-1X |
| 3 | 2 | 02103.58 | Gasket, Steam |
| 4 | 2 | 02107.17 | Standoff, LED Display Board |
| 5 | 4 | 02104.91 | Screw, 6-18×1/4″ Panhead Phil SS |
| 6 | 1 | 02107.19 | Panel, Facia H-1X |
| 7 | 2 | 02104.68 | Nut, 10-32 |
| 8 | 2 | 02107.20 | Screw, #8 x 3/8″ |
| 9 | 1 | 02107.21 | Kit, Control Board |
| 10 | 1 | 00911.10 | Screw, 8-32×3/8 Truss HD |
| 11 | 1 | 02103.57 | Prime Switch |
| 12 | 1 | 02103.51 | Contact, Switch Momentary (N.O.) |
| 13 | 1 | 02103.52 | Housing, Push Button Switch |
| 14 | 1 | 02103.53 | Push Button, Green |
| 15 | 1 | 03485.00 | Switch Guard |
| 16 | 4 | 04086.00 | #10 Washer |
| 17 | 2 | 03801.00 | 10-32 Lock Nut |
| — | 1 | 02107.22 | Harness, Switch – NOT SHOWN |
| — | 1 | 02107.23 | Harness, Sensor – NOT SHOWN |
| — | 1 | 02107.24 | Harness, Main – NOT SHOWN |
Pump and Motor

| ITEM NO. | NO. REQ’D | P/N | DESCRIPTION |
| 1 | 9 | 02103.01 | Screw, M4, Phil, Pan Head |
| 2 | 1 | 02103.02 | Impeller Housing Cover |
| 3 | 1 | 02107.01 | Nut, M6 (Left-hand thread) |
| 4 | 1 | 02103.04 | 1/4″ Lock Washer |
| 5 | 1 | 02103.05 | 17/64″ Plain Washer |
| 6 | 1 | 02107.02 | Impeller |
| 7 | 1 | 02103.07 | Pump Seal |
| 8 | 1 | 02103.30 | Pump Gasket |
| 9 | 1 | 02107.03 | Pump Backing Plate |
| 10 | 9 | 02103.08 | Nut, M4 |
| 11 | 1 | 02103.10 | Pump Motor Assm, 220V |
| 12 | 1 | 02103.37 | Motor Fan Cover |
| 13 | 1 | 02103.11 | Capacitor, 16 μF |
| 14 | 1 | 02107.04 | Wash Pump Bracket |
| 15 | 2 | 02107.05 | Bolt, Hex Flange 1/4-20 X 3/8″ SST |
| *** | 02103.10 | Motor unavailable as separate part |
Spray Arm Manifold

| ITEM NO. | NO. REQ’D | P/N | DESCRIPTION |
| 1 | 2 | 03101.00 | Clamp, Hose Gear Hose 1-1/2″ SS |
| 2 | 2 | 00912.00 | Nut, Hex SS 1/4-20 Nylon Insert |
| 3 | 1 | 02107.40 | Hub, Upper Spray Arm |
| 4 | 4 | 02103.88 | Washer, Nylite |
| 5 | 4 | 00914.00 | Bolt 1/4-20 x 3/4″ Hex Head |
| 6 | 1 | 02103.83 | O-Ring, 2-1/8″OD x 1-3/4″ID x 3/16″ |
| 7 | 2 | 02107.39 | Spray Arm, H-1X Complete Assembly |
| 8 | 1 | 02103.81 | Hose, Upper Spray Arm |
| 9 | 1 | 02107.42 | Hub, Lower Spray Arm |
| 10 | 1 | 02107.43 | Manifold, Pump |
| 11 | 1 | 02107.44 | Hose, Pump Discharge |
| 12 | 4 | 02104.10 | Clamp, Hose Gear 1×13/16″ – 2×3/4″ SS |
| 13 | 1 | 02107.45 | Hose, Pump Suction |
Spray Arm Assembly

The number of dots on the nozzles correspond to the port in which it is assembled. The ports are keyed for the matching nozzle. Do not force a nozzle into the incorrect port.
| ITEM NO. | NO. REQ’D | P/N | DESCRIPTION |
| 1 | 1 | 02107.25 | Nozzle 1, Spray Arm, H-1X |
| 2 | 1 | 02107.26 | Nozzle 2, Spray Arm, H-1X |
| 3 | 2 | 02107.27 | Spray Arm, H-1X |
| 4 | 1 | 02107.28 | Nozzle 3, Spray Arm, H-1X |
| 5 | 4 | 02107.29 | Washer, Bearing Spray Arm, H-1X |
| 6 | 4 | 02107.30 | Nozzle 4, Spray Arm, H-1X |
| 7 | 1 | 02107.31 | Nozzle 5, Spray Arm, H-1X |
| 8 | 8 | 02107.32 | O-Ring, Nozzle Spray Arm, H-1X |
| 9 | 16 | 02107.33 | End Cap, Spray Arm, H-1X |
| 10 | 2 | 02107.34 | Shaft, Spray Arm, H-1X |
| 11 | 4 | 02107.35 | Bearing, Spray Arm, H-1X |
| 12 | 2 | 02107.36 | Bearing, Housing Spray Arm, H-1X |
| 13 | 4 | 02107.37 | Nut, Bearing Spray Arm, H-1X |
| — | — | 02107.38 | H-1X Nozzle Kit (Incl #1, 2, 4 & 6-9) |
| — | — | 02107.39 | Assm, Spray Arm, H-1X Complete |
Chemical Pumps

| NO. | REQ’D | P/N | DESCRIPTION |
| 1 | 2 | 02103.21 | Clamp, SS Gear-Min 1/2″ |
| 2 | A/R | 03107.50 | Hose, Rubber 1/2″x0.84″ OD Rinse |
| 3 | 1 | 02107.14 | Bracket, Chemical Pump, H-1X |
| 4 | 2 | 00415.20 | Chemical Pump Assm, 220V |
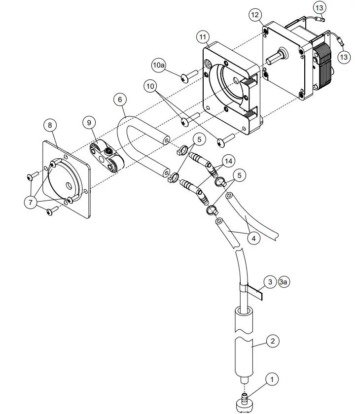
Chemical Pumps

| NO. | REQ’D | P/N | DESCRIPTION |
| 1 | 2 | 02104.47 | Strainer |
| 2 | 2 | 02104.48 | Tube Stiffener, 1/2″ID x 11-7/8″ |
| 3 | 1 | 43078.05 | Label, Detergent |
| 3a | 1 | 43078.08 | Label, Rinse |
| 4 | A/R | 02104.37 | Hose, 1/4″ID x 3/8″OD |
| 5 | 4 | 00931.00 | 4.5″ Nylon Cable Tie |
| 6 | 2 | 02257.00 | Squeeze Tube Norprene 8″ |
| 7 | 8 | 00911.00 | Screw, 8-32×1/2″ Panhead |
| 8 | 2 | 00418.00 | Peristaltic Pump Cover |
| 9 | 2 | 00419.00 | Peristaltic Pump Rotor |
| 10 | 4 | 00919.00 | Screw, 10-32 x 1-1/2″ Panhead |
| 10a | 2 | 00918.10 | Screw, 10-32 x 1-1/2″ Flathead |
| 11 | 2 | 00417.10 | Peristaltic Pump Block (Black) |
| 12 | 2 | 00416.20 | Peristaltic Pump Motor 220V/60Hz |
| 13 | 4 | 00448.00 | Barrel Connector, Male |
| 14 | 4 | 02104.52 | Barb |
Optional Chemical Alarm

| ITEM NO. | NO. REQ’D | P/N | DESCRIPTION |
| 1 | 3 | 00400.00 | Conduit, 3/8” Sealtite |
| 2 | 1 | 00401.00 | S.T. 3/8” Straight Connector |
| 3 | 1 | 00402.00 | S.T. 90 Degree 3/8” Connector |
| 4 | 1 | 00406.00 | Control Box Light, .5” Diameter, Red |
| 5 | 1 | 00435.00 | Squeeze Tube, 8” |
| 6 | 1 | 00521.00 | Wire, 18 Gauge, Orange, 6 ft. |
| 7 | 1 | 00531.00 | Wire, 18 Gauge, White, 6 ft. |
| 8 | 5 | 00931.00 | Wire Tie, Small |
| 9 | 1 | 12510.00 | Sanitizer Alarm Box Assembly |
| 10 | 1 | 12511.00 | Sanitizer Low Level Vacuum Switch |
| 11 | 1 | 12512.00 | Sanitizer Alarm Buzzer, 120 Volts |
| 12 | 4 | 40126.10 | #10 x 3/4″ Sheet metal Screw |
| 13 | 4 | 40127.00 | Wall Anchors |
| 14 | 1 | 00426.00 | Y Hose Connector, 3/16” |
Dish Racks

| ITEM NO. | NO. REQ’D | P/N | DESCRIPTION |
| 1 | 1 | 12960.01 | Dish Rack, Flat |
| 2 | 1 | 12960.03 | Dish Rack, Peg |











