CMA DISHMACHINES CMA H-1X High-Temperature Undercounter Dishwasher

Product Information
High-Temperature Undercounter Dishwasher Model H-1X
- The High-Temperature Undercounter Dishwasher Model H-1X by CMA
- Dishmachines is a reliable and efficient dishwasher designed for commercial use. It features a high-temperature wash and drain with a built-in booster and pumped final rinse. The dishwasher is equipped with chemical dispensing pumps and has a capacity of up to 30 racks per hour.
- The dishwasher has a compact design and can fit under most counters, making it ideal for small restaurants, cafes, and bars.
- It is easy to install and operate, and its built-in diagnostic features help to identify and troubleshoot any issues that may arise during operation.
Product Usage Instructions
Installation
Before installing the High-Temperature Undercounter Dishwasher Model H-1X, ensure that the area is clean, dry, and has proper drainage facilities. The machine data plate is located on the lower front panel. Record the model number, serial number, voltage, Hz, and phase in the space provided in the instruction manual. Connect the dishwasher to an appropriate power supply and water source, as per the installation instructions provided.
Machine Start-up
Once the installation is complete, turn on the power supply and water source. Open the machine’s door and allow the machine to fill with water. Press the power button to turn on the dishwasher. The dishwasher will now be ready for use.
Chemical Dispensing Pumps
The High-Temperature Undercounter Dishwasher Model H-1X comes equipped with chemical dispensing pumps. To prime the chemical dispensing pumps, follow the instructions provided in the user manual carefully.
Operation
Load the dishes into the dishwasher and close the door. Press the start button to begin the washing cycle. The dishwasher will automatically fill with water, wash the dishes, drain the water, and rinse the dishes with a high-temperature final rinse. Once the cycle is complete, open the machine’s door and remove the clean dishes.
Cleaning
Regular cleaning of the dishwasher is essential to maintain its efficiency and prolong its lifespan. To clean the wash tank, spray arms, scrap screen, and sump strainer, follow the instructions provided in the user manual carefully.
Deliming
To remove lime buildup from the dishwasher, follow the instructions provided in the user manual carefully.
Maintenance
Follow the maintenance schedules provided in the user manual to keep the dishwasher in optimal condition. The diagnostic features of the dishwasher will help identify any issues that may arise during operation. Use the parameter settings instruction sheet provided to adjust the dishwasher’s settings as required by your specific usage needs.
Revision History
Specifications are subject to change based on continual product improvement.
| Revision | Revised | Serial Number | Revision |
| Date 9.23.21 | Pages All | Effectivity W190688229 | Description Released the first edition |
INSTALLATION CODES
- The installation of the dishwasher must comply with all local electrical, plumbing, health and safety codes or in the absence of local codes, installed in accordance with the applicable requirements in the National Electrical Code, NFPA 70, Canadian Electrical Code (CEC),
Part 1, CSA C22.1; and the Standard for Ventilation Control and Fire Protection of Commercial Cooking Operations, NFPA 96.
RECEIVING
- Inspect the shipping carton damage and report immediately.
- Inspect the shipment for accessories and items shipped with the machine.
- Compare the installation site utilities to ensure they are the correct size and location.
- CAUTION: Be careful when moving the dishwasher to prevent damage.
PLACEMENT
- The dishwasher can be installed as a free-standing unit or under a counter-top.
The typical counter-top height in most locations is 34″ [86cm]. - It is highly recommended that the underside of the counter-top be clad in metal.
- Under counter installations should provide storage space for the dishwasher chemical supply containers. Do not elevate the containers above the finished floor.
- Chemical supply containers should be placed as close to the machine as possible and the chemical tubing taped to the back of the machine should be repositioned before permanently placing the machine.
- Place the dishwasher in its permanent location.
- The dishwasher has 4 adjustable feet for leveling.
- Level the dishwasher front-to-back and side-to-side.

WATER CONNECTION
NOTE:
- The installation of the dishwasher must be performed by a qualified service personnel familiar with food service equipment. Problems due to improper installation are not covered by the Limited Warranty.
- The installation of the dishwasher must comply with all local electrical, plumbing, health and safety codes or in the absence of local codes, installed in accordance with the applicable requirements in the National Electrical Code, NFPA 70, Canadian Electrical Code (CEC),
Part 1, CSA C22.1; and the Standard for Ventilation Control and Fire Protection of Commercial Cooking Operations, NFPA 96. - CAUTION: P lumbing connections must be made BEFORE the electrical connections. Damage to water heaters will occur if the power is turned on without an adequate water supply.
- It is the installing plumber’s responsibility to flush the incoming water line to remove debris before connecting to the machine. Failure to do so will void the warranty.
- All models have a 6 ft. flexible hot water fill hose with a 3/4″ female garden hose connector.
- A 1/2″ or larger main incoming supply line must be installed to the dishwasher.
- A 1/2″ or larger shut-off valve should be installed in the main water supply, as close to the dishwasher as possible for servicing.
- A water hardness of 3 grains/gal (US) [5.3 mg/L] or less is recommended. Excessively hard water will negatively impact wash results.
THIS Machine has a built-in flow control. The flowing incoming hot water supply must be between 25-95 psi. The hot water supply must provide a minimum 140°F/66°C measured at the dishwasher.
DRAIN CONNECTION
VERY IMPORTANT: The dishwasher will not drain correctly if it is connected to a disposer.
ATTENTION: Failure to follow the drain connection instructions may void the warranty.
- Machine is equipped with a 6ft. [2m] 5/8″ I.D. drain hose. The maximum drain height connection must not exceed 3ft. [1m] and must be vented to prevent wash tank siphoning.
- Drain hose is located at the rear of the machine and is secured by two clamps to maintain the anti-siphoning loop in the drain hose.
- A 3/4″ hose barb fitting is strapped to the drain. The Hose Barb Fitting is P/N 0512321.
- Additional parts are supplied by others.
- The maximum drain flow is 15 US gpm/12.4 imp gpm, /60 lpm.

DO NOT
- Do not remove the clamps holding the drain hose to the back of the machine.
- Do not connect the dishwasher to a disposer.
- Do not reduce the size of the drain hose connection or use a domestic drain fitting.
- Do not add additional length to the drain hose.
- Do not allow the drain hose to kink.
Building Drain Connection
- Install the drain hose to an 1-1/2″ or larger “WYE” fitting.
- Building drain system must be properly vented.
- Connection to a “TEE” fitting will prevent the dishwasher from draining completely

Indirect Drain Connection
- 1. A 1″ (25.4mm) minimum air gap must be maintained between the outlet of the drain hose and the flood-level rim of the floor drain, floor sink, or any other locally approved drain receptacle (see Fig. 4).

VERY IMPORTANT !
Drain problems are often due to improper installation of the drain hose and may not be covered by the limited warranty.
ELECTRICAL CONNECTION
Connect Power to the Main Terminal Block
NOTE:
- The installation of the dishwasher must comply with all local electrical, plumbing, health and safety codes or in the absence of local codes, installed in accordance with the applicable requirements in the National Electrical Code, NFPA 70, Canadian Electrical Code (CEC), Part 1, CSA C22.1; and the Standard for Ventilation Control and Fire Protection of Commercial Cooking Operations, NFPA 96

WARNING:
- Electrocution may occur when working on energized circuits. Disconnect power at main breaker or service disconnect switch; lock out and tag to indicate work is being performed on the circuit.
VERY IMPORTANT!
- Provide a 3 feet/1 meter service loop in the power supply cable to service the machine.
SINGLE PHASE POWER REQUIREMENT!
SINGLE PHASE H-1X
The electrical power must be a 2-wire plus ground supply, hard wired to a dedicated, appropriately sized circuit breaker.
- Remove the lower front dishwasher panel (Fig. 5).

- Remove the retaining fastener (A) from the main terminal block (Fig. 6) Refer to Fig. 7 below

- Provide a 3 foot/1 meter service loop in the machine power supply cable.
- Route the power cable from machine rear to terminal block making sure the cable does not touch the booster tank.
- Connect the power cable to the terminal block bracket using a suitable strain relief connector.
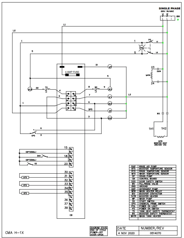
- Connect the power wires according to the wiring diagram on page 6.

- A 30″ / 76 cm SERVICE LOOP MUST BE PROVIDED BEHIND THE UNIT FOR SERVICING.
- A) THREAD THE POWER CABLE THROUGH THE MIDDLE SLOT IN THE DISHWASHER REAR PANEL.
- B) SECURE THE CABLE TO THE TERMINAL BOX USING THE PROPER STRAIN RELIEF.

- CONNECT THE INCOMING POWER AS SHOWN ON LEFT
- 208-240V/60Hz/1 TWO POWER WIRES PLUS AN ADDITIONAL WIRE MUST BE PROVIDED FOR MACHINE GROUND.
BOOSTER FILL PROCEDURE
Follow the instructions to fill the booster tank prior to washing dishes.
- DO NOT TURN THE DISHWASHER POWER SWITCH ON
- Turn the main water supply to the machine ON.
- Turn the main breaker or disconnect power switch ON.
- Press and hold the dishwasher green start switch for three seconds to activate the fill solenoid.
- Continue to hold the start switch until water enters the wash tank.
- Release the green start button.
- Booster pre-fill is complete.
Chemical Dispensing Pumps
ATTENTION!
Contact a local chemical supplier for detergent and rinse-aid chemicals. The detergent should be a non-chlorinated liquid detergent. The chemical dispensing pumps are adjusted by the chemical supplier.
- The dishwasher is equipped with a built-in detergent dispensing pump and rinse-aid dispensing pump. (See the photographs below.)
- The pumps are located on the lower panel behind the lower-front access panel.
- Each pump is equipped with 6 feet [1.8 m] of pick-up supply tubing, a stiffener tube, and a strainer.
- A red label marked DETERGENT is attached to the detergent pump inlet tubing.
- A blue label marked RINSE-AID is attached to the rinse-aid pump inlet tubing.
- The detergent enters the wash tank compartment through a fitting at the right rear of the wash compartment. (See the illustration on the next page).
- The detergent supply should be a non-chlorinated liquid detergent.

Priming the Chemical Dispensing Pumps
VERY IMPORTANT!
The chemical dispensing pumps must be primed before operating the dishwasher and whenever the container is changed. 
- The chemical dispensing pump supply lines must be primed before the will pump properly.
- Make sure the containers are full and the correct pick-up tubes are in their containers.
- Turn the dishwasher power switch ON. The switch illuminates and the machine fills with water.
- Push and hold the prime push button DOWN to the R/A (rinse-aid) position for thirty seconds until detergent is observed entering the wash compartment from injection fitting in the right rear of the tank. Release the push button
- Open the dishwasher door, then push and hold the prime push button, UP to the detergent position until detergent is observed entering the wash compartment from the injection fitting in the right rear of the tank. Release the button.

VERY IMPORTANT
INSPECT AND REPLACE THE CHEMICAL DISPENSING PUMP SQUEEZE TUBES EVERY SIX MONTHS.
NORMAL WASH MODE
- Close the door dishwasher front door.
- Push the Power Switch UP to turn on power.
- The power switch will illuminate and the machine will fill with water.
- Wait until the wash temperature indicates a minimum of 150°F/66°C.
- PLACE AN EMPTY DISH RACK IN MACHINE AND RUN FIRST CYCLE EMPTY TO HEAT WASH TANK INTERIOR
- Load the dish rack into the machine. Wash one dish rack at a time.
- Close the door and press the green start button for 1 second. The green in-cycle light will illuminate and the cycle will begin.
- The final rinse cycle begins at the end of the wash cycle. The machine drains and refills with fresh hot water. The final rinse must indicate a minimum of 180-195°F/82-92°C.
- Open the door and remove the wares when the green cycle light goes out.
ATTENTION
RINSE SENTRY MODE WILL EXTEND WASH CYCLE TIME In the event the final rinse temperature has not reached 180-195°F/82-92°C. After the wash cycle, the rinse sentry will extend the wash cycle time until the booster reaches 180-195°F/82-92°C. If the proper temperature is not reached within 5 minutes, the machine will leave the rinse sentry mode and complete the cycle.
LOADING DISH RACKS
VERY IMPORTANT
- DO NOT OVERLOAD THE DISH RACK.
- LOAD ONE DISH RACK INTO THE MACHINE AT A TIME.
- Prescrap and rinse the wares before loading to remove large food particles.
- Load soiled wares into the dish rack. Place plates and glasses in a peg rack. Place cups and bowls in an optional flat bottom rack. Place utensils in a single layer in a flat-bottom rack. Place pots and pans in a peg rack. Do not overload the dish rack. Wash one dish rack at a time.
- Slide one dish rack into the wash compartment making sure that wares do not interfere with the rotating spray arms. Do not wash more than one dish rack at a time.

- Prescrap and rinse wares before loading into the machine.

- Load plates and glasses in a peg rack.
- Loading Dish Racks

- Load pots and pans in an peg rack or optional flat-bottom rack.
- Load utensils in a single layer in a peg rack or an optional flat-bottom rack.
- Load cups and bowls in a peg rack or an optional flat-bottom rack.
- NEVER stack dish racks. Wash one dish rack at a time.

OPERATIONAL DISPLAY
- The screen displays the operational status of the machine throughout the cycle.
Start-up Sequence
- When power switch is turned ON, system information screen will show briefly.
- This shows firmware version, parameter settings, and cycle counts.

- Machine is filling.
- Wait light is illuminated.
- Progress bar shows fill time remaining.

- Red thermometer indicator shows booster tank is heating.
- Wait light remains illuminated.
- Wait light indicates cycle is pending
- Progress bar shows remaining heat time.

- The booster heater has achieved temperature
- Blue thermometer bar shows the wash tank heat is active.
- Wait light is out and READY shows a cycle may begin.

- Ready indicates the machine will wash.
- 155 °F indicates the wash tank temp.

SUMP FILL LEVEL
- After filling sequence is complete, water level should be 1/4” to 3/8” below level of sump flange.
WASH CYCLE
WASH
- The status indicator shows cycle progress.
- In-cycle light is illuminated.
DRAIN
- When the wash cycle is complete the machine will drain all of the water and refill with fresh hot water.

RINSE
- The display changes to red and indicates rinse temp.

RINSE SENTRY
AUTO CLEAN DRAIN
- When machine is turned off, the AutoClean screen with the status indicator is shown.

- This takes approximately 2-1/2 minutes.
- When complete, open door to allow machine interior to air dry.
Cleaning the Wash Tank
VERY IMPORTANT
DRAIN AND CLEAN THE DISHWASHER EVERY 2 HOURS OF CONTINUOUS OPERATION, AFTER EACH MEAL PERIOD AND AT THE END OF THE DAY.
- Remove the upper and lower spray arms and flush clean with water.
- Remove the scrap screen making sure food soils do not fall into tank.
- Flush and back flush with clean water.
- Check the sump.
- Check the pump intake strainer.
- Do not scrub the interior with metal pad.
- Check the heating element for lime buildup and remove. Do not use a metal pad.
- Wipe the exterior of he machine with a soft cloth and mild detergent.
- Leave the door open to aid in overnight drying.
- DO NOT USE METALLIC SCRUB PADS TO CLEAN THE MACHINE.
- DO NOT SPRAY THE EXTERIOR OF THE MACHINE WITH WATER.
Cleaning the spray arms:
- Unscrew the retaining screw from the upper and lower interchangeable spray arms.
- Flush the spray arms clean in a sink. Be sure to flush the spray arm bearings.

Cleaning the Scrap Screen and Sump Strainer

- Lift the scrap screen straight up and out of the machine to prevent food pa rticles from falling into the tank sump.
- Flush the scrap screen in a remote sink making sure to back-flush both side of the screen.
- Wipe the tank sump of water and debris.
- Carefully inspect the pump intake strainer . This strainer is not removeable but must be thoroughly cleaned before reinstalling the scrap screen

ATTENTION
A CLOGGED OR RESTRICTED SUMP STRAINER WILL PREVENT THE PROPER WASHING, RINSING AND DRAINING OF THE MACHINE.
ATTENTION
- WIPE THE EXTERIOR OF THE MACHINE WITH A SOFT CLOTH AND MILD DETERGENT . DO NOT SPRAY THE EXTERIOR WITH WATER OR BLEACH. LEAVE THE DOOR OPEN TO AID IN OVERNIGHT DRYING
DELIMING
WARNING:
- Death or serious injury may result when deliming solution is mixed with sodium hypochlorite (chlorine bleach) sanitizing agent. Mixing may cause hazardous gases to form.
- Deliming solution and other acids must never be mixed with chlorine, iodine, bromine, or fluorine.
- Deliming solutions can cause severe irritation and possible chemical burns.
- Always wear protective clothing and goggles when handling chemicals.
Follow the steps below to delime the dishwasher.
- Open the dishwasher door and remove the dish rack.
- Remove the detergent and rinse-aid chemical supply tubing from their chemical supply containers.
- Place the pick-up tubes in a container of hot water.
- Push the dishwasher power switch to the ON position. The dishwasher will fill with water.
- Press and hold the detergent prime switch UP to flush the detergent from the supply tubing. Release the switch.
- Turn the dishwasher power switch to OFF/DRAIN to drain the wash tank. The WASH indicator light will go out in about 2 minutes.
- Always wear eye protection, rubber gloves and protective clothing when handling chemicals.
- Open the door and carefully add the deliming chemical to the wash tank in accordance with your chemical supplier’s instructions. Be careful to avoid splashing.
- Close the door.
- Press the power switch to the ON position. The machine will fill with water.
- Press and hold the Start button for one second to initiate an automatic cycle.
- When the cycle has ended, open the door and check the deliming results. Clean the spray arm jets with a paper clip to ensure they are clear.
- Repeat steps 6-11 if necessary. Push the power switch to OFF/Drain to drain the machine.
- Push the power switch ON to refill the machine. Place an empty dish rack in the machine.
- Run 4 empty cycles to ensure all deliming chemicals are flushed from the machine.
- Return chemical supply tubing to their containers and prime the chemical lines.
- Deliming is complete.
Maintenance
MAINTENANCE SCHEDULES
Daily Maintenance
- Check all of the wash arm and rinse arm spray jets and clean as necessary.
- Check scrap screen, and sump strainer and clean as necessary.
- Make sure the water supply is on and the drain is not clogged.
- Check the temperature display and ensure it is operating.
- Make sure the dish racks are in good condition.
- Check the chemical containers and refill as required.
- Follow the cleaning procedures.
Weekly Maintenance
- Perform Steps 1-6 in the Daily Maintenance.
- Inspect water lines for leaks.
- Check for water leaks underneath the dishwasher.
- Make sure the floor drain and/or drain lines are unobstructed.
- Make sure the dishwasher is level.
- Clean accumulated lime deposits from the wash tank heating element.
- Inspect the scrap screen and replace if damaged.
- Check the spray arms and replace or repair if damaged.
- Inspect machine interior for lime build-up (white haze) and delime if necessary. Consult the chemical supplier for deliming chemicals.
Semi-Annual Maintenance
- Inspect the chemical dispensing pump tubing for cuts, kinks or bends and replace if necessary.
- Flush chemical tubing with hot water:
Place an empty dish rack inside the dishwasher. Remove the pick-up tubes from the chemical containers. Place the tubes in a container of hot water and run the dishwasher for twenty cycles to thoroughly flush the lines. Check the lines to ensure
they are unobstructed. - Disassemble the detergent pump and replace the squeeze tube. Reassemble.
- Return the pick-up tubes into full chemical containers and return the machine to service.
- Detergent squeeze tubes should be inspected or replaced every six months.
Yearly Maintenance
- Contact your authorized service agent for a preventive maintenance inspection.
Lubrication
- There are no lubrication points for this dishwasher.
Diagnostics
DIAGNOSTIC FEATURES
To access diagnostic features:
- Turn power switch to “OFF”.
- Push start button 3 times.
- Machine will now step through and operate the components as shown below.


PARAMETER SETTINGS INSTRUCTIONS
CAUTION: Parameter changes must be made by qualified personnel only.
The following parameters may be changed depending on model:
- DETERGENT CONCENTRATION
- RINSE TEMP
- WASH TEMP
- RINSE AID
- FILL TIME
- UNITS (F-C)
- LANGUAGE (English – French)
To Change Parameters:
- push and Hold the “Menu” button.
- Push menu button to scroll through until desired parameter is reached.
- Push “CHANGE” button until desired setting is reached.
- Release and control will return to normal operation (approximately 3 seconds).


For future reference, record your dishwasher information in the box below.
- Model Number
- Serial Number
- Voltage
- Hertz
- Phase
- Service Agent
- Tel:
- Parts Distributor
- Tel:
- National Service Department
- CMA Dishmachines
- 12700 Knott Avenue
- Garden Grove, CA 92841
- Toll-free: 1 (800) 854-6417 Fax: 1 (714) 895-2141
ATTENTION:
- The model no., serial no., voltage, Hz, and phase are needed to identify your machine and to answer questions.
- The machine data plate is located on the lower front panel.
- Please have this information ready if you call for service assistance.
- COPYRIGHT © 2019 All rights reserved Printed in the USA
- https://cmadishmachines.com/warranty-registration/












































