EMTEK Non-Keyed Sideplates

Installation Guide
IMPORTANT!: Lever/Knob location on the sideplate (Top, middle, bottom) varies depending on style.
Determine proper orientation BEFORE drilling holes.
- Determine Lever/Knob location & plate orientation

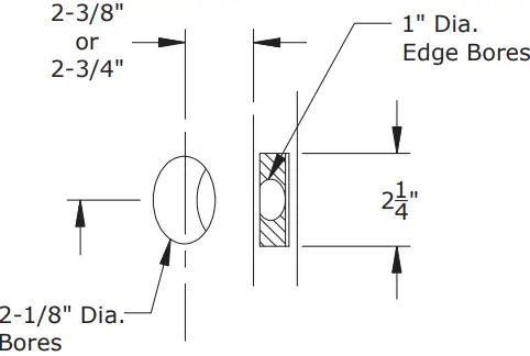
- . Door Prep

- Install latch

- Install Inside Trim Plate
Prior to drilling holes, align side plate using Edge Guide (provided)
Plates and Lever/Knob vary depending on style - Install Outside Trim Plate

- Tighten Lever/Knob

After lock has been installed tighten set screw with Allen Wrench.
Dummy plate

Install Mounting Plate & Adjust for leve

Install Sideplate

Privacy Function

Optional Thru Bolts
Thru bolts (provided) may be used on hollow doors instead of wood screws (also provided).





Plates and Lever/Knob vary depending on style




















