Model Number: PBASE10
LG MultiSITE TM E10
CONTROLLER
INSTALLATION MANUAL

PROPRIETARY DATA NOTICE
This document, as well as all reports, illustrations, data, information, and other materials are the property of LG Electronics U.S.A., Inc., and are disclosed by LG Electronics U.S.A., Inc., only in confidence.
Do not throw away, destroy, or lose this manual.
Please read carefully and store it in a safe place for future reference.
Content familiarity is required for proper installation.
The instructions included in this manual must be followed to prevent product malfunction, property damage, injury, or death to the user or other people. Incorrect operation due to ignoring any instructions will cause harm or damage. A summary of safety precautions begins.
For more technical materials such as submittals, engineering databooks, and catalogs, visit www.lghvac.com.
For continual product development, LG Electronics U.S.A., Inc., reserves the right to change specifications without notice.
©LG Electronics U.S.A., Inc.
This document, as well as all reports, illustrations, data, information, and other materials are the property of LG Electronics U.S.A., Inc.
SAFETY INSTRUCTIONS
The instructions below must be followed to prevent product malfunction, property damage, injury or death to the user or other people. Incorrect operation due to ignoring any instructions will cause harm or damage.
The level of seriousness is classified by the symbols
described below.
TABLE OF SYMBOLS
| This symbol indicates an imminently hazardous situation which, if not avoided, will result in death or serious injury. |
| This symbol indicates a potentially hazardous situation which, if not avoided, could result in death or serious injury. |
| This symbol indicates a potentially hazardous situation which, if not avoided, may result in minor or moderate injury. |
Note: | This symbol indicates situations that may result in equipment or property damage accidents only. |
![]() | This symbol indicates an action that should not be performed. |
Safety of personnel is the primary concern during all procedures. Read and understand this safety summary. Read and understand the installation procedure before beginning installation. Use the appropriate tools and accessories during installation. Plan your work and do not work alone, if possible. Know how to obtain emergency medical and fire fighting assistance.
DANGER
Do not use or store flammable gas or combustibles near the unit.
There is a risk of fire, explosion, and physical injury or death.
Disconnect power before installing or servicing the unit.
There is a risk of physical injury or death due to electric shock.
Properly size all circuit breakers or fuses.
There is a risk of fire, electric shock, explosion, physical injury, or death.
Do not share the electrical circuit with other devices.
There is a risk of fire, electric shock, physical injury, or death due to heat generation.
Do not use damaged or loose power wiring.
Do not modify or extend the unit’s power wiring randomly. Ensure that the
power wiring will not be pulled nor the weight is placed on the power wiring during operation.
There is a risk of fire, electric shock, and physical injury or death.
WARNING
The information contained in this manual is intended for use by an industry-qualified, experienced, trained electrician familiar with local, national, and regional codes and who is equipped with the proper tools and test instruments.
Failure to carefully read and follow all instructions in this manual can result in personal injury or death.
All electric work must be performed by a licensed electrician and conform to local building codes or, in the absence of local codes, with the National Electrical Code, and the instructions given in this manual.
If the power source capacity is inadequate or the electric work is not performed properly, it may result in fire, electric shock, physical injury, or death.
Use copper conductors only. Refer to local, state, and federal codes, and use power wires of sufficient current capacity and rating.
Wires that are too small may generate heat, cause a fire and physical injury or death.
Before making power terminations during earth grounding, de-energize the power source.
Do not restore power until completing all other mounting and wiring.
There is a risk of electric shock and physical injury or death.
Install in a controlled environment relatively free of contaminants.
There is the risk of electric shock and physical injury or death.
Secure all field wiring connections with appropriate wire strain relief.
Improperly securing wires will create undue stress on equipment power lugs. Inadequate connections may generate heat, cause a fire and physical injury or death.
Ensure the system is connected to a dedicated power source that provides adequate power.
If the power source capacity is inadequate or the electric work is not performed properly, it may result in fire, electric shock, physical injury or death.
Do not change the settings of the protection devices.
If the pressure switch, thermal switch, or other protection device is shorted and forced to operate improperly, or parts other than those specified by
LG is used, there is a risk of fire, electric shock, explosion, and physical injury or death.
Properly tighten all power connections.
Loose wiring may overheat at connection points, causing a fire, physical injury or death.
Dispose of any packing materials safely.
- Packing materials, such as nails and other metal or wooden parts may cause puncture wounds or other injuries.
- Tear apart and throw away plastic packaging bags so that children may not play with them and risk suffocation and death.
Do not install the MS-E10 Controller if it will be exposed to rain or other precipitation. Do not install the unit in a location
exposed to open flame or extreme heat. Do not touch the unit with wet hands.
There is a risk of fire, electric shock, physical injury, and/or death.
CAUTION
Wear protective gloves when handling equipment.
Sharp edges may cause personal injury.
Note:
The information contained in this manual is intended for use by an industry-qualified, experienced, trained electrician familiar with local, national, and regional codes and who is equipped with the proper tools and test instruments.
Failure to carefully read and follow all instructions in this manual can result in equipment malfunction or property damage.
A single, dedicated power source for each MS-E10 is recommended.
If you power multiple MS-E10 controllers from a single power source, you must match the power and grounding polarity on each controller or the controller will be damaged
Disconnect power before installing or servicing the unit.
There is a risk of equipment damage or degraded performance.
Clean up the site after all procedures are finished, and check that no metal scraps, screws, or bits of wiring have been left inside or surrounding the controller or indoor units.
Do not allow water, dirt, or animals to enter the controller.
There is a risk of unit failure or degraded performance.
Do not spill water or other liquid on the inside of the controller. Do not drop the controller into the water. If the unit is immersed in water or other liquid, contact your local authorized LG distributor for support.
There is a risk of unit failure or degraded performance.
Remove all power to the controller before attaching (plugin) or detaching (unplug) any option module.
There is a risk of possible equipment damage.
Do not remove the controller’s cover.
No configurable or user-serviceable items (such as jumpers or a battery) require cover removal. All items are accessible as switches and connectors on the unit’s top, bottom, and side, or behind the unit’s front access door.
This device is only intended for use as a monitoring and control device. Do not use it for any other purpose.
There is a risk of data loss or equipment damage.
The MS-E10 Controller controller is not compatible with a Power-Over-Ethernet (POE) network.
Do not connect the controller on a network segment that carries power.
The unit may fail.
Protect against unauthorized access to your network systems by restricting physical access to this controller.
INTRODUCTION
This device complies with part 15 of the FCC Rules. Operation is subject to the following two conditions:
(1) This device may not cause harmful interference, and (2) this device must accept any interference received, including interference that may cause undesired operation.
Note: This equipment has been tested and found to comply with the limits for a Class B digital device, pursuant to part 15 of the FCC Rules.
These limits are designed to provide reasonable protection against harmful interference in a residential installation.
This equipment generates, uses, and can radiate radio frequency energy and, if not installed and used in accordance with the instructions, may cause harmful interference to radio communications. However, there is no guarantee that interference will not occur in a particular installation. If this equipment does cause harmful interference to radio or television reception, which can be determined by turning the equipment off and on, the user is encouraged to try to correct the interference by one or more of the following measures:
- Reorient or relocate the receiving antenna.
- Increase the separation between the equipment and receiver.
- Connect the equipment into an outlet on a circuit different from that to which the receiver is connected.
- Consult the dealer or an experienced radio/TV technician for help.
Supplier’s Declaration of Conformity TradeName: LG |
Description
DIN-mount, 24 Vac/dc (50/60Hz) powered, Niagara® controller with 10 I/O points including:
- Five Universal Inputs (UIs) compatible with 0-10 Vdc, 0-20 mA, dry contacts, 0-100K ohm resistive, or Type 3 thermistor temperature sensors.
- Two 0-10 Vdc Analog Outputs (AOs) for 0-10 Vdc analog control of loads up to 2.5K ohm minimum or 4 mA drain maximum.
See product data sheet and MS-E10 Install and Startup Guide for complete specifications and product details.
Included in this Package
- MS-E10 controller
- Three-position RS485 connector plug
- Six-position connector for Triac output
- Four-position connector for analog outputs
- Eight-position connector for Universal inputs
- Two-position power connector, and a grounding wire
- 499 Ohm resistors (Qty. 5) for universal input use
- This MS-E10 Controller Installation Manual
Material & Tools Required
- One of the following:
- UL listed, Class 2, 24 Vac transformer, rated at a minimum of 7 VA. A dedicated transformer is required (cannot power additional equipment), or
- User-supplied UL Listed Class 2 or LPS AC power adapter: 24 Vdc, capable of supplying at least 7 W (24 Vdc at 292 mA).
- DIN rail, type NS35/7.5 (35mm x 7.5mm) and DIN rail end-clips (stop clips), recommended for installation. The controller is also panel-mountable.
- Suitable tools and fasteners for mounting the unit and any accessories.
Default Login Credentials
Platform login requires Admin-level platform credentials. The factory default username and password for the platform and station are listed below.
Platform credentials: username: “Tridium”, password: “Niagara”, passphrase: “Niagara”.
Station credentials: username: “admin”, password: “Admin12345”
When you initially commission the controller you will have to change all default credentials (username, password, passphrase)
INSTALLATION
Environmental Requirements
NOTE: This product is for indoor use only.
Ambient conditions must be within the range of:
- Operating Temperature: -20°C to 60°C (-4°F to 140°F)
- Storage Temperature: -40°C to 85°C (-40°F to 185°F) Relative humidity: 5% to 95% non- condensing
- Supply voltage fluctuation and brownout tolerance:
- Allowable voltage fluctuation to +/-10%
- 0-69% input voltage – 40 ms
- 70-79% input voltage – 1 second
- 80 – 89% input voltage – 20 seconds
- 90% – 100% input voltage – indefinitely
NOTE: Horizontal mounting is strongly recommended, to achieve maximum heat dissipation and meet the operating temperature upper limit. Any other mounting orientation reduces this upper limit.
Mounting On DIN Rail
- Pull the controller’s locking clip (1) down.
- Tilt the controller to hook over the DIN rail (2).
- Push down and in on the unit to fasten to the rail (3).
- Push locking clip (4) up and click into place to secure.
- Carefully secure both ends of the final assembly with DIN rail end-clips (5)provided by the DIN rail vendor.

Terminal Locations
The MS-E10 Controller provides 5 Universal Inputs compatible with 0–10 Vdc, 0–20 mA, dry contacts, 0–100K ohm resistive, or Type 3 thermistor temperature sensors. The MS-E10 Controller includes five outputs as:
- Three digital, non-powered, Triac outputs for on/off control of 24 Vac loads up to 1/2 Amp.
- Two 0-10 Vdc Analog Outputs for 0-10 Vdc analog control of loads at 2.5K ohm minimum or 4 mA drain maximum.

Wiring terminal positions are shown below, along with LED locations.

Connector Locations
Field connections are shown below:
| Item | Description |
| 1 | Universal inputs. Five inputs on an 8-position connector. |
| 2 | Analog outputs. Two outputs on 4-position connector. |
| 3 | RS485 port. One port on a 3-position connector. |
| 4 | Digital (Triac) outputs. Three non-powered outputs on 6-position connector. |
| 5 | 24 Vac/dc input. One input on a 2-position connector. |
| 6 | Earth ground. One tab for the earth ground. |
| 7 | Ethernet ports. Two 10/100Mb, RJ-45 connectors with integrated LEDs. |
| 8 | DEBUG port for serial debugs communication. |
Wiring
Refer to “Connector Locations” and the following images to locate connectors and other components. Descriptions are provided for wiring to ground, to power, RS-485, Ethernet, Inputs, and Outputs.
Wiring Earth Ground & Power

NOTE: Because the MS-E10 Controller uses a half-wave rectified power supply, it should not share a transformer with the JACE-8000, IO-R-34, or any legacy JACE.
NOTE: Use earth grounding to provide protection from electrostatic discharge or other forms of EMI.
NOTE: Pay attention to the following, depending on the type of power source that you use:
AC: Dedicated 24V transformer required, with neither side of the transformer secondary tied to ground.
DC: Polarity is critical to protect the diode (uses onboard half-wave rectified power supply). Connect – to ground and + to the other terminal.
WARNING
Before making power terminations, de-energize the 24V power source.
Do not restore power until completing all other mounting and wiring. See “Power up and Initial Checkout”.
Wiring – continued
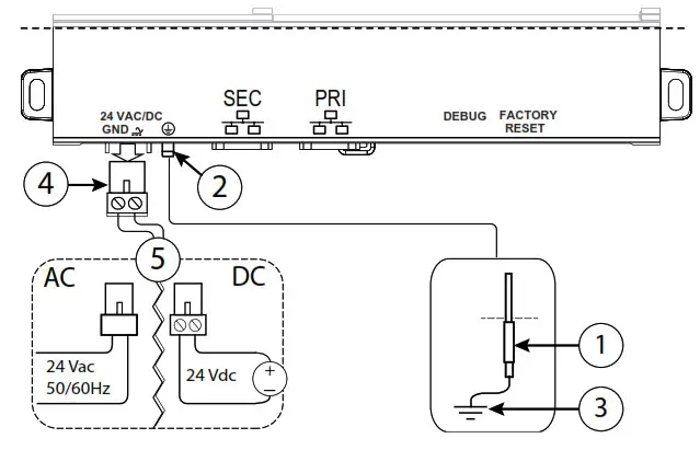
Prerequisite: A nearby earth grounding point.
- Install the included earth ground wire (1) to the controller’s earth ground spade lug (2), and terminate the other end to a nearby earth ground (3).
- Unplug the controller’s 2-position power connector (4) and terminate a 24 V supply source (5) to the connector. Leave connector unplugged for now.
RS485 Wiring
On the controller’s top side, a single, non-isolated, RS485 port provides a connection to the IO-R-34 module or to other RS-485 devices (NRIO, BACnet MS/TP, MODBUS). Do not use this port to connect to other controllers.
Use shielded, twisted-pair, 18-22 AWG cabling to wire in a continuous multidrop fashion to other RS485 devices: “minus to minus”, “plus to plus,” and “shield to shield”. 10K bias resistors are permanently connected. There is no built-in termination resistor. The maximum total cable length is 1,000 feet (304.8 meters).
Connect the shield wire to earth ground at the MS-E10 Controller end only. The following image shows example wiring.

- RS485 port supporting a trunk of RS-485 devices (3 maximum).
(A) Niagara Supervisor
(B) Devices - RS485 port connected to a single IO-R-34 module.
- Example wire terminations to IO-R-34 using RS-485.
(A) Ground at one point on MS-E10 end only.
(B) Use shielded twisted pair wiring
NOTE: Do not mix an IO-R-34 with other types of RS485 devices on the same RS485 trunk.
NOTE: RS485 devices on the same network should use the same protocol and baud rate. Up to 50 total external points across 3 external devices are supported.
Ethernet Wiring
Two RJ-45 10/100Mb Ethernet connectors are labeled PRI for primary, and SEC for secondary. Use a standard Ethernet patch cable to an Ethernet switch. These ports are suitable for daisy-chaining MS-E10 Controllers (see image below) or for connection to either a JACE-8000 or directly to a network. The maximum distance between nodes (network switch or controller) is 100 meters.
Daisy Chain and Network Device Limits
The maximum number of MS-E10 Controllers that are supported in daisy chain configuration is 16.
IT departments may limit the number of devices or network switches connected to a network port and may disable a port if limits are exceeded. MS-E10 Controllers installed in daisy chain configuration off of a single port count against the limit and may trigger the switch to disable the port. See below for an example Ethernet daisy chain layout.

Using DHCP
Upon the first startup when IP connectivity is detected, the MS-E10 Controller initially requests an IP address via DHCP. If a DHCP address is not found, the controller reverts to a static IP address based on its serial number. The fallback IP address is 192.168.1xx.xx, where xx.xx is the last 4 digits of the serial number. For example, if the serial number is 123456789, the fallback IP address would be 192.168.167.89.
The default subnet mask is 255.255.0.0.
For default platform and station login credentials, see Default Login Credentials.
When MS-E10 controllers are daisy-chained from a JACE-8000, you must configure the JACE-8000 port for DHCP as described in MSNC Startup Guide. Be sure to set up the DHCP server prior to connecting power to the MS-E10 controllers.
Using Rapid Spanning Tree Protocol (RSTP)
By default, MS-E10 Controllers are configured for loop-free daisy chain installations. In some circumstances, it may be desirable to create intentional loops in the physical network to increase fault tolerance of the network. This requires enabling RSTP on all MS-E10 Controllers in the chain. In addition, the controllers must be connected to a network switch that also supports RSTP and has that feature enabled. RSTP allows the MS-E10 Controllers to detect the physical layer loops and disable redundant connections until required (cable unplugged, wire cut, etc).
NOTE: When using RSTP, always communicate with local Network IT personnel for specific guidance.
Types of Input Wiring
Each of the 5 UI inputs supports any of the following:
- Type-3 10K ohm Thermistor (see NOTE, below)
- Resistive 0-100K ohms
- 0–10 Vdc
- 4–20 mA
- Binary Input
Thermistor UI Wiring
The inputs support 10K Thermistor temperature sensors. Input accuracy is in the range of ±1% of span. By default, conversion is for a standard Type 3 thermistor sensor with a sensor range of -10° to 135°F (-23.3° to 57.2°C). Using a conversion type of “Tabular Thermistor,” you can specify a different thermistor response curve by importing a thermistor curve .xml file. The Niagara kitIo module contains an XML folder with thermistor curves for various thermistor temperature sensors. You can also edit and export (for reuse) customized thermistor curve XML files. See the NRIO Driver Guide for details.

- Use shielded, twisted cable (1) 61m (200 ft) max.
- Cut and tape back shield wire (2) thermistor (3) end.
- Connect the other end of shield wire to the ground (4) (for example, use a stud in an enclosure).
Resistive 0-100K ohms UI Wiring
The inputs can read a resistive signal within a range from 0 to 100,000 ohms. Wiring is the same as shown for a Thermistor temperature sensor, above.
NOTE: UI inputs provide optimum resistive-to-temperature resolution in the 10K ohm range.
For a sensor with a range far from 10K ohms (such as a 100-ohm or 1000-ohm sensor), the resolution is so poor as to be unusable! To successfully use such a sensor, install a transmitter that produces a Vdc or mA signal, and then wire the transmitter to the UI according to the 0–10 Vdc or 4–20 mA instructions.
0-10 Vdc UI Wiring
The inputs support self-powered 0–10 Vdc sensors. Input impedance is greater than 5K ohms.
0–10 volt accuracy is ±2% of span, without user calibration.

- Use shielded, twisted cable (1) 61m (200 ft) max.
- Cut and tape back shield wire (2) at sensor (3) end.
- Connect the other end of shield wire to ground (4) (for example, use a stud in an enclosure).
4-20 mA UI Wiring
The inputs support self-powered 4–20 mA sensors. Input accuracy is ±2% of span, without user calibration. Use a 499-ohm resistor wired across the input terminals.
NOTE: When using an externally powered 4–20 mA sensor, be sure to de-energize its power supply before making or changing any wiring connections to the MS-E10 Controller.
This is in addition to removing power from the MS-E10 Controller. DO NOT apply external power to the UI inputs without the 499-ohm resistor in place. Otherwise, even a momentary application of power (for example, 24 Vdc) to the UI terminals without the resistor may damage circuitry on the MS-E10 Controller. Only after completing all input wiring should you restore power to such external power supplies.
- De-energize the 4-20 mA sensor (3) and remove any power from the MS-E10. See Note, above.
- Use shielded, twisted cable (1) 61m (200 ft) max.
- Cut and tape back shield wire (2) at sensor (3) end.
- Connect the other end of shield wire to ground (4) (for example, use a stud in an enclosure).
- Wire the supplied 499 Ohm resistor (5) across input terminals. See Note, above.
Binary Input UI Wiring
The universal inputs support normal dry (equipment status) contacts. Standard dry contacts must have a 1 Hz (or less) COS frequency, with a minimum dwell time > 500 ms (contacts must remain open at least 500 ms and be closed at least 500 ms). Dry contacts support 11 Vdc open circuits or 733 µA short-circuit current.

- Wire the shielded, twisted cable (1), 61m (200 ft) max, to Binary Input, dry contacts (2).
- Cut and tape back shield wire (3) at sensor end (2).
- Connect the other end of shield wire to the ground (4) (for example, use a stud in an enclosure).
Types of Output Wiring
MS-E10 provides 3 Triac digital outputs and 2 0-10 Vdc analog outputs. Triacs are not powered by the controller.
Binary Triac Output Wiring
NOTE: Triac outputs are suitable for AC only. DC loads and dry contacts require an intermediate relay.
NOTE: Never use a controller’s power transformer to power I/O loads. Using the controller’s transformer introduces potentially damaging switching transients into the unit.

Each digital Triac output (1) is rated at 24 Vac +/- 15%, 50/60Hz, at 0.5 A max. Outputs are normally open, floating, and do not share a common pin.
Analog Output Wiring
Analog outputs (AO) are referenced by the terminals labeled AOn and 0 V. Each AO can supply a maximum of 4 mA over the entire 0 to 10 Vdc range. The minimum input impedance of a device controlled by an AO must be greater than 2500 ohms.
Accuracy of the AO is specified at +/- 2% of full scale, with a max load of 4 mA. If the AO is operated with a load that is within spec, the deviation will be less than 2% of full scale (200 mV) over the specified operating temperature range.

- Wire the shielded, twisted cable (1), 61m (200 ft) max, to Binary Input, dry contacts (2).
- Cut and tape back shield wire (3) at sensor end (2).
- Connect the other end of shield wire to the ground (4) (for example, use a stud in an enclosure).
Types of Output Wiring
The MS-E10 Controller provides 3 Triac digital outputs and 2 0-10 Vdc analog outputs. Triacs are not powered by the controller.
Binary Triac Output Wiring
NOTE: Triac outputs are suitable for AC only. DC loads and dry contacts require an intermediate relay.
NOTE: Never use a controller’s power transformer to power I/O loads. Using the controller’s transformer introduces potentially damaging switching transients into the unit.

Each digital Triac output (1) is rated at 24 Vac +/- 15%, 50/60Hz, at 0.5 A max. Outputs are normally open, floating, and do not share a common pin.
Analog Output Wiring
Analog outputs (AO) are referenced by the terminals labeled AOn and 0 V. Each AO can supply a maximum of 4 mA over the entire 0 to 10 Vdc range. The minimum input impedance of a device controlled by an AO must be greater than 2500 ohms.
Accuracy of the AO is specified at +/- 2% of full scale, with a max load of 4 mA. If the AO is operated with a load that is within spec, the deviation will be less than 2% of full scale (200 mV) over the specified operating temperature range.

For analog output, wire 0-10 Vdc device (1) to the controller as follows.
- Connect Device Common Ground (2) to 0 V (3).
- Connect Device Input (4) to the analog output (5).
Power up and Checkout
Refer to the illustration and steps below to apply power and verify the basic operation of the controller.

| Item | Description |
| 1 | 24 VAC/DC power connector |
| 2 | STAT (Green) – Remains illuminated while the controller is powered. |
| 3 | BEAT (Yellow) – “Heartbeat”, normally 1 Hz, 50% duty cycle. |
| 4 | D3, D2, D1 – Triac Status: Active (Yellow), Inactive: (Off). |
| 5 | SEC and PRI Ethernet , 2 LEDs for each port: Green LED on left: Link (On) /Activity (Flicker) Yellow LED on right: Speed; 100Mb(On) / 10 Mb(Off). |
| 6 | DEBUG – Micro-A USB for serial debug communications. |
| 7 | FACTORY RESET – Pushbutton switch to return the controller to factory default settings. |
Power Up and Initial Checkout
3. Apply power by inserting the 2-position 24 V power connector plug (1).
4. Check that the green STAT (2) and yellow BEAT (3) LEDs are flashing, as described below.
Status LED indications
When power is applied, the green “STAT” LED illuminates. This indicates the system is OK, with power applied. During bootup, the “BEAT” LED may blink at 5 Hz with a 50%/50% on/off duty cycle. When bootup completes, the platform daemon is started, and the normal 1 Hz flash at 50%/50% on/ off duty cycle of the “BEAT” LED returns. If the “BEAT” LED stays illuminated constantly, does not illuminate, or blinks very fast, contact System Engineering for technical support.
NOTE: The 5Hz, 50%/50% on/off “BEAT” flash at bootup also occurs during other critical operations, such as a firmware upgrade to the controller.
To be safe, do not remove power from the controller while its “BEAT” LED flashes with a rapid 5Hz rate. Wait for the normal (50%/50%) flash to return before removing power.
For more LED details, refer to Niagara Community Tech Tip article: Edge 10 LEDs: Status and Heartbeat.
Debug Port and Factory Reset
Along the bottom side of the controller is a debug port for serial debug communications and a Factory Reset button. See the MS-E10
Install and Startup Guide for information on setting the controller to factory defaults.
The DEBUG port is a standard Micro-USB AB port for serial debug communications to the controller. Use a serial terminal program (for example PuTTY) to access the controller “system shell” menu. This provides access to some basic platform settings.
Default DEBUG port settings are: 115200, 8, N, 1 (baud rate, data bits, parity, stop bits). For details on using a serial connection to the DEBUG port, see the MS-E10 Install and Startup Guide.

DIN rail mounting is recommended. Where tab mounting is required, use dimensions in the illustration to mount the controller.
NOTE: Do not mount hardware on both a DIN Rail and with tab mounts to another surface. This causes physical stress on equipment.
1 MS-E10 Controller. Allow at least 1.5” (38mm) clearance around all sides.
Article 33 Communication
REGULATION (EC) No 1907/2006 OF THE EUROPEAN PARLIAMENT AND OF THE COUNCIL of 18 December 2006
Concerning the Registration, Evaluation, Authorisation and Restriction of Chemicals (REACH)
LG takes compliance with REACH very seriously.
According to Article 33 “Duty to communicate information on substances in articles”:
- Any supplier of an article containing a substance meeting the criteria in Article 57 and identified in accordance with Article 59(1) in a concentration above 0,1 % weight by weight (w/w) shall provide the recipient of the article with sufficient information, available to the supplier, to allow safe use of the article including, as a minimum, the name of that substance.
- On request by a consumer and supplier of an article containing a substance meeting the criteria in Article 57 and identified in accordance with Article 59(1) in a concentration above 0,1 % weight by weight (w/w) shall provide the consumer with sufficient information, available to the supplier, to allow safe use of the article including, as a minimum, the name of that substance.
Our duty is to inform you that the substance(s) listed below may be contained in these products above the threshold level of 0.1% by weight of the listed article.
| Product / Part Name | Substance Name |
| PBASE10 / PWB Assemblies | Lead (Pb) |
We confirm that our products do not use any other REACH restricted materials during the manufacturing, storage or handling process.
Agency Certifications
- FCC Part 15, class b
- C-UL
- CE
- UL916, Open Energy Management Class 2
- RoHS2
- REACH
- WEEE
- CAN/CSA-C22.2 No. 205-12
WEEE (Waste of Electrical and Electronic Equipment)
This symbol on our product shows a crossed-out “wheelie-bin” as required by law regarding the Waste of Electrical and Electronic Equipment (WEEE) disposal. This indicates your responsibility to contribute in saving the environment by proper disposal of this Waste i.e. Do not dispose of this product with your other wastes. To know the right disposal mechanism please check the applicable law.
Due to our policy of continuous product innovation, some specifications may change without notification.
©LG Electronics U.S.A., Inc., Englewood Cliffs, NJ. All rights reserved. “LG” is a registered trademark of LG Corp.

LG Electronics, U.S.A., Inc.
Air Conditioning Technologies
4300 North Point Parkway
Alpharetta, Georgia 30022
www.lghvac.com
Due to our policy of continuous product innovation, some specifications may change without notification.
©LG Electronics U.S.A., Inc., Englewood Cliffs, NJ. All rights reserved. “LG” is a registered trademark of LG Corp.
DANGER

WEEE (Waste of Electrical and Electronic Equipment)

















