
LG MultiSITE™ NETWORK CONTROLLER
INSTALLATION MANUAL

Model Number: PBASNC8000
PROPRIETARY DATA NOTICE
This document, as well as all reports, illustrations, data, information, and other materials are the property of LG Electronics U.S.A., Inc., and are disclosed by LG Electronics U.S.A., Inc., only in confidence.
Do not throw away, destroy, or lose this manual.
Please read it carefully and store it in a safe place for future reference.
Content familiarity is required for proper installation.
The instructions included in this manual must be followed to prevent product malfunction, property damage, injury, or death to the user or other people.
Incorrect operation due to ignoring any instructions will cause harm or damage. A summary of safety precautions begins on page 4.
For more technical materials such as submittals, engineering databooks, and catalogs, visit www.lghvac.com.
For continual product development, LG Electronics U.S.A., Inc., reserves the right to change specifications without notice.
©LG Electronics U.S.A., Inc.
This document, as well as all reports, illustrations, data, information, and other materials are the property of LG Electronics U.S.A., Inc.
SAFETY INSTRUCTIONS
The instructions below must be followed to prevent product malfunction, property damage, injury, or death to the user or other people. Incorrect operation due to ignoring any instructions will cause harm or damage.
The level of seriousness is classified by the symbols described below.
TABLE OF SYMBOLS
| This symbol indicates an imminently hazardous situation that, if not avoided, will result in death or serious injury. | |
| This symbol indicates a potentially hazardous situation that, if not avoided, could result in death or serious injury. | |
| This symbol indicates a potentially hazardous situation that, if not avoided, may result in minor or moderate injury. | |
| Note: | This symbol indicates situations that may result in equipment or property damage accidents only. |
| This symbol indicates an action that must not be performed. |
The safety of personnel is the primary concern during all procedures. Read and understand this safety summary. Read and understand the installation procedure before beginning installation. Use the appropriate tools and accessories during installation. Plan your work and do not work alone, if possible. Know how to obtain emergency medical and fire fighting assistance.
DANGER
Do not use or store flammable gas or combustibles near the unit.
There is a risk of fire, explosion, and physical injury or death.
Disconnect power before installing or servicing the unit.
There is a risk of physical injury or death due to electric shock.
Properly size all circuit breakers or fuses.
There is a risk of fire, electric shock, explosion, physical injury, or death.
Do not share the electrical circuit with other devices.
There is a risk of fire, electric shock, physical injury, or death due to heat generation.
Do not use damaged or loose power wiring. Do not modify or extend the outdoor unit’s power wiring randomly. Ensure that the power wiring will not be pulled nor the weight is placed on the power wiring during operation.
There is a risk of fire, electric shock, and physical injury or death.
WARNING
The information contained in this manual is intended for use by an industry-qualified, experienced, trained electrician familiar with local, national, and regional codes and who is equipped with the proper tools and test instruments.
Failure to carefully read and follow all instructions in this manual can result in personal injury or death.
All electric work must be performed by a licensed electrician and conform to local building codes or, in the absence of local codes, with the National Electrical Code, and the instructions given in this manual.
If the power source capacity is inadequate or the electric work is not performed properly, it may result in fire, electric shock, physical injury, or death.
Use copper conductors only. Refer to local, state, and federal codes, and use power wires of sufficient current capacity and rating.
Wires that are too small may generate heat, and cause fire and physical injury or death.
Before making power terminations during earth grounding, de-energize the 24 V power source. Do not restore power until completing all other mounting and wiring.
There is a risk of electric shock and physical injury or death.
Install in a controlled environment relatively free of contaminants.
There is the risk of electric shock and physical injury or death.
Secure all field wiring connections with appropriate wire strain relief.
Improperly securing wires will create undue stress on equipment power lugs. Inadequate connections may generate heat, and cause fire and physical injury or death.
Ensure the system is connected to a dedicated power source that provides adequate power.
If the power source capacity is inadequate or the electric work is not performed properly, it may result in fire, electric shock, physical injury, or death.
Do not change the settings of the protection devices.
If the pressure switch, thermal switch, or other protection device is shorted and forced to operate improperly, or parts other than those specified by LG are used, there is a risk of fire, electric shock, explosion, and physical injury or death.
Properly tighten all power connections.
Loose wiring may overheat at connection points, causing a fire, physical injury, or death.
Dispose of any packing materials safely.
- Packing materials, such as nails and other metal or wooden parts may cause puncture wounds or other injuries.
- Tear apart and throw away plastic packaging bags so that children may not play with them and risk suffocation and death.
Do not install the MS-NC device if it will be exposed to rain or other precipitation.
Do not install the unit in a location exposed to open flame or extreme heat.
Do not touch the unit with wet hands.
There is a risk of fire, electric shock, physical injury, and/or death.
CAUTION
Wear protective gloves when handling equipment.
Sharp edges may cause personal injury.
Note:
The information contained in this manual is intended for use by an industry-qualified, experienced, trained electrician familiar with local, national, and regional codes and who is equipped with the proper tools and test instruments.
Failure to carefully read and follow all instructions in this manual can result in equipment malfunction or property damage.
Disconnect power before installing or servicing the unit.
There is a risk of equipment damage or degraded performance.
MultiSITE NC unit is for use with select LG air conditioning systems only.
Do not attempt to use this unit with any other type of system.
There is a risk of equipment damage or degraded performance.
Clean up the site after all procedures are finished, and check that no metal scraps, screws, or bits of wiring have been left inside or surrounding the controller or indoor units.
Do not allow water, dirt, or animals to enter the controller.
There is a risk of unit failure or degraded performance.
Do not spill water or other liquid on the inside of the controller.
Do not drop the controller into the water. If the unit is immersed in water or other liquid, contact your local authorized LG distributor for support.
There is a risk of unit failure or degraded performance.
Remove all power to the controller before attaching (plugin) or detaching (unplug) any option module.
There is a risk of possible equipment damage.
Do not remove the controller’s cover.
No configurable or user-serviceable items (such as jumpers or a battery) require cover removal. All items are accessible as switches and connectors on the unit’s top, bottom, and side, or behind the unit’s front access door or microSD card shutter.
This device is only intended for use as a monitoring and control device.
Do not use it for any other purpose.
There is a risk of data loss or equipment damage.
Before removing or inserting the microSD card, disconnect all power to the controller and use static discharge precautions.
There is a risk of equipment damage.
The MS NC unit is not compatible with a Power-Over-Ethernet (POE) network.
Do not connect the controller to a network segment that carries power.
The unit may fail.
The MultiSITE NC has the following agency listings, compliances, and certifications:
- UL-916, Energy Management Equipment – Edition 4
- FCC Part 15, Class B – Federal Communications Commission, with FCC Part 15, Subpart C – WiFi
- ICES-003, Class B – Industry Canada Interference-Causing Equipment Standard
- RoHS 2 (Restriction of Hazardous Substances), Directive 2011/65/EU.
CE Declaration of Conformity (Council Directive 004-108-EC)
ACMA complies with the requirements of the relevant ACMA Standards. This document covers the mounting and wiring of the following products.
COMPLIANCE AND APPROVALS
Federal Communications Commission (FCC)
This device complies with Part 15 of the FCC Rules. Operation is subject to the following two conditions:
- This device may not cause harmful interference, and
- This device must accept any interference received, including interference that may cause undesired operation.
Changes or modifications not expressly approved by the party responsible for compliance could void the user’s authority to operate the equipment.
This equipment has been tested and found to comply with the limits for a Class B digital device, pursuant to Part 15 of the FCC Rules. These limits are designed to provide reasonable protection against harmful interference in a residential installation. This equipment generates, uses, and can radiate radio frequency energy. If the equipment is not installed and used in accordance with the instructions, may cause harmful interference to radio communications. However, there is no guarantee that interference will not occur in a particular installation. If this equipment does cause harmful interference to radio or television reception, which can be determined by turning the equipment off and on,
the user is encouraged to try to correct the interference by one of the following measures:
- Reorient or relocate the receiving antenna.
- Increase the separation between the equipment and receiver.
- Connect the equipment into an outlet on a circuit different from that to which the receiver is connected.
- Consult the dealer or an experienced radio/TV technician for help.
FCC RF Radiation Exposure Statement:
- This equipment complies with FCC radiation exposure limits set forth for an uncontrolled environment. This transmitter must not be co-located or operating in conjunction with any other antenna or transmitter.
- This equipment needs to be installed and operated with a minimum distance of 20 cm (7.8 inches) between the antenna and your body. Users must follow the specific operating instructions for satisfying RF exposure compliance.
FCC Radio Frequency Interference Requirements:
- High power radars are allocated as primary users of the 5.25 to 5.35 GHz and 5.65 to 5.85 GHz bands. These radar stations can cause interference with and/or damage this device. This device cannot be co-located with any other transmitter.
| Supplier’s Declaration of Conformity | |
| Trade Name | LG |
| Responsible Party | LG Electronics U.S.A, Inc. |
| Address | 111 Sylvan Avenue, North Building Englewood Cliffs, NJ, 07632 |
| [email protected] | |
INTRODUCTION
LG MultiSITE™ Network Controller (NC)
This manual describes how to install the MultiSITE NC (model number: PBASNC8000). The MultiSITE NC is a compact and powerful controller and server platform designed for connecting multiple and diverse devices and sub-systems. Powered by the Niagara 4
Framework®, the MultiSITE NC provides an open system solution including integrated control, supervision, data logging, alarming, scheduling, and network management. The MultiSITE NC streams data to a standard web browser accessible via an Ethernet or wireless LAN, or remotely over the Internet.
The MultiSITE NC offers a scalable solution to meet future challenges of building integration and enterprise connectivity.
LG MultiSITE NC will be referred to as MS-NC in this manual. PBASNC8000 is the model number for the MS-NC. ZSMA80101YR is the model number for the software maintenance agreement.
Figure 1: MS-NC.

Items included with the device
Table 1 lists the items included with the MS-NC. Table 2 lists the optional accessories.
Table 1: Included items.
| Part | Quantity |
| MicroSD card in a plastic case | 1 |
| Coax-mount, dual 2.4/5.8GHz antenna for WiFi | 1 |
| 3-position RS-485 connector plugs | 2 |
JACE, Niagara Framework, Niagara 4 Framework, and the Niagara AX Framework are trademarks of Tridium, Inc. LonWorks is a registered trademark of Echelon. BACnet is a registered trademark of ASHRAE. All other product names and services mentioned in this publication that are known to be trademarks, registered trademarks, or service marks are the property of their respective owners.
Optional Accessories
Table 2: Optional accessories.
| Model | Description |
| LON Module Model Number: ZHWLONWK0 | DIN rail-mount LON modules are directly attached to additional communications ports. |
| Wall Adapter Model Number: ZHWPWADTR | Wall-mount, Class 2 universal AC power adapter supplying 24 V DC to a cable with a barrel-connector plug. |
Figure 2: MS-NC (with one optional LON module).

Materials and Tools
Required Tools
You will need one of the following:
- UL listed, Class 2, 24 Vac transformer, rated at a minimum of 24 Va. A dedicated transformer is required (cannot power additional equipment), or
- UL listed Class 2 or LPS 24 Vdc power supply, capable of supplying at least 1A (24 W), or
- (Optional) Wall-mount AC power adapter (Model: ZHWPWADTR) with barrel connector plug.
Optional Tools
- DIN rail, type NS35/7.5 (35mm x 7.5mm), and DIN rail end-clips (stop clips) are recommended for any installation with optional modules. The controller is also panel-mountable.
- Suitable tools, fasteners, and accessories for mounting.
MOUNTING PREPARATION
Inserting or removing the MicroSD Card
Before mounting a new controller, you must insert the included microSD flash memory card. The microSD card includes the operating system as well as the LG user interface. This card must be installed for the MS-NC to function.
Before inserting or removing the microSD card
• The controller must be unmounted from any DIN rail or screw tab mounting, as accessing the card uses space behind the mounting base.
• Disconnect all power to the controller and use static discharge precautions.
Note:
The microprocessors and associated circuitry within the device are sensitive to static discharge. Work in a static-free area. Discharge any static electricity you may have accumulated. Discharge static electricity by touching a known, securely grounded object. Disconnect all power to the device and use these precautions before removing or inserting the microSD card. Otherwise, equipment damage is likely to occur.

1 = Access shutter for microSD card (slide to open or close).
2 = Card carrier inside controller.
3 = MicroSD card to insert or remove from card carrier.
Steps to insert or remove the card
- Carefully slide the plastic microSD card shutter open. The shutter must remain captive in the base, revealing the microSD card socket.
- To insert the microSD card, slide it into the card carrier, label side up, until the spring catch engages. If properly inserted, the card is behind the shuttered tracks.
- To remove the microSD card, push it in until the spring release pushes it partially out of the card carrier. Grasp the card, pull it completely out of the unit and store it in a static-free protective case.
- Carefully slide the card shutter back over the card carrier opening, until it clicks in place. When properly closed, the shutter must not protrude behind the mounting base.
Note:
- Data on the microSD card is encrypted. If you swap in a card from a previously configured unit, you must change the MS-NC system pass-phrase on the platform to match the passphrase on the new microSD card.
- Typically, the microSD card never needs removal. However, if an MS-NC controller has been electrically damaged or found faulty, you can remove the card and install it in another similar unit, so it can become a functional replacement.
Mount the MS-NC in a location that allows clearance for wiring, servicing, and module removal.
Environmental Requirements
Following are the ambient conditions for mounting the MS-NC controller:
- Operating temperature range: -4°F to 140°F (-20°C to 60°C).
- Storage Temperature: -40°F to 185°F (-40°C to 85°C ).
- Relative humidity range: 5% to 95% non-condensing.
- Pollution Degree: 3.
- Supply (mains) voltage requirements: Allowable voltage fluctuation +/- 10%.
- For a unit mounted inside an enclosure, ensure that the enclosure is designed to keep the unit within its required operating temperature range (considering a 24-watt dissipation by the controller). This is important if the controller is mounted inside an enclosure with other heat-producing equipment.
Do not mount the unit in the following areas:
- Any area with excessive moisture, corrosive fumes, or explosive vapors.
- Any area where vibration or shock is likely to occur.
- A location subject to electrical noise, such as in the proximity of large electrical contractors, electrical machinery, welding equipment, and so on.
Note:
This product is for indoor use only, at an altitude of up to 2,000m (6,562 ft).
MOUNTING
Physical Mounting
- Horizontal mounting (as shown in the Figure below) is strongly recommended, to achieve maximum heat dissipation and meet the operating temperature upper limit. Any other mounting orientation reduces this upper limit.
- Mounting on a 35mm wide DIN rail is recommended. The device’s unit base has a molded DIN rail slot and locking clip, as do option modules. DIN rail mounting ensures the alignment of the connectors between all devices.
- Up to four option modules are supported. See the Figure below for mounting dimensions.

Mounting on DIN Rail
Prerequisites
Following are the prerequisites for mounting on DIN rail:
- The 35mm DIN rail must be securely mounted, with at least two screws near the rail ends.
- The microSD card must be installed in the controller. See “Inserting or Removing the MicroSD Card”.
- Pull the controller’s locking clip down.
- Tilt the controller to hook over the DIN rail.
- Push down and in on the unit, fastening to the rail.
- Push the locking clip up to secure.

- Mount any option module onto the DIN rail in the same way. Slide the module firmly into the controller’s connector to the seat. Repeat for other modules as needed. A maximum of 4 option modules can be installed for each controller.
- Carefully secure both ends of the final assembly with DIN rail end clips provided by the DIN rail vendor.
• To remove a unit from the DIN rail, pull down its locking clip. Then swing the bottom out and lift the unit away from the DIN rail.
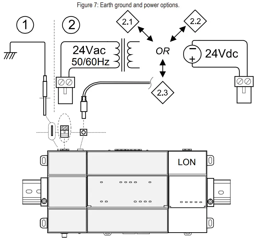
Earth Ground and Power
Earth grounding provides protection from electrostatic discharge or other forms of EMI.
Note:
There must be a nearby earth grounding point.
- Install the included earth ground wire to the controller’s earth ground spade lug, and terminate the other end to nearby earth ground.
- Unplug the controller’s 2-position power connector plug and terminate the 24 V supply source (AC or DC) to the connector. Leave the connector unplugged for now.

Power source options:
2.1 = (AC): Dedicated 24 V transformer required, with neither side of the transformer secondary tied to the ground.
2.2 = (DC): Polarity is unimportant (uses onboard diode bridge), with neither leg tied to the ground.
2.3 = (Optional) Wall-mount AC adapter, (Model: ZHWPWADTR) instead of wiring 24 V to 2-position connector.
WARNING
Before making power terminations during earth grounding, de-energize the 24 V power source. Do not restore power until completing all other mounting and wiring.
There is a risk of electric shock and physical injury or death.
WIRING
Communications Wiring
Ports for field communications are shown in the Figure below.

1 = RS-485 ports.
2 = WiFi settings switch and antenna. See “WiFi”.
3 = Ethernet ports, 10/100-Mbit, RJ-45. See “Ethernet Wiring”.
4 = Earth ground and 24 V power input. See “Earth Ground and Power”.
WiFi
An integral WiFi adapter provides wireless connectivity using the IEEE 802.11a/b/g/n standard and provides an RP-SMA antenna connector.
The WiFi configuration switch has the following operation modes:
- OFF – (Default, middle) WiFi adapter is disabled.
- ACC – The device provides operation as a WiFi access point for up to 20 clients.
- CLT – The device operates as a client to an existing 802.11a/b/g/n router or access point.
An associated LED remains lit whenever WiFi is enabled. See “Status LEDs”.
Ethernet Wiring
Two RJ-45 10/100-Mbit Ethernet connectors are labeled PRI (LAN1) for primary, and SEC (LAN2) for secondary. Use a standard Ethernet patch cable to an Ethernet switch.
The factory-default IP address for PRI is 192.168.1.140. The subnet mask is 255.255.255.0. By default, the SEC (LAN2) port is disabled.
Note:
The MS-NC controller is not compatible with a Power-Over-Ethernet (POE) network. Connecting the Controller to a network segment that carries power may cause the unit to fail. In that event, you must disconnect it from the POE network segment and power-cycle the unit.
POWER UP AND INITIAL CHECKOUT
Prerequisite for power-up
Ensure power and ground wiring to the controller is ready. See “Earth ground and power”. See Figure 10 for the location of status LEDs.
Steps
- Apply power. To do this, do one of the following:
• Insert the 2-position 24 V power connector plug, or
• Insert the barrel plug of the wall-mount AC adapter (Model: ZHWPWADTR). - Check the STAT (Status) and BEAT (Heartbeat) LEDs.
When power is applied, after 3-10 sec, the green “STAT” LED illuminates, indicating that the system is OK, with power applied. During bootup, the “BEAT” LED may blink at 1 Hz with a 90%/10% on/off duty cycle, or in some other irregular pattern. When bootup completes, the normal 1 Hz “BEAT” LED flash at 50%/50% on/off duty cycle returns.
If after applying power, the “STAT” LED goes out, or if the “BEAT” LED comes on (steady) and stays lit for over 2 minutes, contact Technical Support for assistance.
STATUS LEDS
The device provides a number of status LEDs. See the Figure below.

1 = WiFi (Green) – Lit whenever the WiFi config switch is not Off.
2 = RS-485 “B” (COM2): Transmit (TX) and Receive (RX).
3 = STAT (Green) – Remains lit. See “STAT (Status) LED”.
4 = BEAT (Yellow) – “Heartbeat” LED that blinks at 1Hz during normal operation. See “BEAT (Heartbeat) LED”.
5 = Primary Ethernet SEC (LAN1) “Link” (Green), “Activity” (Yellow). See “PRI, SEC (Ethernet) LEDs”.
STAT (Status) LED
The green “STAT” LED provides a CPU machine status check, and should remain lit whenever the controller is powered. See Figure 9. If the status LED does not light while power is applied, contact Technical Support.
BEAT (Heartbeat) LED
In normal operation, the yellow heartbeat “BEAT” LED blinks at 1 Hz, at 50%/50% on/off duty cycle. See Figure 9.
During controller bootup, this LED may blink at 1 Hz with a 90%/10% on/off duty cycle, or in some other irregular pattern. When boot up completes, the platform daemon starts, and the normal 1 Hz flash at 50%/50% on/off duty cycle returns.
If the “BEAT” LED stays on constantly, does not light, or blinks very fast, contact Technical Support.
Note:
The 1Hz, 90%/10% on/off “BEAT” flash at bootup also occurs during other critical operations, such as a firmware upgrade to the controller and/or any attached modules.
Do not remove power from the controller while its “BEAT” LED flashes with a 90%/10% on/off duty cycle. Wait for the normal (50%/50%) flash to return before removing power.
PRI, SEC (Ethernet) LEDs
There are two LEDs for each of the two LAN ports.
Green (left-side) “Link” LED operates as follows:
- Off: No Ethernet link is made.
- On: Ethernet link is made.
The Yellow (right-side) “Activity” LED operates as follows:
- Off: No Ethernet activity.
- On: Blinking indicates activity (typical if Link is On).
TAB MOUNTING DIMENSIONS
See the Figure below for tab mounting dimensions for the MS-NC. Measurements shown below are in inches and (mm).

1 = MS-NC. With no optional LON modules added, allow at least 1.5” (38mm) clearance around all sides, and a minimum of 3”(76mm) at the bottom for the WiFi antenna.
2 = Optional LON module. Up to four (4) may be used.
3 = Distances between the center of tabs from one unit to another unit.
Note:
DIN mounting is recommended over tab mounting. See “Mounting on DIN rail”.

LG Electronics, U.S.A., Inc.
Air Conditioning Technologies
4300 North Point Parkway
Alpharetta, Georgia 30022
www.lghvac.com


















