
DMC810GL
Installation Instructions
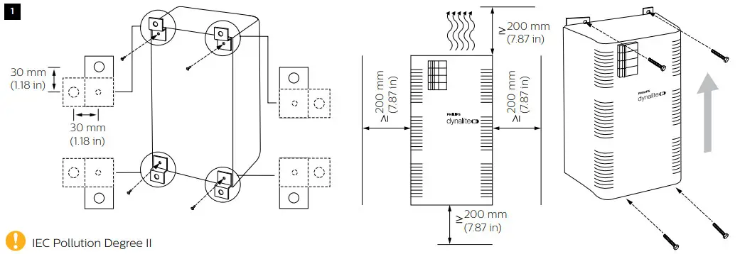
Devices must be installed by a qualified electrician in accordance with all national and local electrical and construction codes and regulations.




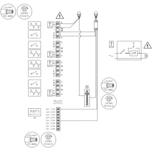
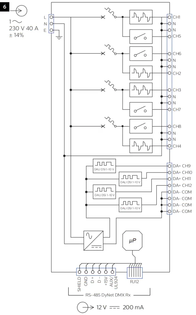
Phase Control Ratings/Channel
CH1 – CH4 Leading Edge
Output Ratings / Channel (CH)
| Load Type | CH5 – CH8 |
| General Use | 10 A 240 V∼ |
| Incandescent | 5 A 240 V∼ |
| Magnetic with Halogen | 2 A 240 V∼ |
| Electronic Driver | 3 A 240 V∼ |
| Inrush Current | 165 A∼ |
Output Ratings/Group
CH1 & CH5 ≤ 10 A
CH2 & CH6 ≤ 10 A
CH3 & CH7 ≤ 10 A
CH4 & CH8 ≤ 10 A
DMC810GL ≤ 40 A
Control Channel Ratings
| DALI Broadcast | ≤ 64/CH Guaranteed 128 mA, Maximum 250 mA Insulation: basic | ≤ 200 |
| DSI | ≤ 64 / CH | ≤ 200 |
| 1-10 V | Sink 50 mA / Source 50 mA | Driver dependent |




Apply de-rating for electronic and LED loads.
The manufacturer is not responsible for dimmable lamp selection. Each lamp/dimmer combination must be tested for compatibility prior to installation.
This is a class A product. In a domestic environment, this product may cause radio interference, in which case the user may be required to take adequate measures.
Professional dimmers rated > 1000 W are out of scope of EN 61000-3-2.
© 2021 Signify Holding. All rights reserved. Specifications are subject to change without notice. No representation or warranty as to the accuracy or completeness of the nformation included herein is given and any liability for any action in reliance thereon is disclaimed. Philips and the Philips Shield Emblem have registered trademarks of Koninklijke Philips N.V. All other trademarks are owned by Signify Holding or their respective owners.
AZZ 477 0721 R15
www.lighting.philips.com/dynalite
![]()




















