Acuity Brands DMeXit Emergency Controller
Product Information
The DMeXit Emergency Controller is a device that provides emergency power to a system when the normal power source is unavailable. The controller has several status indicators, including PWR, DMX, and EM, which indicate the power source, active DMX source, and emergency mode status, respectively. The controller also has internal indicators, including Processor and Record Custom Snapshot LEDs. The device has several buttons, including Test, Record Custom Snapshot, and Default Snapshot.
Important Safeguards
- All servicing should be performed by qualified service personnel.
- When using electrical equipment, basic safety precautions should always be followed.
- Always read complete installation instructions prior to installation.
- DMX input/output ports must be connected to low-voltage data lines only. Do not connect DMX ports to high voltage sources.
Product Usage Instructions
Wall Mount Installation Instructions
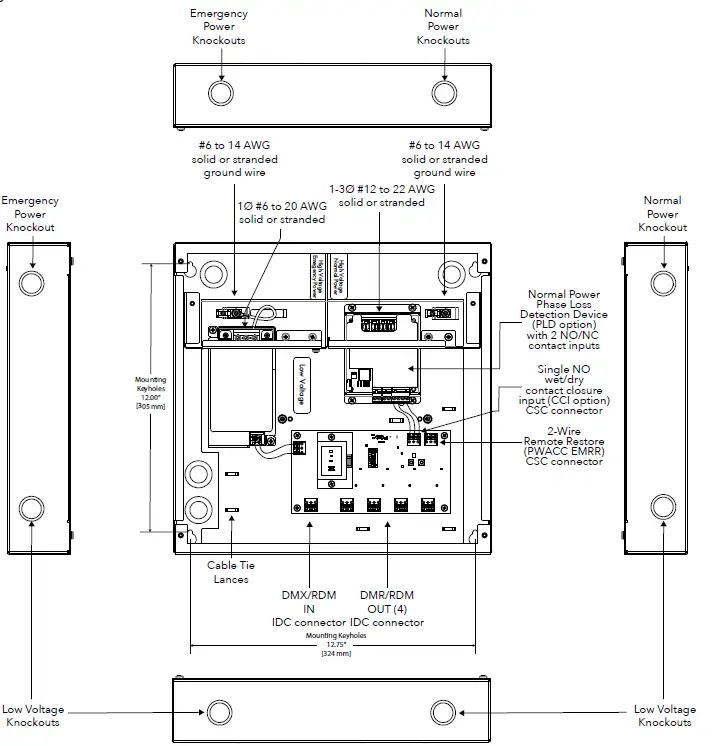
The PWEMDMX WM is designed for indoor use in a dry location. Mount the device to the wall with appropriate fasteners. Run conduit into the box through the side or top knockouts provided. Low voltage knockouts are marked yellow; ensure that line voltage wiring is kept inside the barriered power supply section.
Mounting
The DMX IN is wired to the control console output or enclosure. The DMX OUT connectors are wired to the remote DMX devices/RDM responders. PWEMDMX WM is designed for indoor use in a dry location. Mount the enclosure to the wall with appropriate fasteners. Run conduit into the box through the side or top knockouts provided. Low voltage knock-outs are marked yellow; ensure that line voltage wiring is kept inside the barriered power supply section.
LINE VOLTAGE CONNECTIONS
PS50X MVOLT is wired to the single phase emergency power source in the top left section. Labeled terminations for two 6 to 20 AWG solid or stranded power wires. One grounding lug for 6 to 14 AWG solid or stranded ground wire.
PLD OPTION is wired to normal power source in the top right section with labeled terminations for 12 to 20 AWG solid or stranded. Please refer to PLD wiring diagram details. One grounding lug for 6 to 14 AWG solid or stranded ground wire.
347V Step Down Transformer is an option to power the system from 347 volts AC. Use a wirenut to connect a single phase to the red con-nector on the transformer. The yellow wire will be connected to the internal power supply.
LOW VOLTAGE CONNECTIONS
DMX IN is wired to the control console output or to another DMX source. Follow connector, cable, and pinouts specifed below.
DMX OUT connectors are wired to the remote DMX devices/RDM responders.
Remote Restore connector is wired to the op-tional PWACC EMRR using the V+ & V- terminals. CCI connector is wired to user provided contact closure for Emergency Activation or to the factory installed Phase Loss Detector
WARNING: DMX input/output ports must be connected to low-voltage data lines only. Do not connect DMX ports to high voltage sourc-es.
The PWEMDMX WM has several low voltage connections:
- DMX IN
- DMX OUT
- Remote Restore connector (wired to the optional PWACC EMRR using the V+ & V- terminals)
- CCI connector (wired to user provided contact closure for Emergency Activation or to the factory installed Phase Loss Detector)
Line Voltage Connections
The PWEMDMX WM has several line voltage connections:
- PS50X MVOLT (wired to the single phase emergency power source in the top left section)
- PLD OPTION (wired to normal power source in the top right section with labeled terminations for 12 to 20 AWG solid or stranded)
Status Indicators
The DMeXit Emergency Controller has several status indicators:
- PWR – Green: Steady glow indicates emergency power source is OK; off indicates no emergency power source. If all LEDs are off, check that the module is receiving power.
- DMX Amber: Steady glow indicates active DMX source is present.
- EM – Red: Not lit when system in is normal mode. Flashes red when Emergency mode has been activated. Solid red when emergency condition has cleared and system restore is pending timeout or user intervention.
- Internal Indicators:
- Processor – Green: Steady glow indicates that board is working. Off when in Emergency mode.
- Record Custom Snapshot – Green: Steady glow only if a custom snapshot has been recorded.
- Optional PWACC EMRR Remote Restore:
- Green: System is in normal operation.
- Red – Flashing: System in in emergency mode.
- Red – Solid: System is ready to be restored to normal operation.
- Red/Green Flashing: System is set to automatically restore without the use of the EMRR Button.
The DMeXit Emergency Controller has several buttons:
- Test (External): Press for a 30s test of emergency snapshot.
- Record Custom Snapshot (Internal): Press and hold for three seconds to save incoming DMX signal. LED will illuminate. Press and hold for 10 seconds to restore snapshot to default with all levels to full. Custom Snapshot LED will blink and go out.
External Test Press for a 30s test of emergency snapshot. Internal RECORD CUSTOM SNAPSHOT Press and hold for three seconds to save incom- ing DMX signal. LED will illuminate. DEFAULT SNAPSHOT Press and hold for 10 seconds to restore snap- shot to default with all levels to full. Custom Snapshot LED will blink and go out.
Part No. 912-00431-001 March 16, 2023 Page 1
DMeXit Emergency Controller
OVERVIEW
The Pathway DMeXit is a UL924 certified controller de-signed to send a control signal to DMX lighting in emer-gencies to satisfy minimum luminance levels for egress lighting. DMeXit may be triggered using a wet or dry contact closure from other building management sys-tems, or the integrated phase loss detection device. Upon trigger, a user-recordable snapshot of a single universe DMX will be transmitted to four separate data runs. The outputs are optically isolated to ensure max-imum reliability and are fully RDM compliant so that your entertainment console or architectural controller still has maximum flexibility when it comes to commis-sioning and monitoring your system during normal op-eration. There are multiple options for restoring normal operation after conditions have been cleared, including user programmable time delays, sensing of valid input signal from the normal controller or a remote restore button for facilities or stage managers.
IMPORTANT SAFEGUARDS
- All servicing should be performed by qualified service personal.
- When using electrical equipment, basic safety precautions should always be followed including the following:
READ AND FOLLOW ALL SAFETY INSTRUCTIONS.- Do not use outdoors.
- Do not mount near gas or electric heaters.
- Equipment should be mounted in locations and at heights where it will not readily be subjected to tampering by unauthorized personnel.
- The use of accessory equipment not recommend by the manufacturer may cause an unsafe condition. e. Do not use this equipment for other than its in-tended use.
- The Emergency Circuits for this panel, must be fed from a UPS, generator, or other guaranteed source of power during emergency and power outage situations.
- CAUTION – This equipment may be fed by more than one power supply source. To reduce the risk of electric shock, both normal and emergency sources feeding this unit should de-energized before servicing any equip-ment connected inside the marked high voltage com-partments.
- Pathway assumes no responsibility for claims arising out of improper or careless installation or handling of this product. Failure to follow any of these instructions could void product warranty.
Always read complete installation instructions prior to installation!
SAVE THESE INSTRUCTIONS
STATUS INDICATORS
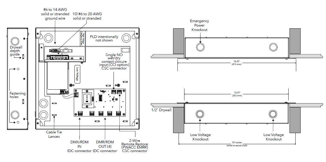
FLUSH MOUNT INSTALLATION INSTRUCTION
MOUNTING
PWEMDMX FM is designed for indoor use in a dry location. Mount the enclosure between studs that are 16” on center. The lances on the side of the unit help guide placement appropriate for 1/2 drywall. Use two screws through the unthreaded holes on each side for fastening to studs. Do not use the three threaded holes. Run conduit into the box through the top or bottom knockouts provided. Low voltage knockouts are marked yellow; ensure that line voltage wiring is kept inside the barriered power supply section.
LINE VOLTAGE CONNECTIONS
PS50X MVOLT is wired to the single phase emergency power source. Labeled terminations for two 6 to 20 AWG solid or stranded power wires. One grounding lug for 6 to 14 AWG solid or stranded ground wire.
PLD OPTION is wired to normal power source in the top right section with labeled terminations for 12 to 20 AWG solid or stranded. Please refer to PLD wiring diagram details. One grounding lug for 6 to 14 AWG solid or stranded ground wire.
347V Step Down Transformer is a selectable option to power system from 347 volts AC. Use a wirenut to connect a single phase to the red connector on the transformer. The yellow wire will be connected to the internal power supply.
LOW VOLTAGE CONNECTIONS
DMX IN is wired to the control console output or to another DMX source. Follow connector, cable, and pinouts specifed below.
DMX OUT connectors are wired to the remote DMX devices/RDM responders.
Remote Restore connector is wired to the op-tional PWACC EMRR using the V+ & V- terminals. CCI connector is wired to user provided contact closure for Emergency Activation or to the factory installed Phase Loss Detector
WARNING: DMX input/output ports must be connected to low-voltage data lines only. Do not connect DMX ports to high voltage sourc-es.
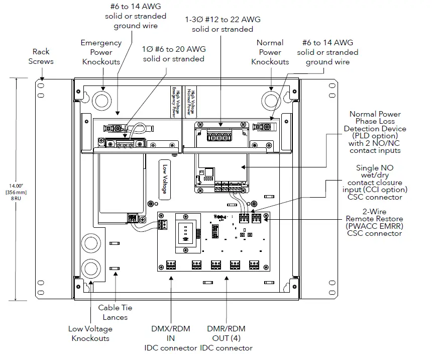
RACK MOUNT INSTALLATION INSTRUCTION
MOUNTING
PWEMDMX RM is designed for installing in a standard 19” equipment rack for indoor use in a dry location. Fasten the rack ears with the sup-plied hardware and mount the enclosure using 4 appropriate fasteners. This unit requires 8 RU. Run conduit into the the rear of the enclosure through the knockouts provided. Low voltage knockouts are marked yellow; ensure that line voltage wiring is kept inside the barriered pow-er supply section.
LINE VOLTAGE CONNECTIONS
PS50X MVOLT is wired to the single phase emergency power source. Labeled terminations for two 6 to 20 AWG solid or stranded power wires. One grounding lug for 6 to 14 AWG solid or stranded ground wire.
PLD OPTION is wired to normal power source in the top right section with labeled terminations for 12 to 22 AWG solid or stranded. Please refer to PLD wiring diagram details. One grounding lug for 6 to 14 AWG solid or stranded ground wire.
347V Step Down Transformer is a selectable option to power system from 347 volts AC. Use a wirenut to connect a single phase to the red connector on the transformer. The yellow wire will be connected to the internal power supply.
LOW VOLTAGE CONNECTIONS
DMX IN is wired to the control console output or to another DMX source. Follow connector, cable, and pinouts specifed below.
DMX OUT connectors are wired to the remote DMX devices/RDM responders.
Remote Restore connector is wired to the op-tional PWACC EMRR using the V+ & V- terminals. CCI connector is wired to user provided contact closure for Emergency Activation or to the factory installed Phase Loss Detector
WARNING: DMX input/output ports must be connected to low-voltage data lines only. Do not connect DMX ports to high voltage sourc-es.
PLD WIRING DETAILS
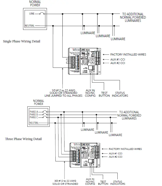
Auxiliary Contacts from Fire Alarm Control Panels, Security Systems, or a remote test switch may trigger emergency mode if connected using the auxiliary contact closure input terminals on the LME 924. Dry contact relays or maintained switches may be used. Consult equipment manuals to verify auxiliary switches are dry contacts and maintained when active. When contact is made by the auxiliary equipment the LME 924 will trigger emergency mode and hold that mode until the contact(s) opens and the Restore time of how you have DIP switches 5,6, &7 set expires. For example if the LME 924 opens the contacts and your Restore Time is set to Factory Default of 10 seconds, it will take an additional 10 seconds before it returns to DMX pass-thru rather than emergency. There are (2) auxiliary contacts on the LME 924 which share equal priority. When EITHER auxiliary contact is closed emergency mode will be triggered. If your system is equiped with a PLD do not use parallel connections from an auxiliary source to the CCI connection on the electronics, wire them to the auxiliary connection on the LME 924.
Press to activate emergency look, it will last for 30s. + Restore mode as determined by DIP switches 5,6,& 7. Press and hold for 3s to end test + Restore mode as determined by DIP switches 5,6,& 7.
LED Status Summary
| LED Status Summary | ||
| EM Status | Red | ON – When emergency is active OFF – no emergency |
| Aux In #1 | Green | Solid – When active (maintained) Off – aux input not maintained |
| Aux In #2 | Green | Solid – When active (maintained) Off – aux input not maintained |
| Phase Power | Green | On – when phase power is detected Off – when phase power is low* |
| Test Mode | Green | Blink – Flashes when test is active Off – in normal mode |
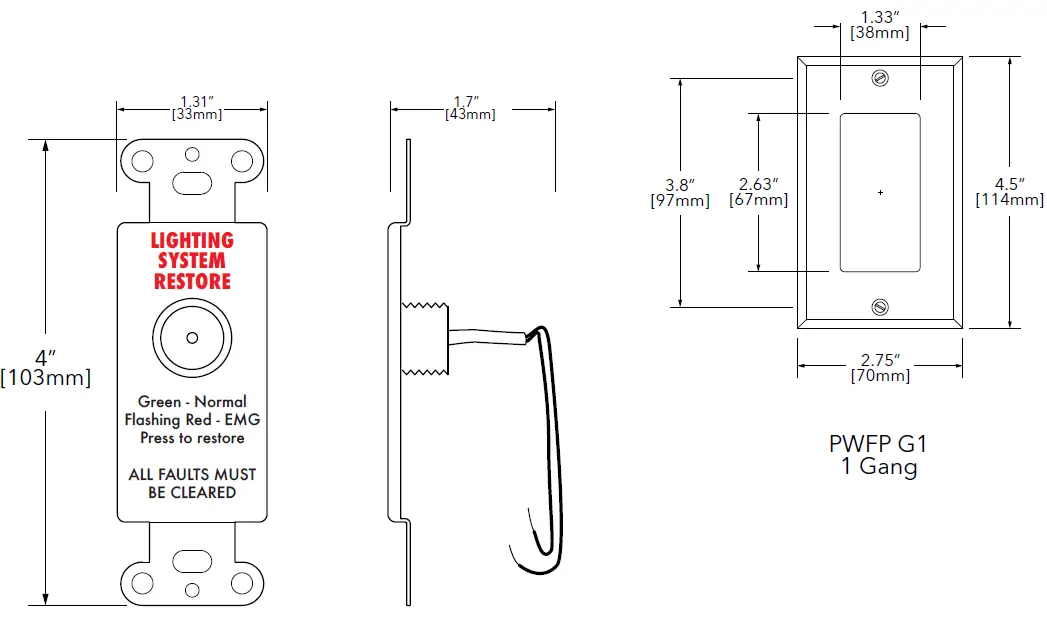
PWACC EMRR INSTALLATION INSTRUCTION
MOUNTING
PWACC EMRR is designed for indoor use in a dry loca-tion, typically mounted in a single gang standard back-box. Mount the push button in a location that is acces-sible to restore the system from Emergency to Normal mode by qualified personnel. Run two-conductor wire from the back of the button to the Remote Restore ter-minal block. Wire may be twisted or non-twisted pair, 12-24 AWG not to exceed 300ft.
DIP switches 5,6,& 7 must all be set to the ON position when using the EMRR.
LOW VOLTAGE CONNECTIONS
Remote Restore connector is wired to the optional PWACC EMRR using the V+ & V- terminals.
Steady Green LED
Normal Operation Flashing Red LED
Emergency Operation
Solid Red LED
Pending Restore
If during normal operation you have a steady Red LED your V+ & V- are reversed and need to be swapped. If LED is continually flashing red and green, DIP switch-es 5,6, & 7 have not been set to ON.
WARNING: Remote Restore must be connected to low-voltage data wire. Do not connect Remote Restore to high voltage sources.
DMX SPEED – DIP Switch 1 & 2
CONTACT – DIP Switch 3
Restore Mode – DIP Switch 4
Trigger – DIP Switch 8
* – FACTORY DEFAULT
† – FACTORY DEFAULT WITHOUT PLD ‡
– FACTORY DEFAULT WITH PLD
Restore Time – DIP Switch 5,6,7
Example DIP switch setup for slow DMX speed, wet contact, 10 second restore time, and CCI only to trigger Emergency mode.
Note: Black is where the DIP switch position should be. On is to the right.
In permanent installations, DMX512-A cables may be either one of two basic cable types: cables specified for use with EIA-485/EIA-485-A or EIA-422, and cables specified as EIA/TIA568 Category 5 or higher. Category cable meeting the requirements of a category higher than Category 5 is permissible. For DMeXit installations, we recommend Category cable and the supplied Insulation Displacement Contact (IDC) connectors.
| ISO/IEC Category 5 Cables Use Insulation Displacement Contact Connectors | ||||
| RJ45 T-568B | Wire Color | Function | Pathway IDC | XLR5 Equivalent |
| 1 | White Orange | Data + (true) | 3 | Pin 3 |
| 2 | Orange | Data – (complement) | 2 | Pin 2 |
| 3 | White Green | Not Assigned | ||
| 4 | Blue | Not Assigned | ||
| 5 | White Blue | Not Assigned | ||
| 6 | Green | Not Assigned | ||
| 7 | White Brown | Data Common | 1 | Pin 1 |
| 8 | Brown | Not Assigned | ||
| Shell | Bare Silver | Not Assigned | Not Connected | Shell |
ISO/IEC Category 5 Cables Use Insulation Displacement Contact Connectors
Pathway Connectivity recommends you download and follow ANSI E1.27-2: Standard Wiring Practice for Permanently Installed Control Cables for Use with ANSI E1.11 DMX512-A available at https://tsp.esta.org/tsp/documents/published_docs.php.
Here are some additional notes abbreviated from the ANSI Standard.
- Shields and drain wires exposed by the process of preparing the cable for termination should be insulated from accidental contact with earth ground, data +, data – and data common.
- Under no circumstance should any cable conductor or shield be connected to earth ground
- Direct termination of a permanently installed cable on a male RJ-45 should not be allowed.
If using stranded twisted pair cables, you must use PWCON SPARE CSC3. See Pathway Accessories, Inserts and Spare Connectors table below for ordering information.
| EIA-485 type cables (i.e., Belden, Proplex, etc) Use Compression Screw Connectors | |||
| XLR5 Pin | Wire | Function | Pathway CSC |
| Pin 1 | Shield | Data Common | 1 (black) |
| Pin 2 | Pair 1 | Data – (complement) | 2 (green) |
| Pin 3 | Pair 1 | Data + (true) | 3 (red) |
| Pin 4 | n/a | Not Assigned | |
| Pin 5 | n/a | Not Assigned | |
| Shell | Not Connected | Not Connected | |
Pathway Connectivity offers many ‘last mile’ solutions for permanently installed cable plants. Listed below are just a few of the most popular products. Search our website for a complete listing of the following series: PWACC RJ45 Patch, PWCON Connector, PWINS Data Receptacles.
| Pathway Accessories, Inserts and Spare Connectors | |
| PWACC RJPATCH Q4 | Pathway Accessories, DIN RJ45 patch (3.5” of rail for 4), Qty (4) |
| PWINS RJ45EC PD | Insert, RJ45 EtherCON, Punch Down |
| PWINS RJ45EC RJ45R | Insert, RJ45 EtherCON, RJ45 Female (Rear) |
| PWINS XLR5F IDC5 | Insert, XLR 5-Pin Female, 5-Pin Insulation Displacement Contact Connector |
| PWINS XLR5M IDC5 | Insert, XLR 5-Pin Male, 5-Pin Insulation Displacement Contact Connector |
| PWCON SPARE CSC3 Q4 | Connectors, Spare, 3-Pin Compression Screw Connector, Qty(4) |
| PWCON SPARE IDC3 Q4 | Connectors, Spare, 3-Pin Insulation Displacement Contact Connector, Qty (4) |
| PWCON SPARE CSC5 Q4 | Connectors, Spare, 5-Pin Compression Screw Connector, Qty(4) |
| PWCON SPARE IDC5 Q4 | Connectors, Spare, 5-Pin Insulation Displacement Contact Connector, Qty (4) |
© 2023 Acuity Brands, Inc.
One Lithonia Way, Conyers GA 30012
Pathway Connectivity
Phone: + 1 866 617 3074
www.pathwayconnect.com




















