
More than just power.™
StrikeIt1
Panic Device Power Controller
Installation Guide
StrikeIt1 Panic Device Power Controller
Rev. 050919
Installing Company: _______________ Service Rep. Name: __________________________________
Address: _____________________________________________ Phone #: __________________
Overview
Altronix StrikeIt1 will operate up to two (2) 24VDC panic hardware devices simultaneously. It is designed to handle the high current surge panic hardware locking devices demand. Each lock output has an adjustable relock delay timer. It will control a pair of doors simultaneously or independently control two individual doors. It has a follower relay for each output to trigger external relays, ADA push plate switches, etc. Delayed follower relays control automatic door operators for doors that are always locked or for doors that are unlocked during the business day. In addition, two un-switched auxiliary voltage outputs are provided for powering card readers, keypads, REX PIRs, electronic timers, relays, etc. A configurable FACP interface will either provide power or remove power to the lock outputs when activated. LED status indicators are provided to monitor AC power, FACP status, and for lock output wiring supervision. Intelligent logic provides protection against accidental shorting of lock outputs.
Specifications
Agency Approval:
- UL 294* Access Control Unit Power Supply.
- ULC-S319 Access Control Unit Power Supply. Class 1.
- CSFM California State Fire Marshal Approved.
Input:
- Input 115VAC, 60Hz, 6.3A.
- Two (2) NO trigger inputs.
- Input fuse rating: 6.3A.
Outputs:
- Power options: – Two (2) 20VDC to 26.4VDC individually controlled lock outputs for applications with battery back-up. 24VDC for applications without battery back-up (US applications only). Current rating 15A for 300ms, 0.75A continuous supply current.
– 5V holding voltage with 20VDC to 26.4VDC initial 100ms pulse. The maximum total 5V holding current of both outputs is 0.74A. - One (1) 20VDC to 26.4VDC for applications with battery back-up, 24VDC for applications in the US not requiring battery back-up. Auxiliary output rated @ 0.75A continuous supply current (Not affected by FACP trigger).
- One (1) 12VDC filtered regulated auxiliary output rated @ 0.75A in alarm, 0.5A standby current (Not affected by FACP trigger).
- Two (2) follower form “A” SPST relay outputs rated @ 0.6A/28VDC. Relays energize while input is closed.
- Two (2) delayed followers Normally Open relay outputs are rated @ 0.6A/28VDC. Delay time is selectable 0.5 seconds or 1 second. Energized duration is 1 second.
- Trouble relay output indicating low DC output voltage.
Battery Backup:
- Battery leads included.
- Battery fuse rating: 25A/32V.
- Maximum charge current 650mA.
- Built-in charger for sealed lead acid or gel-type batteries.
- Automatic switch over to stand-by battery when AC fails.
- When 7AH batteries are used, battery capacity for emergency stand-by is 30 minutes.
Visual Indicators:
- Green AC Power LED indicates 115VAC present.
- Red trigger input LEDs indicate panic device status/trouble (activated, short or open circuit).
- Green Fire Alarm Interface (FAI) LED indicates FACP disconnect is activated.
- Red Battery LED indicates low battery during AC failure and manual test.
- Green AC LED indicates loss of AC trouble (not active during manual test sequence).
Fire Alarm Disconnect:
- Normally Closed FACP trigger input.
- Programmable Fire Alarm Disconnect options:
– Removes power to outputs and disables delayed follower relays.
– Connects power to lock outputs and enables delayed follower relays.
Additional Features:
- Manual testing allows testing battery conditions.
- Adjustable panic release from 1 sec. to 30 secs.
Note: The follower and Delay relay turn off when the potentiometer selected time elapses after the release of the input trigger. - Cam lock included.
Enclosure Dimensions (H x W x D approx.): 13.5” x 13” x 3.25” (342.9mm x 330.2mm x 82.6mm)
*Access Control Performance Levels: Destructive Attack – I; Endurance – IV; Line Security – I; Stand-by Power – IV.
Strikelt1 Installation Instructions:
Wiring methods shall be in accordance with the National Electrical Code/NFPA 70/NFPA 72/ANSI, and with all local codes and authorities having jurisdiction. The product is intended for indoor use only. For Canadian installations – shielded wiring of the appropriate gauge must be used. Unit is to be serviced by authorized personnel and de-energized
prior to opening.
- Mount the unit in the desired location within protected premises (Maximum Wiring Distance, pg. 6). Mark and predrill holes in the wall to line up with the top two keyholes in the enclosure. Install two upper fasteners and screws in the wall with the screw heads protruding. Place the enclosure’s upper keyholes over the two upper screws, level and secure. Mark the position of the lower two holes. Remove the enclosure. Drill the lower holes and install the two fasteners. Place the enclosure’s upper keyholes over the two upper screws. Install the two lower screws and make sure to tighten all screws (Enclosure Dimensions, pg. 12). Secure cabinet to earth ground.
- Hardwire unit: Connect unswitched AC power (115VAC, 60Hz) to terminals marked [L, N]. Use 14 AWG or larger for all power connections. Secure green wire leads to earth ground. The Green “AC” LED on the power supply board will turn on. This light can be seen through the LED lens on the door of the enclosure. Keep power-limited wiring separate from non-power-limited wiring (115VAC, 60Hz Input, Battery Wires). Minimum 0.25” spacing must be provided (Fig. 4, pg. 10). CAUTION: Do not touch exposed metal parts. Shut branch circuit power before installing or servicing equipment. There are no user-serviceable parts inside. Refer installation and servicing to qualified service personnel. Connect earth ground to a ground lug or ground lead. Do not connect to a receptacle controlled by a switch. Unit is intended for permanent connection using the metal enclosed system. A fixed product shall be connected with one of the applicable wiring systems in accordance with CSA C22.1, Canadian Electrical Code, Part I, Safety Standard for Electrical Installations.
Note: StrikeIt1 is intended to be permanently connected. - Measure aux. output voltage before connecting devices. This helps avoid potential damage.
- For ULC applications, all interconnecting devices must be ULC Listed. Connect panic hardware device # 1 to terminals marked [+ OUT1 –], and connect panic hardware device # 2 to terminals marked [+ OUT2 –] (Fig. 1, pg. 7). Be sure to observe polarity. For devices requiring 24VDC holding voltage, set DIP switch [SW2] to OFF, for 5VDC holding voltage, set DIP switch [SW2] to ON (Fig. 3b, pg. 9). Panic Hardware devices must be configured to Fail-Safe, maximum wire resistance for each output is 0.25 Ohm (see wiring gauge and distance chart, pg. 6). The panic hardware device operating voltage specifications must cover 20VDC to 26.4VDC range.
Note: Refer to Compatible Panic Hardware Device list, pg. 6. - Set lock output release time by adjusting [OUT1] and [OUT2] potentiometers. Turn the potentiometer clockwise to increase time or counter-clockwise to decrease time. The timing range is 300ms. to 30 seconds. Unit is factory set @ 300ms. (Fig. 3a, pg. 9).
Note: When external control of door unlock time is desired, i.e., card reader, set time to a minimum (completely counter-clockwise). - Connect Normally Open (NO) Dry Contacts from actuating devices such as an Access Control Panel, REX PIR, Keypad, etc. to terminals marked [GND, IN1] and [GND, IN2] (Fig. 1, pg. 7).
Note: When triggering both Input 1 and Input 2 from a single actuating device, set the DIP switch [SW1] to ON for sequential mode (100 Ohm line resistance maximum). - Connect auxiliary devices to be powered (Keypads, REX motion detectors, electronic timers, external relays) to the appropriate auxiliary power output terminals. For 12VDC devices, use terminals marked [+ 12VDC – ]. For 24VDC devices use terminals marked [– 24VDC +] (Fig. 1, pg. 7).
Note: Operating voltage range of the device should be 20VDC to 26.4VDC or wider. - Connect devices to be controlled to terminals marked [DELAYED1, DELAYED2] and/or [FOLLOWER1], [FOLLOWER2] (Dry form “A” contacts are rated @ 600mA/28VDC) (Fig. 1, pg. 7). Adjust delay time using DIP switch [SW3] (Fig. 3b, pg. 9) (0.5 seconds with SW3 in the OFF position, one (1) second with [SW3] in the ON position). Unit is factory set for 0.5 seconds delay.
Note: For UL/ULC applications all interconnecting devices must be UL/ULC Listed respectively. - To hook up the Fire Alarm Disconnect feature, wire the normally closed (NC) dry contact output from a Fire Alarm Control Panel to the terminals marked [FACP] and [GND] of StrikeIt1. The “FA Select” DIP switch [SW4] provides two (2) modes of operation (Fig. 3b, pg. 9):
a) With the DIP switch [SW4] in the ON position, the application of an FACP trigger input (open circuit) while Input 1 and Input 2 are triggered will cause the unlocked (energized) panic hardware devices to relock (de-energize). Follower relays will release (de-energize).
b) With the DIP switch [SW4] in the OFF position, the application of an FACP trigger input (open circuit) while Input 1 and Input 2 are not triggered will cause the locked (de-energized) panic hardware devices to unlock (energize). Follower relays will activate (energize). Delayed relays will energize momentarily.
Note: With SW4 in the OFF position, the application of an FACP trigger input (open circuit) while Input 1 and Input 2 are triggered will have no effect on the operation of Output 1 or Output 2 and their corresponding Follower or Delayed relays. - When using stand-by batteries, they must be lead acid or gel type. 7AH batteries will provide 30 minutes of backup time. Connect two (2) 12VDC batteries wired in series to the terminals marked [+ BAT – ]. For Access Control applications in the U.S. batteries are optional, for Canadian applications batteries are required. When batteries are not used, loss of AC will result in the loss of output voltage.
- Mount UL Listed tamper switch (Altronix model TS112 or equivalent) at the top of the enclosure. Slide the tamper switch bracket onto the edge of the enclosure approximately 2” from the right side (Fig. 3, pg. 9). Connect the tamper switch wiring to the Access Control Panel input or the appropriate UL Listed reporting device. To activate the alarm signal open the door of the enclosure.
Note: Do not exceed the voltage and current ratings of the tamper switch. Please refer to the tamper switch installation instructions. - Upon completion of wiring secure enclosure door with screws or cam lock (supplied).
StrikeIt1 LED Diagnostics
| LED | LED Status | Panic Device Power Controller Status |
| Power – Green (AC) | On | Normal operating condition. |
| Off | Loss of AC. | |
| INP1 – Red Trigger Input 1 | On | Output 1 – Energized. |
| Slow Blink | Output 1 – Open Circuit. | |
| Rapid Blink | Output 1 – Short Circuit. | |
| Off | Output 1 – De-energized. | |
| INP2 – Red Trigger Input 2 | On | Output 2 – Energized. |
| Slow Blink | Output 2 – Open Circuit. | |
| Rapid Blink | Output 2 – Short Circuit. | |
| Off | Output 2 – De-energized. | |
| FAI – Green | On | FACP Input triggered (alarm condition). |
| Off | FACP normal (non-alarm condition). | |
| BAT Trouble Red | Off | Normal condition. |
| On | Manual test initiated. | |
| Slow Blink | The battery is low or missing, active during a manual test, or AC failure. | |
| AC Trouble Green | Off | AC normal. |
| Slow blink | AC low or missing. |
StrikeIt1 Terminal Identification:
| Terminal Legend | Function/Description |
| + 12VDC — | 12VDC Auxiliary Output @ 0.75A in alarm, 0.5A in stand-by. |
| + 24VDC — | 24VDC Auxiliary Output @ 0.75A. 20VDC to 26.4VDC for applications with battery back-up. |
| + BAT — | 24VDC Stand-by Battery Connection (Two (2) 12VDC batteries wired in series). |
| – OUT 1 + | Connect 24VDC Panic Hardware Device #1 (See compatibility chart for other UL Listed devices. Operating range of the device must cover 20VDC to 26.4VDC range 0.25 Ohm maximum wiring resistance). |
| – OUT 2 + | Connect 24VDC Panic Hardware Device #2. (See compatibility chart for other UL Listed devices. The operating range of the device must cover 20VDC to 26.4VDC range 0.25 Ohm maximum wiring resistance). |
| FACP / GND | Normally Closed Dry Contact from Fire Alarm Control (100 Ohm maximum wiring resistance). |
| IN1 / GND | Normally Open Trigger input controls Output 1. May be held closed for extended unlocking (100 Ohm maximum wiling resistance). |
| IN2 / GND | Normally Open Trigger input controls Output 2. May be held closed for extended unlocking (100 Ohm maximum wiring resistance). |
| Delayed 1 | Dry form “A” contacts provide a 1-second momentary pulse after a preset delay. With the DIP switch [SW3] in the OFF position, the delay is 0.5 seconds. With the DIP switch [SW3] in the ON position, the delay is 1 second (Fig. 3b, pg. 9). This permits the Panic Hardware Device to fully unlock before signaling the auto operator to swing the door. |
| Delayed 2 | Dry form “A” contacts provide a 1-second momentary pulse after a preset delay. With the DIP switch [SW3] in the OFF position, the delay is 0.5 seconds. With the DIP switch [SW3] in the ON position, the delay is 1 second (Fig. 3b, pg. 9). This permits the Panic Hardware Device to fully unlock before signaling the auto operator to swing the door. |
| Follower 1 | Dry form “A” contact. Energizes while output 1 is energized. Enables outside ADA switch plate to actuate auto operator while the door is unlocked. De-activates outside ADA actuator while the door is locked. |
| Follower 2 | Dry form “A” contact. Energizes while output 2 is energized. Enables outside ADA switch plate to actuate auto operator while the door is unlocked. De-activates outside ADA actuator while the door is locked. |
| Supervision | Indicates low DC output voltage condition. It may be caused by an AC brownout and low battery occurring simultaneously. The manual self-test needs to be conducted to determine battery condition. |
Compatible Panic Hardware Devices:
| Manufacturer | Model Number |
| First Choice | 3600 – Concealed Vertical Rod Exit Device 3700 – Rim Latching Exit Device |
| Kawneer | EL Paneline Exit Device |
| Von Duprin® | EL98 Series Panic Hardware with Electric Latch Retraction |
| HE’S | 7500 Electric Strike |
| Wire Gauge | Distance |
| 14 AWG Stranded | 40 ft. |
| 12 AWG Stranded | 60 ft. |
| 10 AWG Stranded | 100 ft. |
Maximum Wiring Distance Table:
A maximum 0.25 Ohm resistance of connecting wires is acceptable, see chart below for wire gauge and distances.
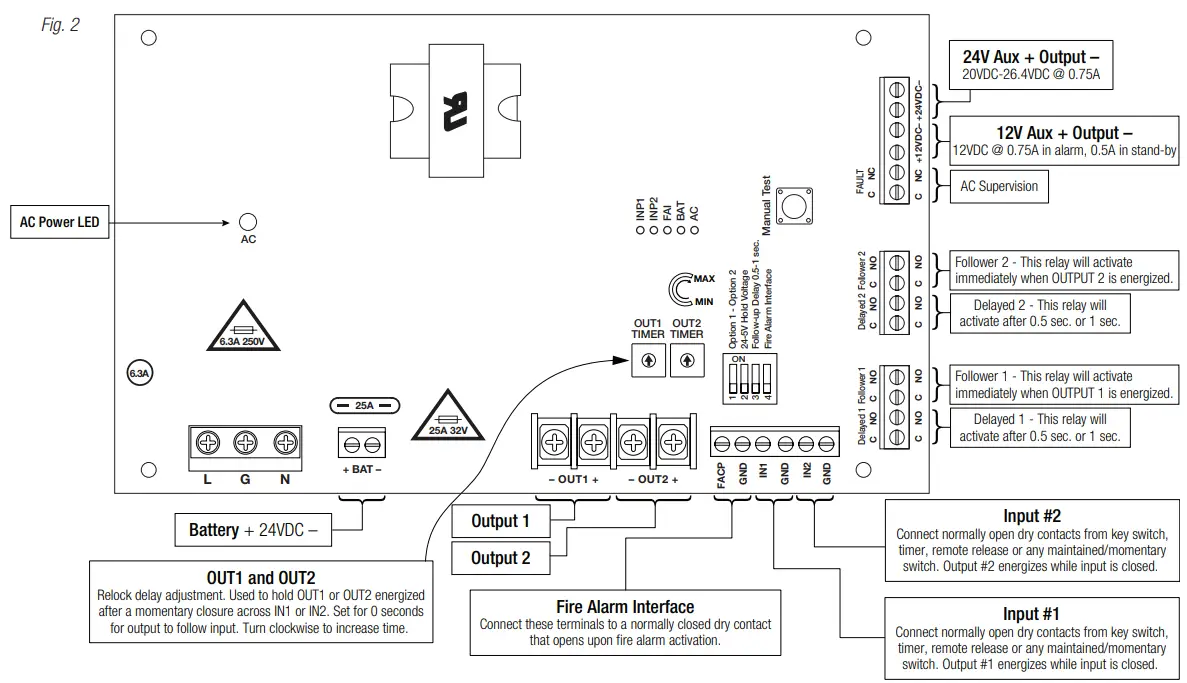
Fig. 1
Fault C, NC dry relay contact. Open when DC output supplied by AC or Battery is normal. The contacts will close when the DC output voltage is low.


Note: For the independent operation of Output 1 and 2, connect NO dry contact between IN1 and GND and/or IN2 and GND. For the sequential operation of OUT1 and OUT2 install a jumper between IN1 and IN2 and a jumper between both GND terminals.
WARNING: To reduce the risk of fire or electric shock, do not expose the unit to rain or moisture. Replace the fuse with the same type and rating: Input Fuse is rated at 6.3A/250V, Battery Fuse is rated at 25A/32V.
Keep power-limited wiring separate from non-power-limited. Use minimum 0.25″ spacing. 7AH Rechargeable batteries are the largest batteries that can fit in this enclosure.
A UL-Listed external battery enclosure must be used if using 12AH, 40AH, or 65AH batteries.
Note: StrikeIt1 is intended for use with VON DUPRI® panic hardware devices. VON DUPRIN® is a registered trademark of Allegion.
NEC Power-Limited Wiring Requirements for StrikeIt1 Model:
Power-limited and non-power-limited circuit wiring must remain separated in the cabinet. All power-limited circuit wiring must remain at least 0.25” away from any non-power-limited circuit wiring. Furthermore, all power-limited circuit wiring and non-power-limited circuit wiring must enter and exit the cabinet through different conduits. One such example of this is shown below. Your specific application may require different conduit knockouts to be used. Any conduit knockouts may be used. For power-limited applications, the use of conduit is optional. All field wiring connections must be made employing suitable gauge CM or FPL jacketed wire (or equivalent substitute).
Note: Refer to the wire handling drawing below for the proper way to install the CM or FPL jacketed wire (Fig. 4a).

Maintenance:
The unit should be tested at least once a year for the proper operation as follows:
FACP Supervision: To ensure proper connection and operation of the Fire Alarm disconnect hookup, remove the wire from the terminal marked [FACP] on StrikeIt1. With the DIP switch [SW4] in the ON position, unlocked Panic Hardware Devices will unlock. With the DIP switch [SW4] in the OFF position (Fig. 3b, pg. 9), locked Panic Hardware Devices will relock.
Output Voltage Test: Under normal load conditions the DC output voltage should be checked for proper voltage level.
Battery Test: Under normal load, conditions check that the battery is fully charged, and check the specified voltage both at the battery terminal and at the board terminals marked [+ BAT –] to ensure that there is no break in the battery connection wires. Press the Manual test button. The battery LED should be illuminated during the self-test (approximately 15 seconds. When the battery LED blinks slowly, this indicates that the battery is low or missing and may need to be replaced or serviced.
Note: Maximum charging current and discharge is 650mA.
Note: Expected battery life is 5 years; however it is recommended to change batteries in 4 years or less if needed.
Caution: For continuous protection against the risk of electric shock and fire hazards, replace the input fuse with the same type and rating: 6.3A/250V. Do not expose to rain or moisture; indoor use only.
Enclosure Dimensions:

Altronix is not responsible for any typographical errors.
140 58th Street, Brooklyn, New York 11220 USA
phone: 718-567-8181
fax: 718-567-9056
website: www.altronix.com
e-mail: [email protected]
Lifetime Warranty
IIStrikeIt1 K01U
StrikeIt1 Installation Guide![]()



















