Altronix Maximal3FD Single Power Supply Access Power Controllers
MaximalFD Series Overview
Altronix MaximalFD Access Power/Controllers distribute and switch power to access control systems and accessories. They convert a 120VAC 60Hz input into sixteen (16) independently controlled 12VDC or 24VDC PTC protected outputs. The outputs are activated by an open collector sink or normally open (NO) dry trigger input from an Access Control System, Keypad, Push Button, REX PIR, etc. Units will route power to a variety of access control hardware devices including Mag Locks, Electric Strikes, Magnetic Door Holders, etc. The FACP Interface enables Emergency Egress, and Alarm Monitoring, or may be used to trigger other auxiliary devices. The fire alarm disconnect feature is individually selectable for any or all of the sixteen (16) outputs. All interconnecting equipment must be UL Listed.
MaximalFD Series Configuration Chart
|
Altronix Model Number | 120VAC 60Hz Input Current | Power Supply Board Input Fuse Rating | Power Supply Board Battery Fuse Rating | Nominal DC Output Voltage |
Maximum Supply Current for Main and Aux. Outputs on Power Supply board and ACM8CB Access Power Controller’s outputs (A) | PTC Protected Power-Limited Outputs | Current Per ACM8CB Output (A) | ACM8CB Board Input Fuse Rating | ACM8CB Board Output PTC Rating | |||
| [DC] | [Aux] | |||||||||||
| 12VDC Output Range (V) | 24VDC Output Range (V) | 12VDC Output Range (V) | 24VDC Output Range (V) | |||||||||
| Maximal3FD | 3.5A | 5A/ | 10A/ | 9.7- | 19.8- | 10.03- | 20.19- | 12VDC @ 4.6A or | 16 | 2.5 | 10A/ | 2.5A/ |
| 250V | 32V | 13.2 | 26.4 | 13.2 | 26.4 | 24VDC @ 5.2A | 250V | 250V | ||||
| Maximal5FD | 3.5A | 5A/ | 15A/ | 9.7- | – | 10.03- | – | 8.6A | 16 | 2.5 | 10A/ | 2.5A/ |
| 250V | 32V | 13.2 | 13.2 | 250V | 250V | |||||||
| Maximal7FD | 4.5A | 6.3A/ | 15A/ | – | 19.8- | – | 20.28- | 9.2A | 16 | 2.5 | 10A/ | 2.5A/ |
| 250V | 32V | 26.4 | 26.4 | 250V | 250V | |||||||
Agency Listings
UL Listings for
US Installations: UL 294* – UL Listed for Access Control System Units.
*ANSI/UL 294 7th Ed. Access Control Performance Levels:
Destructive Attack – I; Endurance – I; Line Security – I; Stand-by Power – II, III, IV.
UL Listings for
Canadian Installations: ULC-S319-05 – Electronic Access Control Systems Class I equipment.
CSA C22.2 No.205 – Signal Equipment.
ULC-S319-05 Electronic Access Control Systems will be invalidated through the use of any add-on, expansion, memory or other module manufactured by the manufacturer or other manufacturers.
MaximalFD Series Features
ACM8CB Access Power Controller Modules:
- Sixteen (16) independently trigger controlled outputs. Output options:
- Sixteen (16) Fail-Safe filtered power outputs.
- Sixteen (16) Fail-Secure filtered power outputs.
- Any combination of the above.
- Sixteen (16) Access Control System trigger inputs. Input trigger options:
- Sixteen (16) normally open (NO) dry trigger inputs.
- Sixteen (16) open collector inputs.
- Any combination of the above.
- Sixteen (16) unswitched filtered aux. power outputs (outputs are rated @ 2.5A).
- Red LEDs on ACM8CB board indicate individual outputs are triggered (relays energized).
- Fire Alarm disconnect (latching or non-latching) is individually selectable for any or all of the sixteen (16) outputs.
Fire Alarm disconnect input trigger options:- Normally open (NO) or normally closed (NC) dry trigger input.
- Polarity reversal input from FACP signaling circuit.
- Green LED on ACM8CB board indicates FACP disconnect is triggered.
- FACP output relay indicates that FACP input is triggered (form “C” contact rated @ 1A/28VDC not evaluated by UL).
- eFlow Power Supply/Charger board provides common power for both ACM8CB Access Power Controller boards (factory wiring) and all connected access control devices (field wiring).
- ACM8CB board main fuses are rated @ 10A. Output PTCs are rated @ 2.5A.
eFlow Power Supply/Charger
- Input: 120VAC, 60Hz.
- For output voltage and supply current refer to MaximalFD series Configuration Chart, pg. 3.
- Auxiliary Power-Limited output rated @ 1A (unswitched).
- Overvoltage protection.
- Built-in charger for sealed lead acid or gel type batteries.
- Maximum charge current 1.54A.
- Automatic switch over to stand-by battery when AC fails. Transfer to stand-by battery power is instantaneous with no interruption.
- Supervised Fire Alarm disconnect (latching or non-latching) 10K EOL resistor. Operates on a normally open (NO) or normally closed (NC) trigger.
- AC fail supervision (form “C” contacts).
- Battery fail & presence supervision (form “C” contacts).
- Low power shutdown. Shuts down DC output terminals if battery voltage drops below 71-73% for 12V units and 70-75% for 24V units (depending on the power supply). Prevents deep battery discharge.
- For fuse ratings refer to MaximalFD series Configuration Chart, pg. 3.
- Green AC Power LED indicates 120VAC present.
- AC input and DC output LED indicators.
- Short circuit and overload protection.
- Enclosure accommodates up to four (4) 12VDC/12AH batteries.
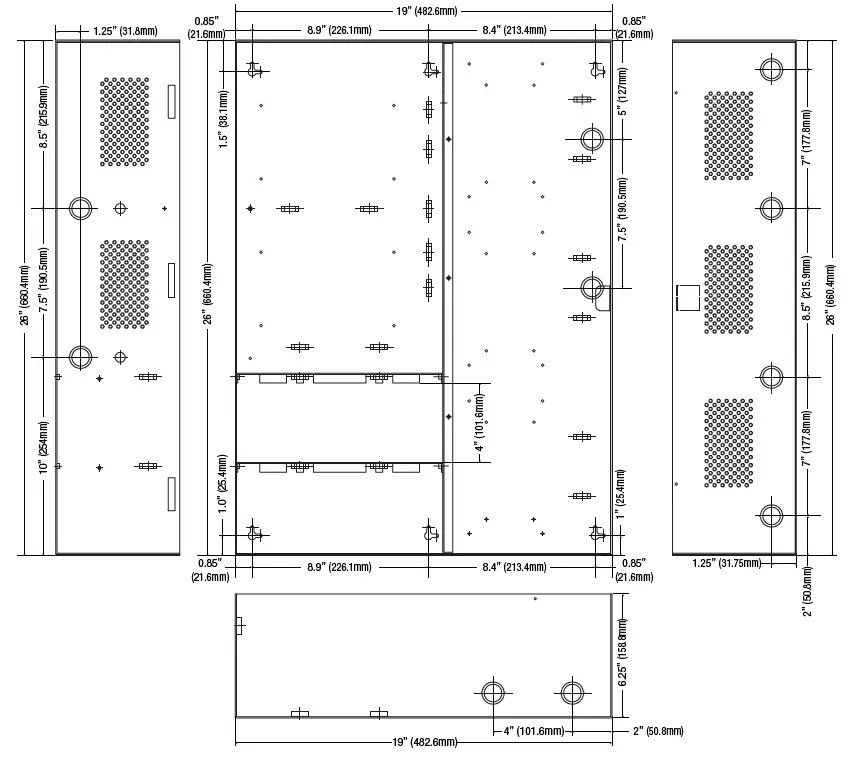
- Enclosure dimensions (H x W x D): 26” x 19” x 6.25” (660.4mm x 482.6mm x 158.8mm).
MaximalFD Installation Instructions
Wiring methods shall be in accordance with the National Electrical Code/NFPA 70/ANSI, the Canadian Electric Code, Part I, Part II and with all local codes and authorities having jurisdiction. Product is intended for indoor use only.
| Power Supply Board LED Diagnostics | (pg. 7) |
| Access Power Controller LED Diagnostics | (pg. 7) |
| Power Supply Board Stand-by Battery Specifications | (pg. 7) |
| Power Supply Board Terminal Identification | (pg. 8) |
| Access Power Controller Terminal Identification | (pg. 8) |
| Power Supply Board Output Voltage Settings | (pg. 9) |
| Access Power Controller Typical Application Diagram | (pg. 9) |
| FACP/Optional Power Supply Hook-up Diagrams | (pg. 12) |
- Mount unit in desired location. Mark and predrill holes in the wall to line up with the top three keyholes in the enclosure. Install three upper fasteners and screws in the wall with the screw heads protruding. Place the enclosure’s upper keyholes over the three upper screws, level and secure. Mark the position of the lower three holes. Remove the enclosure. Drill the lower holes and install the three fasteners. Place the enclosure’s upper keyholes over the three upper screws. Install the three lower screws and make sure to tighten all screws (Enclosure Dimensions, pg. 15).
- Connect unswitched AC power (120VAC 60Hz) to terminals marked [L, N] (Fig. 3, pg. 10). Green “AC” LED on power supply board will turn on. This light can be seen through the LED lens on the door of the enclosure. Use 14 AWG or larger for all power connections. Secure green wire lead to earth ground. Keep power-limited wiring separate from non-power-limited wiring.
Minimum 0.25” spacing must be provided (Fig. 3, pg. 10).
CAUTION: Do not touch exposed metal parts. Shut branch circuit power before installing or servicing equipment. There are no user-serviceable parts inside. Refer installation and servicing to qualified service personnel. - Select desired DC output voltage by setting SW1 to the appropriate position on the Maximal3FD power supply (Fig. 1a, pg. 9). Maximal5FD power supply is factory set at 12VDC and Maximal7FD power supply is factory set at 24VDC.
- Measure the output voltage of the unit before connecting any devices to ensure proper operation. Improper or high voltage will damage these devices.
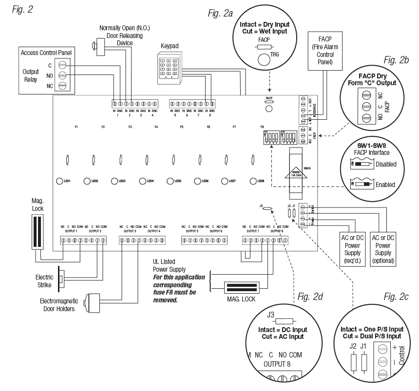
- Output options (Fig. 2, pg. 9):
The unit will provide either sixteen (16) switched power outputs, sixteen (16) dry form “C” outputs, or any combination of both switched power and form “C” outputs.- Fail-Safe Switched Power outputs:
For Fail-Safe operation connect the positive (+) input of the access control devices to terminal marked [NC]. Connect the negative (–) input of the access control devices to terminal marked [COM]. - Fail-Secure Switched Power outputs:
For Fail-Secure operation connect the positive (+) input of the access control devices to terminal marked [NO]. Connect the negative (–) input of the access control devices to terminal marked [COM].
- Fail-Safe Switched Power outputs:
- ACM8CB Auxiliary Power outputs (unswitched):
Connect access control devices that require constant power to terminals marked [C] positive (+) and [COM] negative (–).
eFlow Auxiliary outputs (unswitched):
For auxiliary device connection this output will not be affected by Low Power Disconnect or Fire Alarm Interface. Connect device to terminals marked [+ AUX –] (Fig. 3, pg. 10). - Input trigger options (Fig. 2, pg. 9):
- Normally Open [NO] input trigger:
Inputs 1-8 are activated by normally open or open collector sink inputs. Connect access control panel outputs, keypads, push buttons, REX PIRs, etc. to terminals marked [IN] and [GND]. - Open Collector Sink inputs:
Connect the access control panel open collector sink positive (+) to terminals marked [IN] and the negative (–) to terminals marked [GND].
- Normally Open [NO] input trigger:
- ACM8CB Fire Alarm Interface options (Figs. 5-9, pg. 12):
A normally closed [NC] or normally open [NO] input trigger from a fire alarm control panel or a polarity reversal input from an FACP signaling circuit will affect selected outputs.
To enable FACP Disconnect for an output, turn the corresponding switch(es) [SW1-SW8] OFF on each ACM8CB board. To disable FACP disconnect for an output, turn the corresponding switch(es) [SW1-SW8] ON on each ACM8CB board.- Normally Open [NO] input:
For non-latching hook-up refer to Fig. 6, pg. 12. For latching hook-up refer to Fig. 7, pg. 12. - Normally Closed [NC] input:
For non-latching hook-up refer to Fig. 8, pg. 12. For latching hook-up refer to Fig. 9, pg. 12. - FACP Signaling Circuit input trigger:
Connect the positive (+) and negative (–) from the FACP signaling circuit output to the terminals marked [+ INP –]. Connect the FACP EOL to the terminals marked [+ RET –] (polarity is referenced
in an alarm condition). Jumper located next to TRG LED must be cut (Fig. 2a, pg. 9 and Fig. 5, pg. 12).
- Normally Open [NO] input:
- FACP Dry form “C” output (not evaluated by UL) (Fig. 2b, pg. 9):
FACP form “C” contacts can be use to trigger reporting or signaling devices. These contact switch
upon a fire alarm input trigger to the ACM8CB boards. - Stand-by Battery Connections (Fig. 3, pg. 10):
For U.S. Access Control applications batteries are optional. Batteries are required for Canadian installations (ULC-S319). When batteries are not used, a loss of AC will result in the loss of output voltage. When the use of stand-by batteries is desired, they must be lead acid or gel type. Connect battery to terminals marked [– BAT +] (Fig. 3, pg. 10). Use two (2) 12VDC batteries connected in series for 24VDC operation (battery leads included). Use batteries – Casil CL1270 (12V/7AH), CL12120 (12V/12AH), CL12400 (12V/40AH), CL12650 (12V/65AH) batteries or UL recognized BAZR2 and BAZR8 batteries of an appropriate rating. - Battery and AC Supervision outputs (Fig. 3, pg. 10):
It is required to connect supervisory trouble reporting devices to outputs marked [AC Fail, BAT Fail] supervisory relay outputs marked [NC, C, NO] to appropriate visual notification devices.
Use 22 AWG to 18 AWG for AC Fail and Low/No Battery reporting. - To delay AC reporting for 2 hrs., set DIP switch [AC Delay] to OFF position (Fig. 3, pg. 10).
To delay AC reporting for 1 min., set DIP switch [AC Delay] to ON position (Fig. 3, pg. 10). - Fire Alarm Disconnect (Fig. 3, pg. 10):
To enable Fire Alarm Disconnect set DIP switch [Shutdown] to ON position.
To disable Fire Alarm Disconnect set DIP switch [Shutdown] to OFF position. - Installation of Tamper Switch (Fig. 3b, pg. 10):
Mount UL Listed tamper switch (Altronix model TS112 or equivalent) at the top of the enclosure. Slide the tamper switch bracket onto the edge of the enclosure approximately 2” from the right side (Fig. 3b, pg. 10). Connect tamper switch wiring to the Access Control Panel input or the appropriate UL Listed reporting device. To activate alarm signal, open the door of the enclosure. - Multiple power supply inputs (Fig. 2, pg. 9) (Not evaluated by UL):
When using an additional Listed external power supply, jumpers J1 and J2 located on corresponding ACM8CB board must be cut (Fig. 2c, pg. 9 and Fig. 5, pg. 12). Connect external Listed power-limited access control power supply to the terminals marked [– Control +] (These terminals are paralleled to the [– Power +] terminals). When using DC power supplies, polarity must be observed. When using AC power supplies, polarity need not be observed (Fig. 2d, pg. 9). All field wiring connections must be made employing suitable gauge CM or FPL jacketed wire (or equivalent substitute) (Fig. 4a, pg. 11).
Maintenance
Unit should be tested at least once a year for the proper operation as follows:
- FACP Supervision: To ensure proper connection and operation of the Fire Alarm disconnect hookup, please follow the appropriate procedure below:
- Normally Open Input: Placing a short between terminals marked [T] and [+ INP] will trigger the Fire Alarm Disconnect. Remove the short to reset.
- Normally Closed Input: Removing the wire from terminal marked [INP –] will trigger the Fire Alarm Disconnect. Replace the wire to terminal marked [INP –] to reset.
- FACP Signal Circuit Input: It is necessary to trigger the Fire Alarm System. In all of the above scenarios the green TRG LED of the ACM8CBs will illuminate. All outputs selected for Fire Alarm Disconnect will activate releasing locking devices.
Note: All outputs [OUT 1] – [OUT 8] must be in a normal (de-energized) condition prior to testing. When the unit is configured for Normally Open (Fig. 7, pg. 12) or Normally Closed (Fig. 9, pg. 12) latching operation it is necessary to reset the Fire Alarm Disconnect by activating the Normally Closed reset switch.
- Output Voltage Test: Under normal load conditions, the DC output voltage should be checked for proper voltage level (refer to MaximalFD series Configuration Chart, pg. 3).
- Battery Test: Under normal load conditions check that the battery is fully charged, check specified voltage at the battery terminals and at the board terminals marked [+ BAT –] to ensure that there is no break in the battery connection wires.
Note: Maximum charge current is 1.54A. Expected battery life is 5 years; however, it is recommended to change batteries within 4 years or less if necessary.
Power Supply Board LED Diagnostics
| Red (DC) | Green (AC/AC1) | Power Supply Status |
| ON | ON | Normal operating condition. |
| ON | OFF | Loss of AC. Stand-by battery is supplying power. |
| OFF | ON | No DC output. |
| OFF | OFF | Loss of AC. Discharged or no stand-by battery. No DC output. |
| Red (Bat) | Battery Status |
| ON | Normal operating condition. |
| OFF | Battery fail/low battery. |
Access Power Controller LED Diagnostics
| LED | ON | OFF |
| LED 1- LED 8 (Red) | Output relay(s) energized. | Output relay(s) de-energized. |
| Trg (Green) | FACP input triggered (alarm condition). | FACP normal (non-alarm condition). |
Power Supply Board Stand-by Battery Specifications
| Battery | Maximal3FD | Maximal5FD | Maximal7FD |
| 7AH | 10 Mins./6A | 5 Mins./10A | 5 Mins./10A |
| 12AH | 30 Mins./6A* | 30 Mins./10A* | 30 Mins./10A* |
| 40AH | Over 4 Hours/6A* | Over 2 Hours/10A* | Over 2 Hours/10A* |
| 65AH | Over 4 Hours/6A* | Over 4 Hours/10A* | Over 4 Hours/10A* |
*Only these configurations can be utilized in ULC-S319 installations.
Power Supply Board Terminal Identification
| Terminal Legend | Function/Description |
| L, G, N | Connect 120VAC 60Hz to these terminals: L to hot, N to neutral. Do not use terminal marked [G]. |
| + DC – | Factory connected to ACM8CB boards. |
| Trigger EOL Supervised | Fire Alarm Interface trigger input from a short or FACP. Trigger inputs can be normally open, normally closed from an FACP output circuit (Class 2 power-limited input) (Fig. 3, pg. 10). |
| NO, GND RESET | FACP interface latching or non-latching (Class 2 power-limited) (Fig. 3, pg. 10). |
| + AUX – | Auxiliary Class 2 power-limited output rated @ 1A (unswitched) (Fig. 3, pg. 10). |
| AC FAIL NC, C, NO | Indicates loss of AC power, e.g. connect to audible device or alarm panel. Relay normally energized when AC power is present. Contact rating 1A @ 30VDC (Class 2 power-limited) (Fig. 3, pg. 10). |
| BAT FAIL NC, C, NO | Indicates low battery condition, e.g. connect to alarm panel. Relay normally energized when DC power is present. Contact rating 1A @ 30VDC. A removed battery is reported within 5 minutes. Battery reconnection is reported within 1 minute (Class 2 power-limited) (Fig. 3, pg. 10). |
| + BAT – | Stand-by battery connections. Maximum charge current 1.54A (non power-limited) (Fig. 3, pg. 10). |
Access Power Controller Terminal Identification
| Terminal Legend | Function/Description |
| – Power + | 12VDC or 24VDC from power supply/charger (factory connected). These terminals are paralleled to the [– Control +] terminals. |
| – Control + | These terminals are paralleled to the [– Power +] terminals. These terminals can be connected to an external Listed power-limited access control power supply to provide isolated operating power for the devices (Not evaluated by UL). Jumpers J1 and J2 must be removed. |
| TRIGGER INPUT1 – INPUT 8 IN, GND | From normally open and/or open collector sink trigger inputs (request to exit buttons, exit PIRs, etc.) |
|
OUTPUT 1- OUTPUT 8 NC, C, NO, COM | 12VDC to 24VDC trigger controlled outputs are rated at 2.5A. Maximal3FD – 9.7-13.2VDC @ 4.6A or 19.8-26.4VDC @ 5.2A. Maximal5FD – 9.7-13.2VDC @ 8.6A. Maximal7FD – 19.8-26.4VDC @ 9.2A. Fail-Safe [NC positive (+) and COM Negative (–)], Fail-Secure [NO positive (+) and COM Negative (–)], Auxiliary output [C positive (+) and COM Negative (–)]. When using AC power supplies polarity needs not to be observed. Contacts shown in a non-triggered state. |
| FACP INTERFACE T, + INPUT – | Fire Alarm Interface trigger input from FACP. Trigger inputs can be normally open, normally closed from an FACP signaling circuit output (Figs. 5-9, pg. 12). |
| FACP INTERFACE NC, C, NO | Form “C” relay contact rated @ 1A 28VDC for alarm reporting (not evaluated by UL). |
Power Supply Board Output Voltage Settings
Access Power Controller Typical Application Diagram (for each ACM8CB)
Fig. 3 – Maximal3FD, Maximal5FD, and Maximal7FD

CAUTION: When power supply board is set for 12VDC use only one (1) 12VDC stand-by battery.
Keep power-limited wiring separate from non power-limited. Use minimum 0.25″ spacing.
12AH Rechargeable batteries are the largest batteries that can fit in this enclosure. A UL listed external battery enclosure must be used if using the 40AH or 65AH batteries.
NEC Power-Limited Wiring Requirements
Power-limited and non power-limited circuit wiring must remain separated in the cabinet. All power-limited circuit wiring must remain at least 0.25” away from any non power-limited circuit wiring. Furthermore, all power-limited circuit wiring and non power-limited circuit wiring must enter and exit the cabinet through different conduits. One such example of this is shown below. Your specific application may require different conduit knockouts to be used. Any conduit knockouts may be used. For power-limited applications use of conduit is optional. All field wiring connections must be made employing suitable gauge CM or FPL jacketed wire (or equivalent substitute). Optional UL Listed battery enclosure must be mounted adjacent to the power supply via Class 1 wiring methods. For Canadian installations use shielded wiring for all connections.
Note: Refer to wire handling drawing below for the proper way to install the CM or FPL jacketed wire (Fig. 4a).

FACP Hook-Up Diagrams
Fig. 5 Polarity reversal input from FACP signaling circuit output (polarity is referenced in alarm condition):
Fig. 6 Normally Open: Non-Latching FACP trigger input:
Fig. 7 Normally Open FACP Latching trigger input with reset
(This output has not been evaluated by UL): 
Fig. 8 Normally Closed: Non-Latching FACP trigger input:
Fig. 9 Normally Closed: Latching FACP trigger input with reset
(This output has not been evaluated by UL):
Enclosure Dimensions (H x W x D approximate)
26” x 19” x 6.25” (660.4mm x 482.6mm x 158.8mm)


eFlow Power Supply/Chargers can be Controlled and Monitored while Reporting Power/Diagnostics from Anywhere
over the Network…
LINQ2 – Network Communication Module
LINQ2 provides remote IP access to real-time data from eFlow power supply/chargers to help keep systems up and running at optimal levels. It facilitates fast and easy installation and set-up, minimizes system downtime, and eliminates unnecessary service calls, which helps reduce Total Cost of Ownership (TCO) – as well as creating a new source of Recurring Monthly Revenue (RMR).
Features
- UL Listed in the U.S. and Canada.
- Local or remote control of up to (2) two Altronix eFlow power output(s) via LAN and/or WAN.
- Monitor real time diagnostics: DC output voltage, output current, AC & battery status/service,
input trigger state change, output state change and unit temperature. - Access control and user managment: Restrict read/write, Restrict users to specific resources
- Two (2) integral network controlled Form “C” Relays.
- Three (3) programmable input triggers: Control relays and power supplies via external hardware sources.
- Email and Windows Dashboard notifications
- Event log tracks history.
- Secure Socket Layer (SSL).
- Programmable via USB or web browser – includes operating software and 6 ft. USB cable.

MaximalFD Series Overview





















