Altronix AL400ULACM Access Power Controllers with Power Supplies

Overview
Altronix ACM Series units distribute and switch power to access control systems and accessories. They convert a 115VAC 60Hz input into eight (8) independently controlled 12VDC or 24VDC fuse-protected outputs. These power outputs can be converted to dry form “C” contacts. Outputs are activated by an open collector sink or normally open (NO) dry trigger input from an Access Control System, Card Reader, Keypad, Push Button, PIR, etc. Units will route power to a variety of access control hardware devices including Mag Locks, Electric Strikes, Magnetic Door Holders, etc. Outputs will operate in both Fail-Safe and/or Fail-Secure modes. The FACP Interface enables Emergency Egress, Alarm Monitoring, or may be used to trigger other auxiliary devices. The fire alarm disconnect feature is individually selectable for any or all of the eight (8) outputs.
ACM Series Configuration Reference Chart
|
Altronix Model Number | 115VAC 60Hz Input (current draw) | Power Supply Board Input Fuse Rating | Power Supply Board Battery Fuse Rating | Maximum Battery Charge Current | 12VDC Total Output Current | 24VDC Total Output Current | Fused Outputs | Individual Output Rating | Class 2 Rated Power-Limited |
Agency Listings |
UL Listings and File Numbers | |
| AL400ULACM | 3.5A | 5A/ | 15A/ | 0.7A | 4A | 3A | 8 | 3.5A | ✓ |
LISTED |
140 58th St. Brooklyn, NY
NYC Dept. of California Buildings State Fire Marshal | UL File # BP6714 UL 294* UL Listed for Access Control System Units. “Signal Equipment” Evaluated to CSA Standard C22.2 No.205-M1983 |
| 250V | 32V | |||||||||||
| AL600ULACM | 3.5A | 5A/ | – | 0.7A | 6A | 6A | 8 | 3.5A | – | |||
| 250V | ||||||||||||
| AL1012ULACM | 2.6A | 5A/ | 15A/ | 0.7A | 10A | – | 8 | 3.5A | – | |||
| 250V | 32V | |||||||||||
| AL1024ULACM | 4.2A | 5A/ | 15A/ | 3.6A | – | 10A | 8 | 3.5A | – | |||
| 250V | 32V | |||||||||||
| Altronix Model Number | * ANSI/UL 294 7th Ed. Access Control Performance Levels | |||
| Destructive Attack | Endurance Test | Line Security | Stand-by Power | |
| AL400ULACM | I | IV | I | I |
| AL600ULACM | I | IV | I | I |
| AL1012ULACM | I | IV | I | I |
| AL1024ULACM | I | IV | I | 12AH – II, 40AH – III, 65AH – IV |
Output Voltage and Stand-by Specification Charts
AL400ULACM
| Voltage | Switch Position | Stand-by Battery | 4 hr. Stand-by / 5 mins. Alarm | 24 hr. Stand-by / 5 mins. Alarm |
| 12VDC | SW1 – ON | 40AH | 3.5A / 3.5A | 0.5A / 3.5A |
| 24VDC | SW1 – OFF | 40AH | 2.75A / 2.75A | 0.75A / 2.75A |
AL600ULACM
| Voltage | Switch Position | Stand-by Battery | 4 hr. Stand-by / 5 mins. Alarm | 24 hr. Stand-by / 5 mins. Alarm |
| 12VDC | SW1 – ON | 40AH | 5.5A / 5.5A | 0.5A / 5.5A |
| 24VDC | SW1 – OFF | 40AH | 5.75A / 5.75A | 0.75A / 5.75A |
AL1012ULACM
| Voltage | Switch Position | Stand-by Battery | 4 hr. Stand-by / 5 mins. Alarm | 24 hr. Stand-by / 5 mins. Alarm |
| 12VDC | N/A | 40AH | 9.5A / 9.5A | 0.5A / 9.5A |
AL1024ULACM
| Voltage | Stand-by Battery | 15 mins. Stand-by / 5 mins. Alarm | 4 hr. Stand-by / 5 mins. Alarm | 24 hr. Stand-by / 5 mins. Alarm | 60 hr. Stand-by / 5 mins. Alarm |
| 24VDC | 12AH | 7.7A / 9.7A | 1.2A / 9.7A | – | – |
| 24VDC | 65AH | – | 7.7A / 9.7A | 1.2A / 9.7A | 200mA / 9.7A |
Specifications
Input:
- Power input 115VAC, 60Hz (see ACM Series Power Supply Configuration Reference Chart, pg. 2).
- ACM8 Power Input Options:
- a) One (1) common power input for ACM8 and lock power (factory installed).
- b) Two (2) isolated power inputs (external power supply is required). Current is determined by the power supply connected, not to exceed a maximum of 10A total.
- Eight (8) Access Control System trigger inputs.
Input options:- a) Eight (8) normally open (NO) inputs.
- b) Eight (8) open collector inputs.
- c) Any combination of the above.
Outputs:
- • Eight (8) independently controlled outputs.
Output Options:- a) Eight (8) Fail-Safe and/or Fail-Secure power outputs.
- b) Eight (8) form “C” 5A rated relay outputs.
- c) Any combination of the above.
- Eight (8) auxiliary power outputs (unswitched).
- ACM8 output fuses are rated 3.5A.
- ACM8 board main fuse is rated at 10A.
- Fire Alarm disconnect (latching or non-latching) is individually selectable for any or all of the eight (8) outputs.
- Fire Alarm disconnect input options:
- a) Normally open (NO) or normally closed (NC) dry contact input.
- b) Polarity reversal input fromFACP signaling circuit.
- Alarm output relay indicates that FACP input is triggered (form “C” contact rated @ 1A 28VDC, not evaluated by UL).
- Filtered and electronically regulated outputs.
- Thermal and short circuit protection with auto reset.
Visual Indicators:
- Green LED indicates when FACP disconnect is triggered.
- Red LEDs indicate outputs are triggered (relays energized).
- AC input and DC output LED indicators
Battery Backup:
- Built-in charger for sealed lead acid or gel type batteries.
- Automatic switch over to stand-by battery when AC fails.
- Zero voltage drop when switching over to battery backup.
Supervision:
- AC fail supervision (form “C” contact).
- Low battery supervision (form “C” contact).
- Battery presence supervision (form “C” contact).
- Power fail supervision relay (form “C” contact rated 1A @ 28VDC).
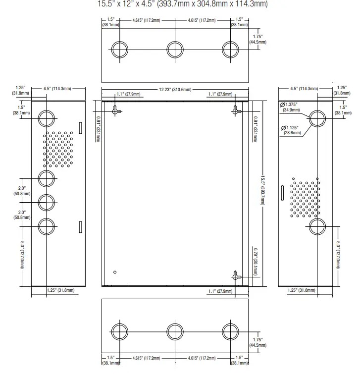
Enclosure Dimensions:
- 15.5” x 12” x 4.5” (393.7mm x 304.8mm x 114.3mm). Enclosure accommodates up to two (2) 12AH batteries.
Installation Instructions
Wiring methods shall be in accordance with the National Electrical Code/NFPA 70/NFPA 72/ANSI, and with all local codes and authorities having jurisdiction. Product is intended for indoor use only.
- Mount unit in desired location. Mark and predrill holes in the wall to line up with the top two keyholes in the enclosure. Install two upper fasteners and screws in the wall with the screw heads protruding. Place the enclosure’s upper keyholes over the two upper screws; level and secure. Mark the position of the lower two holes. Remove the enclosure. Drill the lower holes and install the three fasteners. Place the enclosure’s upper keyholes over the two upper screws. Install the two lower screws and make sure to tighten all screws (Enclosure Dimensions, pg. 12). Secure enclosure to earth ground.
It is recommended to first review the following tables to facilitate installation: - Set output voltage:
AL400ULACM and AL600ULACM: set desired DC output voltage by setting switch SW1 to the appropriate position on the power supply board. AL1012ULACM is factory set at 12VDC and AL1024ULACM is factory set at 24VDC (Output Voltage and Stand-by Specification Chart, pg. 2) - Connect AC
Connect unswitched AC power (115VAC 60Hz) to terminals marked [L, N]. Use 14 AWG or larger for all power connections. Secure green wire lead to earth ground. Green “AC” LED on power supply board will turn on. This light can be seen through the LED lens on the door of the enclosure. Keep power-limited wiring separate from non-power-limited wiring (115VAC 60Hz Input, Battery Wires). Minimum 0.25” spacing must be provided. CAUTION: Do not touch exposed metal parts. Shut branch circuit power before installing or servicing equipment. There are no user-serviceable parts inside. Refer installation and servicing to qualified service personnel. - Measure voltage before connecting devices. This helps avoiding potential damage.
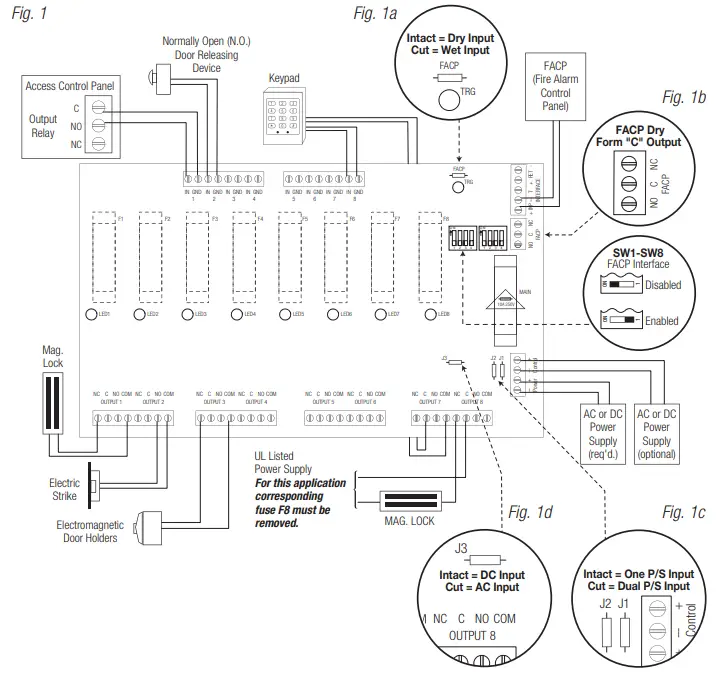
- Output options (Fig. 1, pg. 7):
The unit will provide either eight (8) switched power outputs, eight (8) dry form “C” outputs, or any combination of both switched power and form “C” outputs, plus eight (8) unswitched auxiliary power outputs.- (a) Switched Power outputs:
Connect the negative (–) input of the device being powered to the terminal marked [COM]. For Fail-Safe operation connect the positive (+) input of the device being powered to the terminal marked [NC]. For Fail-Secure operation connect the positive (+) input of the device being powered to the terminal marked [NO]. - (b) Form “C” outputs:
When form “C” outputs are desired the corresponding output fuse (1-8) must be removed. Connect negative (–) of the power supply directly to the locking device. Connect the positive (+) of the power supply to the terminal marked [C]. For Fail-Safe operation connect the positive (+) of the device being powered to the terminal marked NC]. For Fail-Secure operation connect the positive (+) of the device being powered to the terminal marked [NO]. - (c) Auxiliary Power outputs (unswitched):
Connect positive (+) input of the device being powered to the terminal marked [C] and the negative (–) of the device being powered to the terminal marked [COM]. Output can be used to provide power for card readers, keypads, etc.
- (a) Switched Power outputs:
- Input trigger options (Fig. 1, pg. 7):
- (a) Normally Open [NO] input trigger:
Inputs 1-8 are activated by normally open or open collector sink inputs. Connect devices (card readers, keypads, request to exit buttons etc.) to terminals marked [IN] and [GND]. - (b) Open Collector Sink inputs:
Connect the access control panel open collector sink positive (+) to the terminal marked [IN] and the negative (–) to the terminal marked [GND].
- (a) Normally Open [NO] input trigger:
- Fire Alarm Interface options (Figs. 4 through 8, pg. 8):
A normally closed [NC], normally open [NO] input or polarity reversal input from FACP signaling circuit will trigger selected outputs. To enable FACP Disconnect for an output turn the corresponding switch [SW1-SW8] OFF. To disable FACP disconnect for an output turn the corresponding switch [SW1-SW8] ON.- (a) Normally Open [NO] input:
For non-latching hook-up (Fig. 5, pg. 9). For latching hook-up see Fig. 6, pg. 10. - (b) Normally Closed [NC] input:
For non-latching hook-up (Fig. 7, pg. 10). For latching hook-up see Fig. 8, pg. 10. - (c) FACP Signaling Circuit input trigger:
Connect the positive (+) and negative (–) from the FACP signaling circuit output to the terminals marked [+ INP –]. Connect the FACP EOL to the terminals marked [+ RET –] (polarity is referenced in an alarm condition). Jumper located next to TRG LED must be cut (Fig. 1a, pg. 7).
- (a) Normally Open [NO] input:
- FACP Dry form “C” output (Fig. 1a, pg. 7):
Connect desired device to be triggered by the unit’s dry contact output to the terminals marked [NO] and [C] FACP for normally open output or the terminals marked [NC] and [C] FACP for normally closed output. - Battery Connections (Fig. 2, pg. 8):
For Access Control applications batteries are optional. If batteries are not used, a loss of AC will result in the loss of output voltage. Batteries must be lead acid or gel type. Connect one (1) 12VDC battery to the terminals marked [+ BAT –] for 12VDC operation. Use two (2) 12VDC batteries wired in series for 24VDC operation. - Battery and AC Supervision output (Fig. 2, pg. 8):
It is required to connect supervisory trouble reporting devices to outputs marked [AC Fail, BAT FAIL] supervisory relay outputs marked [NC, C, NO] to appropriate notification devices. Use 22 AWG to 18 AWG for AC Fail & Low/No Battery reporting. Cut “AC delay” jumper to delay report for 6 hours.
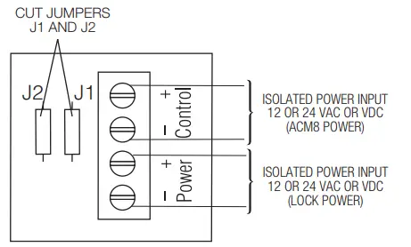
Note: A tamper switch must be installed and connected to the appropriate notification device to report a trouble condition when the enclosure door is open. - Multiple power supply inputs (Fig. 1, pg. 7):
When using two (2) power supplies jumpers J1 and J2 (located to the left of the power/control terminals) must be cut (Fig. 1c, pg. 7 & Fig. 3 pg. 9). Connect power for the ACM8 to the terminals marked [– Control +] and connect power for the locking devices to the terminals marked [– Power +]. When using DC power supplies polarity must be observed. When using AC power supplies polarity need not be observed (Fig. 1d, pg. 7).
Note: For UL compliance the additional power supply must be power-limited, UL Listed for Access Control Systems and accessories
Maintenance
Unit should be tested at least once a year for the proper operation as follows:
- Output Voltage Test: Under normal load conditions, the DC output voltage should be checked for proper voltage level (Output Voltage and Stand-by Specification Charts, pg. 2).
- Battery Test: Under normal load conditions check that the battery is fully charged, check specified voltage at the battery terminals and at the board terminals marked [+ BAT –] to ensure that there is no break in the battery connection wires.
Note: AL400ULXB2, AL600ULXB, AL1012ULXB (Power Supply Board) maximum charge current is 0.7A. AL1024ULXB2 (Power Supply Board) maximum charge current is 3.6A
Terminal Identification Tables
Power Supply Board
| Terminal Legend | Function/Description |
| L, G, N | Connect 115VAC 60Hz to these terminals: L to hot, N to neutral. Do not use G terminal on power supply board (see Connect AC, pg. 3). |
| + DC – | AL400ULACM – 12VDC @ 4A or 24VDC @ 3A to ACM8 board (power-limited). AL600ULACM – 12VDC/24VDC @ 6A to ACM8 board (non power-limited). AL1012ULACM – 12VDC @ 10A to ACM8 board (non power-limited). AL1024ULACM – 24VDC @ 10A to ACM8 board (non power-limited). |
| AC FAIL NC, C, NO | Used to notify loss of AC power, e.g. connect to audible device or alarm panel. Relay normally energized when AC power is present. Contact rating 1A @ 28VDC. AC or brownout fail is reported within 1 minute of event. To delay reporting of up to 6 hrs. cut “AC delay” jumper and reset power to unit. |
|
BAT FAIL NC, C, NO | Used to indicate low battery condition, e.g. connect to alarm panel. Relay normally energized when DC power is present. Contact rating 1A @ 28VDC. A removed battery is reported within 5 minutes. Battery reconnection is reported within 1 minute. Low battery threshold: 12VDC output threshold set @ approximately 10.5VDC (N/A for AL1024ULACM), 24VDC output threshold set @ approximately 21VDC (N/A for AL1012ULACM). |
| + BAT – | Stand-by battery connections. AL400ULXB2, AL600ULXB and AL1012ULXB (Power Supply Board) maximum charge current is 0.7A. AL1024ULXB2 (Power Supply Board) maximum charge current is 3.6A. |
ACM8 Access Power Controller
| Terminal Legend | Function/Description |
| – Power + | 12VDC or 24VDC input from power supply board. |
| – Control + | These terminals can be connected to a separate power-limited UL Listed power supply to provide isolated operating power for the ACM8 (jumpers J1and J2 Must be removed). |
| TRIGGER INPUT 1 – INPUT 8 IN, GND | From normally open and/or open collector sink trigger inputs (request to exit buttons, exit PIRs, etc.). |
|
OUTPUT 1 – OUTPUT 8 NC, C, NO, COM | 12 to 24 volts AC/DC trigger controlled outputs: Fail-Safe [NC positive (+) & COM Negative (-)], Fail-Secure [NO positive (+) & COM Negative (-)], Auxiliary output [C positive (+) & COM Negative (-)] (When using AC power supplies polarity need not be observed), NC, C, NO become form “C” 5A 24VAC/VDC rated dry outputs when fuses are removed. Contacts shown in a non-triggered state. |
| FACP INTERFACE T, + INPUT – | Fire Alarm Interface trigger input from FACP. Trigger inputs can be normally open, normally closed from an FACP output circuit (Fig. 4 through 8, pgs. 9-10). |
| FACP INTERFACE NC, C, NO | Form “C” relay contact rated @ 1A 28VDC for alarm reporting. (This output has not been evaluated by UL). |
Typical Application Diagram

LED Diagnostics
Power Supply Board
| LED | Power Supply Status | |
| Red (DC) | Green (AC) | |
| ON | ON | Normal operating condition. |
| ON | OFF | Loss of AC. Stand-by battery supplying power. |
| OFF | ON | No DC output. Short circuit or thermal overload condition. |
| OFF | OFF | No DC output. |
| Red (Bat) | Battery Status |
| ON | Normal operating condition. |
| OFF | Battery fail/low battery. |
ACM8 Access Power Controller
| LED | ON | OFF |
| LED 1 – LED 8 (Red) | Output relay(s) energized. | Output relay(s) de-energized. |
| Trg (Green) | FACP input triggered (alarm condition). | FACP normal (non-alarm condition). |
ACM Series Configuration

- CAUTION: De-energize unit prior to servicing. For continued protection against fire hazard replace fuse with the same type and rating.
- CAUTION: Optional rechargeable stand-by batteries must match the power supply output voltage setting. Keep power-limited wiring separate from non power-limited. Use minimum 0.25″ spacing.
Hook-Up Diagrams
Optional hook-up using two (2) isolated power supply inputs:
Polarity reversal input from FACP signaling circuit output (polarity is referenced in alarm condition):
Normally Open: Non-Latching FACP trigger input:
Normally Open FACP Latching trigger input with reset (This output has not been evaluated by UL):
Normally Closed: Non-Latching FACP trigger input:
Normally Closed: Latching FACP trigger input with reset (This output has not been evaluated by UL):
AL1024ULACM Battery Size Calculation Worksheet
- A. AL1024ULACM internal current consumption (stand-by) __________ 0.35A
- B. Load current consumption (stand-by) __________ A
- C. Stand-by time required (Hours) __________ H
- D. Battery capacity required for stand-by (A+B)*C __________ AH
- E. AL1024ULACM internal power consumption (Alarm) __________ 0.35A
- F. Load current consumption (Alarm) __________ A
- G. Alarm duration (Hours, example: 15 Min. = 0.25 Hour) (Alarm) __________ H
- H. Battery capacity required for Alarm (E+F)*G __________ AH
- I. Total calculated battery capacity D+H __________ AH
- J. Battery capacity required I*1.8 (safety factor) __________ AH
Note: AL1024ULACM power supply is designed to work with batteries up to 65AH. Please note, line [I] must not exceed 36AH. You have to reduce either stand-by current consumption or stand-by time in order to comply with requirement.
Enclosure Dimensions





















