eFlow104NA8 Series Dual Output
Access Power Controllers
Installation Guide
eFlow104NA8 Series Dual Output Access Power Controllers
eFlow104NKA8
- 12VDC or 5VDC up to 6A and/or 24VDC up to 10A (240W total power) selectable by output.
- Eight (8) fuse-protected outputs.
- Eight (8) selectable Fail Safe, Fail-Secure, or Form “C” dry outputs
- Fire Alarm Disconnect selectable by output
- Built-in Charger for sealed lead acid or gel-type batteries
eFlow104NKA8D
- 12VDC or 5VDC up to 6A and/or 24VDC up to 10A (240W total power) selectable by output.
- Eight (8) Class 2 power-limited PTC-protected outputs.
- Eight (8) selectable Fail Safe, Fail-Secure, or Form “C” dry outputs.
- Fire Alarm Disconnect is selectable by output.
- Built-in Charger for sealed lead acid or gel-type batteries.
Rev. eFlow104NKA8-072220
Installing Company: _______________ Service Rep. Name: __________________________________
Address: _____________________________________________ Phone #: __________________
Overview:
Altronix eFlow104NKA8 and eFlow104NKA8D distribute and switch power to access control systems and accessories. They convert a 120VAC 60Hz input into eight (8) independently controlled 12VDC or 24VDC protected outputs. Access Power Controller’s dual input design allows power to be steered from two (2) factory-installed independent low voltage 12 or 24VDC Altronix power supplies to eight (8) independently controlled fuse (eFlow104NKA8) or PTC (eFlow104NKA8D) protected outputs. Power outputs can be converted to dry-form “C” contacts. Outputs are activated by an open collector sink, normally open (NO), normally closed (NC) dry trigger input, or wet output from an Access Control System, Card Reader, Keypad, Push Button, PIR, etc. eFlow104NKA8(D) will route power to a variety of access control hardware devices including Mag Locks, Electric Strikes, Magnetic Door Holders, etc. Outputs will operate in both Fail-Safe and/or Fail-Secure modes. The FACP Interface enables Emergency Egress, and Alarm Monitoring, or may be used to trigger other auxiliary devices. The fire alarm disconnect feature is individually selectable for any or all of the eight (8) outputs. The spade connectors allow you to daisy chain power to multiple ACMS8(CB) modules. This feature allows you to distribute the power over more outputs for larger systems.
Stand-by Specifications:
| Battery | Burg. Applications 4 hr. Stand-by/ 15 min. Alarm | Fire Applications 24 hr. Stand-by/ 5 min. Alarm | Access Control Applications Stand-by |
| 7AH | 0.4A/10A | N/A | 5 Mins./10A |
| 12A11 | 1A/10A | 0.3A/10A | 15 Mins./10A |
| 40A11 | 6A/10A | 1.2A/10A | Over 2 Hours/10A |
| 65A11 | 6A/10A | 1.5A/10A | Over 4 Hours/10A |
Specifications:
Inputs:
eFlow104NB:
- 120VAC, 60Hz, 4.5A.
ACMS8/ACMS8CB: - Eight (8) trigger inputs:
a) Normally open (NO) inputs (dry contacts).
b) Normally closed (NC) inputs (dry contacts).
c) Open collector sink inputs.
d) Wet Input (5VDC – 24VDC) with 10K resistor
e) Any combination of the above.
Outputs:
Power:
- 12VDC or 5VDC up to 6A, 24VDC up to 10A
(240W total power). - Auxiliary Class 2 power-limited output
rated @ 1A (unswitched). - Overvoltage protection.
ACMS8: - Fuse-protected outputs rated @ 2.5A per output, non-power-limited. Total output 6A max.
Do not exceed the individual power supply ratings.
ACMS8CB: - PTC-protected outputs rated @ 2A per output, Class 2 power-limited. Total output 6A max.
Do not exceed the individual power supply ratings. - Eight (8) selectable independently controlled outputs or eight (8) independently controlled Form “C” relay outputs (see below for ratings):
a) Fail-Safe and/or Fail-Secure power outputs.
b) Form “C” relays rated @ 2.5A. 12, 24VDC,
0.6 Power Factor (ACMS8 only).
c) Auxiliary power outputs (unswitched).
d) Any combination of the above. - Individual outputs may be set to OFF position for servicing (output jumper set to middle position).
Does not apply to Dry Contact applications. - Any of the eight (8) fuse/PTC-protected power outputs are selectable to follow power Input 1 or Input 2. The output voltage of each output is the same as the input voltage of the input selected.
- Surge suppression.
Fuse/PTC Ratings:
eFlow104NB:
- The input fuse is rated at 6.3A/250V.
- Battery fuse rated 15A/32V.
ACMS8: - The main input fuse is rated 15A/32V.
- Output fuses are rated 3A/32V.
ACMS8CB: - The main input PTC is rated 9A.
- Output PTCs are rated 2A.
Battery Backup (eFlow104NB):
- Built-in charger for sealed lead acid or gel-type batteries.
- Maximum charge current 1.54A.
- Automatic switch over to stand-by battery when AC fails.
Transfer to stand-by battery power is instantaneous with no interruption.
Supervision (eFlow104NB):
- AC fails supervision (form “C” contacts).
- Battery fail & presence supervision (form “C” contacts).
- Low power shutdown. Shuts down DC output terminals if battery voltage drops below 71-73% for 12V units and 70-75% for 24V units (depending on the power supply). Prevents deep battery discharge.
Fire Alarm Disconnect:
eFlow104NB:
- Supervised Fire Alarm disconnect (latching or non-latching) 10K EOL resistor. Operates on a normally open (NO) or normally closed (NC) trigger.
ACMS8(CB):
- Fire Alarm disconnect (latching or non-latching) is individually selectable for any or all of the eight (8) outputs.
Fire Alarm disconnect input options:
a) Normally open [NO] or normally closed [NC] dry contact input. Polarity reversal input from FACP signaling circuit. - FACP input WET is rated 5-30VDC 7mA.
- FACP input EOL requires a 10K end-of-line resistor.
- FACP output relay [NC]:
Either Dry 1A/28VDC, 0.6 Power Factor or
10K resistance with [EOL JMP] intact.
Visual Indicators:
eFlow104NB:
- Green AC LED: Indicates 120VAC present.
- Red DC LED: Indicates DC output.
ACMS8(CB): - Red LEDs: Indicate outputs are triggered.
- Blue LED: Indicates FACP disconnect is triggered.
- Individual
Voltage LEDs: Indicate 12VDC (Green) or 24VDC (Red).
Environmental:
- Operating temperature: 0ºC to 49ºC ambient.
- Humidity: 20 to 85%, non-condensing.
Enclosure Dimensions (approximate H x W x D):
15.5” x 12” x 4.5”
(393.7mm x 304.8mm x 114.3mm).
Installation Instructions:
Wiring methods shall be in accordance with the National Electrical Code/NFPA 70/NFPA 72/ANSI, the Canadian Electrical Code, and with all local codes and authorities having jurisdiction. The product is intended for indoor use only.
- Mount the unit in the desired location. Mark and predrill holes in the wall to line up with the top two keyholes in the enclosure. Install two upper fasteners and screws in the wall with the screw heads protruding. Place the enclosure’s upper keyholes over the two upper screws, level, and secure. Mark the position of the lower two holes. Remove the enclosure. Drill the lower holes and install the two fasteners. Place the enclosure’s upper keyholes over the two upper screws. Install the two lower screws and make sure to tighten all screws (Enclosure Dimensions, pg. 8). Secure the enclosure to earth ground.
- Ensure all output jumpers [PWR1] – [PWR8] is placed in the OFF (center) position (Fig. 1, pg. 3).
- Connect unswitched AC power (120VAC 60Hz) to terminals marked [L, N] can be seen through the LED lens on the door of the enclosure. Use 14 AWG or larger for all power connections. Secure green wire leads to earth ground.
Keep power-limited wiring separate from non-power-limited wiring (120VAC 60Hz Input, Battery Wires). Minimum 0.25” spacing must be provided.
CAUTION: Do not touch exposed metal parts. Shut branch circuit power before installing or servicing equipment. There are no user-serviceable parts inside.
Refer installation and servicing to qualified service personnel. - Set each output [OUT1] – [OUT8] to route power from Input 1 or 2 (Fig. 1, pg. 3).
Note: Measure output voltage before connecting devices. This helps avoid potential damage. - Turn the power off before connecting devices.
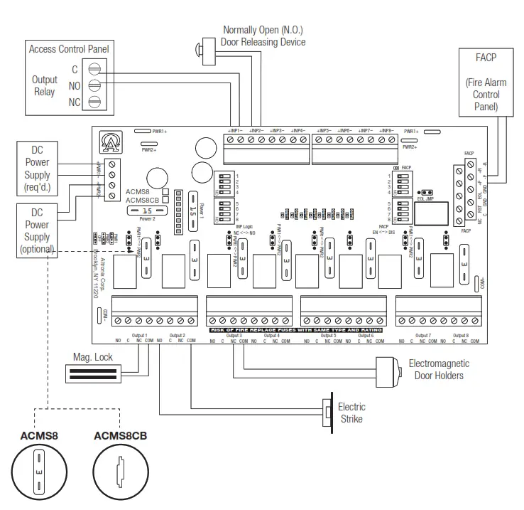
- Output options: eFlow104NKA8(D) will provide up to eight (8) switched power outputs or eight (8) dry form “C” outputs, or any combination of both switched power and form “C” outputs, plus eight (8) unswitched auxiliary power outputs.
Switched Power outputs: Connect the negative (–) input of the device being powered to the terminal marked [COM].
• For Fail-Safe operation connect the positive (+) input of the device being powered to the terminal marked [NC].
• For Fail-Secure operation connect the positive (+) input of the device being powered to the terminal marked [NO].
Form “C” outputs:
When form “C” outputs are desired, the corresponding jumper (1-8) must be placed in the OFF position (Fig. 7, pg. 9). Alternatively, the corresponding output fuse (1-8) can be removed (eFlow104NKA8 only).
Connect the negative (–) of the power supply directly to the locking device.
Connect the positive (+) of the power supply to the terminal marked [C].
• For Fail-Safe operation connect the positive (+) of the device being powered to the terminal marked [NC].
• For Fail-Secure operation connect the positive (+) of the device being powered to the terminal marked [NO].
Dry contacts rated @ 2.5A, 28VDC.
Auxiliary Power outputs (unswitched):
Connect the positive (+) input of the device being powered to the terminal marked [C] and the negative (–) of the device being powered to the terminal marked [COM]. Output can be used to provide power for card readers, keypads, etc. - Turn the main power on after all devices are connected.
- Input Trigger options:
Note: If the Fire Alarm disconnect is not used, connect a 10K ohm resistor to terminals marked [GND and EOL], plus connect a jumper to terminals marked [GND, RST].
Normally Open (NO) Input:
Slide input control logic DIP switch into the OFF position for [Switch 1-8] (Fig. 2, on right). Connect your wires to terminals marked [+ INP1 –] to [+ INP8 –].
Normally Closed (NC) Input:
Slide input control logic DIP switch into the ON position for [Switch 1-8]
(Fig. 2, on right). Connect your wires to terminals marked [+ INP1 –] to [+ INP8 –].
Open Collector Sink Input:
Connect the open collector sink input to the terminal marked [+ INP1 –] to [+ INP8 –].
Wet (Voltage) Input Configuration:
Carefully observing polarity, connect the voltage input trigger wires and the supplied 10K resistor to terminals marked [+ INP1 –] to [+ INP8 –].
If applying a voltage to trigger input – set the corresponding INP Logic switch to the “OFF” position.
If removing voltage to trigger input – set the corresponding INP Logic switch to the “ON” position. - Fire Alarm Interface options:
A normally closed [NC], normally open [NO] input or polarity reversal input from FACP signaling circuit will trigger selected outputs. To enable FACP Disconnect for an output turn the corresponding DIP switch [SW1-SW8] ON.
To disable FACP disconnect for an output turn the corresponding DIP switch [SW1-SW8] OFF. The switch is located directly to the left of the Fire Alarm Interface Terminals.
Normally Open Input:
Wire your FACP relay and 10K resistor in parallel on terminals marked [GND] and [EOL].
Normally Closed Input:
Wire your FACP relay and 10K resistor in series on terminals marked [GND] and [EOL].
FACP Signaling Circuit Input Trigger:
Connect the positive (+) and negative (–) from the FACP signaling circuit output to the terminals marked [+ FACP –]. Connect the FACP EOL to the terminals marked [+ RET –] (polarity is referenced in an alarm condition).
Non-Latching Fire Alarm Disconnect: Connect a jumper to the terminals marked [GND, RST].
Latching Fire Alarm Disconnect: Connect a NO normally open reset switch to terminals marked [GND, RST]. - FACP Dry NC output:
Connect desired device to be triggered by the unit’s dry contact output to the terminals marked [NC] and [C].
When [EOL JMP] is kept intact, the output is of 0 Ohm resistance in a normal condition.
When [EOL JMP] is clipped, a 10k resistance will be passed to the next device when in normal condition. - Stand-by Battery Connections (Fig. 6, pg. 8):
For the U.S. Access Control applications batteries are optional. Batteries are required for Canadian installations (ULC-S319). When batteries are not used, a loss of AC will result in the loss of output voltage.
When the use of stand-by batteries is desired, they must be lead acid or gel type.
Connect the battery to terminals marked [– BAT +] (Fig. 4g, pg. 6). Use two (2) 12VDC batteries connected in series for 24VDC operation (battery leads included). Use batteries – Castle CL1270 (12V/7AH), CL12120 (12V/12AH), CL12400 (12V/40AH), CL12650 (12V/65AH) batteries or UL recognized BAZR2 and BAZR8 batteries of an appropriate rating. - Battery and AC Supervision outputs (Fig. 4, pg. 8):
It is required to connect supervisory trouble-reporting devices to outputs marked [AC Fail, BAT Fail] and supervisory relay outputs marked [NC, C, NO] to appropriate visual notification devices.
Use 22 AWG to 18 AWG for AC Fail & Low/No Battery reporting. - To delay AC reporting for 2 hrs. set the DIP switch [AC Delay] to the OFF position (Fig. 4c, pg. 6).
To delay AC reporting for 1 min. set DIP switch [AC Delay] to ON position (Fig. 4c, pg. 6). - Fire Alarm Disconnect (Fig. 4c, pg. 6):
To enable Fire Alarm Disconnect set the DIP switch [Shutdown] to the ON position.
To disable Fire Alarm Disconnect set the DIP switch [Shutdown] to the OFF position. - Installation of tamper switch:
Mount UL Listed tamper switch (Altronix model TS112 or equivalent) at the top of the enclosure. Slide the tamper switch bracket onto the edge of the enclosure approximately 2” from the right side (Fig. 6a, pg. 8).
Connect tamper switch wiring to the Access Control Panel input or the appropriate UL Listed reporting device. To activate the alarm signal open the door of the enclosure.
Wiring:
Use 18 AWG or larger for all low-voltage power connections.
Note: Take care to keep power-limited circuits separate from non-power-limited wiring (120VAC, Battery).
Maintenance:
The unit should be tested at least once a year for the proper operation as follows:
Output Voltage Test: Under normal load conditions, the DC output voltage should be checked for proper voltage level eFlow104NB: 24VDC nominal rated @ 10A max.
Battery Test: Under normal load, conditions check that the battery is fully charged, check the specified voltage (24VDC @ 26.4) both at the battery terminal and at the board terminals marked [– BAT +] to ensure that there is no break-in the battery connection wires.
Note: Maximum charging current under discharges is 1.54A.
Note: Expected battery life is 5 years, however, it is recommended to change batteries in 4 years or less if needed.
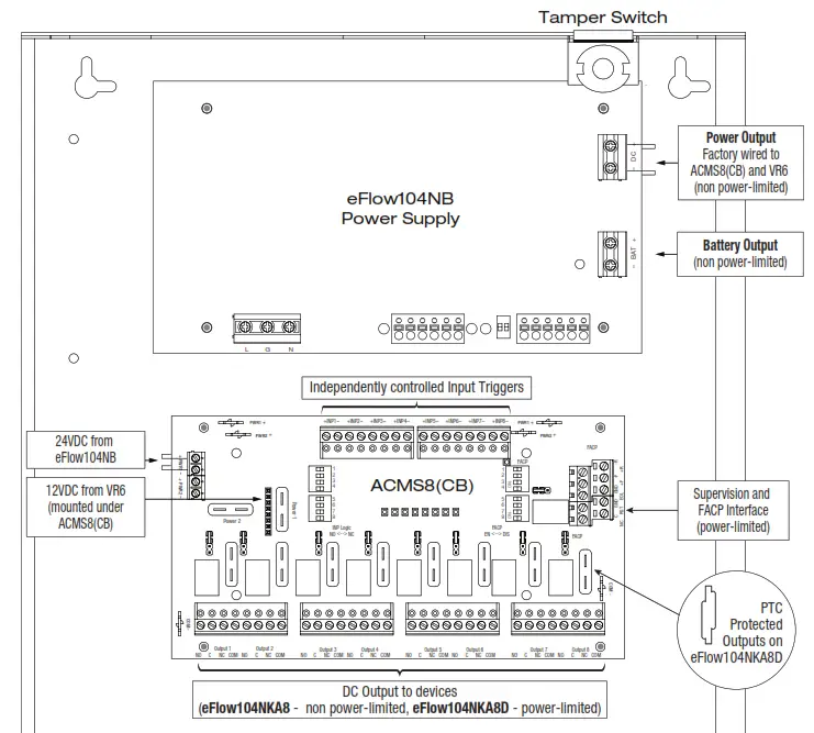
Fig. 4 – eFlow104N Board Configuration

Trouble/Time Limited Warning of Stand-by Batteries:
For compliance with ULC S318-96, the Time Limited Warning circuit must be connected for local or remote annunciation with an Amber or Red LED to indicate DC Trouble (low battery, loss of battery or when 95% of the stand-by battery has been depleted). Connect the circuit to the Batt Fail relay contacts to an appropriate input of a UL Listed Burglar Alarm or Access Control Panel. The following figure shows the circuitry needed for local annunciation.
Fig. 5 – Battery trouble indication
For Canadian use, a red indicating lamp must be visible from the exterior of this enclosure.
Wire one leg of a UL Listed, power-limited power source to the indicating lamp.
Wire the second leg of the power source to the indicating lamp in series with the battery fail relay contact terminals marked [BAT FAIL – C, NO] (Fig. 5, pg. 6).
LED Diagnostics:
eFlow104NB Power Supply/Charger
| Red (DC) | Green (AC/AC1) | Power Supply Status |
| ON | ON | Normal operating condition. |
| ON | OFF | Loss of AC. The standby battery is supplying power. |
| OFF | ON | No DC output. |
| OFF | OFF | Loss of AC. Discharged or no stand-by battery. No DC output. |
ACMS8 and ACMS8CB Access Power Controller
| LED | ON | OFF |
| LED 1- LED 8 (Red) | Output relay(s) de-energized. | Output relay(s) energized. |
| FACE | FACP input triggered (alarm condition). | FACP normal (non-alarm condition). |
| Green Output 1-8 | 12VDC | — |
| Red Output 1-8 | 24VDC | — |
Terminal Identification:
eFlow104NB Power Supply/Charger
| Terminal Legend | Function/Description |
| L, N | Connect 120VAC 60Hz to these terminals: L to hot, N to neutral (non-power-limited) (Fig. 4a, pg. 6). |
| — DC + | 24VDC nominal @ 10A continuous output (non power-limited output) (Fig. 417, pg. 6). |
| Trigger EOL Supervised | Fire Alarm Interface trigger input from a short or FACP. Trigger inputs can be normally open and normally closed from an FACP output circuit (power-limited input) (Fig. 4d, pg. 6). |
| NO, GND RESET | FACP interface latching or non-latching (power-limited) (Fig. 4e, pg. 6). |
| + AUX — | Auxiliary Class 2 power-limited output rated @ 1 A (unswitched) (Fig. 41, pg. 6). |
| AC Fail NC, C, NO | Indicates loss of AC power, e.g. connect to audible device or alarm panel. The relay is normally energized when AC power is present. Contact rating 1A @ 30VDC (power-limited) (Fig. 4b, pg. 6). |
| Bat Fail NC, C, NO | Indicates low battery condition, e.g. connect to the alarm panel. The relay is normally energized when DC power is present. Contact rating 1A @ 30VDC. A removed battery is reported within 5 minutes. Battery reconnection is reported within 1 minute (power-limited) (Fig. 4b, pg. 6). |
| — BAT + | Stand-by battery connections. Maximum charge current 1.54A (non-power-limited) (Fig. 4g, pg. 6). |
ACMS8 and ACMS8CB Access Power Controller
| Terminal Legend | Function/Description |
| + PWR1 — | Factory connected to eFlow104NB. Do not use these terminals. |
| + PWR2 — | Factory connected to the VR6 voltage regulator. Do not use these terminals. |
| + INP1 — through + INP8 — | Eight (8) independently controlled Normally Open (NO), Normally Closed (NC), Open Collector Sink or Wet Input Triggers. |
| C, NC | FACP Dry NC output rated 1A/28VDC © 0.6 Power Factor. Class 2 power-limited. With EOL JMP intact, will provide 10k resistance in a normal state. |
| GND, RST | FACP interface latching or non-latching. NO dry input. Class 2 power-limited. To be shorted for non-latching FACP interface or Latch FACP reset. |
| GND, EOL | EOL Supervised FACP Input terminals for polarity reversal FACP function. Class 2 power-limited. |
| — F, + F, — R, + R | FACP Signaling Circuit Input and Return terminals. Class 2 power-limited. |
| Output 1 through Output 8 NO C, NC, COM | Eight (8) selectable independently controlled outputs [Fail-Safe (NC) or Fail-Secure (NO)] and eight (8) independently controlled Form “C” Relay outputs. |
Fig. 6 – eFlow104NKA8(D)

| Optional Rechargeable Stand-by Battery for UL294 Applications Note: 12V batteries are required for ULC-S319 installations. | Optional Rechargeable Stand-by Battery for UL294 Applications Note: 12V batteries are required for ULC-S319 installations. |
CAUTION: Use two (2) 12VDC stand-by batteries.
Keep power-limited wiring separate from non-power-limited.
Use minimum 0.25” spacing.
12AH Rechargeable batteries are the largest batteries that can fit in this enclosure.
A UL-listed external battery enclosure must be used if using 40AH or 65AH batteries.
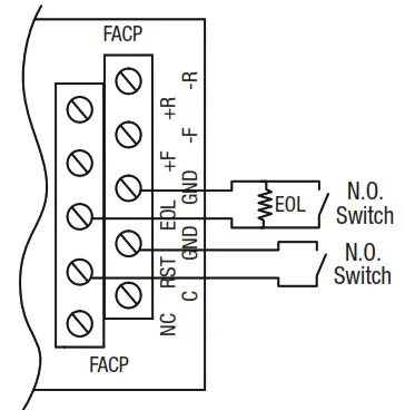
Typical Application Diagram:
Fig. 7

Hook-Up Diagrams:
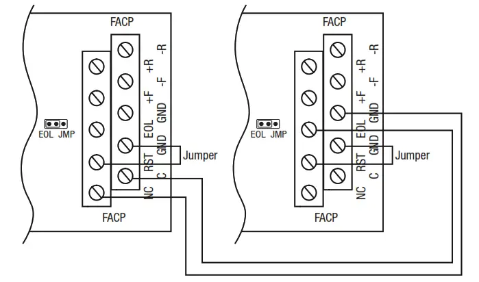
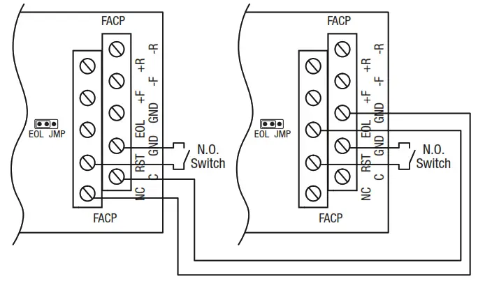
Fig. 8 – Daisy-chaining one or more ACMS8(CB) units.
EOL Jumper [EOL JMP] should be installed in the EOL position. Non-Latching.

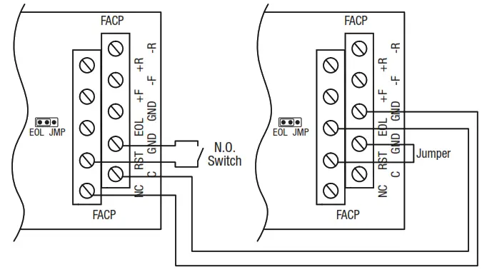
Fig. 9 – Daisy-chaining one or more ACMS8(CB) units.
EOL Jumper [EOL JMP] should be installed in the EOL position. Latching Single Reset.

Fig. 10 – Daisy chaining one or more ACMS8(CB) units.
EOL Jumper [EOL JMP] should be installed in the EOL position. Latching Individual Reset.

Hook-Up Diagrams:
| Fig. 11 – Polarity reversal input from FACP signaling circuit output (polarity is referenced in alarm condition). Non-Latching. | Fig. 12 – Polarity reversal input from FACP signaling circuit output (polarity is referenced in alarm condition). Latching. |
![]() | ![]() |
| Fig. 13 – Normally Closed trigger input (Non-Latching). | Fig. 14 – Normally Closed trigger input (Latching). |
![]() | ![]() |
| Fig. 15 – Normally Open trigger input (Non-Latching). | Fig. 16 – Normally Open trigger input (Latching). |
![]() | ![]() |
Enclosure Dimensions (BC400):
15.5” x 12” x 4.5” (393.7mm x 304.8mm x 114.3mm)

Altronix is not responsible for any typographical errors.
140 58th Street, Brooklyn, New York 11220 USA | phone: 718-567-8181 | fax: 718-567-9056
website: www.altronix.com | e-mail: [email protected] | Lifetime Warranty
IIeFlow104NKA8(D)
G29U
Keep power-limited wiring separate from non-power-limited wiring (120VAC 60Hz Input, Battery Wires). Minimum 0.25” spacing must be provided.
(Fig. 2, on right). Connect your wires to terminals marked [+ INP1 –] to [+ INP8 –].
Normally Open Input:
























