Altronix Maximal11V Maximal V Series Dual Power Supply Access Power Controllers

MaximalV Series Overview:
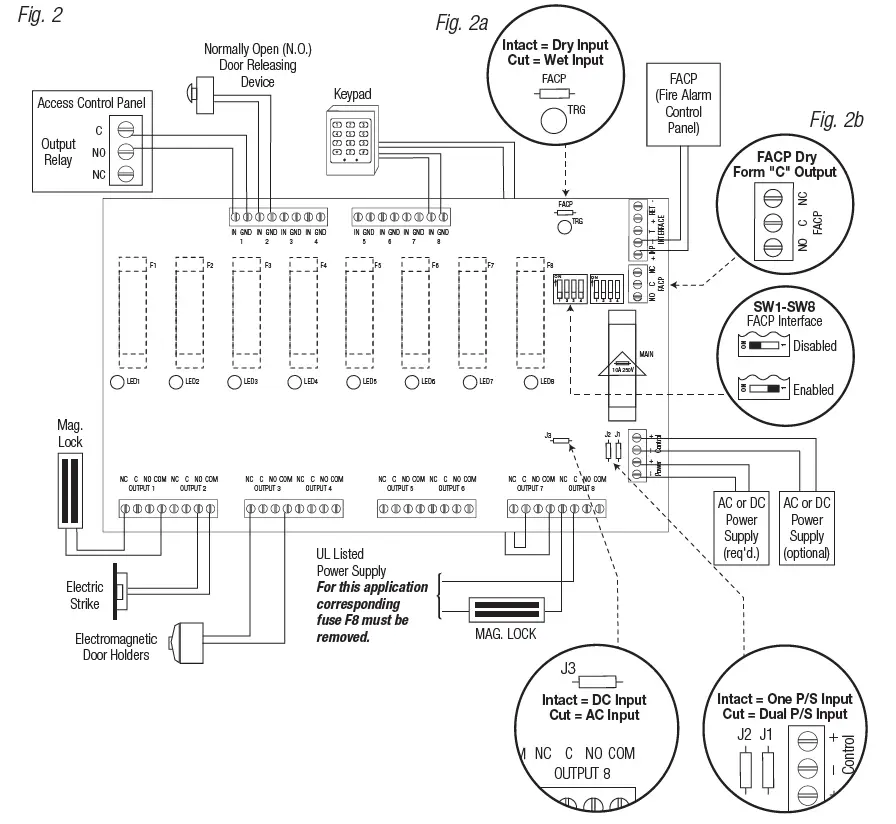
Altronix MaximalV Access Power/Controllers distribute and switch power to access control systems and accessories. They convert a 220VAC (working range 198VAC – 256VAC), 50/60Hz input into sixteen (16) independently controlled 12VDC or 24VDC fuse protected outputs. These Fail-Safe/Fail-Secure power outputs may be converted to dry form “C” contacts. The outputs are activated by an open collector sink or normally open (NO) dry trigger input from an Access Control System, Keypad, Push Button, REX PIR, etc. Units will route power to a variety of access control hardware devices including Mag Locks, Electric Strikes, Magnetic Door Holders, etc. The FACP Interface enables Emergency Egress, Alarm Monitoring, or may be used to trigger other auxiliary devices. The fire alarm disconnect feature is individually selectable for any or all of the sixteen (16) outputs.
Maximal Series Configuration Chart:
| Altronix Model Number | Output Voltage Options | Total Output Current (16 outputs) | Fuse Protected Outputs | 220VAC, 50/60Hz Input Current | Current per ACM8 output | Power Supply Board Output Fuse Rating | Power Supply Board Input Fuse Rating | ||
| Power Supply 1 | Power Supply 2 | ||||||||
| AL400XB2V | AL400XB2V | ||||||||
| Maximal11V | 12VDC @ 3.5A | 12VDC @ 3.5A | 7A | 3A | 15A/ 32V | ||||
| 12VDC @ 2.7A | 24VDC @ 2.7A | 5.4A | |||||||
| 24VDC @ 3.5A | 24VDC @ 2.7A | 6.2A | |||||||
| AL600XB220 | AL600XB220 | ||||||||
| Maximal33V | 12VDC @ 5.5A | 12VDC @ 5.5A | 11A |
16 | 3A |
2.5A | – | 5A/ 250V | |
| 12VDC @ 5.7A | 24VDC @ 5.7A | 11.4A | |||||||
| 24VDC @ 5.5A | 24VDC @ 5.7A | 11.2A | |||||||
| Maximal55V | AL1012XB220 | AL1012XB220 | 19 | 2.6A | 15A/ | ||||
| 12VDC @ 9.5A | 12VDC @ 9.5A | ||||||||
| 32V | |||||||||
| Maximal75V | AL1012XB220 | AL1024XB2V | 19.2 | 3.8A | 15A/ | ||||
| 12VDC @ 9.5A | 24VDC @ 9.5A | ||||||||
| 32V | |||||||||
| Maximal77V | AL1024XB2V | AL1024XB2V | 19.4 | 5A | 15A/ | ||||
| 24VDC @ 9.7A | 24VDC @ 9.7A | ||||||||
| 32V | |||||||||
MaximalV Series Features:
- Sixteen (16) independently trigger controlled outputs.
Output options:- Sixteen (16) Fail-Safe filtered and electronically regulated power outputs.
- Sixteen (16) Fail-Secure filtered and electronically regulated power outputs.
- Sixteen (16) form “C” relay outputs (rated @ 5A/28VDC or VAC).
- Any combination of the above.
- Sixteen (16) Access Control System trigger inputs.
Input trigger options:- Sixteen (16) normally open (NO) dry trigger inputs.
- Sixteen (16) open collector inputs.
- Any combination of the above.
- Sixteen (16) un-switched filtered and electronically regulated aux. power outputs (outputs are rated @ 2.5A).
- ACM8 maximum current is 2.5A per output.
- Red LEDs on ACM8 board indicate individual outputs are triggered (relays energized).
- Fire Alarm disconnect (latching or non-latching) is individually selectable for any or all of the sixteen (16) outputs. Fire Alarm disconnect input trigger options:
- Normally open (NO) or normally closed (NC) dry trigger input.
- Polarity reversal input from FACP signaling circuit.
- Green LED on ACM8 board indicates FACP disconnect is triggered.
- FACP output relay indicates that FACP input is triggered (form “C” contact rated @ 1A/28VDC).
- Power supply input options:
- Factory installed power supplies provide common power for both ACM8 boards and all connected access control devices.
- An optional external access control power supply may be connected to isolate the ACM8 boards from the access control devices (only applicable on Maximal11V).
- ACM8 board main fuses are rated @ 10A. Output fuses are rated @ 3.5A.
- Built-in charger for sealed lead acid or gel type batteries.
- Maximum charge current is 0.7A for AL400XB2V, AL600XB220 and AL1012XB220 power supply boards.
- Maximum charge current is 3.6A for AL1024XB2V power supply board.
- Automatic switch over to stand-by battery when AC fails.
- Zero voltage drop when unit switches over to battery backup (AC failure condition).
- Short circuit and thermal overload protection with auto reset.
- Green AC input and red DC output LED indicators on power supply board(s).
- AC fail supervision (form “C” contact rated @ 1A/28VDC).
- Battery fail and battery presence supervision (form “C” contact rated @ 1A/28VDC).
- Enclosure accommodates up to four (4) 12VDC/12AH batteries.
Enclosure dimensions: 26” x 19” x 6.25” (660.4mm x 482.6mm x 158.8mm).
MaximalV Installation Instructions:
Wiring methods shall be in accordance with the National Electrical Code/NFPA 70/ANSI, and with all local codes and authorities having jurisdiction. Product is intended for indoor use only.
- Mount unit in the desired location. Mark and predrill holes in the wall to line up with the top three key holes in the enclosure. Install three upper fasteners and screws in the wall with the screw heads protruding. Place the enclosure’s upper keyholes over the three upper screws, level and secure. Mark the position of the lower three holes. Remove the enclosure. Drill the lower holes and install the three fasteners. Place the enclosure’s upper keyholes over the three upper screws. Install the three lower screws and make sure to tighten all screws
- The power supply is pre-wired to the ground (chassis). Connect main incoming ground to the provided earth (safety) ground lug. Connect un-switched AC power (220VAC, 50/60Hz) to the terminals marked [L, N] on both power supply boards. Use 14 AWG or larger for all power connections.
Keep power-limited wiring separate from non power-limited wiring (220VAC, 50/60Hz Input, Battery Wires). Minimum 0.25” spacing must be provided.
CAUTION: Do not touch exposed metal parts. Shut branch circuit power before installing or servicing equipment. There are no user serviceable parts inside. Refer installation and servicing to qualified service personnel. - Select desired DC output voltage by setting SW1 to the appropriate position on the power supply board. Maximal55V power supply is factory set at 12VDC. Maximal77V power supply is factory set at 24VDC. Maximal75V consists of one (1) power supply board that is factory set at 12VDC, and one (1) power supply board that is factory set at 24VDC.
- Measure the output voltage of the unit before connecting any devices to ensure proper operation. Improper or high voltage will damage these devices.
- Output options:
The unit will provide either sixteen (16) switched power outputs, sixteen (16) dry form “C” outputs, or any combination of both switched power and form “C” outputs.- Fail-Safe Switched Power outputs:
For Fail-Safe operation connect the positive (+) input of the access control devices to the terminal marked [NC]. Connect the negative (–) input of the access control devices to the terminal marked [COM]. - Fail-Secure Switched Power outputs:
For Fail-Secure operation connect the positive (+) input of the access control devices to the terminal marked [NO]. Connect the negative (–) input of the access control devices to the terminal marked [COM]. - Form “C” outputs:
When form “C” outputs are desired the corresponding output fuses (1-8) of each ACM8 board must be removed.
- Fail-Safe Switched Power outputs:
- Auxiliary Power outputs (un-switched):
Connect access control devices that require constant power to terminals marked [C] positive (+) and [COM] negative (–). - Input trigger options
- Normally Open [NO] input trigger:
Inputs 1-8 are activated by normally open or open collector sink inputs.
Connect access control panel outputs, keypads, push buttons, REX PIRs, etc. to the terminals marked [IN] and [GND]. - Open Collector Sink inputs:
Connect the access control panel open collector sink positive (+) to the terminals marked [IN] and the negative (–) to terminals marked [GND].
- Normally Open [NO] input trigger:
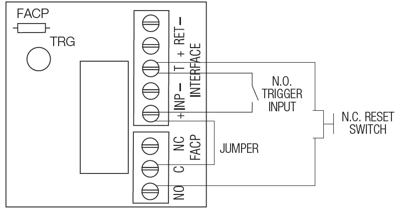
- Fire Alarm Interface options
A normally closed [NC] or normally open [NO] input trigger from a fire alarm control panel or a polarity reversal input from an FACP signaling circuit will affect selected outputs. To enable FACP Disconnect for an output turn the corresponding switch [SW1-SW8] OFF. To disable FACP disconnect for an output turn the corresponding switch [SW1-SW8] ON.- Normally Open [NO] input:
For non-latching hook-up
For latching hook-up
- Normally Closed [NC] input:
For non-latching hook-up
For latching hook-up 
- FACP Signaling Circuit input trigger:
Connect the positive (+) and negative (–) from the FACP signaling circuit output to the terminals marked [+ INP –]. Connect the FACP EOL to the terminals marked [+ RET –] (polarity is referenced in an alarm condition). Jumper located next to TRG LED must be cut
- Normally Open [NO] input:
- FACP Dry form “C” output
FACP form “C” contacts can be use to trigger reporting or signaling devices. These contact switch upon a fire alarm input trigger to the ACM8 boards. - Stand-by Battery Connections
For Access Control applications batteries are optional. If batteries are not used a loss of AC will result in the loss of output voltage. Batteries must be lead acid or gel type. Connect one (1) 12VDC battery to the terminals marked [+ BAT –] for 12VDC operation . Use two (2) 12VDC batteries wired in series for 24VDC operation - Battery and AC Supervision outputs
It is required to connect supervisory trouble reporting devices to outputs marked [AC Fail, BAT FAIL] supervisory relay outputs marked [NC, C, NO] to appropriate visual notification devices. Use 22 AWG to 18 AWG for AC Fail & Low/No Battery reporting. - Installation of tamper switch
Mount UL Listed tamper switch (Honeywell Model 112 or equivalent) at the top of the enclosure. Slide the tamper switch bracket onto the edge of the enclosure approximately 2” from the right side. Connect tamper switch wiring to the Access Control Panel input or the appropriate UL Listed reporting device. To activate alarm signal open the door of the enclosure. - Multiple power supply inputs:
When using an additional external power supply, jumpers J1 and J2 located on corresponding ACM8 boards must be cut. Connect external access control power supply to the terminals marked [– Control +] (only applicable on Maximal11V). When using DC power supplies polarity must be observed. When using AC power supplies polarity needs not to be observed . All field wiring connections must be made employing suitable gauge CM or FPL jacketed wire or equivalent substitute .
Maintenance:
Unit should be tested at least once a year for the proper operation as follows:
- FACP Supervision:
To ensure proper connection and operation of the Fire Alarm disconnect hookup. Please follow the appropriate procedure below: - Normally Open Input:
Placing a short between terminals marked [T] and [+ INP] will trigger the Fire Alarm Disconnect. Remove the short to reset. - Normally Closed Input:
Remove the wire from terminal marked [INP –] will trigger the Fire Alarm Disconnect. Replace the wire to terminal marked [INP –] to reset. - FACP Signal Circuit Input:
It is necessary to trigger the Fire Alarm System.
In all of the above scenarios the green TRG LED of the ACM8s will illuminate. All outputs selected for Fire Alarm Disconnect will activate releasing locking devices.
Note: All outputs [OUT 1 – OUT 8] must be in a normal (de-energized) condition prior to testing.
When the unit is configured for Normally Open or Normally Closed latching operation, it is necessary to reset the Fire Alarm Disconnect by activating the Normally Closed reset switch. - Output Voltage Test:
Under normal load conditions, the DC output voltage should be checked for proper voltage level (Power Supply Board Stand-by Battery Specifications - Battery Test:
Under normal load conditions check that the battery is fully charged, check specified voltage at the battery terminals and at the board terminals marked [+ BAT –] to ensure that there is no break in the battery connection wires. Note: AL400XB2V, AL600XB220 and AL1012XB220 Power Supply Board maximum charge current is 0.7A.
AL1024XB2V Power Supply Board maximum charge current is 3.6A. Expected battery life is 5 years; however, it is recommended to change batteries within 4 years or less if necessary.
Power Supply Board LED Diagnostics:
| LED | Power Supply Status | |
| Red (DC) | Green (AC) | |
| ON | ON | Normal operating condition. |
| ON | OFF | Loss of AC. Stand-by battery supplying power. |
| OFF | ON | No DC output. Short circuit or thermal overload condition. |
| OFF | OFF | No DC output. Loss of AC. Discharged battery. |
| Red (Bat) | Battery Status |
| ON | Normal operating condition. |
| OFF | Battery fail/low battery. |
Access Power Controller LED Diagnostics:
| LED | ON | OFF |
| LED 1- LED 8 (Red) | Output relay(s) energized. | Output relay(s) de-energized. |
| Trg (Green) | FACP input triggered (alarm condition). | FACP normal (non-alarm condition). |
Power Supply Board Terminal Identification:
| Terminal Legend | Function/Description |
| L, N | Connect 220VAC, 50/60Hz to these terminals: L to hot, N to neutral. |
| + DC – | Maximal11V – 12VDC @ 3.5A or 24VDC @ 2.7A to ACM8 boards. Maximal33V – 12VDC @ 5.5A or 24VDC @ 5.7A to ACM8 boards. Maximal55V – 12VDC @ 9.5A to ACM8 boards. Maximal77V – 24VDC @ 9.7A to ACM8 boards. Maximal75V – one (1) 12VDC @ 9.5A power supply to ACM8 board and one (1) 24VDC @ 9.7A power supply to ACM8 board. |
| AC FAIL NC, C, NO | Indicates loss of AC power. Relay normally energized when AC power is present. Contact rating 1A @ 28VDC. AC or brownout fail is reported within 1 minute of event. |
| BAT FAIL NC, C, NO | Indicates low battery condition, e.g. connect to access control panel. Relay normally energized when DC power is present. Contact rating 1A @ 28VDC. A removed battery is reported within 5 minutes. Battery reconnection is reported within 1 minute.| Low battery threshold: 12VDC output threshold set @ approximately 10.5VDC. 24VDC output threshold set @ approximately 21VDC. |
| + BAT – | Stand-by battery connections. Connect one (1) 12VDC battery to the terminals marked [+ BAT –] for 12VDC operation . Use two (2) 12VDC batteries wired in series for 24VDC operation . |
Access Power Controller Terminal Identification:
| Terminal Legend | Function/Description |
| – Power + | 12VDC or 24VDC input from power supply board. |
| – Control + (only applicable for Maximal11V) | These terminals can be connected to an external access control power supply to provide isolated operating power for the ACM8 (jumpers J1 and J2 must be removed). All field wiring connections must be made employing suitable gauge CM or FPL jacketed wire or equivalent substitute |
| TRIGGER INPUT 1-INPUT 8 IN, GND | From normally open and/or open collector sink trigger inputs (request to exit buttons, exit pir’s, etc.) |
| OUTPUT 1 – OUTPUT 8 NC, C, NO, COM | 12VDC to 24VDC trigger controlled outputs:
|
| FACP INTERFACE T, + INPUT – | Fire Alarm Interface trigger input from FACP. Trigger inputs can be normally open, normally closed from an FACP signaling circuit output (Figs. 10-15, pg. 17, 18). |
| FACP INTERFACE NC, C, NO | Form “C” relay contact rated @ 1A/28VDC for alarm reporting. |
Power Supply Board Stand-by Battery Specifications:
| Altronix Model | Power Supply Board | Battery | 20 Min. of Backup | 4 Hr. of Backup | 24 Hr. of Backup |
| Maximal11 | AL400XB2V | 12VDC/ 40AH* | N/A | 3.5A | 0.5A |
| 24VDC/ 40AH* | N/A | 2.7A | 0.7A | ||
| Maximal33 | AL600XB22 | 12VDC/ 40AH* | N/A | 5.5A | 5.5A |
| 24VDC/ 40AH* | N/A | 5.5A | 0.7A | ||
| Maximal55 Maximal75 | AL1012XB220 (Factory set at 12VDC) | 12VDC/12AH | 9.0A | Battery capacity for emergency stand-by at least 20 min | N/A |
| Maximal75 | AL1024XB2V (Factory set at 24VDC) | 24VDC/ 12AH | 7.7A | 1.2A | N/A |
| Maximal77 | AL1024XB2V (Factory set at 24VDC) | 24VDC/ 65AH* | N/A | 7.7A | 1.2A |
Power Supply Board Output Voltage Settings:

Access Power Controller Typical Application Diagram (for each ACM8):
Maximal11V, Maximal33V, Maximal55V

Maximal75V

Maximal77V

NEC Power-Limited Wiring Requirements for Maximal:
Maximal11V
Power-limited and non power-limited circuit wiring must remain separated in the cabinet. All power-limited circuit wiring must remain at least 0.25” away from any non power-limited circuit wiring. Furthermore, all power-limited circuit wiring and non power-limited circuit wiring must enter and exit the cabinet through different conduits. One such example of this is shown below. Your specific application may require different conduit knockouts to be used. Any conduit knockouts may be used. For power- limited applications use of conduit is optional. All field wiring connections must be made employing suitable gauge CM or FPL jacketed wire (or equivalent substitute). Note: Refer to wire handling drawing below for the proper way to install the CM or FPL jacketed wire .
Maximal33V and Maximal55V
Power-limited and non power-limited circuit wiring must remain separated in the cabinet. All power-limited circuit wiring must remain at least 0.25” away from any non power-limited circuit wiring. Furthermore, all power-limited circuit wiring and non power-limited circuit wiring must enter and exit the cabinet through different conduits. One such example of this is shown below. Your specific application may require different conduit knockouts to be used. Any conduit knockouts may be used. For power-limited applications use of conduit is optional. All field wiring connections must be made employing suitable gauge CM or FPL jacketed wire (or equivalent substitute). Note: Refer to wire handling drawing below for the proper way to install the CM or FPL jacketed wire
Maximal75V
Power-limited and non power-limited circuit wiring must remain separated in the cabinet. All power-limited circuit wiring must remain at least 0.25” away from any non power-limited circuit wiring. Furthermore, all power-limited circuit wiring and non power-limited circuit wiring must enter and exit the cabinet through different conduits. One such example of this is shown below. Your specific application may require different conduit knockouts to be used. Any conduit knockouts may be used. For power-limited applications use of conduit is optional. All field wiring connections must be made employing suitable gauge CM or FPL jacketed wire (or equivalent substitute). Note: Refer to wire handling drawing below for the proper way to install the CM or FPL jacketed wire
Maximal77V
Power-limited and non power-limited circuit wiring must remain separated in the cabinet. All power-limited circuit wiring must remain at least 0.25” away from any non power-limited circuit wiring. Furthermore, all power-limited circuit wiring and non power-limited circuit wiring must enter and exit the cabinet through different conduits. One such example of this is shown below. Your specific application may require different conduit knockouts to be used. Any conduit knockouts may be used. For power-limited applications use of conduit is optional. All field wiring connections must be made employing suitable gauge CM or FPL jacketed wire (or equivalent substitute). Note: Refer to wire handling drawing below for the proper way to install the CM or FPL jacketed wire 
Enclosure Dimensions (H x W x D approximate):
26” x 19” x 6.25” (660.4mm x 482.6mm x 158.8mm)
19” (482.6mm)
For latching hook-up
For latching hook-up 




















