Altronix Maximal3 Single Power Supply Access Power Controllers

Overview
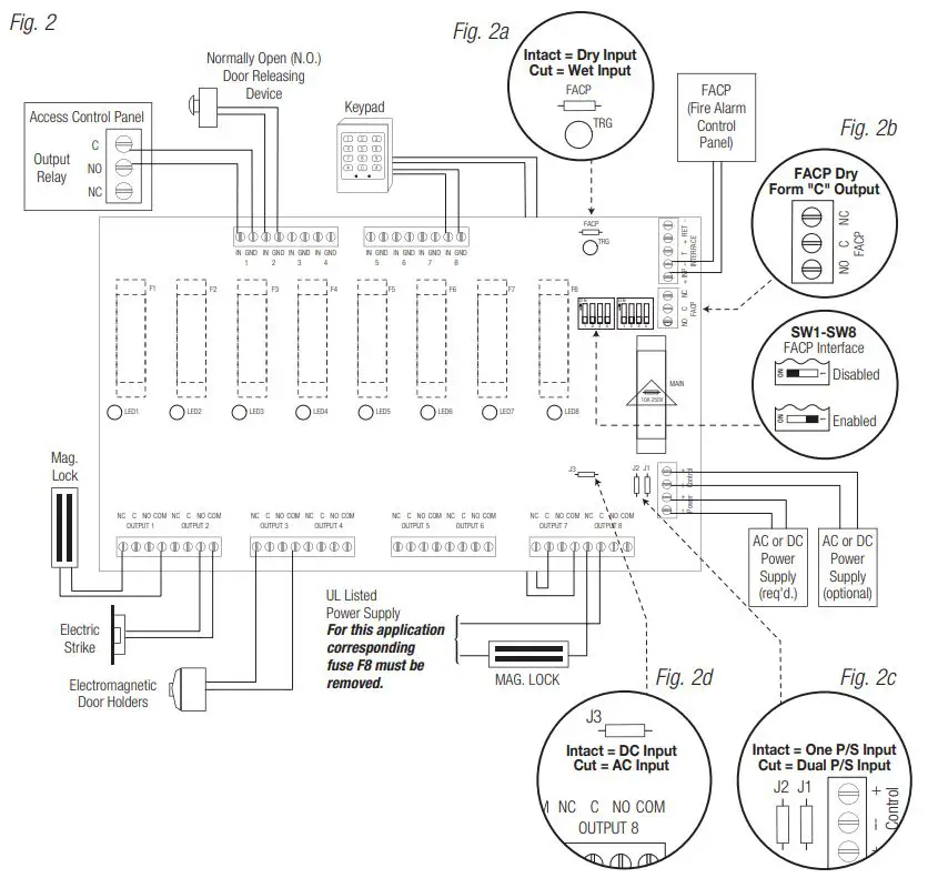
Maximal Access Power/Controllers distribute and switch power to access control systems and accessories. They convert a 115VAC, 60Hz input into sixteen (16) independently controlled 12VDC or 24VDC fuse protected outputs. These Fail-Safe/Fail-Secure power outputs may be converted to dry form “C” contacts. The outputs are activated by an open collector sink or normally open (NO) dry trigger input from an Access Control System, Keypad, Push Button, REX PIR, etc. Units will route power to a variety of access control hardware devices including: Mag Locks, Electric Strikes, Magnetic Door Holders, etc. The FACP Interface enables Emergency Egress, Alarm Monitoring, or may be used to trigger other auxiliary devices. The fire alarm disconnect feature is individually selectable for any or all of the sixteen (16) outputs. All interconnecting equipment must be UL Listed.
Configuration Chart
Features
- Sixteen (16) independently trigger controlled outputs. Output options:
- a) Sixteen (16) Fail-Safe filtered and electronically regulated power outputs.
- b) Sixteen (16) Fail-Secure filtered and electronically regulated power outputs.
- c) Sixteen (16) form “C” relay outputs (rated @ 5A/28VDC or VAC).
- d) Any combination of the above.
- Sixteen (16) Access Control System trigger inputs. Input trigger options:
- a) Sixteen (16) normally open (NO) dry trigger inputs.
- b) Sixteen (16) open collector inputs.
- c) Any combination of the above.
- Sixteen (16) unswitched filtered and electronically regulated aux. power outputs (outputs are rated @ 3.5A).
- Red LEDs on ACM8 board indicate individual outputs are triggered (relays energized).
- Fire Alarm disconnect (latching or non-latching) is individually selectable for any or all of the sixteen (16) outputs.
- Fire Alarm disconnect input trigger options:
- a) Normally open (NO) or normally closed (NC) dry trigger input.
- b) Polarity reversal input from FACP signaling circuit.
- Green LED on ACM8 board indicates FACP disconnect is triggered.
- FACP output relay indicates that FACP input is triggered (form “C” contact rated @ 1A/28VDC, not evaluated by UL).
- Power supply input is factory installed. It provides common power for both ACM8 boards and all connected access control devices.
- ACM8 board main fuses are rated @ 10A. Output fuses are rated @ 3.5A.
- Built-in charger for sealed lead acid or gel type batteries.
- Maximum charge current is 0.7A for AL600ULXB and AL1012ULXB power supply boards.
- Maximum charge current is 3.6A for AL1024ULXB2 power supply board.
- Automatic switch over to stand-by battery when AC fails.
- Zero voltage drop when unit switches over to battery backup (AC failure condition).
- Short circuit and thermal overload protection with auto reset.
- Green AC input and red DC output LED indicators on power supply board(s).
- AC fail supervision (form “C” contact rated @ 1A/28VDC).
- Battery fail and battery presence supervision (form “C” contact rated @ 1A/28VDC).
- Enclosure accommodates up to four (4) 12VDC/12AH batteries.
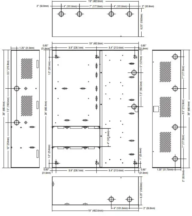
- Enclosure dimensions (H x W x D): 26” x 19” x 6.25” (660.4mm x 482.6mm x 158.8mm).
Installation Instructions
Wiring methods shall be in accordance with the National Electrical Code/NFPA 70/ANSI, and with all local codes and authorities having jurisdiction. Product is intended for indoor use only.
- Power Supply Board LED Diagnostics (pg. 6)
- Access Power Controller LED Diagnostics (pg. 6)
- Power Supply Board Terminal Identification (pg. 7)
- Access Power Controller Terminal Identification (pg. 7)
- Power Supply Board Stand-by Battery Specifications (pg. 7)
- Power Supply Board Output Voltage Settings (pg. 8)
- Access Power Controller Typical Application Diagram (pg.8)
- FACP Hook-up Diagrams (pg. 14)
- Mount unit in the desired location. Mark and predrill holes in the wall to line up with the top three keyholes in the enclosure. Install three upper fasteners and screws in the wall with the screw heads protruding. Place the enclosure’s upper keyholes over the three upper screws; level and secure. Mark the position of the lower three holes. Remove the enclosure. Drill the lower holes and install the three fasteners. Place the enclosure’s upper keyholes over the three upper screws. Install the three lower screws and make sure to tighten all screws (Enclosure Dimensions, pg. 16).
- The power supply is pre-wired to the ground (chassis). Connect main incoming ground to the provided green grounding conductor lead. Connect unswitched AC power (115VAC 60Hz) to the terminals marked [L, N] on power supply board. Green “AC” LED on power supply board will turn on. This light can be seen through the LED lens on the door of the enclosure. Use 14 AWG or larger for all power connections. Keep power-limited wiring separate from non power-limited wiring.
Minimum 0.25” spacing must be provided (Figs. 5-7, pgs. 11-13).
CAUTION: Do not touch exposed metal parts. Shut branch circuit power before installing or servicing equipment. There are no user serviceable parts inside. Refer installation and servicing to qualified service personnel. - Select desired DC output voltage by setting SW1 to the appropriate position on the Maximal3 power supply (Figs. 1 and 1a, pg. 8). Maximal5 power supply is factory set at 12VDC and Maximal7 power supply is factory set at 24VDC.
- Measure the output voltage of the unit before connecting any devices to ensure proper operation. Improper or high voltage will damage these devices.
- Output options (Fig. 2, pg. 8):
The unit will provide either sixteen (16) switched power outputs, sixteen (16) dry form “C” outputs, or any combination of both switched power and form “C” outputs.- (a) Fail-Safe Switched Power outputs:
For Fail-Safe operation connect the positive (+) input of the access control devices to the terminal
marked [NC]. Connect the negative (–) input of the access control devices to the terminal marked [COM]. - (b) Fail-Secure Switched Power outputs:
For Fail-Secure operation connect the positive (+) input of the access control devices to the terminal marked [NO]. Connect the negative (–) input of the access control devices to the terminal marked [COM]. - (c) Form “C” outputs:
When form “C” outputs are desired the corresponding output fuses (1-8) of each ACM8 board must be removed.
- (a) Fail-Safe Switched Power outputs:
- Auxiliary Power outputs (unswitched):
Connect access control devices that require constant power to the terminals marked [C] positive (+) and [COM] negative (–). - Input trigger options (Fig. 2, pg. 8):
- (a) Normally Open [NO] input trigger:
Inputs 1-8 are activated by normally open or open collector sink inputs.
Connect access control panel outputs, keypads, push buttons, REX PIRs, etc. to the terminals marked [IN] and [GND]. - (b) Open Collector Sink inputs:
Connect the access control panel open collector sink positive (+) to the terminals marked [IN] and the negative (–) to terminals marked [GND].
- (a) Normally Open [NO] input trigger:
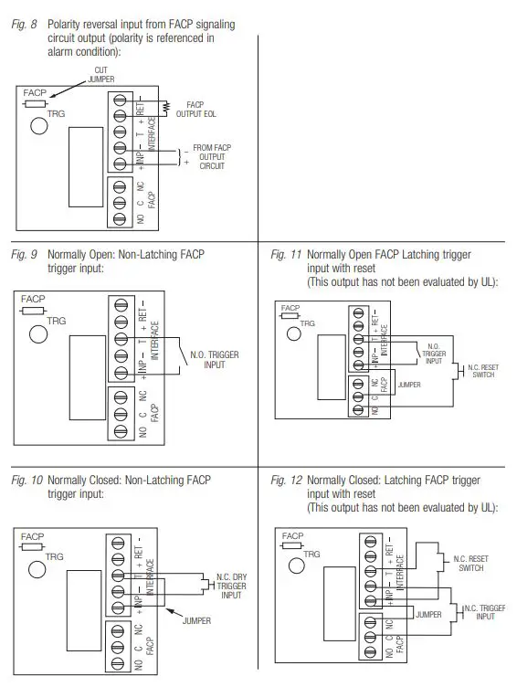
- Fire Alarm Interface options (Figs. 8-12, pgs. 13-14):
A normally closed [NC] or normally open [NO] input trigger from a fire alarm control panel or a polarity reversal input from an FACP signaling circuit will affect selected outputs. To enable FACP Disconnect for an output turn the corresponding switch(es) [SW1-SW8] OFF on each ACM8 board. To disable FACP disconnect for an output turn the corresponding switch(es) [SW1-SW8] ON on each ACM8 board.- (a) Normally Open [NO] input:
For non-latching hook-up refer to Fig. 9, pg. 14. For latching hook-up refer to Fig. 10, pg. 14. - (b) Normally Closed [NC] input:
For non-latching hook-up refer to Fig. 11, pg. 14. For latching hook-up refer to Fig. 12, pg. 14. - (c) FACP Signaling Circuit input trigger:
Connect the positive (+) and negative (–) from the FACP signaling circuit output to the terminals marked [+ INP –]. Connect the FACP EOL to the terminals marked [+ RET –] (polarity is referenced in an alarm condition). Jumper located next to TRG LED must be cut (Fig. 2a, pg. 8, Fig. 8, pg. 14).
- (a) Normally Open [NO] input:
- FACP Dry form “C” output (Fig. 2b, pg. 8):
FACP form “C” contacts can be use to trigger reporting or signaling devices. These contact switch
upon a fire alarm input trigger to the ACM8 boards. - Stand-by Battery Connections (Figs. 3-7, pgs. 9-13):
For Access Control applications batteries are optional. If batteries are not used, a loss of AC will result in the loss of output voltage. Batteries must be lead acid or gel type. Connect one (1) 12VDC battery to the terminals marked [+ BAT –] for 12VDC operation (Fig. 3a, pg. 8). Use two (2) 12VDC batteries wired in series for 24VDC operation. - Battery and AC Supervision outputs (Figs. 3-4, pgs. 9-10):
It is required to connect supervisory trouble reporting devices to outputs marked [AC Fail, BAT FAIL] supervisory relay outputs marked [NC, C, NO] to appropriate visual notification devices. Use 22 AWG to 18 AWG for AC Fail and Low/No Battery reporting. - Installation of tamper switch (Not Included) (Figs. 3b-4a, pgs. 9-10):
Mount UL Listed tamper switch (Altronix model TS112 or equivalent) at the top of the enclosure. Slide the tamper switch bracket onto the edge of the enclosure approximately 2” from the right side (Figs. 3b and 4a, pgs. 9-10). Connect tamper switch wiring to the Access Control Panel input or the appropriate UL Listed reporting device. To activate alarm signal open the door of the enclosure.
Maintenance
Unit should be tested at least once a year for the proper operation as follows:
- FACP Supervision:
- Normally Open Input:
- Normally Closed Input:
- FACP Signal Circuit Input:
- Output Voltage Test:
- Battery Test:
- To ensure proper connection and operation of the Fire Alarm disconnect hookup please follow the appropriate procedure below:
- Placing a short between terminals marked [T] and [+ INP] will trigger the Fire Alarm Disconnect. Remove the short to reset.
- Removing the wire from terminal marked [INP –] will trigger the Fire Alarm Disconnect. Replace the wire to terminal marked [INP –] to reset. It is necessary to trigger the
- Fire Alarm System.
- In all of the above scenarios the green TRG LED of the ACM8s will illuminate. All outputs selected for Fire Alarm Disconnect will activate releasing locking devices.
- Note: All outputs [OUT 1 – OUT 8] must be in a normal (de-energized) condition prior to testing. When the unit is configured for Normally Open
- (Fig. 10, pg. 14) or Normally Closed (Fig. 12, pg. 14) latching operation it is necessary to reset the Fire Alarm Disconnect by activating the
- Normally Closed reset switch.
- Under normal load conditions the DC output voltage should be checked for proper voltage level
- (Power Supply Board Stand-by Battery Specifications, pg. 7).
- Under normal load conditions check that the battery is fully charged, check specified voltage at the battery terminals and at the board terminals marked [+ BAT –] to
- ensure that there is no break in the battery connection wires. Note: AL600ULXB and AL1012ULXB Power Supply Board maximum charge current is 0.7A.
- AL1024ULXB2 Power Supply Board maximum charge current is 3.6A. Expected battery life is 5 years, however it is recommended to change batteries within 4 years or less
- if necessary.
Power Supply Board LED Diagnostics
| LED | Power Supply Status | |
| Red (DC) | Green (AC) | |
| ON | ON | Normal operating condition. |
| ON | OFF | Loss of AC. Stand-by battery supplying power. |
| OFF | ON | No DC output. Short circuit or thermal overload condition. |
| OFF | OFF | No DC output. Loss of AC. Discharged battery. |
Access Power Controller LED Diagnostics
| LED | ON | OFF |
| LED 1- LED 8 (Red) | Output relay(s) energized. | Output relay(s) de-energized. |
| Trg (Green) | FACP input triggered (alarm condition). | FACP normal (non-alarm condition). |
Power Supply Board Terminal Identification
| Terminal Legend | Function/Description |
| L, G, N | Connect 115VAC 60Hz to these terminals: L to hot, N to neutral. |
| + DC – | Maximal3 – 12VDC @ 5A or 24VDC @ 5.4A to ACM8 boards (non power-limited) Maximal5 – 12VDC @ 9A to ACM8 boards (non power-limited). Maximal7 – 24VDC @ 9.4A to ACM8 boards (non power-limited). |
| AC FAIL NC, C, NO | Indicates loss of AC power. To meet with UL requirements it is mandatory to connect visual notification devices, connecting audible notification devices is optional. Relay normally energized when AC power is present. Contact rating 1A/28VDC. AC or brownout fail is reported within 1 minute of event. |
| BAT FAIL NC, C, NO | Indicates low battery condition, e.g. connect to access control panel. Relay normally ener- gized when DC power is present. Contact rating 1A @ 28VDC. A removed battery is reported within 5 minutes. Battery reconnection is reported within 1 minute. Low battery threshold: 12VDC output threshold set @ approximately 10.5VDC. 24VDC output threshold set @ approximately 21VDC. |
| + BAT – | Stand-by battery connections. Connect one (1) 12VDC battery to the terminals marked [+ BAT –] for 12VDC operation (Figs. 3 and 3a, pg. 9). Use two (2) 12VDC batteries wired in series for 24VDC operation (Fig. 4, pg. 10). |
Access Power Controller Terminal Identification
| Terminal Legend | Function/Description |
| – Power + | 12VDC or 24VDC input from power supply board. |
| – Control + | Not applicable. |
| TRIGGER INPUT 1- INPUT 8 IN, GND | From normally open and/or open collector sink trigger inputs (request to exit buttons, exit pir’s, etc.). |
|
OUTPUT 1- OUTPUT 8 NC, C, NO, COM | 12VDC to 24VDC trigger controlled outputs: Fail-Safe [NC positive (+) & COM Negative (–)], Fail-Secure [NO positive (+) & COM Negative (–)], Auxiliary output [C positive (+) & COM Negative (–)] (When using AC power supplies polarity needs not to be observed), NC, C, NO convert to dry form “C” 5A 24VAC/VDC rated dry outputs when fuses are removed. Contacts shown in a non-triggered state. |
| FACP INTERFACE T, + INPUT – | Fire Alarm Interface trigger input from FACP. Trigger inputs can be normally open, normally closed from an FACP signaling circuit output (Figs. 8-12, pg. 14). |
| FACP INTERFACE NC, C, NO | Form “C” relay contact rated @ 1A/28VDC for alarm reporting (not evaluated by UL). |
Power Supply Board Stand-by Battery Specifications
| Altronix Model: | Power Supply Board | Battery | 20 Min. of Backup | 4 hr. of Backup | 24 hr. of Backup |
| Maximal3 | AL600ULXB (Refer to Fig. 1a, pg. 7 for Switch [SW1] location and position) | 12VDC/40AH* | N/A | 5.0A | N/A |
| 24VDC/40AH* | N/A | 5.4A | 0.7A | ||
| Maximal5 | AL1012ULXB (Factory set at 12VDC) | 12VDC/12AH | 9.0A | Battery capacity for emergency stand-by: at least 20 min. | N/A |
| Maximal7 | AL1024ULXB2 (Factory set at 24VDC) | 24VDC/12AH | 7.7A | 1.2A | 200mA |
| 24VDC/65AH* | N/A | 7.7A | 1.2A |
Power Supply Board Output Voltage Settings
Access Power Controller Typical Application Diagram (for each ACM8)
CAUTION: When power supply board is set for 12VDC use only one (1) 12VDC stand-by battery.
Keep power-limited wiring separate from non power-limited. Use minimum 0.25″ spacing. 12AH Rechargeable batteries are the largest batteries that can fit in this enclosure. A UL listed external battery enclosure must be used if using the 40AH or 65AH batteries.
Keep power-limited wiring separate from non power-limited. Use minimum 0.25″ spacing. 12AH Rechargeable batteries are the largest batteries that can fit in this enclosure. A UL listed external battery enclosure must be used if using the 40AH or 65AH batteries.
NEC Power-Limited Wiring Requirements for Maximal3:
Power-limited and non-power-limited circuit wiring must remain separated in the cabinet. All power-limited circuit wiring must remain at least 0.25” away from any non-power-limited circuit wiring. Furthermore, all power-limited circuit wiring and non-power-limited circuit wiring must enter and exit the cabinet through different conduits. One such example of this is shown below. Your specific application may require different conduit knockouts to be used. Any conduit knockouts may be used. For power-limited applications use of conduit is optional. All field wiring connections must be made employing suitable gauge CM or FPL jacketed wire (or equivalent substitute). Note: Refer to wire handling drawing below for the proper way to install the CM or FPL jacketed wire (Fig. 5a).
NEC Power-Limited Wiring Requirements for Maximal5:
Power-limited and non power-limited circuit wiring must remain separated in the cabinet. All power-limited circuit wiring must remain at least 0.25” away from any non power-limited circuit wiring. Furthermore, all power-limited circuit wiring and non power-limited circuit wiring must enter and exit the cabinet through different conduits. One such example of this is shown below. Your specific application may require different conduit knockouts to be used. Any conduit knockouts may be used. For power- limited applications use of conduit is optional. All field wiring connections must be made employing suitable gauge CM or FPL jacketed wire (or equivalent substitute). Note: Refer to wire handling drawing below for the proper way to install the CM or FPL jacketed wire (Fig. 6a).
NEC Power-Limited Wiring Requirements for Maximal7:
Power-limited and non power-limited circuit wiring must remain separated in the cabinet. All power-limited circuit wiring must remain at least 0.25” away from any non power-limited circuit wiring. Furthermore, all power-limited circuit wiring and non power-limited circuit wiring must enter and exit the cabinet through different conduits. One such example of this is shown below. Your specific application may require different conduit knockouts to be used. Any conduit knockouts may be used. For power- limited applications use of conduit is optional. All field wiring connections must be made employing suitable gauge CM or FPL jacketed wire (or equivalent substitute). Note: Refer to wire handling drawing below for the proper way to install the CM or FPL jacketed wire (Fig. 7a).
FACP Hook-Up Diagrams
Enclosure Dimensions (H x W x D approximate): 26” x 19” x 6.25” (660.4mm x 482.6mm x 158.8mm) 19” (482.6mm)

























