More than just power.™
ACM220 Series
Access Power Controllers
with Power Supplies
Models Include:
AL400ACM220
– 12VDC @ 4A or 24VDC @ 3A.
– Fused Outputs
AL600ACM220
– 12VDC or 24VDC @ 6A.
– Fused Outputs
AL1012ACM220
– 12VDC @ 10A.
– Fused Outputs
AL1024ACM220
– 24VDC @ 10A.
– Fused Outputs
For a red enclosure add an “R” suffix to the part #, e.g. AL1024ACMR220
Installation Guide
Rev. 010213
Installing Company: _______________ Service Rep. Name: ___________________
Address: ___________________ Phone #: __________________
Overview:
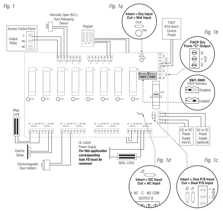
Altronix ACM220 Series units distribute and switch power to access control systems and accessories. They convert nominal 220VAC (working range 198VAC – 256VAC), 50/60Hz input into eight (8) independently controlled 12VDCor 24VDC fuse-protected outputs. These power outputs can be converted to dry-form “C” contacts. Outputs are activated by an open collector sink or normally open (NO) dry trigger input from an Access Control System, Card Reader, Keypad, Push Button, PIR, etc. Units will route power to a variety of access control hardware devices including:
MagLocks, Electric Strikes, Magnetic Door Holders, etc. Outputs will operate in both Fail-Safe and/or Fail-Secure modes. The FACP Interface enables Emergency Egress, and Alarm Monitoring, or may be used to trigger other auxiliary devices. The fire alarm disconnect feature is individually selectable for any or all of the eight (8) outputs.
ACM220 Series Configuration Reference Chart:
| AltronixModel Number | 12VDC Total Output Current | 24VDC Total Output Current | Fused Outputs | Individual Output Rating | 220VAC 50/60H Input Current Draw | Power Supply Board Input Fuse Rating | Power Supply Board |
| AL400ACM220 | 4A | 3A | 8 | 3.5A | 1.2A | 5A/250V | 15A/32V |
| AL600ACM220 | 6A | 6A | 1.5A | – | |||
| AL1012ACM220 | 10A | – | 2.2A | 15A/32V | |||
| AL1024ACM220 | – | 10A | 3A |
Specifications:
Input:
- Power supply input options:
a) One (1) common power input for ACM8 and lock power (factory installed).
b) Two (2) isolated power inputs – One (1) to power the ACM8 and one (1) for lock accessory power (external power supply is required). Current is determined by the power supply connected, not to exceed a maximum of 10A total. - Eight (8) Access Control System trigger inputs.
Input options:
a) Eight (8) normally open (NO) inputs.
b) Eight (8) open collector inputs.
c) Any combination of the above.
Output:
- 12VDC or 24VDC outputs.
- Eight (8) independently controlled outputs.
Output options:
a) Eight (8) Fail-Safe and/or Fail-Secure power outputs.
b) Eight (8) form “C” 5A rated relay outputs
c) Any combination of the above. - Eight (8) auxiliary power outputs (unswitched)
- Output fuses are rated @ 3.5A.
- Filtered and electronically regulated outputs (built-in power supply).
Visual Indicators:
- Red LEDs indicate outputs are triggered (relays energized).
- Green LED indicates FACP disconnect is triggered.
- AC input and DC output LED indicators.
Battery Backup:
- Built-in charger for sealed lead acid or gel-type batteries.
- AL400XB2V, AL600XB220, and AL1012XB220 (Power Supply Board) maximum charge current 0.7A.
AL1024XB2V (Power Supply Board) maximum charge current 3.6A. - Automatic switch over to stand-by battery when AC fails.
- AC input and DC output LED indicators.
- Zero voltage drop when the unit switches over to battery backup (AC failure condition).
- Battery fails and battery presence supervision (form “C” contact).
Features:
- Fire Alarm disconnect (latching or non-latching) is individually selectable for any or all of the eight (8) outputs.
- Fire Alarm disconnect input options:
a) Normally open (NO) or normally closed (NC) dry contact input.
b) Polarity reversal input from the FACP signaling circuit. - Alarm output relay indicates that FACP input is triggered (form “C” contact rated @ 1A 28VDC).
- Short circuit and thermal overload protection.
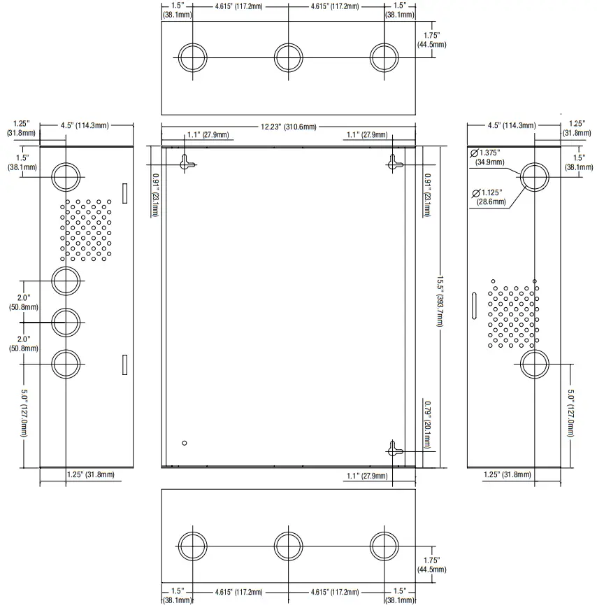
Enclosure Dimensions (H x W x D approx.): - 15.5” x 12” x 4.5”(393.7mm x 304.8mm x 114.3mm)
- Enclosure accommodates up to two (2) 12AH batteries.
Installation Instructions:
Wiring methods shall be in accordance with the National Electrical Code/NFPA 70/NFPA 72/ANSI, and with all local codes and authorities having jurisdiction. The product is intended for indoor use only.
- Mount the unit in the desired location. Mark and predrill holes in the wall to line up with the top two keyholes in the enclosure. Install two upper fasteners and screws in the wall with the screw heads protruding. Place the enclosure’s upper keyholes over the two upper screws, level, and secure. Mark the position of the lower two holes. Remove the enclosure. Drill the lower holes and install the three fasteners. Place the enclosure’s upper keyholes over the two upper screws. Install the two lower screws and make sure to tighten all screws (Enclosure Dimensions, pg. 12). Secure the enclosure to earth ground.It is recommended to first review the following tables to facilitate installation:
Output Voltage and Stand-by Specifications Charts (pg. 3) Typical Application Diagram (pg. 6) LED Diagnostics (pg. 6) Terminal Identification Tables (pg. 5) Hook-up Diagrams (pg. 8-9) - Set output voltage:
AL400ACM220 and AL600ACM220: set desired DC output voltage by setting switch SW1 to the appropriate position on the power supply board. AL1012ACM220 is factory set at 12VDC and AL1024ACM220 is factory set at 24VDC (Output Voltage and Stand-by Specification Charts below).
Output Voltage and Stand-by Specification Charts:
AL400ACM220Voltage Switch Position Stand-by Battery 4 hr. Stand-by / 5 mins. Alarm 24 hr. Stand-by / 5 mins. Alarm
12VDC SW1 – ON 40AH 3.5A / 3.5A 1A / 3.5A 24VDC SW1 – OFF 40AH 2.75A / 2.75A 1A / 3A AL600ACM220
Voltage Switch Position Stand-by Battery 4 hr. Stand-by / 5 mins. Alarm 24 hr. Stand-by / 5 mins. Alarm
12VDC SW1 – ON 40AH 5.5A / 5.5A 0.5A / 5.5A 24VDC SW1 – OFF 40AH 5.75A / 5.75A 0.75A / 5.75A AL1012ACM220
Voltage Switch Position Stand-by Battery 4 hr. Stand-by / 5 mins. Alarm 24 hr. Stand-by / 5 mins. Alarm 12VDC N/A 40AH 9.5A / 9.5A 0.5A / 9.5A AL1024ACM220 (refer to AL1024ACM220 Battery Size Calculation Worksheet, pg. 10).
Voltage Stand-by Battery 15 mins. Stand-by / 5 mins. Alarm 4 hr. Stand-by / 5 mins. Alarm 24 hr. Stand-by / 5 mins. Alarm 60 hr. Stand-by / 5 mins. Alarm 24VDC 12AH 7.7A / 9.7A 1.2A / 9.7A – – 24VDC 65AH – 7.7A / 9.7A 1.2A / 9.7A 200mA / 9.7A - Connect AC (Fig. 2, pg. 7):
Connect unswitched AC power (220VAC, 50/60Hz) to terminals marked [L, N].
Use 14 AWG or larger for all power connections. Secure green wire leads to the ground lug.
Keep power-limited wiring separate from non-power-limited wiring (220VAC, 50/60Hz Input,
Battery Wires). Minimum 0.25” spacing must be provided.
CAUTION: Do not touch exposed metal parts. Shut branch circuit power before installing or servicing equipment. There are no user-serviceable parts inside. Refer installation and servicing to qualified service personnel. - Measure voltage before connecting devices. This helps avoid potential damage.
- Output options (Fig. 1, pg. 6): The unit will provide either eight (8) switched power outputs, eight (8) dry form “C” outputs, or any combination of both switched power and form “C” outputs, plus eight (8) unswitched auxiliary power outputs.
(a) Switched Power outputs: Connect the negative (–) input of the device being powered to the terminal marked [COM]. For Fail-Safe operation connect the positive (+) input of the device being powered to the terminal marked [NC]. For Fail-Secure operation connect the positive (+) input of the device being powered to the terminal marked [NO].
(b) Form “C” outputs: When form “C” outputs are desired the corresponding output fuse (1-8) must be removed. Connect the negative (–) of the power supply directly to the locking device. Connect the positive (+) of the power supply to the terminal marked [C]. For Fail-Safe operation connect the positive (+) of the device being powered to the terminal marked NC]. For Fail-Secure operation connect the positive (+) of the device being powered to the terminal marked [NO].
(c) Auxiliary Power outputs (unswitched): Connect the positive (+) input of the device being powered to the terminal marked [C] and the negative (–) of the device being powered to the terminal marked [COM]. Output can be used to provide power for card readers, keypads, etc. - Input trigger options (Fig. 1, pg. 6): (a) Normally Open [NO] input trigger: Inputs 1-8 are activated by normally open or open collector sink inputs. Connect devices (card readers, keypads, request to exit buttons, etc.) to terminals marked [IN] and [GND]. (b) Open Collector Sink inputs: Connect the access control panel open collector sink positive (+) to the terminal marked [IN] and the negative (–) to the terminal marked [GND].
- Fire Alarm Interface options (Figs. 4 through 8, pg. 8): A normally closed [NC], normally open [NO] input or polarity reversal input from FACP signaling circuit will trigger selected outputs. To enable FACP Disconnect for an output turn the corresponding switch [SW1-SW8] OFF. To disable FACP disconnect for an output turn the corresponding switch [SW1-SW8] ON.
(a) Normally Open [NO] input: For non-latching hook-up (Fig. 5, pg. 8). For latching hook-up see Fig. 6, pg. 9.
(b) Normally Closed [NC] input: For non-latching hook-up (Fig. 7, pg. 9). For latching hook-up see Fig. 8, pg. 9.
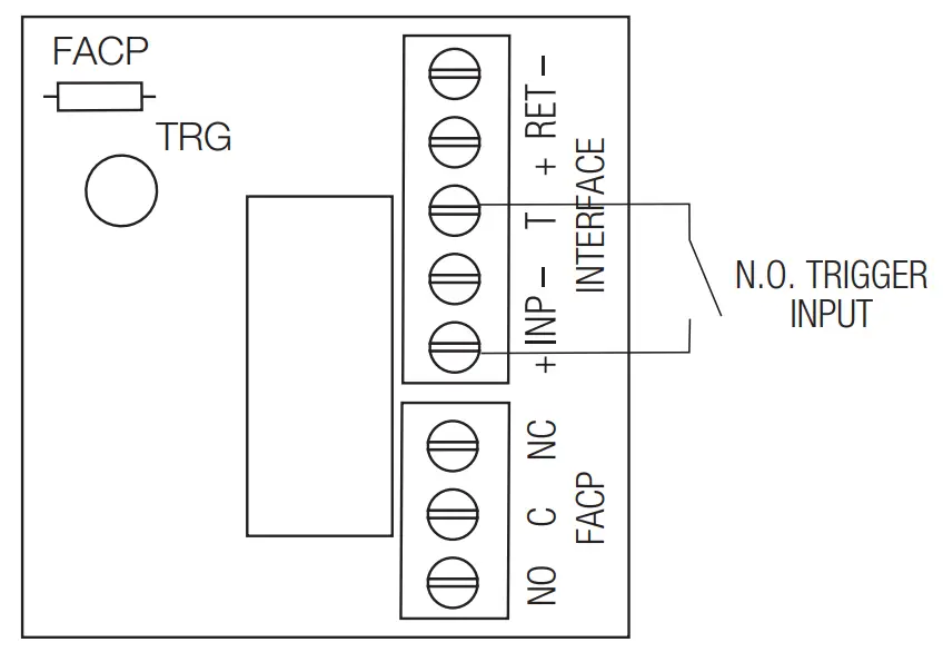
(c) FACP Signaling Circuit input trigger: Connect the positive (+) and negative (–) from the FACP signaling circuit output to the terminals marked [+ INP –]. Connect the FACP EOL to the terminals marked [+ RET –] (polarity is referenced in an alarm condition). The jumper located next to TRG LED must be cut (Fig. 1a, pg. 6). - FACP Dry form “C” output (Fig. 1a, pg. 6): Connect desired device to be triggered by the unit’s dry contact output to the terminals marked [NO] and [C] FACP for normally open output or the terminals marked [NC] and [C] FACP for normally closed output.
- Battery Connections (Fig. 2, pg. 7): For Access Control applications batteries are optional. If batteries are not used, a loss of AC will result in the loss of output voltage. Batteries must be lead acid or gel type. Connect one (1) 12VDC battery to the terminals marked [+ BAT –] for 12VDC operation. Use two (2) 12VDC batteries wired in series for 24VDC operation.
- Battery and AC Supervision output (Fig. 2, pg. 7): It is required to connect supervisory trouble reporting devices to outputs marked [AC Fail, BAT FAIL] supervisory relay outputs marked [NC, C, NO] to appropriate notification devices. Use 22 AWG to 18 AWG for AC Fail & Low/No Battery reporting. Cut “AC delay” jumper to delay report for 6 hours. Note: A tamper switch must be installed and connected to the appropriate notification device to report a trouble condition when the enclosure door is open.
- Multiple power supply inputs (Fig. 1, pg. 6): When using two (2) power supplies jumpers J1 and J2 (located to the left of the power/control terminals) must be cut (Fig. 1c, pg. 6 & Fig. 3 pg. 8). Connect power for the ACM8 to the terminals marked [– Control +] and connect power for the locking devices to the terminals marked [– Power +]. When using DC power supplies polarity must be observed. When using AC power supplies polarity need not be observed (Fig. 1d, pg. 6).
Maintenance:
Unit should be tested at least once a year for the proper operation as follows:
Output Voltage Test: Under normal load conditions, the DC output voltage should be checked for proper voltage level (Output Voltage and Stand-by Specification Charts, pg. 3).
Battery Test: Under normal load, conditions check that the battery is fully charged, check specified voltage at the battery terminals and at the board terminals marked [+ BAT –] to ensure that there is no break in the battery connection wires.
Note: AL400XB2V, AL600XB220, AL1012XB220 (Power Supply Board) maximum charge current is 0.7A.
AL1024XB2V (Power Supply Board) maximum charge current is 3.6A.
The expected battery life is 5 years, however, it is recommended to change batteries within 4 years or less if necessary.
Terminal Identification Tables:
Power Supply Board
| Terminal Legend | Function/Description |
| L, N | Connect 220VAC, 50/60Hz to these terminals: L to hot, N to neutral. |
| + DC – | AL400ACM220 – 12VDC @ 4A or 24VDC @ 3A to ACM8 board. AL600ACM220 – 12VDC/24VDC @ 6A to ACM8 board. AL1012ACM220 – 12VDC @ 10A to ACM8 board. AL1024ACM220 – 24VDC @ 10A to ACM8 board. |
| AC FAIL NC, C, NO | Used to notify loss of AC power, e.g. connect to audible device or alarm panel. Relay is normally energized when AC power is present. Contact rating 1A @ 28VDC. AC or brownout fail is reported within 1 minute of the event. To delay reporting of up to 6 hrs. cut the “AC delay” jumper and reset power to the unit. |
| BAT FAIL NC, C, NO | Used to indicate low battery condition, e.g. connect to the alarm panel. The relay is normally energized when DC power is present. Contact rating 1A @ 28VDC. A removed battery is reported within 5 minutes. Battery reconnection is reported within 1 minute. Low battery threshold: 12VDC output threshold set @ approximately 10.5VDC (N/A for AL1024ACM220), 24VDC output threshold set @ approximately 21VDC (N/A for AL1012ACM220). |
| + BAT – | Stand-by battery connections. AL400XB2V, AL600XB220, and AL1012XB220 (Power Supply Board) maximum charge current is 0.7A. AL1024XB2V (Power Supply Board) maximum charge current is 3.6A. |
ACM8 Access Power Controller
Terminal Legend | Function/Description |
| – Power + | 12VDC or 24VDC input from the power supply board. |
| – Control + | These terminals can be connected to a separate power supply to provide isolated operating power for the ACM8 (jumpers and J2 must be removed). |
| TRIGGER INPUT 1 – INPUT 8 IN, GND | From normally open and/or open collector sink trigger inputs (request to exit buttons, exit Pirs, etc.). |
| OUTPUT 1 – OUTPUT 8 NC, C, NO, COM | 12 to 24 volts AC/DC trigger controlled outputs: Fail-Safe [NC positive (+) & COM Negative (–)], Fail-Secure [NO positive (+) & COM Negative (–)],Auxiliary output [C positive (+) & COM Negative (–)](When using AC power supplies polarity need not be observed), NC, C, NO become form “C” 5A 24VAC/VDC rated dry outputs when fuses are removed. Contacts are shown in a non-triggered state. |
| FACP INTERFACE T, + INPUT – | Fire Alarm Interface trigger input from FACP. Trigger inputs can be normally open, normally closed from an FACP output circuit (Fig. 4 through 8, pgs. 8-9). |
| FACP INTERFACE NC, C, NO | Form “C” relay contact rated @ 1A 28VDC for alarm reporting. |
Typical Application Diagram:

LED Diagnostics:
Power Supply Board
LED | Power Supply Status | |
| Red (DC) | Green (AC) | |
| ON | ON | Normal operating condition. |
| ON | OFF | Loss of AC. Stand-by battery supplying power. |
| OFF | ON | No DC output. Short circuit or thermal overload condition. |
| OFF | OFF | No DC output. |
ACM8 Access Power Controller
LED | ON | OFF |
| LED 1 – LED 8 (Red) | Output relay(s) energized. | Output relay(s) de-energized. |
| Trg (Green) | FACP input triggered (alarm condition). | FACP normal (non-alarm condition). |
Fig. 2 – ACM220 Series Configuration
CAUTION: De-energize the unit prior to servicing.
For continued protection against fire hazards replace the fuse with the same type and rating.
CAUTION: Optional rechargeable stand-by batteries must match the power supply output voltage setting.
Keep power-limited wiring separate from non-power-limited. Use minimum 0.25″ spacing.
Hook-Up Diagrams:
Fig. 3 Optional hook-up using two (2) isolated power supply inputs:


Hook-Up Diagrams:
Fig. 6 Normally Open FACP Latching trigger input with reset (This output has not been evaluated by UL):


AL1024ACM220 Battery Size Calculation Worksheet:
| A. AL1024ACM220 internal current consumption B. Load current consumption C. Stand-by time required (Hours) D. Battery capacity required for standby E. AL1024ACM220 internal power consumption F. Load current consumption G. Alarm duration (Hours, example: 15 Min. = 0.25 Hours) H. Battery capacity required for Alarm I. Total calculated battery capacity J. Battery capacity required | (stand-by) (stand-by) (A+B)*C (Alarm) (Alarm) (Alarm) (E+F)*G D+H I*1.8 (safety factor) | __________ 0.35A __________ A __________ H __________ AH __________ 0.35A __________ A __________ H __________ AH __________ AH __________ AH |
Note: AL1024ACM220 power supply is designed to work with batteries up to 65AH. Please note, that line [I] must not exceed 36AH. You have to reduce either stand-by current consumption or stand-by time in order to comply with requirements.
To determine the actual battery size please round line [J] to the nearest larger standard battery size.
Enclosure Dimensions (H x W x D approximate):
15.5” x 12” x 4.5” (393.7mm x 304.8mm x 114.3mm)
Altronix is not responsible for any typographical errors.
140 58th Street, Brooklyn, New York 11220 USA
phone: 718-567-8181
fax: 718-567-9056
website: www.altronix.com
e-mail: [email protected]
Lifetime Warranty
IIACM220 Series
F25U MEMBER

ACM220 Series Installation Guide



















