ACM4 Series UL Listed Sub-Assembly Access Power Controllers
Installation Guide
Models Include:
ACM4: – Four (4) Fuse Protected Outputs
ACM4CB: – Four (4) PTC Protected Outputs
Overview:
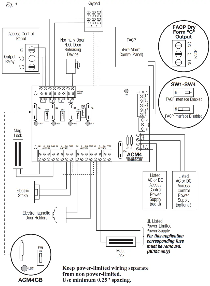
Altronix ACM4 and ACM4CB convert one (1) 12 to 24 volt AC or DC input into four (4) independently controlled fused or PTC protected outputs. These power outputs can be converted to dry form “C” contacts (ACM4 only). Outputs are activated by an open collector sink or normally open (NO) dry trigger input from an Access Control System, Card Reader, Keypad, Push Button, PIR, etc. The units will route power to a variety of access control hardware devices including Mag Locks, Electric Strikes, Magnetic Door Holders, etc. All interconnecting devices must be UL Listed. Outputs will operate in both Fail-Safe and/or Fail-Secure modes. Units are designed to be powered by one common power source which will provide power for both the board operation and locking devices, or two (2) totally independent power sources, one (1) providing power for board operation and the other for lock/accessory power. The FACP Interface enables Emergency Egress, Alarm Monitoring, or may be used to trigger other auxiliary devices. The fire alarm disconnect feature is individually selectable for any or all of the four (4) outputs.
ACM4 and ACM4CB Configuration Reference Chart:
| Altronix Model Number | Number of Outputs | Fuse Protected Outputs | PTC Protected Outputs | Output Ratings | Class 2 Rated Power-Limited Auto- esettable | Agency Listings |
| ACM4 | 4 | 3A | ||||
| ACM4CB | 4 | 2.5A |
UL Listings and File Numbers:
UL File # BP6714.
UL 294* – UL Listed for Access Control System Units.
*ANSI/UL 294 7th Ed. Access Control Performance Levels:
Destructive Attack – I; Endurance – IV; Line Security – I; Stand-by Power – I. “Signal Equipment” Evaluated to CSA Standard C22.2 No.205-M1983
Specifications:
- 12 to 24 volt AC or DC operation (setting not required).
- Input Ratings: 12VDC @ 0.4A or 24VDC @ 0.2A.
- Power supply input options:
a) One (1) common power input (board and lock power).
b) Two (2) isolated power inputs (one (1) for board power and one (1) for lock/hardware power). - Four (4) Access Control System trigger inputs:
a) Four (4) normally open (NO) inputs.
b) Four (4) open collector sink inputs.
c) Any combination of the above. - Four (4) independently controlled outputs:
a) Four (4) Fail-Safe and/or Fail-Secure power outputs.
b) Four (4) dry form “C” 5A rated relay outputs (ACM4 only).
c) Any combination of the above (ACM4 only). - Four (4) auxiliary power outputs (unswitched).
- Output ratings:
– Fuses are rated 2.5A each.
– PTCs are rated 2A each. - Main fuse is rated at 10A.
Note: For Models ACM4/ACM4CB refer to ACM4 and ACM4CB Configuration Reference Chart, Pg 2.
Note: Operating temperature range should be 0 to 49ºC. - Red LEDs indicate outputs are triggered (relays energized).
- Fire Alarm disconnect (latching or non-latching) is individually selectable for any or all of the four (4) outputs.
Fire Alarm disconnect input options:
a) Normally open (NO) or normally closed (NC) dry contact input.
b) Polarity reversal input from FACP signaling circuit. - FACP output relay (form “C” contact rated @ 1A/28VDC, not evaluated by UL).
- Green LED indicates when FACP disconnect is triggered.
- Removable terminal blocks facilitate ease of installation.
Board Dimensions (L x W x H approximate): 5.175”x 3.36”x 1.25” (131.5mm x 85.6mm x 31.8mm).
Installation Instructions:
Wiring methods shall be in accordance with the National Electrical Code/NFPA 70/ANSI, and with all local codes and authorities having jurisdiction. Product is intended for indoor use only.
- Refer to Sub Assembly Installation Instruction for mounting Rev. MS050913.
Carefully review: Typical Application Diagram (pg. 4) LED Diagnostics (pg. 5) Terminal Identification Table (pg. 5) Hook-up Diagrams (pg. 6) - Power supply input:
The units can be powered with one (1) Listed Access Control Power Supply which will provide power for both board operation and the locking devices or two (2) separate Listed Access Control Power Supplies, one (1) to provide power for the board operation and the other to provide power for the locking devices and/or access control hardware.
Note: The input power can be either 12 to 24 volts AC or DC operation.
Input Ratings (ACM4/ACM4CB only): 12VDC @ 0.4A or 24VDC @ 0.2A.
a) Single power supply input:
If the unit and the locking devices are to be powered using a single Listed Access Control Power Supply, connect the output (12 to 24 volts AC or DC) to the terminals marked [– Power +].
b) Dual power supply inputs (Fig. 1, pg. 5):
When the use of two Listed Access Control Power Supplies is desired, jumpers J1 and J2 (located to the left of the power/control terminals) must be cut. Connect power for the unit to the terminals marked [– Power +] and connect power for the locking devices to the terminals marked [– Control +].
Note: When using DC Listed Access Control Power Supplies polarity must be observed.
When using AC Listed Access Control Power Supplies polarity need not be observed.
Note: For UL compliance the power supplies must be UL Listed for Access Control Systems and accessories. - Output options (Fig. 1, pg. 5):
The ACM4 will provide either four (4) switched power outputs, four (4) dry form “C” outputs, or any combination of of both switched power and form “C” outputs, plus four (4) unswitched auxiliary power outputs. The ACM4CB will provide four (4) switched power outputs or four (4) unswitched auxiliary power outputs.
a) Switched Power outputs:
Connect the negative (–) input of the device being powered to the terminal marked [COM]. For Fail-Safe operation connect the positive (+) input of the device being powered to the terminal marked [NC]. For Fail-Secure operation connect the positive (+) input of the device being powered to the terminal marked [NO].
b) Form “C” outputs (ACM4):
When form “C” outputs are desired the corresponding output fuse (1-4) must be removed. Connect negative (–) of the power supply directly to the locking device. Connect the positive (+) of the power supply to the terminal marked [C]. For Fail-Safe operation connect the positive (+) of the device being powered to the terminal marked [NC]. For Fail-Secure operation connect the positive (+) of the device being powered to the terminal marked [NO].
c) Auxiliary Power outputs (unswitched):
Connect positive (+) input of the device being powered to the terminal marked [C] and the negative (–) of the device being powered to the terminal marked [COM]. Output can be used to provide power for card readers, keypads etc.
Note: When wiring for power-limited outputs utilize a knockout separate from the one used for non power-limited wiring. - Input trigger options (Fig. 1, pg. 5):
a) Normally Open [NO] input trigger:
Inputs 1-4 are activated by normally open or open collector sink inputs.
Connect devices (card readers, keypads, request to exit buttons etc.) to terminals marked [IN] and [GND].
b) Open Collector Sink inputs:
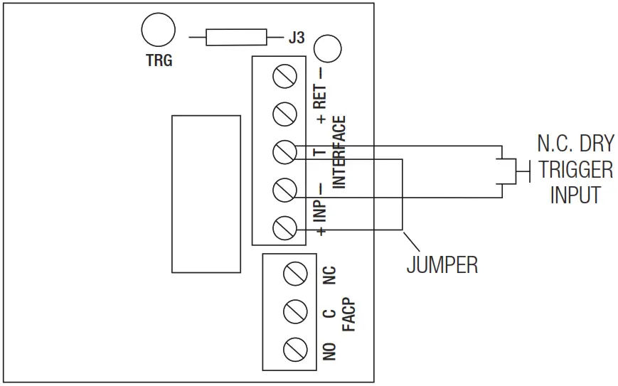
Connect the access control panel open collector output to the terminal marked [IN] and the common (negative) to the terminal marked [GND]. - Fire Alarm Interface options (Figs. 3 through 7, pg. 6 – 7):
A normally closed [NC], normally open [NO] input or polarity reversal input from FACP signaling circuit will trigger selected outputs. To enable FACP Disconnect for an output turn the corresponding switch [SW1- SW4] OFF. To disable FACP disconnect for an output turn the corresponding switch [SW1-SW4] ON.
a) Normally Open [NO] input:
For non-latching hook-up see Fig. 4, pg. 6. For latching hook-up see Fig. 5, pg. 7.
b) Normally Closed [NC] input:
For non-latching hook-up see Fig. 6, pg. 7. For latching hook-up see Fig. 7, pg. 7.
c) FACP Signaling Circuit input trigger:
Connect the positive (+) and negative (–) from the FACP signaling circuit output to the terminals marked [+ INP –]. Connect the FACP EOL to the terminals marked [+ RET –] (polarity is referenced in an alarm condition). Jumper J3 must be cut (Fig. 3, pg. 6). - FACP Dry form “C” output (Fig. 1a, pg. 5):
Connect desired device to be triggered by the unit’s dry contact output to the terminals marked [NO] and [C] FACP for normally open output or the terminals marked [NC] and [C] FACP for normally closed output. - Installation of tamper switch (Not Included):
Mount UL Listed tamper switch (Altronix Model TS112 or equivalent) at the top of the enclosure. Slide the tamper switch bracket onto the edge of the enclosure approximately 2” from the right side.
Connect tamper switch wiring to the Listed Access Control Panel input or the appropriate UL Listed reporting device to activate alarm signal when the door of the enclosure is open.
Maintenance:
Unit should be tested at least once a year for the proper operation. Voltage on each output has to be tested for both trigger and non-trigger states and operation of FACP interface has to be simulated.
LED Diagnostics:
| LED | ON | OFF |
| LED 1 – LED 4 (Red) | Output relay(s) energized. | Output relay(s) de-energized. |
| TRG (Green) | FACP input triggered (alarm condition). | FACP normal (non-alarm condition). |
Terminal Identification Table:
| Terminal Legend | Function/Description |
| — Power + | 12VDC to 24VDC input from UL Listed Access Control Power Supply. |
| — Control + | These terminals can be connected to a separate, UL Listed Access Control Power Supply to provide isolated operating power for the ACM4/ACM4CB (jumpers J1and J2 must be removed). |
| TRIGGER INPUT 1 – INPUT 4 IN, GND | From normally open and/or open collector sink trigger inputs (request to exit buttons, exit PIRs, etc.). |
| – OUTPUT 1 OUTPUT 4 NC, C, NO, COM | 12 to 24 volts AC/DC trigger controlled outputs: Fail-Safe [NC positive (+) & COM Negative (—)], Fail-Secure [NO positive (+) & COM Negative (—)], Auxiliary output [C positive (+) & COM Negative (—A (When using AC power supplies polarity need not be observed), NC, C, NO become form “C” 5A 24VACNDC rated dry outputs when fuses are removed (ACM4). Contacts shown in a non-triggered state. |
| FACP INTERFACE T, + INPUT — | Fire Alarm Interface trigger input from FACP. Trigger inputs can be normally open, normally closed from an FACP output circuit (Fig. 3 through 7, pg. 6-7). |
| FACP INTERFACE NC, C, NO | Form “C” relay contact rated @ 1A/28VDC for alarm reporting. (This output has not been evaluated by UL). |
Typical Application Diagram:

Hook-up Diagrams:
Fig. 2
Optional hook-up using two (2) isolated power supply inputs:

Fig. 3
Polarity reversal input from FACP signaling circuit output (polarity is referenced in alarm condition): (This output has not been evaluated by UL)

Fig. 4
Normally Open – Non-Latching FACP trigger input:

Fig. 5
Normally Open FACP Latching trigger input with reset: (This output has not been evaluated by UL)
Fig. 6
Normally Closed – Non-Latching FACP trigger input:

Fig. 7
Normally Closed – Latching FACP trigger input with reset (This output has not been evaluated by UL):

Notes:
Altronix is not responsible for any typographical errors.
140 58th Street, Brooklyn, New York 11220 USA
Phone: 718-567-8181
Fax: 718-567-9056
Website: www.altronix.com
E-mail: [email protected]
Lifetime Warranty
IIACM4/ACM4CB
F22U![]()



















