Altronix MaxFit3F8AP Fused Access Power Controller Kits
MaxFit3F5AP
8 Door Kit with Fused Outputs
Fully assembled kit includes:
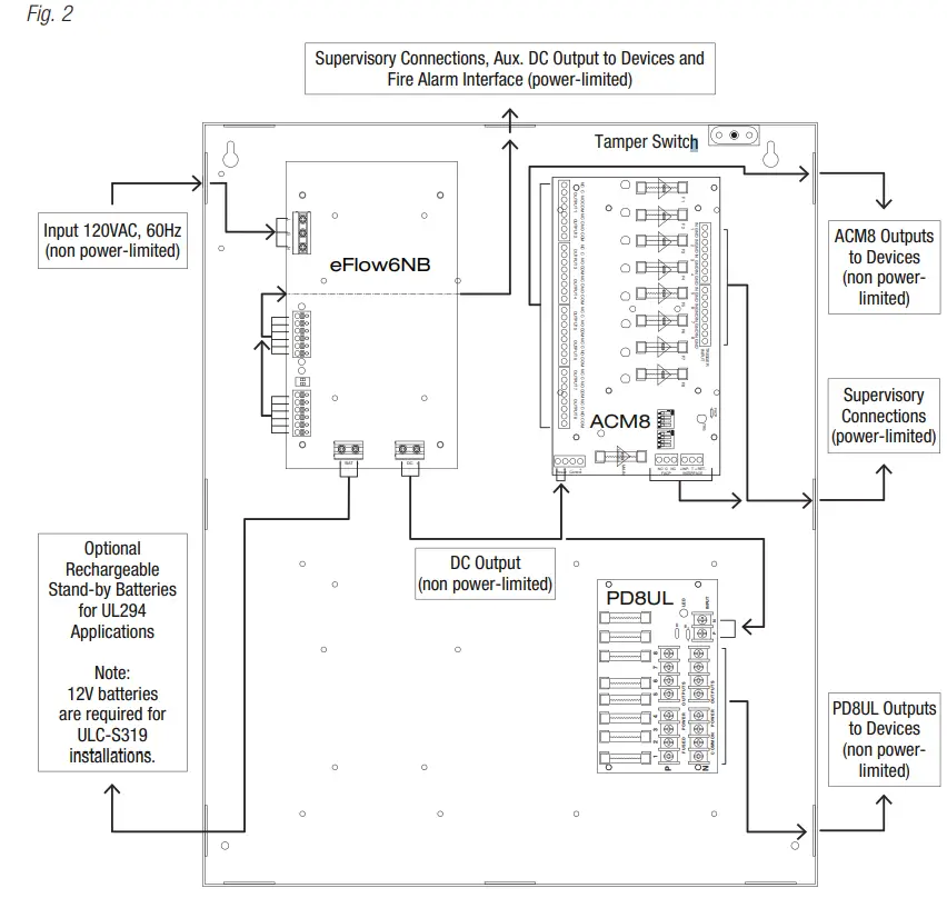
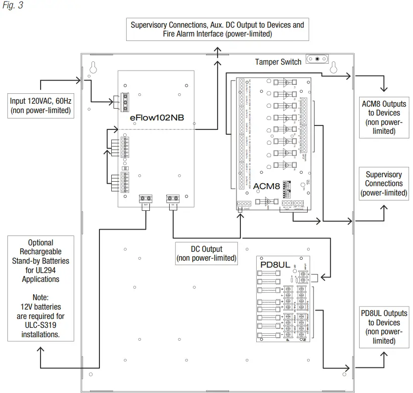
- One (1) eFlow6NB – Power Supply/Charger
- One (1) ACM8 – Fuse Protected Access Power Controller
- One (1) PD8UL – Fuse Protected Power Distribution Module
- BC750 enclosure
Overview
Altronix fused Access Power Controller kits distribute and switch power to access control systems and accessories. They convert a 120VAC 60Hz input into eight (8) independently controlled 12VDC or 24VDC fuse protected outputs. These Fail-Safe/Fail-Secure power outputs may be converted to dry form “C” contacts. Relays are activated by an open collector sink or normally open (NO) dry trigger input from an Access Control System, Keypad, Push Button, REX PIR, etc. Units will route power to a variety of access control hardware devices including: Mag Locks, Electric Strikes, Magnetic Door Holders, etc. The FACP Interface enables Emergency Egress, Alarm Monitoring, or may be used to trigger other auxiliary devices. The fire alarm disconnect feature is individually selectable for any or all of the eight (8) Fail-Safe/Fail-Secure power outputs. Additional fuse protected outputs provide power for connected devices.
Configuration Chart
|
Altronix Model Number | 120VAC 60Hz Input Current | Power Supply Board Input Fuse Rating | Power Supply Board Battery Fuse Rating |
Maximum Supply Current for Main and Aux. Outputs on Power Supply board and ACM8 Access Power Controller’s outputs | Nominal DC Output Voltage | Fail-Safe/Fail-Secure or Dry Form “C” Outputs | Additional Fused Outputs | ACM8 Board Input Fuse Rating | ACM8 Board Output Fuse Rating | PD8UL Board Output Fuse Rating | |||
| [DC] | [Aux] | ||||||||||||
| 12VDC Output Range (V) | 24VDC Output Range (V) | 12VDC Output Range (V) | 24VDC Output Range (V) | ||||||||||
| MaxFit3F8AP | 3.5A | 5A/ 250V | 15A/ 32V | 12VDC @ 5.4A or 24VDC @ 5.6A | 10.0- 13.2 | 20.19- 26.4 | 10.03- 13.2 | 20.19- 26.4 | 8 | 8 | 10A/ 250V | 2.5A/ 250V | 3.5A/ 250V |
| MaxFit5F8AP | 12 VDC @ 9.7A | 10.03- 13.2 | – | 10.03- 13.2 | – | 8 | 8 | 10A/ 250V | 2.5A/ 250V | 3.5A/ 250V | |||
Installation Instructions
Wiring methods shall be in accordance with the National Electrical Code/NFPA 70/ANSI, and with all local codes and authorities having jurisdiction. Product is intended for indoor use only.
- Mount unit in desired location. Mark and predrill holes in the wall to line up with the top three keyholes in the enclosure. Install
three upper fasteners and screws in the wall with the screw heads protruding. Place the enclosure’s upper keyholes over the three upper screws, level and secure. Mark the position of the lower three holes. Remove the enclosure. Drill the lower holes and install the three fasteners. Place the enclosure’s upper keyholes over the three upper screws. Install the three lower screws and make sure to tighten all screws (Enclosure Dimensions, pg. 8). - Connect unswitched AC power (120VAC 60Hz) to terminals marked [L, N] (Fig. 2-3, pg. 3-4). Use 14 AWG or larger for all power connections. Secure green wire lead to earth ground. Keep power-limited wiring separate from non power-limited wiring. Minimum 0.25” spacing must be provided (Fig. 2-5, pg. 3-6). CAUTION: Do not touch exposed metal parts. Shut branch circuit power before installing or servicing equipment. There are no user serviceable parts inside. Refer installation and servicing to qualified service personnel.
- Mount included UL Listed tamper switch (Altronix Model TS112 or equivalent) in desired location, opposite hinge. Slide the tamper switch bracket onto the edge of the enclosure approximately 2” from the right side (Fig. 1, pg. 2). Connect tamper switch wiring to the Access Control Panel input or the appropriate UL Listed reporting device. To activate alarm signal open the door of the enclosure.
- Refer to the eFlow Power Supply/Charger Installation Guide for eFlow6NB and eFlow102NB and corresponding Sub-Assembly Installation Guides for ACM8 and PD8UL for further installation instructions.

Limited Wiring Requirements
Power-limited and non power-limited circuit wiring must remain separated in the cabinet. All power-limited circuit wiring must remain at least 0.25” away from any non power-limited circuit wiring. Furthermore, all power-limited circuit wiring and non power-limited circuit wiring must enter and exit the cabinet through different conduits. One such example of this is shown below. Your specific application may require different conduit knockouts to be used. Any conduit knockouts may be used. For power-limited applications use of conduit is optional. All field wiring connections must be made employing suitable gauge CM or FPL jacketed wire (or equivalent substitute). Optional UL Listed battery enclosure must be mounted adjacent to the power supply via Class 1 wiring methods. For Canadian installations use shielded wiring for all connections.
Note: Refer to wire handling drawing below for the proper way to install the CM or FPL jacketed wire (Fig. 2a).
- Connect red battery lead to the terminal marked [+ BAT] and to the [positive (+)] terminal of the battery.
- Connect black battery lead to terminal marked [BAT –] and to the [negative (–)] terminal of the battery.
- Keep power-limited wiring separate from non power-limited. Use minimum 0.25″ spacing.
- 12AH Rechargeable batteries are the largest batteries that can fit in this enclosure.
- A UL listed external battery enclosure must be used if using the 40AH or 65AH batteries.

Power-limited and non power-limited circuit wiring must remain separated in the cabinet. All power-limited circuit wiring must remain at least 0.25” away from any non power-limited circuit wiring. Furthermore, all power-limited circuit wiring and non power-limited circuit wiring must enter and exit the cabinet through different conduits. One such example of this is shown below. Your specific application may require different conduit knockouts to be used. Any conduit knockouts may be used. For power-limited applications use of conduit is optional. All field wiring connections must be made employing suitable gauge CM or FPL jacketed wire (or equivalent substitute). Optional UL Listed battery enclosure must be mounted adjacent to the power supply via Class 1 wiring methods. For Canadian installations use shielded wiring for all connections.
Note: Refer to wire handling drawing below for the proper way to install the CM or FPL jacketed wire (Fig. 3a).
- Connect red battery lead to the terminal marked [+ BAT] and to the [positive (+)] terminal of the battery.
- Connect black battery lead to terminal marked [BAT –] and to the [negative (–)] terminal of the battery.
- Keep power-limited wiring separate from non power-limited. Use minimum 0.25″ spacing.
- 12AH Rechargeable batteries are the largest batteries that can fit in this enclosure.
- A UL listed external battery enclosure must be used if using the 40AH or 65AH batteries.

Network Communication Module
LINQ2 provides remote IP access to real-time data from eFlow power supply/chargers to help keep systems up and running at optimal levels. It facilitates fast and easy installation and set-up, minimizes system downtime, and eliminates unnecessary service calls, which helps reduce Total Cost of Ownership (TCO) – as well as creating a new source of Recurring Monthly Revenue (RMR).
Features
- Local or remote control of up to (2) two Altronix eFlow power output(s) via LAN and/or WAN.
- Monitor real time diagnostics: DC output voltage, output current, AC & battery status/service, input trigger state change, output state change and unit temperature.
- Access control and user managment: Restrict read/write, Restrict users to specific resources
- Two (2) integral network controlled Form “C” Relays.
- Three (3) programmable input triggers: Control relays and power supplies via external hardware sources.
- Email and Windows Dashboard notifications
- Event log tracks history.
- Secure Socket Layer (SSL).
- Programmable via USB or web browser – includes operating software and 6 ft. USB cable.
Mounts Inside any MaxFit Enclosure
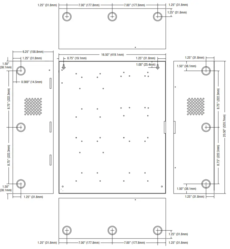
Enclosure Dimensions (approximate)
Altronix is not responsible for any typographical errors. Product specifications are subject to change without notice
140 58th Street, Brooklyn, New York 11220 USA | phone: 718-567-8181 | fax: 718-567-9056
website: www.altronix.com | e-mail: [email protected] | Lifetime Warranty IIMaxFit3,5F8AP


























