Danfoss ECL Comfort 310 Controller

Installation Instructions
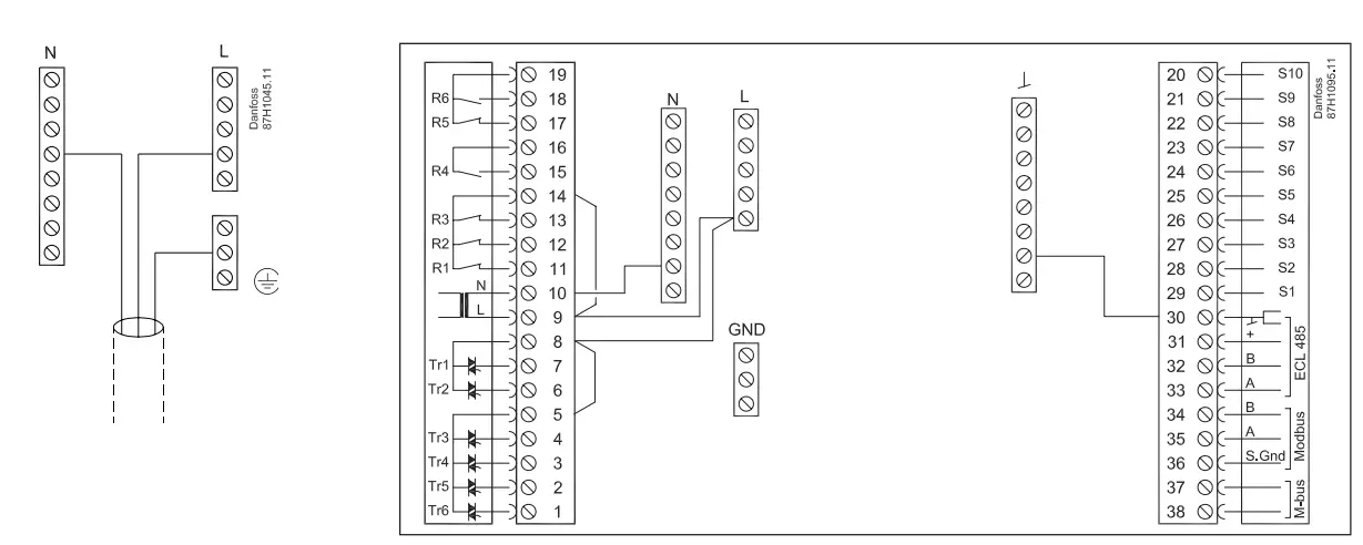
ECL Comfort 310 (code no. 087H3040 – 230 V a.c., code no. 087H3044 – 24 V a.c.):




ECL Comfort 310: www.danfoss.com or store.danfoss.com
https://www.youtube.com/user/Danfoss Climate Solutions for heating -> Playlists -> How-to Videos -> District Energy installation videos
DanfossA/S
Climate Solutions• danfoss.com • +45 7488 2222
| Any information, including, but not limited to information on selection of product, its application or use, product design, weight, dimensions, capacity or any other technical data in product manuals, catalogues descriptions, advertisements, etc. and whether made available in writing, orally, electronically, online or via download, shall be considered informative, and is only binding if and to the extent, explicit reference is made in a quotation or order confirmation. Danfoss cannot accept any responsibility for possible errors in catalogues, brochures, videos and other material. Danfoss reserves the right to alter its products without notice. This also applies to products ordered but not delivered provided that such alterations can be made without changes to form, fit or function of the product. All trademarks in this material are property of Danfoss A/Sor Danfoss group companies. Danfoss and the Danfoss logo are trademarks of Danfoss A/S. All rights reserved. |



















