ECL Comfort 120 ECL Controller

Installation Guide
ECL Comfort 120
(code no. 100B1200, 100B1600, 100B1601, 100B1603, 230 V a.c.)



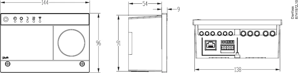
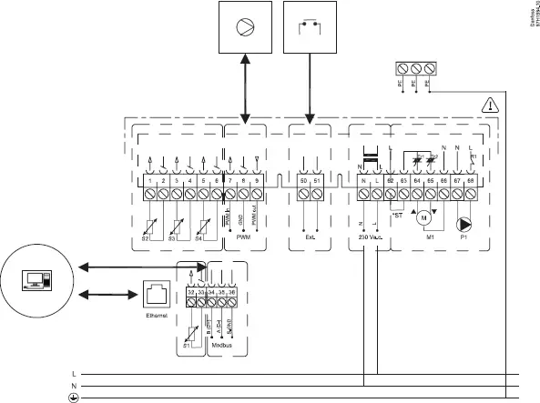
Installation Guide, ECL Comfort 120



Installation Guide, ECL Comfort 120



Installation Guide, ECL Comfort 120

Installation Guide, ECL Comfort 120

Installation Guide, ECL Comfort 120

Installation Guide, ECL Comfort 120

Installation Guide, ECL Comfort 120
EU-declaration of conformity
https://store.danfoss.com/en/
Select: ECL Comfort 120 > Documents > EU Declaration:
https://assets.danfoss.com/approvals/192308/ID389638298581-0201.pdf
or UK Declaration:
https://assets.danfoss.com/approvals/188970/ID389638299582-0101.pdf
ECL Comfort 120: www.danfoss.com
https://www.youtube.com/user/DanfossHeating
-> Playlists -> How-to Videos -> District Energy installation videos
Danfoss A/S
Climate Solutions + danfoss.com + +45 7488 2222
Any information, including, but not limited to information on selection of product, its application or use, product design, weight, dimensions, capacity or any other technical data in product manuals, catalogues descriptions, advertisements, etc. and whether made available in writing, orally, electronically, online or via download, shall be considered informative, and is only binding if and to the extent, explicit reference is made in a quotation or order confirmation. Danfoss cannot accept any responsibility for possible errors in catalogues, brochures, videos and other material
Danfoss reserves the right to alter its products without notice. This also applies to products ordered but not delivered provided that such alterations can be made without changes to form, fit or function of the product.
All trademarks in this material are property of Danfoss A/S or Danfoss group companies. Danfoss and the Danfoss logo are trademarks of Danfoss A/S. All rights reserved,
8 | © Danfoss | DCS-SGDPT/DK | 2022.09 AN41913394756900-000101



















